К началу документа
Tacuma
На предыдущую страницуНа следующую страницу
Главная страница GMDEЗагрузить нединамическое оглавлениеЗагрузить динамическое оглавлениеПомощь

РАЗДЕЛ 9B

СИСТЕМЫ ОСВЕЩЕНИЯ

Внимание! Отсоедините провод от отрицательного вывода аккумулятора, прежде чем снимать или устанавливать какие-либо электрические устройства, а также в ситуации, когда есть возможность касания оголенных электрических контактов каким-либо инструментом или приспособлением. Отсоединение этого провода позволяет избежать травм и повреждения оборудования автомобиля. Кроме того, если не указано иное, зажигание должно находиться в положении LOCK.

ОПИСАНИЕ И РАБОТА

ФАРЫ

Управление фарами осуществляется с помощью многофункционального рычага, расположенного слева на рулевой колонке. Фары можно включить при любом положении выключателя зажигания. При повороте переключателя фар в первое положение включаются стояночные огни, габаритные огни, освещение номерного знака и подсветка панели приборов. Перемещение выключателя во второе положение обеспечит включение всех предыдущих фонарей и фар. Перемещение выключателя в положение OFF обеспечит выключение всего освещения.
Этим же переключателем осуществляется управление дальним и нижним светом фар. Когда фары включены, при переключении рычажка в направлении от водителя до щелчка свет фар переключается с ближнего на дальний, а при возврате рычажка на себя возвращается на ближний. При притягивании рычажка к себе также включается дальний свет. При отпускании рычажка фары возвращаются на ближний свет. При включенном дальнем свете фар на комбинации приборов загорается индикаторная лампа.
Фары должны быть отрегулированы для правильного освещения дороги. Проверять регулировку фар необходимо при установке новой фары, а также после проведения ремонтных работ в передней части автомобиля, в ходе которых могло измениться положение фары в сборе или ее креплений.

СТОЯНОЧНЫЕ ОГНИ И УКАЗАТЕЛИ ПОВОРОТА

Стояночные огни можно включить, повернув выключатель освещения в первое положение. Стояночные огни можно выключить, повернув выключатель в положение OFF. Если стояночные огни включены, а ключ зажигания находится в положении OFF при открытой двери водителя, включается предупредительный сигнал, напоминающий о необходимости выключить огни.
Управление передними, боковыми и задними сигналами поворота осуществляется с помощью рычага управления сигналами, расположенного слева на рулевой колонке. При установке этого рычага в крайнее верхнее или нижнее положение (до фиксации) включаются сигналы поворота. По завершении поворота рычаг вернется в горизонтальное положение и указатели поворота перестанут мигать.
При изменении полосы движения или небольшом повороте, когда рулевое колесо поворачивается недостаточно далеко для того, чтобы отключить сигнал, передвиньте рычаг только до первого стопора и удерживайте его в этом положении. Когда рычаг будет отпущен, он вернется в горизонтальное положение и подача сигнала поворота прекратится.
Указатели поворота работают только тогда, когда выключатель зажигания находится в положении ON.

ПРОТИВОТУМАННЫЕ ФАРЫ

Выключатель передней противотуманной фары находится на левой стороне приборной панели. Для использования передних противотуманных фар включить фары или стояночные огни; затем нажать на выключатель соответствующей противотуманной фары.
Передние противотуманные фары не следует использовать в качестве замены основным.
На комбинации приборов загорится индикаторная лампа, указывающая, что противотуманные фары включены. Для выключения противотуманных фар нажать на рычажок еще раз. Индикаторная лампа погаснет.
Передние противотуманные фары необходимо отрегулировать для правильного освещения дороги. Проверять регулировку противотуманных фар необходимо при установке новых ламп, а также после проведения ремонтных работ в передней части автомобиля, в ходе которых могло измениться положение крепежа противотуманной фары.

ЗАДНИЕ КОМБИНИРОВАННЫЕ ФОНАРИ

Задние габаритные огни, стоп-сигналы, сигналы заднего хода и указатели поворота представляют собой один узел, а задние противотуманные фары принадлежат заднему бамперу.
Включение фар или стояночных огней обеспечит также включение задних габаритных огней. При нажатии на педаль тормоза задние габаритные огни включаются ярче, действуя как стоп-сигналы.
Дополнительный центральный стоп-сигнал, находящийся на заднем стекле, также загорается при нажатии на педаль тормоза.
Управление сигналами поворота осуществляется с помощью многофункционального рычага, расположенного слева на рулевой колонке. При нажатии на педаль тормоза при включенном сигнале поворота одна сторона будет мигать, а вторая будет гореть.
При переключении на заднюю передачу включаются фонари заднего хода. На автомобилях с автоматической коробкой передач фонари заднего хода включаются переключателем парковки/нейтрального положения. На автомобилях с ручной коробкой передач они включаются выключателем фонарей заднего хода, связанным с коробкой передач.

ОСВЕЩЕНИЕ НОМЕРНОГО ЗНАКА

Освещение номерного знака включается, когда включены фары или стояночные огни. Лампы освещения номерного знака расположены над номерным знаком.

ОСВЕЩЕНИЕ САЛОНА ПРИ ОТКРЫТИИ ДВЕРИ

Плафон освещения салона при открывании двери находится на обивке потолка сразу за передними сиденьями. Выключатель фонаря имеет три положения. Если выключатель находится в центральном положении, фонарь загорается при открытии двери и гаснет при ее закрытии. В положении ON фонарь будет светить до тех пор, пока не будет выключен. В положении OFF фонарь не будет загораться, даже при открытии двери.

ОСВЕЩЕНИЕ ВЕЩЕВОГО ЯЩИКА

Лампа освещения вещевого ящика расположена над вещевым ящиком. Она включается всегда при открывании вещевого ящика.

ФОНАРЬ ОСВЕЩЕНИЯ БАГАЖНИКА

Фонарь освещения багажника включается всегда при открывании задней двери.

ПРЕДУПРЕДИТЕЛЬНЫЙ СВЕТ ФАР

Предупредительный свет фар (DRL) включается, когда:
При включенных наружных огнях DRL выключается. Для выключения DRL при работе двигателя на холостом ходу следует задействовать стояночный тормоз.

СИСТЕМА СБЕРЕЖЕНИЯ ЗАРЯДА БАТАРЕИ (ТОЛЬКО ДЛЯ ЕВРОПЫ)

Функция автоматического отключения освещения выключает фары, стояночные огни, задние габаритные огни, освещение номерного знака и подсветку панели приборов в пределах нескольких секунд после закрытия двери водителя.
Эта функция задействуется в том случае, если вы оставляете выключатель фар в первом или втором положении, вытаскиваете ключ и выходите из автомобиля.

ДИАГНОСТИЧЕСКАЯ ИНФОРМАЦИЯ И ПРОЦЕДУРЫ

ФАРЫ

Фары ближнего света не работают, фары дальнего света исправны

ШагОперацияЗначенияДаНет
1
Проверить предохранители ef18 (левые фары) и ef19 (правые фары).
Перегорел ли предохранитель ef18 или ef19?
-
Перейдите на Шаг 2
Перейдите на Шаг 3
2
  1. Проверьте на предмет короткого замыкания и при необходимости отремонтируйте.
  2. Замените предохранитель.
Ремонт закончен?
-
Система в норме
-
3
Проверить напряжение на предохранителях ef18 и ef19.
Соответствует ли фактическое напряжение на предохранителях ef18 и ef19 указанному значению?
11~14 В
Перейдите на Шаг 4
Перейдите на Шаг 9
4
  1. Отсоединить разъемы обеих фар.
  2. Включить фары.
  3. Выбрать ближний свет.
Соответствует ли напряжение на выводе 5 разъема каждой фары указанному значению?
11~14 В
Перейдите на Шаг 6
Перейдите на Шаг 5
5
Устранить разрыв цепи между предохранителями ef18 или ef19 и фарами ближнего света.
Ремонт закончен?
-
Система в норме
-
6
  1. Отсоединить разъемы фар.
  2. Подключить омметр между массой и выводом 6 разъема любой из фар.
Соответствует ли сопротивление указанному значению?
0 Ом
Перейдите на Шаг 8
Перейдите на Шаг 7
7
Восстановить цепь массы.
Ремонт закончен?
-
Система в норме
-
8
Отремонтировать неисправные фары.
Ремонт закончен?
-
Система в норме
-
9
  1. Отсоединить разъём выключателя комбинации фар c1.
  2. Выбрать ближний свет.
  3. С помощью омметра проверить отсутствие обрывов цепи между выводами 6 и 5 выключателя комбинации фар.
Показывает ли омметр указанное значение?
0 Ом
Перейдите на Шаг 10
Перейти на Шаг 11
10
Заменить выключатель комбинации фар.
Ремонт закончен?
-
Система в норме
-
11
Устранить разрыв цепи между предохранителями ef18 и ef19 и выводом 5 разъема c1 выключателя комбинации фар.
Ремонт закончен?
-
Система в норме
-

Фары дальнего света не работают, фары ближнего света исправны

ШагОперацияЗначенияДаНет
1
Проверить фары дальнего света в режиме «мигания».
Работают ли фары дальнего света в режиме «мигания»?
-
Перейдите на Шаг 8
Перейдите на Шаг 2
2
Проверить предохранители ef20 и ef21.
Перегорел ли один из этих предохранителей?
-
Перейдите на Шаг 3
Перейдите на Шаг 4
3
  1. Проверить наличие короткого замыкания. При необходимости отремонтировать.
  2. Замените предохранитель.
Ремонт закончен?
-
Система в норме
-
4
  1. Включить фары дальнего света.
  2. Проверить напряжение на предохранителях ef20 и ef21.
Соответствует ли фактическое напряжение на предохранителях ef20 и ef21 указанному значению?
11~14 В
Перейдите на Шаг 5
Перейдите на Шаг 10
5
  1. Включить фары дальнего света.
  2. Проверить напряжение на выводе 4 фар при выбранном дальнем свете.
Соответствует ли фактическое напряжение на выводе 4 разъема фар указанному значению?
11~14 В
Перейдите на Шаг 7
Перейдите на Шаг 6
6
Устранить разрыв цепи между предохранителем ef20 или ef21 и фарами дальнего света.
Ремонт закончен?
-
Система в норме
-
7
Заменить неисправные фары.
Ремонт закончен?
-
Система в норме
-
8
  1. Отсоединить разъём выключателя комбинации фар.
  2. Перевести выключатель в положение дальнего света.
  3. С помощью омметра проверить отсутствие обрывов цепи выключателя фар между выводами 7 и 4.
Показывает ли омметр указанное значение?
0 Ом
Перейти на Шаг 10
Перейти на Шаг 9
9
Заменить выключатель комбинации фар.
Ремонт закончен?
-
Система в норме
-
10
Устранить обрыв цепи между разъемом выключателя комбинации фар c1 (вывод 4) и предохранителем ef20 или ef21.
Ремонт закончен?
-
Система в норме
-

Фары дальнего и ближнего света не работают ни на левой, ни на правой стороне

ШагОперацияЗначенияДаНет
1
Проверить предохранители ef12, ef20, ef21, ef18, ef19.
Перегорел ли какой-либо предохранитель?
-
Перейдите на Шаг 2
Перейдите на Шаг 3
2
  1. Проверьте на предмет короткого замыкания и при необходимости отремонтируйте.
  2. Замените предохранитель.
Ремонт закончен?
-
Система в норме
-
3
  1. Включить фары ближнего света.
  2. Проверить напряжение на предохранителях ef18 и ef19.
  3. Проверить напряжение на предохранителях ef20 и ef21 при включенном дальнем свете.
Соответствует ли напряжение на фарах указанному значению?
11~14 В
Перейдите на Шаг 4
Перейдите на Шаг 9
4
  1. Включить фары ближнего света.
  2. Проверить напряжение на выводе 5 разъема фар.
  3. Включить фары дальнего света.
  4. Проверить напряжение на выводе 4 разъема фар.
Соответствует ли фактическое напряжение батареи на фарах указанному значению?
11~14 В
Перейдите на Шаг 6
Перейдите на Шаг 5
5
Устранить разрыв цепи между предохранителями ef20, ef21, ef18 и ef19 и фарами.
Ремонт закончен?
-
Система в норме
-
6
С помощью омметра проверить отсутствие обрывов цепи между массой и выводом 6 разъема фары.
Равно ли сопротивление указанному значению?
0 Ом
Перейдите на Шаг 8
Перейдите на Шаг 7
7
Восстановить цепь массы.
Ремонт закончен?
-
Система в норме
-
8
  1. Заменить неисправные фары.
  2. Проверить систему зарядки и убедиться в том, что напряжение зарядки не слишком велико. При необходимости отремонтировать.
Ремонт закончен?
-
Система в норме
-
9
Проверить вольтметром подачу напряжения питания на предохранители ef12.
Соответствует ли напряжение на предохранителях ef12 указанному значению?
11~14 В
Перейти на Шаг 11
Перейдите на Шаг 10
10
Восстановить цепь подачи электропитания на предохранители ef12.
Ремонт закончен?
-
Система в норме
-
11
Временно задействовать реле освещения вместо реле фары.
Работают ли фары с замененным реле?
-
Перейдите на Шаг 12
Перейдите на Шаг 13
12
Установить реле освещения в исходное положение, затем установить новое реле фар.
Ремонт закончен?
-
Система в норме
-
13
  1. Установить реле освещения в исходное положение, но не устанавливать реле фар.
  2. С помощью вольтметра проверить разъем реле фары для вывода 30.
Показывает ли вольтметр указанное значение?
11~14 В
Перейдите на Шаг 15
Перейдите на Шаг 14
14
Заменить блок предохранителей двигателя.
Ремонт закончен?
-
Система в норме
-
15
При снятом реле фар с помощью вольтметра проверить разъем реле фар для вывода 86.
Показывает ли вольтметр указанное значение?
11~14 В
Перейдите на Шаг 16
Перейдите на Шаг 14
16
  1. При снятом реле фар перевести выключатель фар в положение ближнего света.
  2. С помощью омметра проверить отсутствие обрывов цепи между разъемом для вывода реле 85 и массой.
Показывает ли омметр указанное значение?
≈ 0 Ом
Перейдите на Шаг 22
Перейдите на Шаг 17
17
  1. Установить реле фар на место.
  2. Проверить напряжение на выводе 1 разъема выключателя фар c2.
Соответствует ли напряжение указанному значению?
11~14 В
Перейти на Шаг 19
Перейти на Шаг 18
18
Устранить разрыв цепи между выводом 85 реле фар и выводом 1 разъема выключателя фар c2.
Ремонт закончен?
-
Система в норме
-
19
  1. Отсоединить разъём выключателя фар c2.
  2. Включить ближний свет фар.
  3. С помощью омметра проверить отсутствие обрывов цепи между выводами 1 и 2 выключателя комбинации фар c2.
Показывает ли омметр указанное значение?
≈ 0 Ом
Перейдите на Шаг 21
Перейти на Шаг 20
20
Заменить выключатель фар.
Ремонт закончен?
-
Система в норме
-
21
Устранить разрыв цепи между выводом 2 разъема выключателя фар c2 и массой.
Ремонт закончен?
-
Система в норме
-
22
Проверить напряжение на выводе 6 разъема выключателя фар c1.
Соответствует ли напряжение указанному значению?
11~14 В
Перейдите на Шаг 24
Перейдите на Шаг 23
23
Устранить разрыв цепи между разъемом выключателя фар c1 и выводом 87 реле фар.
Ремонт закончен?
-
Система в норме
-
24
  1. Отсоединить разъём выключателя фар c1.
  2. Включить ближний свет фар.
  3. Подключить омметр между выводами 5 т 6 разъема фар c1. Считать показания омметра.
  4. Включить дальний свет фар.
  5. Подключить омметр между выводами 4 и 6 выключателя фар. Заметить показания омметра.
Показывает ли омметр указанное значение при проверке о обоих случаях?
≈ 0 Ом
Перейдите на Шаг 25
Перейти на Шаг 20
25
Устранить разрыв цепи между выключателем фар и предохранителями ef30, ef21, ef18 и ef19.
Ремонт закончен?
-
Система в норме
-

РЕГУЛИРОВАНИЕ ПОЛОЖЕНИЯ ФАР

Система регулирования положения фар не работает

ШагОперацияЗначенияДаНет
1
Проверить фары.
Работают ли фары?
-
Перейдите на Шаг 3
Перейдите на Шаг 2
2
Отремонтировать систему фар перед выполнением действий, перечисленных в этой диагностической таблице.
Была ли отремонтирована система фар?
-
Перейдите на Шаг 3
-
3
Проверить предохранители ef18 и ef19.
Перегорел ли один из этих предохранителей?
-
Перейдите на Шаг 5
Перейдите на Шаг 4
4
  1. Проверьте на предмет короткого замыкания и при необходимости отремонтируйте.
  2. Заменить перегоревший предохранитель.
Ремонт закончен?
-
Система в норме
-
5
  1. Включить фары.
  2. Проверить напряжение на предохранителях ef18 и ef19.
Имеется ли на предохранителях указанное напряжение?
11~14 В
Перейдите на Шаг 7
Перейдите на Шаг 6
6
Устранить разрыв цепи между выключателем фар и предохранителями ef18 и ef19.
Ремонт закончен?
-
Система в норме
-
7
  1. Отсоединить электрические разъемы на электродвигателях регулирования положения фар.
  2. Включить фары.
  3. Проверить напряжение на выводе c электродвигателей регулирования положения фар.
Имеется ли указанное напряжение на обоих электродвигателях регулирования положения фар?
11~14 В
Перейдите на Шаг 9
Перейдите на Шаг 8
8
Устранить разрыв цепи между предохранителями ef18 и ef19 и электродвигателей регулирования положения фар.
Ремонт закончен?
-
Система в норме
-
9
При отсоединенных электродвигателях регулирования положения фар проверить сопротивление между массой и выводом a разъема электродвигателя регулирования положения фар.
Равно ли сопротивление указанному значению?
≈ 0 Ом
Перейдите на Шаг 11
Перейдите на Шаг 10
10
Отремонтировать цепь массы электродвигателей регулирования положения фар.
Ремонт закончен?
-
Система в норме
-
11
  1. Включить фары.
  2. При отсоединенных электродвигателях регулирования положения фар проверить напряжение на выводе b разъема электродвигателя регулирования положения фар.
Равно ли примерно напряжение указанному значению?
6,2-10,6 В
Перейдите на Шаг 17
Перейдите на Шаг 12
12
  1. Отсоединить переключатель регулирования положения фар и регулятора освещения.
  2. Включить фары.
  3. Проверить напряжение на ТЕМ СИН/ЖЕЛ проводе у разъема электродвигателя регулирования положения фар.
Равно ли напряжение указанному значению?
11~14 В
Перейдите на Шаг 14
Перейдите на Шаг 13
13
Устранить разрыв цепи между реле фар и переключателем регулирования положения фар и регулировки освещения.
Ремонт закончен?
-
Система в норме
-
14
  1. Снять переключатель регулирования положения фар и регулировки освещения.
  2. С помощью омметра проверить сопротивление между двумя выводами нижнего ряда выводов. В нижнем ряду три вывода, но только к двум из них подключены провода. Подключить омметр к выводам переключателя, соответствующим темно-синему/желтому и черному проводам разъема.
Меняется ли сопротивление в заданных пределах плавно при перемещении колесика регулирования положения фар из положения "0" в положение "3"?
≈440-850 Ом
Перейдите на Шаг 16
Перейдите на Шаг 15
15
Заменить переключатель регулирования положения фар и регулировки освещения.
Ремонт закончен?
-
Система в норме
-
16
Устранить разрыв цепи между переключателем регулирования положения фар и регулировки освещения и электродвигателями регулирования положения фар.
Ремонт закончен?
-
Система в норме
-
17
  1. Включить фары.
  2. При отсоединенном электродвигателе регулирования положения фар проверить напряжение на выводе b разъема электродвигателя регулирования положения фар, поворачивая колесико переключателя регулирования положения фар.
Меняется ли напряжение плавно и соответствует ли указанным значениям?
От 10.5 В в положении "0" до 6.5 В в положении "3"
Перейти на Шаг 19
Перейти на Шаг 18
18
Заменить переключатель регулирования положения фар.
Ремонт закончен?
-
Система в норме
-
19
Заменить электродвигатель регулирования положения фар.
Ремонт закончен?
-
Система в норме
-

ПРОТИВОТУМАННЫЕ ФАРЫ

Рекомендации по диагностике

Питание на выключатель передних противотуманных фар подается через выключатель фар, поэтому противотуманные фары не работают, если не включены фары или задние габаритные огни.

Передние противотуманные фары не работают с одной стороны

ШагОперацияЗначенияДаНет
1
Проверить фары и наружные огни.
Работают ли фары и наружные огни?
-
Перейдите на Шаг 3
Перейдите на Шаг 2
2
Отремонтировать системы фар и наружных огней, прежде чем выполнять дальнейшие действия, перечисленные в этой диагностической таблице.
Ремонт закончен?
-
Перейдите на Шаг 3
-
3
Проверить предохранитель ef14 и ef17.
Перегорел ли предохранитель ef14 или ef17?
-
Перейдите на Шаг 5
Перейдите на Шаг 4
4
  1. Проверьте на предмет короткого замыкания и при необходимости отремонтируйте.
  2. Заменить предохранитель ef14 и ef17.
Ремонт закончен?
-
Система в норме
-
6
c помощью вольтметра проверить наличие напряжения аккумулятора на предохранителе ef14 и ef17.
Показывает ли вольтметр указанное значение?
11~14 В
Перейдите на Шаг 7
Перейдите на Шаг 6
6
Отремонтировать цепь подачи питания на предохранители ef14 и ef17.
Ремонт закончен?
-
Система в норме
-
7
  1. Отсоединить разъемы передних противотуманных фар.
  2. С помощью омметра проверить сопротивление между массой и черным проводом противотуманных фар.
Показывает ли омметр указанное значение?
≈ 0 Ом
Перейдите на Шаг 9
Перейдите на Шаг 8
8
Устранить разрыв в цепи массы передних противотуманных фар.
Ремонт закончен?
-
Система в норме
-
9
  1. При отсоединенных противотуманных фарах установить выключатель передних противотуманных фар во включенное положение.
  2. Включить фары.
  3. Проверить напряжение на СЕР проводе разъемов передних противотуманных фар.
Равно ли напряжение указанному значению?
11~14 В
Перейдите на Шаг 10
Перейдите на Шаг 11
10
Заменить лампы противотуманных фар.
Ремонт закончен?
-
Система в норме
-
11
  1. Временно установить реле наружного освещения (реле задних фонарей) вместо реле передних противотуманных фар.
  2. Включить фары.
  3. Установить выключатель передних противотуманных фар во включенное положение.
Работают ли передние противотуманные фары с замененным реле?
-
Перейдите на Шаг 12
Перейдите на Шаг 13
12
  1. Установить заменявшее реле на место.
  2. Заменить реле передних противотуманных фар.
Ремонт закончен?
-
Система в норме
-
13
  1. Установить заменявшее реле на место, но не устанавливать обратно реле передних противотуманных фар.
  2. С помощью вольтметра проверить напряжение на каждом из четырех выводов разъема реле передних противотуманных фар.
Соответствует ли напряжение на хотя бы одном из выводов разъема реле указанному значению.
11~14 В
Перейдите на Шаг 15
Перейдите на Шаг 14
14
Заменить блок предохранителей двигателя.
Ремонт закончен?
-
Система в норме
-
15
  1. Включить фары.
  2. Установить выключатель передних противотуманных фар во включенное положение.
  3. С помощью вольтметра проверить напряжение на каждом из четырех выводов разъема реле передних противотуманных фар.
Помимо вывода с указанным на шаге 13 напряжением аккумулятора, соответствует ли теперь напряжение на каком-либо из выводов разъема реле (положительном выводе обмотки реле) указанному значению?
11~14 В
Перейдите на Шаг 21
Перейдите на Шаг 16
16
  1. Включить фары.
  2. Проверить напряжение на ПУР проводе выключателя передних противотуманных фар.
Показывает ли вольтметр указанное значение?
11~14 В
Перейти на Шаг 18
Перейдите на Шаг 17
17
Устранить разрыв цепи между выключателем передних фар и выключателем передних противотуманных фар.
Ремонт закончен?
-
Система в норме
-
18
  1. При отсоединенном выключателе передних фар подключить омметр к выводам выключателя передних противотуманных фар.
  2. Установить выключатель передних противотуманных фар во включенное положение.
Показывает ли омметр указанное значение?
0 Ом
Перейти на Шаг 20
Перейти на Шаг 19
19
Заменить выключатель передних противотуманных фар.
Ремонт закончен?
-
Система в норме
-
20
Устранить разрыв цепи между выключателем передних противотуманных фар и реле передних противотуманных фар.
Ремонт закончен?
-
Система в норме
-
21
Проверить сопротивление между массой и выводом массы разъема реле передних противотуманных фар. Вывод массы расположен в разъеме реле по диагонали напротив положительного вывода обмотки реле, найденного на шаге 15.)
Показывает ли омметр указанное значение?
≈ 0 Ом
Перейдите на Шаг 23
Перейдите на Шаг 22
22
Восстановить цепь массы для реле передних противотуманных фар.
Ремонт закончен?
-
Система в норме
-
23
Устранить разрыв цепи между реле передних противотуманных фар и передними противотуманными фарами.
Ремонт закончен?
-
Система в норме

Не работают задние противотуманные фары с обеих сторон

Рекомендации по диагностике

Напряжение на обмотку реле задних противотуманных фар поступает через реле передних фар, поэтому задние противотуманные фары не могут работать, если не работают передние фары.
ШагОперацияЗначенияДаНет
1
Проверить фары и наружные огни.
Работают ли фары и наружные огни?
-
Перейдите на Шаг 3
Перейдите на Шаг 2
2
Отремонтировать системы фар и наружных огней, прежде чем выполнять дальнейшие действия, перечисленные в этой диагностической таблице.
Ремонт закончен?
-
Перейдите на Шаг 3
-
3
  1. Отсоединить разъемы задних противотуманных фар.
  2. С помощью омметра проверить сопротивление между массой и черным проводом задних противотуманных фар.
Показывает ли омметр указанное значение?
≈ 0 Ом
Перейдите на Шаг 5
Перейдите на Шаг 4
4
Устранить обрыв цепи массы задних противотуманных фар.
Ремонт закончен?
-
Система в норме
-
5
  1. При отсоединенных задних противотуманных фарах установить выключатель задних противотуманных фар во включенное положение.
  2. Включить фары.
  3. Проверить напряжение на ГОЛ проводе разъемов задних противотуманных фар.
Равно ли напряжение указанному значению?
11~14 В
Перейдите на Шаг 6
Перейдите на Шаг 7
6
Заменить лампы задних противотуманных фар.
Ремонт закончен?
-
Система в норме
-
7
  1. Временно установить реле наружного освещения (реле задних фонарей) вместо реле задних противотуманных фар.
  2. Включить фары.
  3. Установить выключатель задних противотуманных фар во включенное положение.
Работают ли задние противотуманные фары с замененным реле?
-
Перейдите на Шаг 8
Перейдите на Шаг 9
8
  1. Установить заменявшее реле на место.
  2. Заменить реле задних противотуманных фар.
Ремонт закончен?
-
Система в норме
-
9
  1. Установить заменявшее реле на место, но не устанавливать обратно реле задних противотуманных фар.
  2. С помощью вольтметра проверить напряжение на каждом из четырех выводов разъема реле задних противотуманных фар.
Соответствует ли напряжение на хотя бы одном из выводов разъема реле указанному значению.
11~14 В
Перейдите на Шаг 11
Перейдите на Шаг 10
10
Устранить разрыв цепи между предохранителем f17 и выводом 30 реле задних противотуманных фар.
Ремонт закончен?
-
Система в норме
-
11
  1. Включить фары.
  2. Установить выключатель задних противотуманных фар во включенное положение.
  3. С помощью вольтметра проверить напряжение на разъеме реле задних противотуманных фар.
Помимо вывода с указанным на шаге 13 напряжением аккумулятора, соответствует ли теперь напряжение на каком-либо из выводов разъема реле (положительном выводе обмотки реле) указанному значению?
11~14 В
Перейдите на Шаг 17
Перейдите на Шаг 12
12
  1. Включить фары.
  2. Проверить напряжение на выводе 5 выключателя задних противотуманных фар.
Показывает ли вольтметр указанное значение?
11~14 В
Перейдите на Шаг 14
Перейдите на Шаг 13
13
Устранить разрыв цепи между реле фар и выключателем задних противотуманных фар.
Ремонт закончен?
-
Система в норме
-
14
  1. При отсоединенном выключателе задних противотуманных фар подключить омметр к выводам 1 и 5 выключателя задних противотуманных фар.
  2. Установить выключатель передних противотуманных фар во включенное положение.
Показывает ли омметр указанное значение?
0 Ом
Перейдите на Шаг 16
Перейдите на Шаг 15
15
Заменить выключатель задних противотуманных фар.
Ремонт закончен?
-
Система в норме
-
16
Устранить разрыв цепи между выводом 6 выключателя задних противотуманных фар и выводом e реле задних противотуманных фар.
Ремонт закончен?
-
Система в норме
-
17
Проверить сопротивление между массой и выводом массы разъема реле задних противотуманных фар. Вывод массы расположен в разъеме реле по диагонали напротив положительного вывода обмотки реле, найденного на шаге 11.)
Показывает ли омметр указанное значение?
≈ 0 Ом
Перейти на Шаг 19
Перейти на Шаг 18
18
Восстановить цепь массы для реле задних противотуманных фар.
Ремонт закончен?
-
Система в норме
-
19
Устранить разрыв цепи между реле задних противотуманных фар и задними противотуманными фарами.
Ремонт закончен?
-
Система в норме
-

ЗАДНИЕ КОМБИНИРОВАННЫЕ ФОНАРИ

Не работает наружное освещение

ШагОперацияЗначенияДаНет
1
Проверить фары.
Работают ли фары?
-
Перейдите на Шаг 3
Перейдите на Шаг 2
2
Отремонтировать фары перед выполнением действий из этой карты.
После того как фары отремонтированы, задние комбинированные фонари по-прежнему не работают?
-
Перейдите на Шаг 3
Система в норме
3
  1. Включить наружное освещение.
  2. С помощью вольтметра проверить напряжение на положительном выводе патрона лампы.
Соответствует ли напряжение на патроне лампы указанному значению?
11~14 В
Перейдите на Шаг 4
Перейдите на Шаг 7
4
Подключить омметр между массой и отрицательным выводом патрона лампы.
Равно ли сопротивление указанному значению?
0 Ом
Перейдите на Шаг 6
Перейдите на Шаг 5
5
Восстановить цепь массы для ламп.
Ремонт закончен?
-
Система в норме
-
6
Заменить неисправные лампы.
Ремонт закончен?
-
Система в норме
-
7
Проверить предохранители ef16 и ef17.
Перегорел ли один из этих предохранителей?
-
Перейдите на Шаг 8
Перейдите на Шаг 9
8
  1. Проверьте на предмет короткого замыкания и при необходимости отремонтируйте.
  2. Замените предохранитель.
Ремонт закончен?
-
Система в норме
-
9
  1. Временно установить реле фар вместо реле освещения.
  2. Установить выключатель наружного освещения во включенное положение.
Задние габаритные огни загорелись?
-
Перейдите на Шаг 10
Перейдите на Шаг 11
10
  1. Установить реле фар на место.
  2. Заменить реле освещения.
Ремонт закончен?
-
Система в норме
-
11
  1. Заменить реле освещения.
  2. С помощью вольтметра проверить разъем реле освещения на разъеме для вывода 30.
Равно ли напряжение указанному значению?
11~14 В
Перейдите на Шаг 13
Перейдите на Шаг 12
12
Заменить блок предохранителей двигателя.
Ремонт закончен?
-
Система в норме
-
13
При снятом реле освещения с помощью вольтметра проверить разъем реле освещения на разъеме для вывода 86.
Равно ли напряжение указанному значению?
11~14 В
Перейдите на Шаг 14
Перейдите на Шаг 12
14
При снятом реле освещения подключить омметр между массой и разъемом для вывода 85 реле освещения.
Показывает ли омметр указанное значение?
≈ 0 Ом
Перейдите на Шаг 15
Перейдите на Шаг 17
15
  1. Установить на место реле освещения.
  2. Установить выключатель освещения во включенное положение.
  3. Проверить напряжение на предохранителях ef16 и ef17.
Равно ли напряжение указанному значению?
11~14 В
Перейдите на Шаг 16
Перейдите на Шаг 12
16
Устранить разрыв цепи между предохранителями ef17 и ef16 и лампами освещения.
Ремонт закончен?
-
Система в норме
-
17
  1. Отсоединить разъём выключателя фар c2.
  2. Перемычкой с плавким предохранителем соединить массу с выводом 4 разъема c2 (со стороны жгута приборной панели).
Включаются ли лампы освещения с установленной перемычкой?
-
Перейти на Шаг 19
Перейти на Шаг 18
18
Устранить разрыв цепи между выводом 85 реле освещения и выводом 4 разъема выключателя фар c2.
Ремонт закончен?
-
Система в норме
-
19
  1. Отсоединить разъём выключателя комбинации фар c2.
  2. Установить отсоединенный выключатель во включенное положение.
  3. Проверьте омметром сопротивление между выводами 2 и 4 разъема c2 со стороны выключателя.
Показывает ли омметр указанное значение?
≈ 0 Ом
Перейти на Шаг 20
Перейдите на Шаг 21
20
Устранить разрыв цепи между выводом 2 разъема выключателя фар c2 и массой.
Ремонт закончен?
-
Система в норме
-
21
Заменить выключатель фар.
Ремонт закончен?
-
Система в норме
-

Стоп-сигналы не работают

ШагОперацияЗначенияДаНет
1
Проверить предохранитель ef6.
Перегорел ли предохранитель ef6?
-
Перейдите на Шаг 2
Перейдите на Шаг 3
2
  1. Проверьте на предмет короткого замыкания и при необходимости отремонтируйте.
  2. Замените предохранитель.
Ремонт закончен?
-
Система в норме
-
3
  1. Нажать на педаль тормоза.
  2. При нажатой педали тормоза проверить положительные выводы патронов ламп с помощью пробной лампы.
Светится ли контрольная лампа?
-
Перейдите на Шаг 4
Перейдите на Шаг 6
4
Подключить омметр между массой и выводом массы стоп-сигнала.
Равно ли сопротивление указанному значению?
0 Ом
Перейдите на Шаг 6
Перейдите на Шаг 5
5
Восстановить цепь массы.
Ремонт закончен?
-
Система в норме
-
6
  1. Отсоединить разъем электропроводки от выключателя стоп-сигнала.
  2. Нажать на педаль тормоза.
  3. С помощью омметра проверить отсутствие обрывов цепи между выводами 2 и 4 выключателя стоп-сигнала.
Равно ли сопротивление указанному значению?
0 Ом
Перейдите на Шаг 8
Перейдите на Шаг 7
7
Заменить выключатель стоп-сигнала.
Ремонт закончен?
-
Система в норме
-
8
  1. Отсоединить электрический разъем выключателя стоп-сигнала.
  2. Проверить напряжение на выводе 2.
Показывает ли вольтметр указанное значение?
11~14 В
Перейти на Шаг 10
Перейдите на Шаг 9
9
Устранить разрыв цепи между предохранителем ef6 и выключателем стоп-сигнала.
Ремонт закончен?
-
Система в норме
-
10
Устранить разрыв цепи между выключателем стоп-сигналов и стоп-сигналами.
Ремонт закончен?
-
Система в норме
-

Дополнительный центральный стоп-сигнал (chmsl) не работает

ШагОперацияЗначенияДаНет
1
Проверить стоп-сигналы.
Работают ли стоп-сигналы?
-
Перейдите на Шаг 3
Перейдите на Шаг 2
2
Отремонтировать стоп-сигналы перед выполнением действий, перечисленных в этой диагностической таблице.
Заработал ли chmsl после ремонта стоп-сигналов?
-
Система в норме
Перейдите на Шаг 3
3
  1. Снять лампу плафона chmsl.
  2. Визуально и физически проверить лампу плафона chmsl.
Исправна ли лампа плафона?
-
Перейдите на Шаг 4
Перейдите на Шаг 5
4
Заменить лампу плафона chmsl.
Ремонт закончен?
-
Система в норме
-
5
  1. Отсоединить разъем chmsl.
  2. С помощью омметра измерить сопротивление между массой и ЧЕР проводом в разъеме chmsl.
Равно ли сопротивление указанному значению?
0 Ом
Перейдите на Шаг 7
Перейдите на Шаг 6
6
Устранить разрыв цепи между массой и ЧЕР проводом в разъеме chmsl.
Ремонт закончен?
-
Система в норме
-
7
Устранить разрыв цепи между выключателем стоп-сигналов и chmsl.
Ремонт закончен?
-
Система в норме
-

Фонари заднего хода не работают

ШагОперацияЗначенияДаНет
1
  1. Заблокировать колеса.
  2. Задействовать стояночный тормоз во избежание движения автомобиля.
  3. Установите зажигание в положение on.
  4. Установить коробку передач в режим заднего хода (reverse).
  5. Извлечь одну из ламп заднего хода из патрона.
  6. Проверить положительный вывод патрона лампы с помощью вольтметра.
Соответствует ли подаваемое батареей напряжение на положительном выводе патрона лампы заднего хода указанному значению?
11~14 В
Перейдите на Шаг 3
Перейдите на Шаг 2
2
Устранить разрыв цепи между предохранителем f14 и фонарями заднего хода.
Ремонт закончен?
-
Система в норме
-
3
Подключить омметр между массой и отрицательным выводом на патроне лампы.
Равно ли сопротивление указанному значению?
0 Ом
Перейдите на Шаг 4
Перейдите на Шаг 5
4
Заменить неисправные фонари заднего хода.
Ремонт закончен?
-
Система в норме
-
5
  1. Установить фонари заднего хода.
  2. Отсоединить электрический разъем от выключателя заднего хода.
  3. Установите зажигание в положение on.
  4. Установить коробку передач в режим заднего хода (reverse).
  5. Проверить вольтметром вывод 1 (1 для ручной коробки передач 7 для автоматической коробки передач) выключателя заднего хода.
Соответствует ли напряжение на выводе 1 указанному значению?
11~14 В
Перейдите на Шаг 7
Перейдите на Шаг 6
6
Устранить разрыв цепи между фонарями заднего хода и выключателем заднего хода.
Ремонт закончен?
-
Система в норме
-
7
  1. Установить коробку передач в режим заднего хода (reverse).
  2. С помощью омметра проверить целостность цепи между выводами 1 и 2 выключателя заднего хода.
Соответствует ли электропроводность между выводами 1 и 2 (выводами 7 и 8 для автомобиля с автоматической коробкой передач) указанному значению?
0 Ом
Перейдите на Шаг 9
Перейдите на Шаг 8
8
Заменить выключатель reverse. Ремонт закончен?
-
Система в норме
-
9
Отремонтировать цепь массы между выключателем reverse и фонарями заднего хода.
Ремонт закончен?
-
Система в норме
-

Указатели поворота и аварийная сигнализация не работают

ШагОперацияЗначенияДаНет
1
Проверить предохранители f20, f8 и ef6.
Перегорел ли какой-либо предохранитель?
-
Перейдите на Шаг 2
Перейдите на Шаг 3
2
  1. Проверьте на предмет короткого замыкания и при необходимости отремонтируйте.
  2. Замените предохранитель.
Ремонт закончен?
-
Система в норме
-
3
  1. Установите зажигание в положение on.
  2. Проверить напряжение на предохранителе f20, f8 и ef6.
Соответствует ли напряжение аккумулятора на предохранителях f20, f8 и ef6 указанному значению?
11~14 В
Перейдите на Шаг 4
Перейдите на Шаг 7
4
  1. Перевести выключатель аварийной сигнализации во включенное положение.
  2. Извлечь все неработающие лампы из патронов.
  3. Проверить положительный вывод патронов всех ламп с помощью вольтметра.
Соответствует ли подаваемое батареей пульсирующее напряжение на положительном выводе патрона аварийной лампы указателя поворота указанному значению?
11~14 В
Перейдите на Шаг 5
Перейдите на Шаг 9
5
С помощью омметра проверить цепь массы на патроне каждой лампы.
Равно ли сопротивление указанному значению?
≈ 0 Ом
Перейдите на Шаг 6
Перейдите на Шаг 8
6
Заменить неисправные лампы указателей поворота/аварийной сигнализации.
Ремонт закончен?
-
Система в норме
-
7
Восстановить цепь подачи электропитания на предохранители.
Ремонт закончен?
-
Система в норме
-
8
Устранить обрывы проводов массы.
Ремонт закончен?
-
Система в норме
-
9
  1. Перевести выключатель аварийной сигнализации во включенное положение.
  2. Проверить вывод 49а разъема реле указателей поворота с помощью вольтметра.
Соответствует ли подаваемое батареей пульсирующее напряжение на выводе 49a реле указателей поворота указанному значению?
11~14 В
Перейдите на Шаг 15
Перейдите на Шаг 10
10
  1. Перевести выключатель аварийной сигнализации во включенное положение.
  2. Проверить вывод 49 разъема реле указателей поворота с помощью вольтметра.
Соответствует ли подаваемое батареей напряжение на выводе 49 реле указателей поворота указанному значению?
11~14 В
Перейдите на Шаг 11
Перейдите на Шаг 14
11
  1. Отсоединить реле указателей поворота от разъема.
  2. С помощью омметра проверить отсутствие обрывов цепи между массой и выводом 31 разъема реле указателей поворота.
Равно ли сопротивление указанному значению?
≈ 0 Ом
Перейдите на Шаг 13
Перейдите на Шаг 12
12
Восстановить цепь массы реле указателей поворота.
Ремонт закончен?
-
Система в норме
-
13
Заменить неисправный узел реле указателей поворота.
Ремонт закончен?
-
Система в норме
-
14
  1. Отсоединить разъем выключателя аварийной сигнализации.
  2. Проверить напряжение на выводе 8.
  3. Установите зажигание в положение on.
  4. Проверить напряжение на выводе 10.
Соответствует ли напряжение на обоих выводах указанному значению?
11~14 В
Перейдите на Шаг 16
Перейдите на Шаг 15
15
Устранить разрыв цепи между выключателем аварийной сигнализации и предохранителями f20, f8 и ef6.
Ремонт закончен?
-
Система в норме
-
16
При отключенном выключателе аварийной сигнализации с помощью омметра проверить отсутствие обрыва цепи между выводом 49 разъема реле указателей поворота и выводом 7 разъема аварийной сигнализации.
Цепь разомкнута?
-
Перейдите на Шаг 17
Перейти на Шаг 18
17
Устранить разрыв цепи между выключателем аварийной сигнализации и реле указателей поворота.
Ремонт закончен?
-
Система в норме
-
18
  1. Снять выключатель аварийной сигнализации.
  2. Установить выключатель аварийной сигнализации в выключенное положение.
  3. С помощью омметра проверить отсутствие обрывов цепи между выводами 7 и 10.
  4. Перевести выключатель аварийной сигнализации во включенное положение.
  5. С помощью омметра проверить отсутствие обрывов цепи между выводами 7 и 8.
Показывает ли омметр указанное значение при проверке в обоих случаях?
0 Ом
Перейти на Шаг 20
Перейти на Шаг 19
19
Заменить выключатель аварийной сигнализации.
Ремонт закончен?
-
Система в норме
-
20
  1. Установить снятый для проверки выключатель аварийной сигнализации во включенное положение.
  2. С помощью омметра проверить отсутствие обрывов цепи между выводами 5, 6 и 9.
Есть ли соединение между выводами 5, 6 и 9?
-
Перейти на Шаг 19
Перейдите на Шаг 21
21
Устранить разрыв цепи между выключателем аварийной сигнализации и лампами сигналов поворота.
Ремонт закончен?
-
Система в норме
-

Аварийная сигнализация не работает, указатели поворота исправны

ШагОперацияЗначенияДаНет
1
Проверить предохранитель ef6.
Перегорел ли предохранитель ef6?
-
Перейдите на Шаг 2
Перейдите на Шаг 3
2
  1. Проверьте на предмет короткого замыкания и при необходимости отремонтируйте.
  2. Замените предохранитель.
Ремонт закончен?
-
Система в норме
-
3
С помощью вольтметра проверьте подачу напряжения на предохранитель ef6.
Соответствует ли напряжение аккумулятора на предохранителе ef6 указанному значению?
11~14 В
Перейдите на Шаг 5
Перейдите на Шаг 4
4
Устранить разрыв цепи подачи электропитания на предохранитель ef6.
Ремонт закончен?
-
Система в норме
-
5
  1. Отсоединить разъем выключателя аварийной сигнализации.
  2. С помощью вольтметра проверить напряжение на выводе 8 выключателя аварийной сигнализации.
Соответствует ли подаваемое батареей напряжение на выводе 8 разъема указанному значению?
11~14 В
Перейдите на Шаг 6
Перейдите на Шаг 9
6
  1. Снять выключатель лампы аварийной сигнализации и отсоединить его для проверки.
  2. Установить выключатель лампы аварийной сигнализации во включенное положение.
  3. Проверить с помощью омметра между выводами 7 и 8.
Равно ли сопротивление указанному значению?
0 Ом
Перейдите на Шаг 7
Перейдите на Шаг 10
7
  1. Установить снятый для проверки выключатель лампы аварийной сигнализации во включенное положение.
  2. С помощью омметра проверить между выводами 5, 6 и 9.
Равно ли сопротивление указанному значению?
0 Ом
Перейдите на Шаг 8
Перейдите на Шаг 10
8
Устранить разрыв цепи между выключателем лампы аварийной сигнализации и g201.
Ремонт закончен?
-
Система в норме
-
9
Устранить разрыв цепи между выводом 8 разъема выключателя лампы аварийной сигнализации и предохранителем ef6.
Ремонт закончен?
-
Система в норме
-
10
Заменить неисправный выключатель аварийной сигнализации.
Ремонт закончен?
-
Система в норме
-

ОСВЕЩЕНИЕ САЛОНА ПРИ ОТКРЫТИИ ДВЕРИ И ФОНАРЬ ОСВЕЩЕНИЯ БАГАЖНИКА

Освещение салона при открытии двери не работает

Внимание! Необходимо постоянно следить за наличием электрической нагрузки (лампы и т.п.) в любой цепи между выводами батареи. Нельзя замыкать накоротко выводы батареи проволочной перемычкой. Возможно возникновение опасной искры.

Описание проверки

Указанные ниже цифры обозначают шаг(и) в диагностической таблице.
  1. Проверка лампы. Прикрепить один конец проволочной перемычки к отрицательному выводу батареи. Прикрепить другой конец проволочной перемычки к концу лампы. Взять свободный конец лампы (конец без прикрепленной перемычки) и прикоснуться им к положительному выводу батареи.
ШагОперацияЗначенияДаНет
1
  1. Снять лампу освещения салона при открытии двери и осмотреть ее нить.
  2. Если нить не оборвана, проверить лампу с помощью аккумуляторной батареи автомобиля и проволочной перемычки.
Прошла ли лампа визуальную и физическую проверку?
-
Перейдите на Шаг 3
Перейдите на Шаг 2
2
Заменить лампу.
Ремонт закончен?
-
Система в норме
-
3
  1. Установить лампу освещения салона при открытии двери на место.
  2. Проверить предохранители ef6 и f3.
Перегорел ли какой-либо предохранитель?
-
Перейдите на Шаг 4
Перейдите на Шаг 5
4
  1. Проверьте на предмет короткого замыкания и при необходимости отремонтируйте.
  2. Замените предохранитель.
Ремонт закончен?
-
Система в норме
-
5
Проверить предохранители ef6 и f3.
Соответствует ли напряжение на предохранителях ef6 и f3 указанному значению?
11~14 В
Перейдите на Шаг 7
Перейдите на Шаг 6
6
Устранить разрыв цепи между батареей и предохранителями ef6 или f3.
Ремонт закончен?
-
Система в норме
-
7
  1. Отсоединить электрический разъем лампы освещения салона при открытии двери.
  2. Проверить напряжение на ОРЖ/ЧЕР проводе.
Соответствует ли напряжение на ОРЖ/ЧЕР проводе указанному значению?
11~14 В
Перейдите на Шаг 8
Перейдите на Шаг 9
8
Устранить разрыв цепи между предохранителем ef6 и ОРЖ/ЧЕР проводом лампы внутреннего освещения салона при открытии двери.
Ремонт закончен?
-
Система в норме
-
9
С помощью омметра проверить сопротивление между массой и ЧЕР проводом разъема внутреннего освещения салона при открытии двери (со стороны жгута).
Равно ли сопротивление указанному значению?
0 Ом
Перейдите на Шаг 10
Перейдите на Шаг 11
10
Заменить выключатель освещения салона при открытии двери в сборе.
Ремонт закончен?
-
Система в норме
-
11
Восстановить цепь массы для лампы освещения салона при открытии двери.
Ремонт закончен?
-
Система в норме
-

Не работает фонарь освещения багажника

Внимание! Необходимо постоянно следить за наличием электрической нагрузки (лампы и т.п.) в любой цепи между выводами батареи. Нельзя замыкать накоротко выводы батареи проволочной перемычкой. Возможно возникновение опасной искры.

Описание проверки

Указанные ниже цифры обозначают шаг(и) в диагностической таблице.
  1. Проверка лампы. Прикрепить один конец проволочной перемычки к отрицательному выводу батареи. Прикрепить другой конец проволочной перемычки к концу лампы. Взять свободный конец лампы (конец без прикрепленной перемычки) и прикоснуться им к положительному выводу батареи.
ШагОперацияЗначенияДаНет
1
  1. Снять лампу фонаря освещения багажника и осмотреть нить.
  2. Если нить не оборвана, проверить лампу с помощью аккумуляторной батареи автомобиля и проволочной перемычки.
Прошла ли лампа визуальную и физическую проверку?
-
Перейдите на Шаг 3
Перейдите на Шаг 2
2
Заменить лампу.
Ремонт закончен?
-
Система в норме
-
3
  1. Установить фонарь освещения багажника на место.
  2. Проверить предохранители ef6 и f3.
Перегорел ли какой-либо предохранитель?
-
Перейдите на Шаг 4
Перейдите на Шаг 5
4
  1. Проверьте на предмет короткого замыкания и при необходимости отремонтируйте.
  2. Замените предохранитель.
Ремонт закончен?
-
Система в норме
-
5
Проверить предохранители ef6 и f3.
Соответствует ли напряжение на предохранителях ef6 и f3 указанному значению?
11~14 В
Перейдите на Шаг 7
Перейдите на Шаг 6
6
Устранить разрыв цепи между батареей и предохранителями ef6 или f3.
Ремонт закончен?
-
Система в норме
-
7
  1. Отсоединить электрический разъем фонаря освещения багажника.
  2. Проверить напряжение на ОРЖ проводе.
Соответствует ли напряжение на ОРЖ проводе указанному значению?
11~14 В
Перейдите на Шаг 8
Перейдите на Шаг 9
8
Устранить разрыв цепи между предохранителем ef6 и фонарем освещения багажника.
Ремонт закончен?
-
Система в норме
-
9
  1. Подсоединить фонарь освещения багажника обратно.
  2. Снять выключатель фонаря освещения багажника (задней двери).
  3. С помощью вольтметра (или контрольной лампы) проверьте ПУР провод лампы освещения багажника (задней двери).
Соответствует ли напряжение на выключателе фонаря освещения багажника указанному значению?
11~14 В
Перейдите на Шаг 11
Перейдите на Шаг 10
10
Устранить разрыв цепи между фонарем освещения багажника и выключателем фонаря освещения багажника (задней двери).
Ремонт закончен?
-
Система в норме
-
11
С помощью омметра проверить сопротивление между массой и ЧЕР проводом разъема выключателя фонаря освещения багажника (задней двери) (со стороны жгута проводов).
Равно ли сопротивление указанному значению?
0 Ом
Перейдите на Шаг 12
Перейдите на Шаг 13
12
Заменить выключатель фонаря освещения багажника (задней двери).
Ремонт закончен?
-
Система в норме
-
13
Восстановить цепь массы для лампы освещения салона при открытии двери.
Ремонт закончен?
-
Система в норме
-

ОСВЕЩЕНИЕ ВЕЩЕВОГО ЯЩИКА

Освещение вещевого ящика не работает

ШагОперацияЗначенияДаНет
1
Проверить предохранитель f16.
Перегорел ли предохранитель f16?
-
Перейдите на Шаг 2
Перейдите на Шаг 3
2
  1. Проверьте на предмет короткого замыкания и при необходимости отремонтируйте.
  2. Замените предохранитель.
Ремонт закончен?
-
Система в норме
-
3
С помощью вольтметра проверить напряжение на предохранителе f16.
Соответствует ли напряжение указанному значению?
11~14 В
Перейдите на Шаг 5
Перейдите на Шаг 4
4
Устранить разрыв цепи между батареей и предохранителем f16.
Ремонт закончен?
-
Система в норме
-
5
  1. Отсоединить электрический разъем освещения вещевого ящика.
  2. С помощью вольтметра проверить напряжение на выводе 1 разъема.
Соответствует ли напряжение указанному значению?
11~14 В
Перейдите на Шаг 7
Перейдите на Шаг 6
6
Устранить разрыв цепи между предохранителем f16 и выводом 1 освещения вещевого ящика.
Ремонт закончен?
-
Система в норме
-
7
С помощью омметра проверить целостность цепи между выводом 2 разъема освещения вещевого ящика и массой.
Показывает ли омметр указанное значение?
≈ 0 Ом
Перейдите на Шаг 8
Перейдите на Шаг 9
8
Заменить лампу освещения вещевого ящика.
Ремонт закончен?
-
Система в норме
-
9
Восстановить цепь массы освещения вещевого ящика.
Ремонт закончен?
-
Система в норме
-

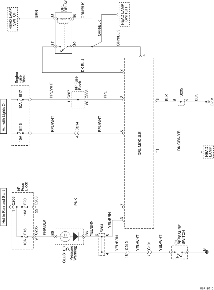
ПРЕДУПРЕДИТЕЛЬНЫЙ СВЕТ ФАР

Рекомендации по диагностике

Система предупредительного света фар (DRL) не будет работать при задействованном стояночном тормозе. Эта система рассчитана на работу только при включенном двигателе и отпущенном стояночном тормозе. Если цепь стояночного тормоза замкнута на массу или выключатель остается замкнутым при запущенном двигателе, система DRL работать не будет.

Предупредительный свет фар (drl) не включается

ШагОперацияЗначенияДаНет
1
Включить фары выключателем фар.
Работают ли фары?
-
Перейдите на Шаг 3
Перейдите на Шаг 2
2
Перед выполнением действий, перечисленных в этой диагностической таблице, отремонтировать систему обычных фар.
Заработала ли система drl после ремонта фар?
-
Система в норме
Перейдите на Шаг 3
3
При отсоединенном модуле drl с помощью омметра проверить сопротивление между массой и выводом 8 разъема модуля drl.
Равно ли сопротивление указанному значению?
≈ 0 Ом
Перейдите на Шаг 5
Перейдите на Шаг 4
4
Устранить разрыв цепи между массой и выводом 8 разъема модуля drl.
Ремонт закончен?
-
Система в норме
-
5
  1. Отпустить стояночный тормоз.
  2. Поверните ключ зажигания в положение on.
  3. Заметить состояние индикаторной лампы стояночного тормоза.
Светится ли индикаторная лампа стояночного тормоза?
-
Перейдите на Шаг 6
Перейдите на Шаг 9
6
Отсоединить электрический разъем выключателя рычага стояночного тормоза.
Светится ли по-прежнему индикаторная лампа стояночного тормоза?
-
Перейдите на Шаг 7
Перейдите на Шаг 8
7
Устранить короткое замыкание на массу в цепи стояночного тормоза.
Ремонт закончен?
-
Система в норме
-
8
Заменить выключатель рычага стояночного тормоза.
Ремонт закончен?
-
Система в норме
-
9
  1. Убедиться в том, что фары выключены.
  2. При отсоединенном модуле drl включить зажигание.
  3. Проверить напряжение на выводе 7 модуля drl.
Равно ли напряжение указанному значению?
0 В
Перейдите на Шаг 11
Перейдите на Шаг 10
10
Устранить разрыв цепи между предохранителем f20 и выводом 7 модуля drl.
Ремонт закончен?
-
Система в норме
-
11
Заменить модуль drl.
Ремонт закончен?
-
Система в норме
-

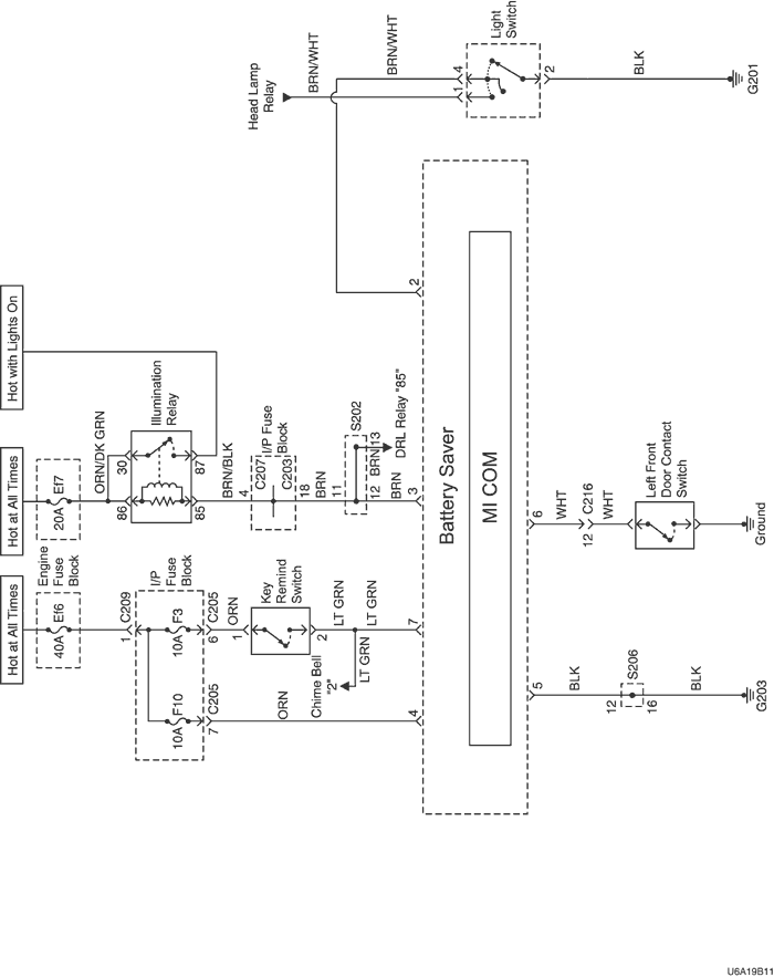
СИСТЕМА СБЕРЕЖЕНИЯ ЗАРЯДА БАТАРЕИ (ТОЛЬКО ДЛЯ ЕВРОПЫ)

Рекомендации по диагностике

Система сбережения заряда батареи предназначена для предотвращения разряда батареи.
Эта функция задействуется в том случае, если вы оставляете выключатель фар в первом или втором положении, вытаскиваете ключ и выходите из автомобиля.
ШагОперацияЗначенияДаНет
1
Проверить предохранители ef6, ef7, f10 и f3.
Предохранитель ef6, ef7, f10 или f3 перегорел?
-
Перейдите на Шаг 2
Перейдите на Шаг 3
2
  1. Проверьте на предмет короткого замыкания и при необходимости отремонтируйте.
  2. Замените предохранитель.
Ремонт закончен?
-
Система в норме
-
3
Временно установить реле фар вместо реле освещения.
Работает ли система сбережения заряда батареи с замененным реле?
-
Перейдите на Шаг 4
Перейдите на Шаг 5
4
Установить реле фар в исходное положение, затем установить новое реле освещения.
Ремонт закончен?
-
Система в норме
-
5
  1. Установить на место реле освещения.
  2. Проверить вольтметром напряжение между выводом 85 реле освещения и разъемом 3 системы сбережения заряда батареи.
Соответствует ли напряжение указанному значению?
11~14 В
Перейдите на Шаг 7
Перейдите на Шаг 6
6
Устранить разрыв цепи между выводом 85 реле освещения и разъемом 3 системы сбережения заряда батареи.
Ремонт закончен?
-
Система в норме
-
7
При отсоединенной системе сбережения заряда батареи с помощью омметра проверить сопротивление между массой и выводом 5 разъема системы сбережения заряда батареи.
Равно ли сопротивление указанному значению?
≈ 0 Ом
Перейдите на Шаг 9
Перейдите на Шаг 8
8
Отремонтировать цепь между массой и выводом 5 разъема системы сбережения заряда батареи.
Ремонт закончен?
Система в норме
-
9
Проверить вольтметром напряжение между предохранителем f3 и разъемом 7 системы сбережения заряда батареи.
Соответствует ли напряжение указанному значению?
11~14 В
Перейдите на Шаг 11
Перейдите на Шаг 10
10
Заменить выключатель напоминания о ключе.
Ремонт закончен?
-
Система в норме
-
11
Проверить вольтметром напряжение между разъемом 6 системы сбережения заряда батареи и массой.
Соответствует ли напряжение указанному значению?
11~14 В
Перейдите на Шаг 13
Перейдите на Шаг 12
12
Заменить контактный выключатель левой передней двери.
Ремонт закончен?
-
Система в норме
-
13
Заменить систему сбережения заряда батареи.
Ремонт закончен?
-
Система в норме
-

ИНСТРУКЦИИ ПО РЕМОНТУ

РАБОТЫ НА АВТОМОБИЛЕ



UAA9B010
Показать иллюстрациюПеревод текста в иллюстрациях


ФАРЫ/ПЕРЕДНИЕ УКАЗАТЕЛИ ПОВОРОТА

Процедура снятия и установки

  1. Отсоедините провод от отрицательного вывода аккумуляторной батареи.
  2. Удалить гайки и болты крепления фары.
  3. Замечания по установке
    Момент затяжки
    4 Н•м (35 lb-in)
  4. Отсоединить электрические разъемы.


  5. UAA9B020
    Показать иллюстрациюПеревод текста в иллюстрациях


  6. Удалить винт.
  7. Примечание: Непосредственный контакт разнородных металлов может привести к быстрой коррозии. Во избежание преждевременной коррозии используйте надлежащий крепеж.

  8. Снять фару и отсек.


  9. UAA9B030
    Показать иллюстрациюПеревод текста в иллюстрациях


  10. Снять чашку, скрывающую лампу фары.
  11. Снять фару в сборе.
  12. Снять лампу сигнала поворота.
  13. Установка производится в порядке, обратном снятию.


UAA9B040
Показать иллюстрациюПеревод текста в иллюстрациях


БОКОВЫЕ УКАЗАТЕЛИ ПОВОРОТА

Процедура снятия и установки

  1. Отсоедините провод от отрицательного вывода аккумуляторной батареи.
  2. Задний боковой указатель поворота (слева).
  3. Передний боковой указатель поворота (справа).
  4. Снять фонарь.
  5. Отсоединить электрический разъем.
  6. Установка производится в порядке, обратном снятию.


UAA9B050
Показать иллюстрациюПеревод текста в иллюстрациях


ПЕРЕДНЯЯ ПРОТИВОТУМАННАЯ ФАРА

Процедура снятия и установки

  1. Отсоедините провод от отрицательного вывода аккумуляторной батареи.
  2. Удалить гайки и переднюю противотуманную фару.
  3. Замечания по установке
    Момент затяжки
    4 Н•м (35 lb-in)

    Примечание: Непосредственный контакт разнородных металлов может привести к быстрой коррозии. Во избежание преждевременной коррозии используйте надлежащий крепеж.

  4. Отсоединить электрический разъем.


  5. UAA9B060
    Показать иллюстрациюПеревод текста в иллюстрациях


  6. Снять крышку доступа к противотуманным фарам.
  7. Снять удерживающий провод.
  8. Снять лампу.
  9. Установка производится в порядке, обратном снятию.


UAA9B070
Показать иллюстрациюПеревод текста в иллюстрациях


ЗАДНЯЯ ПРОТИВОТУМАННАЯ ФАРА

Процедура снятия и установки

  1. Отсоедините провод от отрицательного вывода аккумуляторной батареи.
  2. Снять винты.
  3. Удалить электрический разъем.
  4. Снять крышку доступа к противотуманным фарам.
  5. Снять лампу.
  6. Установка производится в порядке, обратном снятию.


UAA9B080
Показать иллюстрациюПеревод текста в иллюстрациях


ЗАДНИЕ КОМБИНИРОВАННЫЕ ФОНАРИ

Процедура снятия и установки

  1. Отсоедините провод от отрицательного вывода аккумуляторной батареи.
  2. Удалить винт.
  3. Примечание: Непосредственный контакт разнородных металлов может привести к быстрой коррозии. Во избежание преждевременной коррозии используйте надлежащий крепеж.

  4. Удалить задние комбинированные фонари.


  5. UAA9B090
    Показать иллюстрациюПеревод текста в иллюстрациях


  6. Снять лампу.
  7. Установка производится в порядке, обратном снятию.


UAA9B100
Показать иллюстрациюПеревод текста в иллюстрациях


ДОПОЛНИТЕЛЬНЫЙ ЦЕНТРАЛЬНЫЙ СТОП-СИГНАЛ

Процедура снятия и установки

  1. Отсоедините провод от отрицательного вывода аккумуляторной батареи.
  2. Снять верхнюю обивку задней двери.


  3. UAA9B110
    Показать иллюстрациюПеревод текста в иллюстрациях


  4. Снять винты.
  5. Примечание: Непосредственный контакт разнородных металлов может привести к быстрой коррозии. Во избежание преждевременной коррозии используйте надлежащий крепеж.

  6. Отсоединить электрический разъем.
  7. Удалить центральный верхний стоп-сигнал.


  8. UAA9B120
    Показать иллюстрациюПеревод текста в иллюстрациях


  9. Снять лампу.
  10. Установка производится в порядке, обратном снятию.


UAA9B130
Показать иллюстрациюПеревод текста в иллюстрациях


ЛАМПЫ ОСВЕЩЕНИЯ НОМЕРНОГО ЗНАКА

Процедура снятия и установки

  1. Отсоедините провод от отрицательного вывода аккумуляторной батареи.
  2. Снять винты.
  3. Примечание: Непосредственный контакт разнородных металлов может привести к быстрой коррозии. Во избежание преждевременной коррозии используйте надлежащий крепеж.

  4. Снять фонарь в сборе.
  5. Извлечь гнездо фонаря из корпуса фонаря.
  6. Снять лампу.
  7. Установка производится в порядке, обратном снятию.


UAA9B140
Показать иллюстрациюПеревод текста в иллюстрациях


ВЫКЛЮЧАТЕЛЬ В ДВЕРНОЙ РАМЕ

Процедура снятия и установки

  1. Отсоедините провод от отрицательного вывода аккумуляторной батареи.
  2. Снять нижнюю обивку центральной стойки.
  3. Снять винт и выключатель в дверной раме.
  4. Примечание: Непосредственный контакт разнородных металлов может привести к быстрой коррозии. Во избежание преждевременной коррозии используйте надлежащий крепеж.

  5. Отсоединить электрический разъем.
  6. Установка производится в порядке, обратном снятию.


UAA9B150
Показать иллюстрациюПеревод текста в иллюстрациях


ОСВЕЩЕНИЕ САЛОНА ПРИ ОТКРЫТИИ ДВЕРИ

Процедура снятия и установки

  1. Отсоедините провод от отрицательного вывода аккумуляторной батареи.
  2. С помощью отвертки снять линзу лампы освещения салона при открытии двери.
  3. Снять винты и корпус внутреннего освещения салона при открытии двери с обивки потолка салона.
  4. Примечание: Непосредственный контакт разнородных металлов может привести к быстрой коррозии. Во избежание преждевременной коррозии используйте надлежащий крепеж.

  5. Отсоединить электрический разъем.


  6. UAA9B160
    Показать иллюстрациюПеревод текста в иллюстрациях


  7. Снять лампу.
  8. Установка производится в порядке, обратном снятию.

ПЛАФОН ИНДИВИДУАЛЬНОГО ОСВЕЩЕНИЯ

Процедура снятия и установки

  1. Отсоедините провод от отрицательного вывода аккумуляторной батареи.
  2. Поддеть линзы плафона индивидуального освещения.
  3. Удалить винты и линзу плафона индивидуального освещения.
  4. Примечание: Непосредственный контакт разнородных металлов может привести к быстрой коррозии. Во избежание преждевременной коррозии используйте надлежащий крепеж.

  5. Отсоединить электрический разъем.
  6. Установка производится в порядке, обратном снятию.


UAA9B170
Показать иллюстрациюПеревод текста в иллюстрациях


ОСВЕЩЕНИЕ ВЕЩЕВОГО ЯЩИКА

Процедура снятия и установки

  1. Отсоедините провод от отрицательного вывода аккумуляторной батареи.
  2. Открыть вещевой ящик.
  3. Снять лампу освещения вещевого ящика.
  4. Отсоединить электрический разъем.
  5. Снять лампу.


UAA9B180
Показать иллюстрациюПеревод текста в иллюстрациях


ФОНАРЬ ОСВЕЩЕНИЯ БАГАЖНИКА

Процедура снятия и установки

  1. Отсоедините провод от отрицательного вывода аккумуляторной батареи.
  2. Снять фонарь освещения багажника.
  3. Отсоединить электрический разъем.
  4. Снять лампу.
  5. Установка производится в порядке, обратном снятию.


V3B39B08
Показать иллюстрациюПеревод текста в иллюстрациях


МОДУЛЬ ПРЕДУПРЕДИТЕЛЬНОГО СВЕТА ФАР

Процедура снятия

  1. Отсоедините провод от отрицательного вывода аккумуляторной батареи.
  2. Снять нижнюю крышку приборной панели.
  3. Снять болты и модуль предупредительного света фар.
  4. Отсоединить электрический разъем.


V3B39B08
Показать иллюстрациюПеревод текста в иллюстрациях


Процедура установки

  1. Подсоединить электрический разъем.
  2. Установить модуль предупредительного света фар с помощью болтов.
  3. Затянуть
    Затянуть болты модуля предупредительного света фар с усилием Н•м (18 lb-in).

  4. Установить нижнюю крышку панели приборов.
  5. Присоедините провод к отрицательному выводу аккумуляторной батареи.


T4B19B02
Показать иллюстрациюПеревод текста в иллюстрациях


СИСТЕМА СБЕРЕЖЕНИЯ ЗАРЯДА БАТАРЕИ (ТОЛЬКО ДЛЯ ЕВРОПЫ)

Процедура снятия

  1. Отсоедините провод от отрицательного вывода аккумуляторной батареи.
  2. Снять нижнюю крышку панели приборов.
  3. Снять коленный буфер.
  4. Снять винты и систему сбережения заряда батареи.
  5. Отсоединить электрический разъем.


T4B19B02
Показать иллюстрациюПеревод текста в иллюстрациях


Процедура установки

  1. Установить систему сбережения заряда батареи с помощью винтов.
  2. Подсоединить электрический разъем.
  3. Установить коленный буфер.
  4. Установить нижнюю крышку панели приборов.
  5. Присоедините провод к отрицательному выводу аккумуляторной батареи.

ТЕХНИЧЕСКИЕ ХАРАКТЕРИСТИКИ

ПЕРЕЧЕНЬ ИСПОЛЬЗУЕМЫХ ЛАМП

Лампа
Номер лампы для замены
Фонарь заднего хода
21w
Дополнительный центральный стоп-сигнал
21w
Передняя противотуманная фара
55w
Освещение вещевого ящика
5w
Фара
Двойные 60/55 Вт
Освещение салона при открытии двери
10w
Освещение номерного знака
5w
Фонарь освещения багажника
10w
Плафон индивидуального освещения
7,5 Вт
Стояночные огни и передние указатели поворота
Двойные 21/5w
Задняя противотуманная фара
21w
Задние указатели поворота
Одинарные 21 Вт
Боковой указатель поворота
5w
Задние габаритные огни и стоп-сигнал
Двойные 21/5w

МОМЕНТЫ ЗАТЯЖКИ РЕЗЬБОВЫХ СОЕДИНЕНИЙ

ПРОГРАММА
n•m
фунт•фут
фунт•дюйм
Гайки передних противотуманных фар
4
-
35
Болты фары в сборе
4
-
35

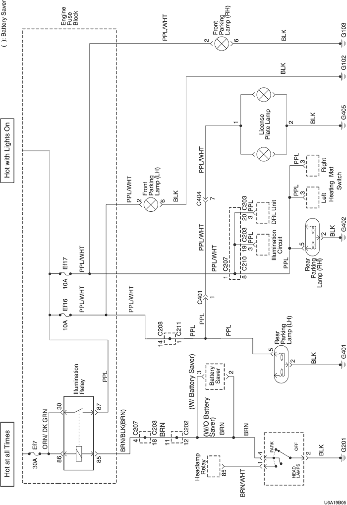
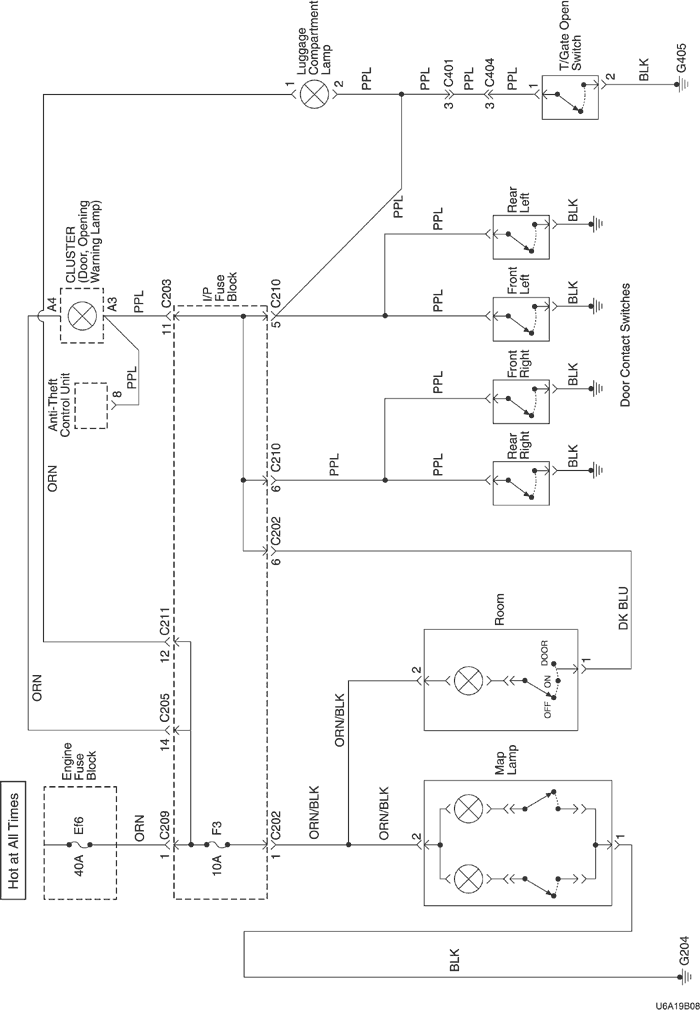
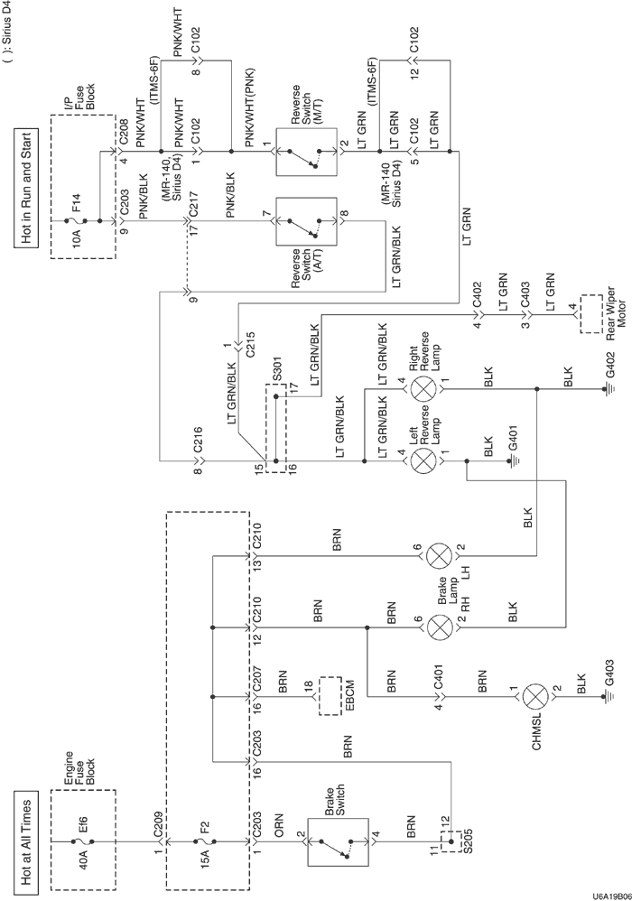
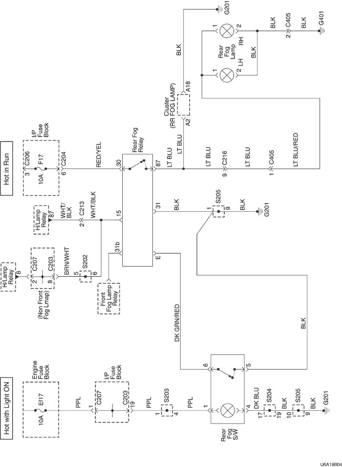
ПРИНЦИПИАЛЬНЫЕ И МОНТАЖНЫЕ СХЕМЫ

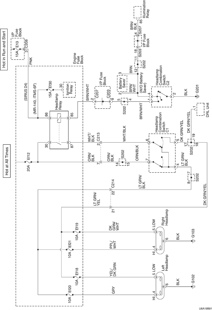
ЭЛЕКТРИЧЕСКАЯ СХЕМА ФАР


U6A19B01
Показать иллюстрациюПеревод текста в иллюстрациях


ЭЛЕКТРИЧЕСКАЯ СХЕМА РЕГУЛИРОВАНИЯ ПОЛОЖЕНИЯ ФАР


U6A19B02
Показать иллюстрациюПеревод текста в иллюстрациях


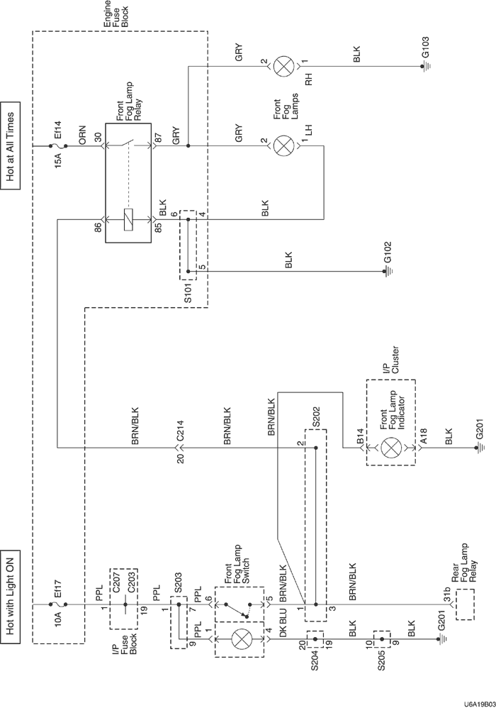
ЭЛЕКТРИЧЕСКАЯ СХЕМА ПЕРЕДНИХ ПРОТИВОТУМАНЫХ ФАР


U6A19B03
Показать иллюстрациюПеревод текста в иллюстрациях


ЭЛЕКТРИЧЕСКАЯ СХЕМА ЗАДНИХ ПРОТИВОТУМАННЫХ ФАР


U6A19B04
Показать иллюстрациюПеревод текста в иллюстрациях


ЭЛЕКТРИЧЕСКАЯ СХЕМА ЛАМП ЗАДНЕЙ ДВЕРИ И ОСВЕЩЕНИЯ НОМЕРНОГО ЗНАКА


U6A19B05
Показать иллюстрациюПеревод текста в иллюстрациях


ЭЛЕКТРИЧЕСКАЯ СХЕМА ФОНАРЕЙ ЗАДНЕГО ХОДА И СТОП-СИГНАЛОВ


U6A19B06
Показать иллюстрациюПеревод текста в иллюстрациях


ЦЕПЬ УКАЗАТЕЛЕЙ ПОВОРОТА И АВАРИЙНОЙ СИГНАЛИЗАЦИИ


U6A19B07
Показать иллюстрациюПеревод текста в иллюстрациях


ЭЛЕКТРИЧЕСКАЯ СХЕМА ОСВЕЩЕНИЯ САЛОНА ПРИ ОТКРЫТИИ ДВЕРИ И ОСВЕЩЕНИЯ БАГАЖНИКА


U6A19B08
Показать иллюстрациюПеревод текста в иллюстрациях


ЦЕПЬ ОСВЕЩЕНИЯ ВЕЩЕВОГО ЯЩИКА


U6A19B09
Показать иллюстрациюПеревод текста в иллюстрациях


ЭЛЕКТРИЧЕСКАЯ СХЕМА ПРЕДУПРЕДИТЕЛЬНОГО СВЕТА ФАР


U6A19B10
Показать иллюстрациюПеревод текста в иллюстрациях


ЦЕПЬ СИСТЕМЫ СБЕРЕЖЕНИЯ ЗАРЯДА БАТАРЕИ (ТОЛЬКО ДЛЯ ЕВРОПЫ)


U6A19B11
Показать иллюстрациюПеревод текста в иллюстрациях




На предыдущую страницуНа следующую страницу
https://vnx.su/ 🛠 Руководства по ремонту и эксплуатации для автомобилей

Поиск по сайту

Остались вопросы или пожелания? Пишите на почту: support@vnx.su

Карта Сайта