К началу документа
Tacuma-Rezzo
На предыдущую страницуНа следующую страницу
Главная страница GMDEЗагрузить нединамическое оглавлениеЗагрузить динамическое оглавлениеПомощь

РАЗДЕЛ 9A

СИСТЕМА ЭЛЕКТРОПРОВОДКИ КУЗОВА

Внимание! Отсоедините провод от отрицательного вывода аккумулятора, прежде чем снимать или устанавливать какие-либо электрические устройства, а также в ситуации, когда есть возможность касания оголенных электрических контактов каким-либо инструментом или приспособлением. Отсоединение этого провода позволяет избежать травм и повреждения оборудования автомобиля. Кроме того, если не указано иное, зажигание должно находиться в положении LOCK.

ТЕХНИЧЕСКИЕ ХАРАКТЕРИСТИКИ

ОБОЗНАЧЕНИЕ ЦВЕТА ПРОВОДОВ

Цвет провода
Сокращение на схеме
Зеленый
ТЕМ ЗЕЛ
Светло-зеленый
СВ ЗЕЛ
Синий
ТЕМ СИН
Коричневый
КОР
Оранжевый
ОРЖ
Желтый
ЖЕЛ
Серый
СЕР
Голубой
ГОЛ
Красный
КРС
Черный
ЧЕР
Розовый
РОЗ
Белый
БЕЛ
Пурпурный
ПУР

Провода с маркировочными нитями

Цвет провода
Сокращение на схеме
Красный с белой нитью
КРС/БЕЛ

ПРИНЦИПИАЛЬНЫЕ И МОНТАЖНЫЕ СХЕМЫ

СХЕМА РАСПРЕДЕЛЕНИЯ ЭЛЕКТРОЭНЕРГИИ


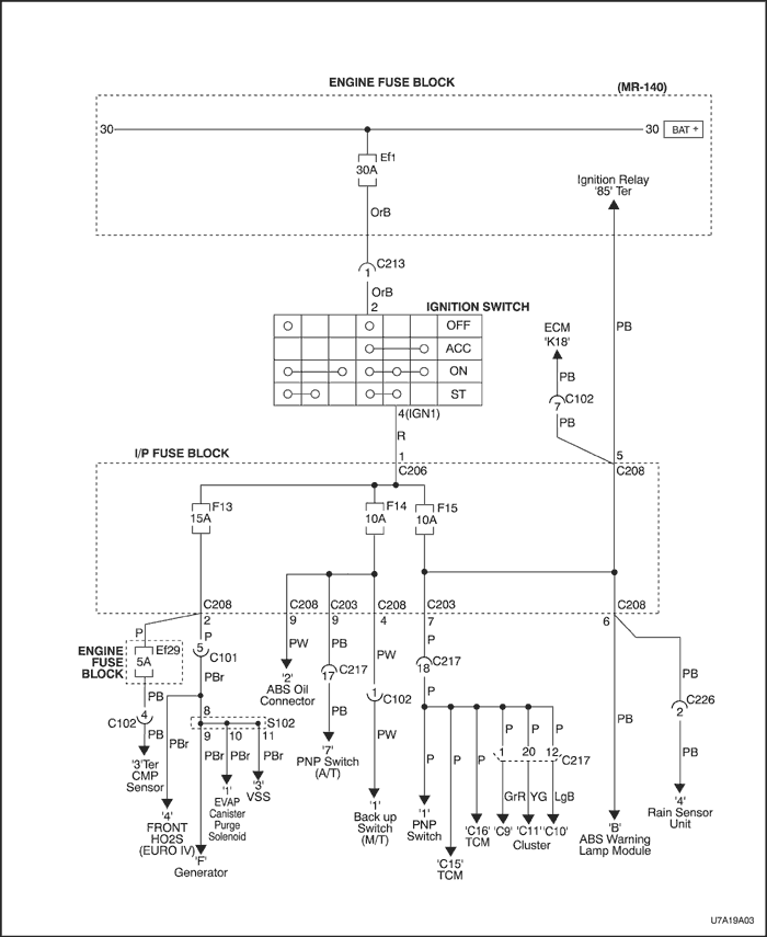
U7A19A03
Показать иллюстрациюПеревод текста в иллюстрациях



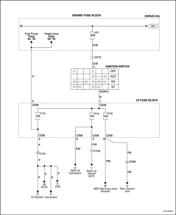
U7A19A04
Показать иллюстрациюПеревод текста в иллюстрациях



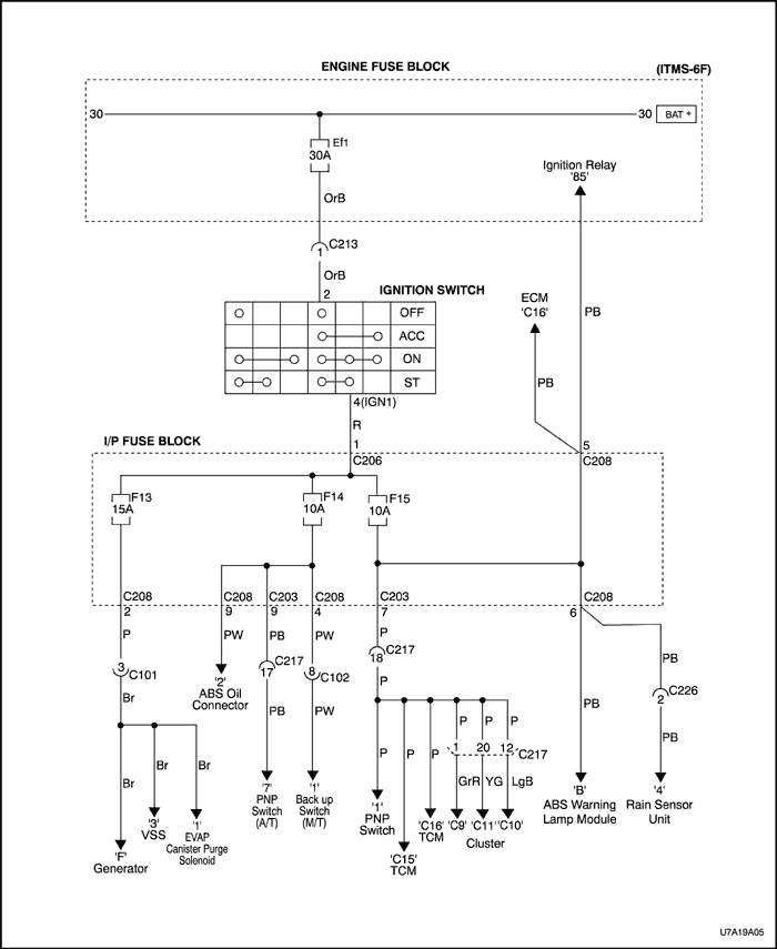
U7A19A05
Показать иллюстрациюПеревод текста в иллюстрациях



U7A19A06
Показать иллюстрациюПеревод текста в иллюстрациях



U7A19A07
Показать иллюстрациюПеревод текста в иллюстрациях



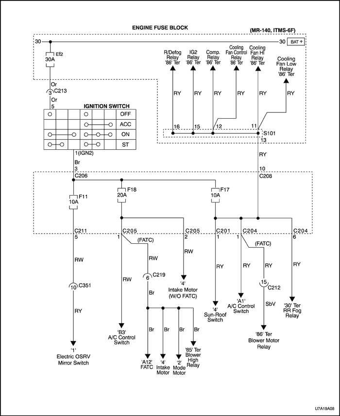
U7A19A08
Показать иллюстрациюПеревод текста в иллюстрациях



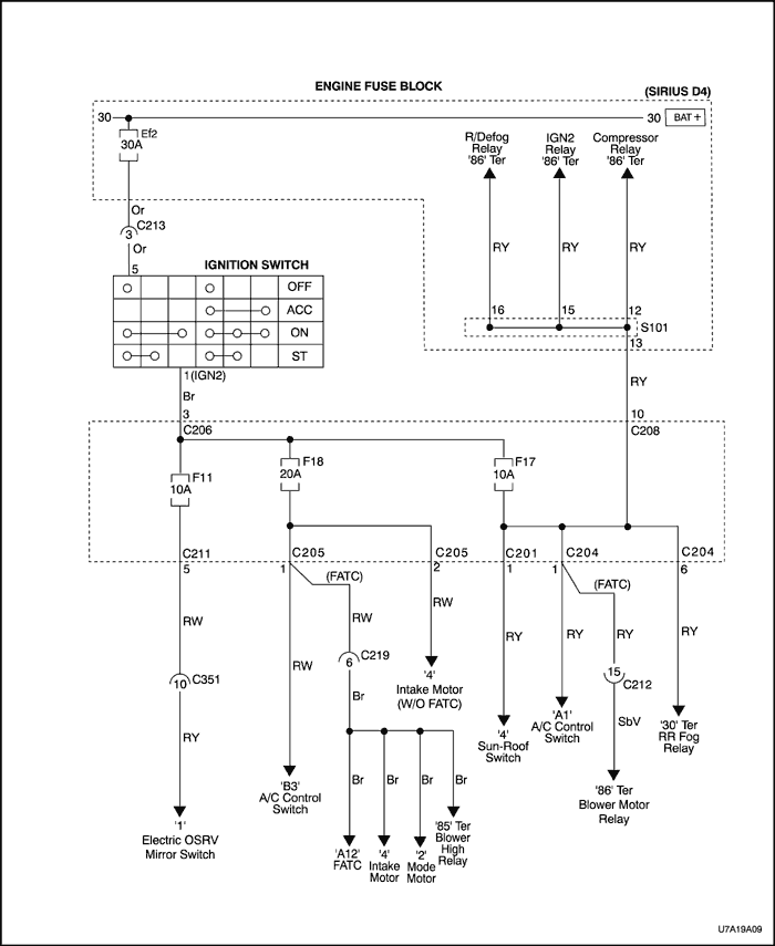
U7A19A09
Показать иллюстрациюПеревод текста в иллюстрациях



U7A19A10
Показать иллюстрациюПеревод текста в иллюстрациях



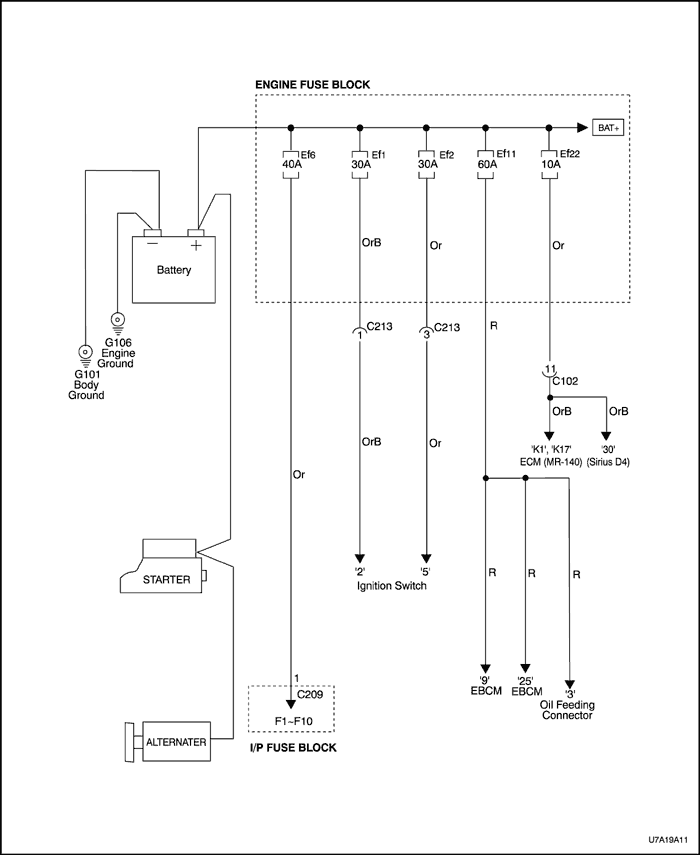
U7A19A11
Показать иллюстрациюПеревод текста в иллюстрациях



U7A19A12
Показать иллюстрациюПеревод текста в иллюстрациях



U7A19A13
Показать иллюстрациюПеревод текста в иллюстрациях



U7A19A14
Показать иллюстрациюПеревод текста в иллюстрациях



U7A19A15
Показать иллюстрациюПеревод текста в иллюстрациях



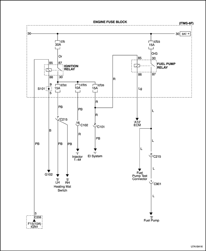
U7A19A16
Показать иллюстрациюПеревод текста в иллюстрациях



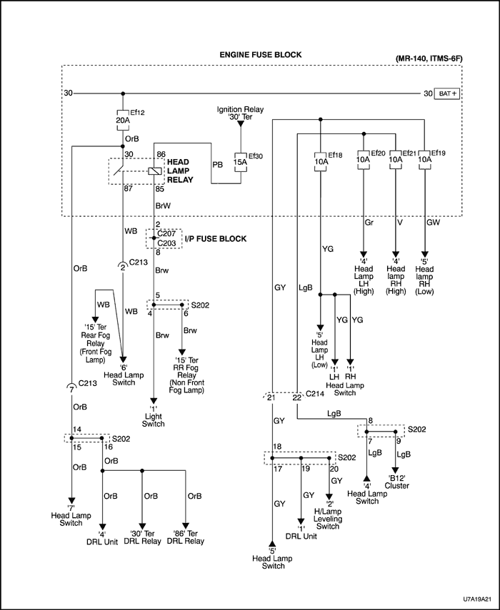
U7A19A17
Показать иллюстрациюПеревод текста в иллюстрациях



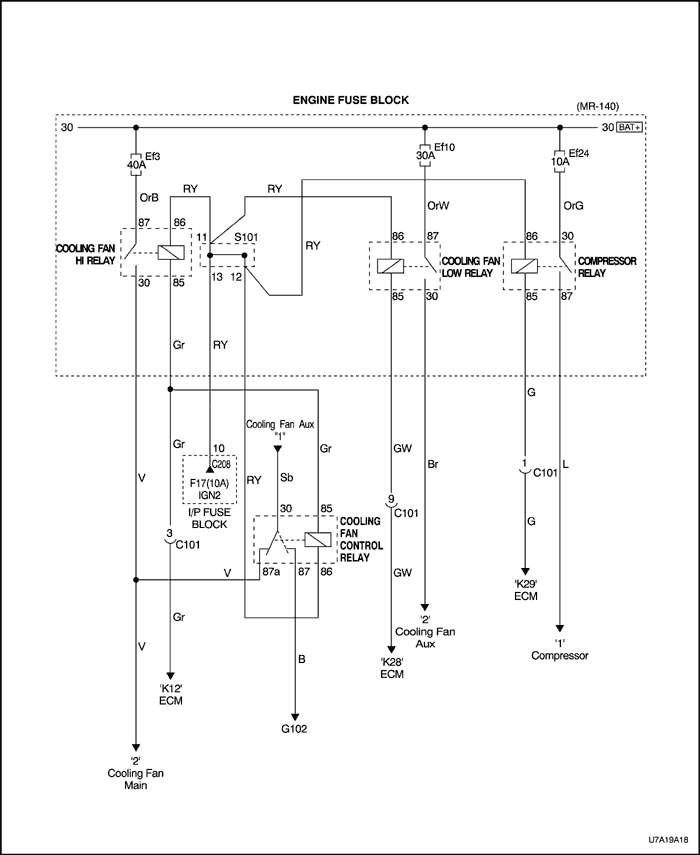
U7A19A18
Показать иллюстрациюПеревод текста в иллюстрациях



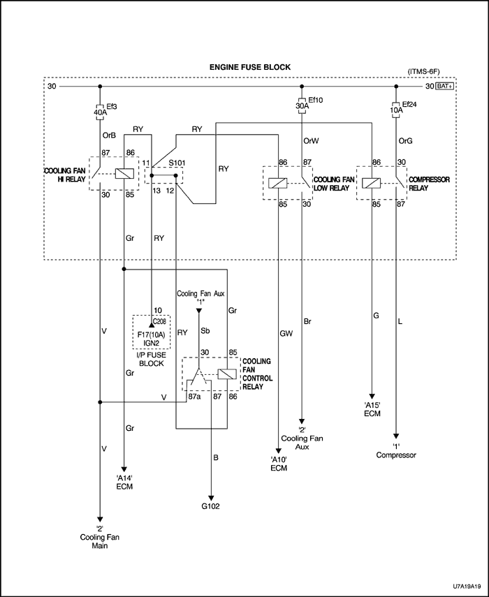
U7A19A19
Показать иллюстрациюПеревод текста в иллюстрациях



U7A19A20
Показать иллюстрациюПеревод текста в иллюстрациях



U7A19A21
Показать иллюстрациюПеревод текста в иллюстрациях



U7A19A22
Показать иллюстрациюПеревод текста в иллюстрациях



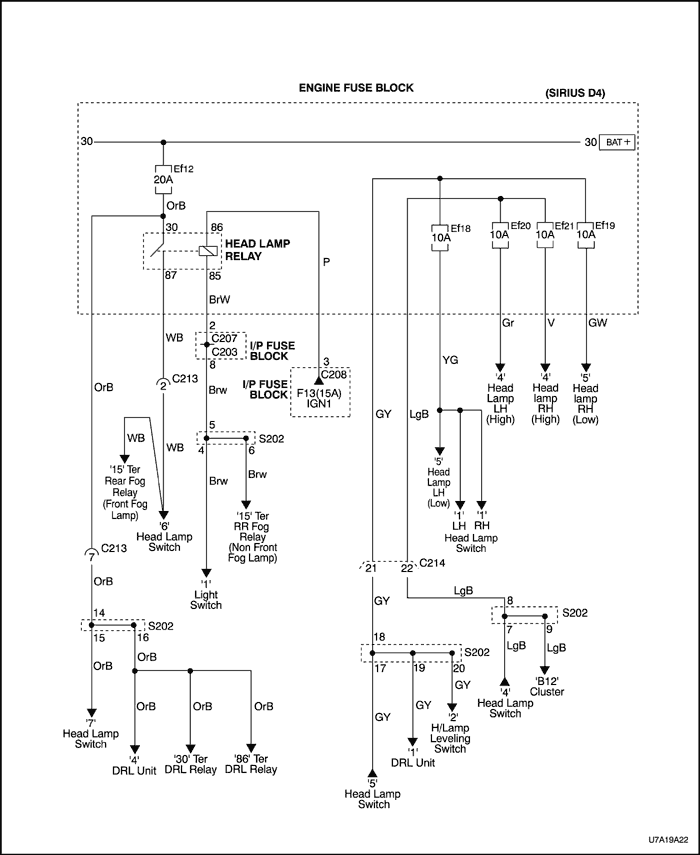
U7A19A23
Показать иллюстрациюПеревод текста в иллюстрациях



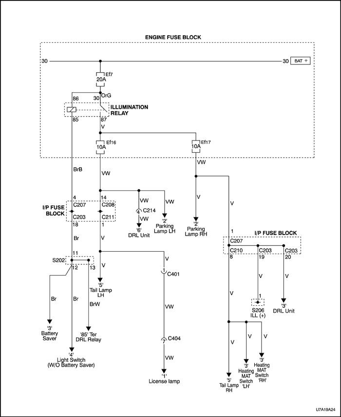
U7A19A24
Показать иллюстрациюПеревод текста в иллюстрациях


РАСПОЛОЖЕНИЕ БЛОКА ПРЕДОХРАНИТЕЛЕЙ (ДВИГАТЕЛЬ)


U7A19A01
Показать иллюстрациюПеревод текста в иллюстрациях


РАСПОЛОЖЕНИЕ БЛОКА ПРЕДОХРАНИТЕЛЕЙ (ПАНЕЛЬ ПРИБОРОВ)


U7A19A02
Показать иллюстрациюПеревод текста в иллюстрациях


ТАБЛИЦА ПРЕДОХРАНИТЕЛЕЙ

Предохранители в блоке предохранителей моторного отсека

Подача питания
Классификация
№ предохранителя
Номинал
Назначение
30 bat (+)
sb (Плавкий предохранитель с задержкой срабатывания)
ef 1
30a
Зажигание-1 (ключ)
ef 2
30a
Зажигание-2 (ключ)
ef 3
40a
Вентилятор охлаждения, высокая скорость
ef 4
30a
Реле вентилятора
ef 5
30a
Главное реле двигателя
ef 6
40a
Блок предохранителей приборной панели (f1 - f10)
ef 7
20a
Реле освещения
ef 8
30a
Реле обогревателя заднего стекла
ef 9
30a
Электрический стеклоподъемник
ef 10
30a
Вентилятор охлаждения, низкая скорость
ef 11
60a
Антиблокировочная система
ef 12
20a
Реле фар
Ножевой предохранитель
ef 13
10a
Устройство подачи звукового сигнала
ef 14
15a
Противотуманные фары
ef 15
10a
Сирена
Освещение (58)
ef 16
10a
Освещение (левая сторона)
ef 17
10a
Освещение (правая сторона)
30 bat (+) 30
ef 18
10a
Ближний свет левой фары
ef 19
10a
Ближний свет правой фары
ef 20
10a
Дальний свет левой фары
ef 21
10a
Дальний свет правой фары
ef 22
10a
e.C.M
ef 23
15a
Топливный насос
ef 24
10a
Реле комп.
ign 1 (15)
ef 25
10a
Инжектор (#1~4 : 2.0 DOHC)
ef 25
10a
Электронный блок управления ( нагреваемый кислородный датчик, датчик положения распределительного вала: 1.6 SOHC)
ef26
15a
СИСТЕМА ЭЛЕКТРОННОГО ЗАЖИГАНИЯ (задний нагреваемый кислородный датчик: 2.0 DOHC)
ef26
10a
Инжектор (#1~4, клапан рециркуляции отработавших газов: 1.6 SOHC)
ign 2 (15a)
ef 27
10a
Подогрев зеркала
ef 28
15a
Розетка питания
ef 29
5a
Датчик cmp (mr-140)
ign 1 (15)
ef 30
15a
Подогрев коврика
ЗАПАСНОЙ
ef 31
-
Не используется
ef 32
-
Не используется
ef 33
-
Не используется

Предохранители в блоке предохранителей приборной панели

Подача питания
Классификация
№ предохранителя
Номинал
Назначение
30 bat (+)
Ножевой предохранитель
f1
20a
Окно крыши
f2
15a
Стоп-сигнал
f3
10a
Плафон освещения салона, часы, комбинация приборов, плафон индивидуального освещения, багажник
f4
10a
Вывод '6' разъема dlc
f5
-
Не используется
f6
-
Не используется
f7
15a
Замок двери
f8
15a
Выключатель аварийной сигнализации
f9
10a
tcm, иммобилайзер
f10
10a
Аудио, fatc
ign 2 (15a)
f11
10a
Электрическое зеркало
f12
25a
Стеклоочиститель
ign 1 (15)
f13
15a
Генератор, датчик положения распределительного вала, клапан продувки адсорбера системы улавливания паров бензина, датчик скорости автомобиля, электронный блок управления, передний нагреваемый кислородный датчик
f14
10a
Лампа заднего хода, выключатель pnp
f15
10a
tcm, комбинация приборов, выключатель pnp, ecm
f16
10a
Комбинация приборов, соленоид btsi, звуковая сигнализация, часы
ign 2 (15a)
f17
10a
Переключатель люка в крыше, реле ign2
f18
20a
Переключатель управления кондиционером, система автоматического регулирования температуры
ign 1 (15)
f19
10a
Подушка безопасности
f20
10a
Указатель поворота
f21
10a
Иммобилизатор, блок управления противоугонной системой
acc (15c)
f22
15a
Аудио
f23
20a
Прикуриватель, центр штепсельной розетки
f24
-
Не используется

ПРОКЛАДКА ЖГУТА КОМБИНАЦИИ ПРИБОРОВ ДЛЯ ЛЕВОСТОРОННЕГО УПРАВЛЕНИЯ


U4A19A04
Показать иллюстрациюПеревод текста в иллюстрациях


ПРОКЛАДКА ЖГУТА БЛОКА ПРЕДОХРАНИТЕЛЕЙ ПРИБОРНОЙ ПАНЕЛИ


UAA9A070
Показать иллюстрациюПеревод текста в иллюстрациях


ПРОКЛАДКА ЖГУТА ПЕРЕДНЕЙ ПРОВОДКИ


UAA9A080
Показать иллюстрациюПеревод текста в иллюстрациях


ПРОКЛАДКА ЖГУТА КРЫШИ


U4A19A05
Показать иллюстрациюПеревод текста в иллюстрациях


ПРОКЛАДКА ЖГУТА ЗАДНЕГО БОРТА


UAA9A100
Показать иллюстрациюПеревод текста в иллюстрациях


ПРОКЛАДКА ЖГУТА НАПОЛЬНОЙ ПРОВОДКИ


UAA9A110
Показать иллюстрациюПеревод текста в иллюстрациях


ПРОКЛАДКА ЖГУТА ПРОВОДОВ ДВЕРИ


UAA9A120
Показать иллюстрациюПеревод текста в иллюстрациях




На предыдущую страницуНа следующую страницу
https://vnx.su/ 🛠 Руководства по ремонту и эксплуатации для автомобилей

Поиск по сайту

Остались вопросы или пожелания? Пишите на почту: support@vnx.su

Карта Сайта