К началу документа
Nubira-Lacetti
На предыдущую страницуНа следующую страницу
Главная страница GMDEЗагрузить нединамическое оглавлениеЗагрузить динамическое оглавлениеПомощь

Диагностический код неисправности p0171

Обедненная смесь в системе корректировки топливоподачи

Описание системы

Для обеспечения наилучших характеристик вождения, расхода топлива и контроля за выпуском отработавших газов применяется воздухо-топливомерная система замкнутого контура. При работе в режиме замкнутого контура ЭСУД контролирует сигнал управляющего датчика кислорода (HO2S1) и регулирует подачу топлива на основании этого сигнала. Изменение подачи топлива можно контролировать на сканирующем приборе по значениям долговременной и кратковременной корректировки топливоподачи. Совершенные значения корректировки топливоподачи составляют 128 (0%). Если сигнал от датчика HO2S1 указывает на наличие обедненной смеси, контроллер ЭСУД добавит подачу топлива, результатом чего будет увеличение значений корректировки топливоподачи свыше 128 (0% до 100%). При регистрации наличия обогащенной смеси, значения корректировки будут составлять менее 128 (0% до -100%), указывая тем самым, что контроллер ЭСУД сокращает количество поставляемого топлива. Если выброс отработавших выхлопных газов достигает избыточного уровня вследствие обедненного или обогащенного состояния, то устанавливается диагностический код неисправности корректировки топливоподачи.

Условия установки кода неисправности

Действия, выполняемые при установке кода неисправности

Условия очистки кода неисправности/индикации неисправности

Диагностическая информация

Важно: После ремонта использовать функцию сброса корректировки топливоподачи, чтобы сбросить долгосрочную корректировку топливоподачи до 128 (0%).

Проверить отсутствие слабого контакта датчика HO2S1 или МАР на контроллере ЭСУД. Проверить жгуты проводов на отсутствие следующего:
Осмотреть жгут проводов на наличие повреждений. Если жгут проводов кажется исправным, контролировать значение датчика HO2S1 на сканирующем приборе, перемещая разъемы и жгуты проводов, относящиеся к двигателю. Изменения на дисплее покажут место нахождения неисправности.
Проверить клапан тормозного усилителя на возможные утечки.

Описание проверки

Приведенными ниже числами указываются номера операций в таблице диагностики.
  1. Бортовая система диагностики (EOBD) предлагает мастеру выполнить основные проверки и сохранить состояние и данные неисправностей в сканирующем приборе. Это создает электронную копию данных, записанную при возникновении неисправности. Информация сохраняется в сканирующем приборе для дальнейшей обработки.
  2. Визуальная/физическая проверка изделий, которые могут приводить к обеднению смеси поможет определить причину устанавливаемого кода неисправности и сократить время диагностики.
  3. Утечка разрежения может изменить индекс корректировки топливоподачи и установить код Р0171. На данном этапе проверяются утечки разрежения впускного коллектора.
  4. Примеси в топливе (спирт или вода) могут приводить к обеднению смеси и установке кода Р0171. Проверка отсутствия данных примесей поможет установить неисправность.
  5. Если на данном этапе не было обнаружено неисправностей, и не было установлено дополнительных кодов неисправности, то вспомогательную информацию по проверкам см. "Диагностическая информация".

dtc p0171 - Обедненная смесь в системе корректировки топливоподачи

ШагОперацияЗначенияДаНет
1
Провести проверку бортовой системы диагностики (eobd).
Проверка проведена?
-
Перейти к операции 2
Перейти к "Проверка бортовой системы диагностики".
2
  1. Подключить сканирующий прибор к колодке диагностики (dlc).
  2. Включить зажигание.
Какие-либо диагностические коды неисправности компонентов установлены?
-
Перейти к соответствующей таблице диагностических кодов неисправности
Перейти к операции 3
3
Дать работать автомобилю с включенным двигателем до тех пор, пока СТАТУС КОНТУРА не будет показывать закрыто.
Долгосрочная корректировка топливоподачи ниже установленного значения?
25%
Перейти к операции 4
Перейти к операции 5
4
  1. Включить зажигание, двигатель не запускать.
  2. Просмотреть данные записи состояний и записать параметры.
  3. Совершить поездку в условиях записанных состояний и условий установки кода неисправности.
Долгосрочная корректировка топливоподачи опускается ниже установленного значения при работе в заданных условиях?
25%
Перейти к операции 16
Перейти к операции 5
5
Визуально/физически проверить следующее:
  • Вакуумные шланги на трещины, перекручивания и надежность соединения.
  • Воздушный/масляный сепаратор вентиляции картера на правильность монтажа.
  • Систему выпуска отработавших на коррозию, утечку, отсутствующие или ослабленные крепежи.
  • Управляющий датчик кислорода (ho2s1) надежно закреплен и жгут вывода не контактирует с выпускным коллектором или двигателем.
  • Топливо на загрязнение водой, спиртом и др.
  • Контроллер ЭСУД и массы датчиков чистые, затянуты и находятся в нужном месте.
Одна из этих проверок позволяет локализовать неисправность, требующую ремонта?
-
Перейти к операции 7
Перейти к операции 6
6
  1. Отсоединить разъем датчика абсолютного давления в коллекторе (МАР).
  2. Дать автомобилю работать в закрытом контуре, наблюдая за значениями долгосрочной корректировки топливоподачи.
Долгосрочная корректировка топливоподачи ниже установленного значения?
25%
Перейти к операции 15
Перейти к операции 9
7
  1. Устранить неисправности, обнаруженные в операции 5.
  2. Еще раз проверить значения долгосрочной корректировки топливоподачи на работающем двигателе.
Долгосрочная корректировка топливоподачи ниже установленного значения?
25%
Перейти к операции 8
Перейти к операции 9
8
Условия для обеднения отсутствуют.
Есть проблемы с управляемостью?
-
Перейти к разделу "Диагностика признаков неисправностей"
Перейти к операции 16
9
  1. Визуально/физически проверить следующие позиции на утечки:
    • Впускной коллектор.
    • Корпус дроссельной заслонки.
    • Уплотнительные кольца форсунки.
  2. Устранить все найденные утечки, если необходимо.
Закончен ли ремонт?
-
Перейти к операции 16
Перейти к операции 10
10
Дать двигателю поработать на холостом ходу.
Показания клапана регулирования подачи воздуха на холостом ходу выше установленного значения?
5
Перейти к операции 11
Перейти к операции 12
11
Проверить топливо на загрязнение водой, спиртом и другими веществами и удалить загрязнения, если необходимо.
Закончен ли ремонт?
-
Перейти к операции 16
Перейти к операции 13
12
Проверить работу клапана iac. См. "DTC P0506 Низкая частота вращения на холостом ходу" или "DTC P0507 Высокая частота вращения на холостом ходу" в данном разделе и при необходимости произвести ремонт.
Закончен ли ремонт?
-
Перейти к операции 16
Перейти к операции 13
13
  1. Присоединить манометр к топливной системе.
  2. Выключить зажигание не менее, чем на 10 секунд.
  3. Включить зажигание, двигатель не запускать. Топливный насос будет работать примерно 2-3 секунды. Возможно, будет необходимым включить зажигание несколько раз, чтобы получить максимальное давление топлива.
  4. Записать давление топлива при работающем топливном насосе. Давление должно быть в пределах установленного значения. При остановке топливного насоса давление может слегка измениться, затем остановиться на одном уровне.
Давление топлива на одном уровне и держится стабильно?
241-276 кПа (35-40 psi)
Перейти к операции 14
Перейти к разделу "Диагностика топливной системы"
14
  1. Запустить двигатель и дать ему поработать на холостом ходу при нормальной рабочей температуре.
  2. Давление топлива, записанное на предыдущей операции, должно упасть на указанное значение.
Давление топлива падает на указанное значение?
21-69 кПа (3-10 psi)
Перейти к разделу "Проверка баланса форсунок"
Перейти
"Диагностика топливной системы"
15
Заменить датчик map.
Работа закончена?
-
Перейти к операции 16
-
16
  1. Используя сканирующий прибор, очистить диагностические коды неисправностей.
  2. Запустить двигатель и дать ему поработать на холостом ходу при нормальной рабочей температуре.
  3. Совершить поездку для установки кодов неисправности, как это указано во вспомогательном тексте.
Сканирующий прибор определяет эту диагностику как прошедшую и успешную?
-
Перейти к операции 17
Перейти к операции 2
17
Проверьте, не установлены ли дополнительные диагностические коды неисправности.
Отображены ли диагностические коды неисправности, которые не были продиагностированы?
-
Перейти к соответствующей таблице диагностических кодов неисправности
Система в норме

Диагностический код неисправности p0172

Обогащенная смесь в системе корректировки топливоподачи

Описание системы

Для обеспечения наилучших характеристик вождения, расхода топлива и контроля за выпуском отработавших газов применяется воздухо-топливомерная система замкнутого контура. При работе в режиме замкнутого контура ЭСУД контролирует сигнал управляющего датчика кислорода (HO2S1) и регулирует подачу топлива на основании этого сигнала. Изменение подачи топлива можно контролировать на сканирующем приборе по значениям долговременной и кратковременной корректировки топливоподачи. Совершенные значения корректировки топливоподачи составляют 128 (0%). Если сигнал от датчика HO2S1 указывает на наличие обедненной смеси, контроллер ЭСУД добавит подачу топлива, результатом чего будет увеличение значений корректировки топливоподачи свыше 128 (0% до 100%). При регистрации наличия обогащенной смеси, значения корректировки будут составлять менее 128 (0% до -100%), указывая тем самым, что контроллер ЭСУД сокращает количество поставляемого топлива. Если выброс отработавших выхлопных газов достигает избыточного уровня вследствие обедненного или обогащенного состояния, то устанавливается диагностический код неисправности корректировки топливоподачи.

Условия установки кода неисправности

Действия, выполняемые при установке кода неисправности

Условия очистки кода неисправности/индикации неисправности

Диагностическая информация

Важно: После ремонта использовать функцию сброса корректировки топливоподачи, чтобы сбросить долгосрочную корректировку топливоподачи до 128 (0%).

Проверить слабый контакт на контроллере ЭСУД. Проверить жгуты проводов на следующее:
Осмотреть жгут проводов на наличие повреждений. Если жгут проводов кажется исправным, контролировать значение датчика HO2S1 на сканирующем приборе, перемещая разъемы и жгуты проводов, относящиеся к двигателю. Изменения на дисплее покажут место нахождения неисправности.
Если DTC P1404 также установлен, проверить контрольную цепь 5 В на замыкание на источник питания.
Проверить, не забита ли система выпуска отработавших газов.
Замкнутый контрольный контур 5 в может привести к установке DTC P0172. Проверить контрольные датчики 5 В на необычные показания.

Описание проверки

Приведенными ниже числами указываются номера операций в таблице диагностики.
  1. Бортовая система диагностики (EOBD) предлагает мастеру выполнить основные проверки и сохранить состояние и данные неисправностей в сканирующем приборе. Это создает электронную копию данных, записанную при возникновении неисправности. Информация сохраняется в сканирующем приборе для дальнейшей обработки.
  2. Забитый воздушный фильтр ограничивает поток воздуха в двигатель. На данном этапе проверяется состояние воздушного фильтра.
  3. Утечка на форсунке может привести к состоянию обогащенной смеси и установке кода Р0172. См. "Проверка баланса форсунок" в данном разделе.
  4. Слабая затяжка датчика положения дроссельной заслонке может не привести к установке кода неисправности, связанного с датчиком положения заслонки, но может привести к обогащению смеси в системе, путем выдачи значений выше действительных.

dtc p0172 - Обогащенная смесь в системе корректировки топливоподачи

ШагОперацияЗначенияДаНет
1
Провести проверку бортовой системы диагностики (eobd).
Проверка проведена?
-
Перейти к операции 2
Перейти к "Проверка бортовой системы диагностики".
2
  1. Подключить сканирующий прибор к колодке диагностики (dlc).
  2. Включить зажигание.
Какие-либо диагностические коды неисправности компонентов установлены?
-
Перейти к соответствующей таблице диагностических кодов неисправности
Перейти к операции 3
3
Дать работать автомобилю с включенным двигателем до тех пор, пока СТАТУС КОНТУРА не будет показывать закрыто.
Долгосрочная корректировка топливоподачи выше установленного значения?
-20%
Перейти к операции 4
Перейти к операции 5
4
  1. Включить зажигание, двигатель не запускать.
  2. Просмотреть данные записи состояний и записать параметры.
  3. Совершить поездку в условиях записанных состояний и условий установки кода неисправности.
Долгосрочная корректировка топливоподачи выше установленного значения при работе в заданных условиях?
-20%
Перейти к операции 21
Перейти к операции 5
5
Визуально/физически проверить фильтр воздухоочистителя на чрезмерную загрязненность или забитость и устранить неисправность, если необходимо.
Закончен ли ремонт?
-
Перейти к операции 21
Перейти к операции 6
6
Визуально/физически проверить систему впуска воздуха на повреждения или забитость и устранить неисправность, если необходимо.
Закончен ли ремонт?
-
Перейти к операции 21
Перейти к операции 7
7
Проверить впуск в корпус дроссельной заслонки на повреждения или присутствие посторонних предметов, которые могут частично заблокировать поток воздуха и устранить неисправность, если необходимо.
Закончен ли ремонт?
-
Перейти к операции 21
Перейти к операции 8
8
  1. Выключить зажигание.
  2. Проверить отверстие дроссельной заслонки, заслонку и каналы клапана регулирования подачи воздуха на холостом ходу на забитость и присутствие посторонних предметов и устранить неисправность, если необходимо.
Закончен ли ремонт?
-
Перейти к операции 21
Перейти к операции 9
9
Запустить двигатель на парковочном тормозе или нейтрали и при выключенном кондиционере и записать значения холостого хода.
Имеет ли место низкий или неустойчивый холостой ход?
-
Перейти к операции 10
Перейти к операции 12
10
Запустить двигатель на холостом ходу.
Показания клапана регулирования подачи воздуха на холостом ходу ниже установленного значения?
100
Перейти к операции 12
Перейти к операции 11
11
  1. Выключить зажигание.
  2. Отсоединить разъем датчика абсолютного давления в коллекторе (МАР).
  3. Запустите двигатель.
  4. Дать автомобилю работать в закрытом контуре, наблюдая за значениями долгосрочной корректировки топливоподачи.
Долгосрочная корректировка топливоподачи повышается выше установленного значения?
-20%
Перейти к операции 20
Перейти к операции 12
12
Проверить работу клапана iac. См. "DTC P0506 Низкая частота вращения на холостом ходу" или "DTC P0507 Высокая частота вращения на холостом ходу" в данном разделе и при необходимости произвести ремонт.
Закончен ли ремонт?
-
Перейти к операции 21
Перейти к операции 13
13
  1. Отсоединить вакуумный шланг от регулятора давления топлива и проверит шланг на наличие топлива.
  2. Если в вакуумном шланге есть топливо, заменить регулятор давления топлива.
Закончен ли ремонт?
-
Перейти к операции 21
Перейти к операции 14
14
  1. Включить зажигание.
  2. Медленно нажать на педаль акселератора.
Датчик положения дроссельной заслонки (tp) показывает стабильное и плавное увеличение с минимального уровня сигнала при закрытой дроссельной заслонке до максимального значения при полностью открытой дроссельной заслонке (wot)?
-
Перейти к операции 15
Перейти к операции 19
15
  1. Выполнить диагностику топливной системы.
  2. Если таблица позволяет локализовать проблему, устранить ее, если необходимо.
Закончен ли ремонт?
-
Перейти к операции 21
Перейти к операции 16
16
  1. Выполнить диагностику системы улавливания паров бензина (СУПБ)
  2. Если таблица позволяет локализовать проблему, устранить ее, если необходимо.
Закончен ли ремонт?
-
Перейти к операции 21
Перейти к операции 17
17
  1. Провести проверку баланса форсунок.
  2. Если таблица позволяет локализовать проблему, устранить ее, если необходимо.
Закончен ли ремонт?
-
Перейти к операции 21
Перейти к операции 18
18
  1. Снять управляющий датчик кислорода (ho2s1).
  2. Визуально/физически проверить датчик ho2s1 на отсутствие кремнийорганического загрязнения.

Примечание: Показателем этого служат белые порошкообразные отложения на той части датчика ho2s1, которая находится в выхлопном тракте.
  1. Если на датчике ho2s1 присутствует загрязнение, найти источник и устранить неисправность, если необходимо.
Закончен ли ремонт?
-
Перейти к операции 21
Перейти к "Диагностическая информация"
19
  1. Проверить крепежные винты датчика ТР.
  2. Если они ослаблены или отсутствуют, затянуть или заменить их, если необходимо.
  3. Если винты в норме, заменить датчик ТР.
Закончен ли ремонт?
-
Перейти к операции 21
-
20
  1. Выключить зажигание.
  2. Заменить датчик map.
Закончен ли ремонт?
-
Перейти к операции 21
-
21
  1. Используя сканирующий прибор, очистить диагностические коды неисправностей.
  2. Запустить двигатель и дать ему поработать на холостом ходу при нормальной рабочей температуре.
  3. Совершить поездку для установки кодов неисправности, как это указано во вспомогательном тексте.
Сканирующий прибор определяет эту диагностику как прошедшую и успешную?
-
Перейти к операции 22
Перейти к операции 2
22
Проверьте, не установлены ли дополнительные диагностические коды неисправности.
Отображены ли диагностические коды неисправности, которые не были продиагностированы?
-
Перейти к соответствующей таблице диагностических кодов неисправности
Система в норме

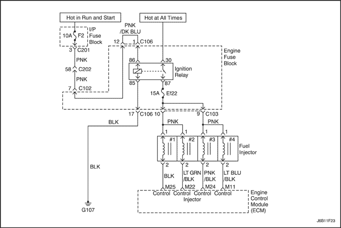
J6B11F23
Показать иллюстрациюПеревод текста в иллюстрациях


Диагностический код неисправности p0201

Цепь управления форсунки 1

Описание схемы

В контроллере ЭСУД имеется четыре отдельных управляющих цепей форсунок, каждая из которых управляет какой-либо форсункой. Форсунка включается, когда цепь управления замыкается на массу контроллером ЭСУД. Контроллер ЭСУД контролирует ток в каждой цепи управления. Контроллер ЭСУД измеряет падение напряжения постоянным резистором и управляет им. Для определения неисправности каждая цепь управления контролируется. Если напряжение в цепи отличается от заданного в контроллере ЭСУД, то устанавливается диагностический код неисправности. Данный код неисправности определяет короткое замыкание на массу и/или разрыв в цепи, а также короткое замыкание на аккумулятор для нижних выводов управляющей цепи форсунки.

Условия установки кода неисправности

Действия, выполняемые при установке кода неисправности

Условия очистки кода неисправности/индикации неисправности

Диагностическая информация

Цепь управления форсункой 1, имеющая разрыв или замыкание на массу, вызывает установку DTC P0201. А также вызывает пропуск зажигания от неработающей форсунки. Также должен быть установлен диагностический код неисправности зажигания с указанием неисправной форсунки.
Слишком высокое или слишком низкое значение долгосрочной и краткосрочной корректировки топливоподачи указывают на неисправность форсунки. См. "Проверка баланса форсунок" в этом разделе для проверки неисправных форсунок.
Сопротивление форсунки, измеренное на соединении контроллера ЭСУД, несколько выше при измерении непосредственно на форсунке, так как оно включает сопротивление жгута проводов. Нормальное значение - около 13,5Ом

Описание проверки

Приведенными ниже числами указываются номера операций в таблице диагностики.
  1. Бортовая система диагностики (EOBD) предлагает мастеру выполнить основные проверки и сохранить состояние и данные неисправностей в сканирующем приборе. Это создает электронную копию данных, записанную при возникновении неисправности. Информация сохраняется в сканирующем приборе для дальнейшей обработки.
  2. Эта операция определяет, является ли DTC P0201 результатом тяжелого сбоя или неустойчивой неисправности.
  3. На данном этапе при помощи контрольной лампы проверяется жгут проводки и управление форсунками блоком ЭСУД.
  4. На данном этапе определяется, имеется ли в цепи короткое замыкание или контроллер ЭСУД неисправен.
  5. Заменяемый контроллер ЭСУД должен быть запрограммирован. Перепрограммирование контроллера ЭСУД описано в последней технологической инструкции Techline.

dtc p0201 - Цепь управления форсунки 1

ШагОперацияЗначенияДаНет
1
Провести проверку бортовой системы диагностики (eobd).
Проверка проведена?
-
Перейти к операции 2
Перейти к "Проверка бортовой системы диагностики".
2
Двигатель запускается?
-
Перейти к операции 3
Перейти к "Коленчатый вал проворачивается, но двигатель не запускается"
3
  1. Подключить сканирующий прибор к колодке диагностики.
  2. Включить зажигание, двигатель не запускать.
  3. Используя сканирующий прибор, обнулить диагностические коды неисправностей.
  4. Запустить двигатель и дать ему поработать на холостом ходу одну минуту.
dtc p0201 сброшен?
-
Перейти к операции 5
Перейти к операции 4
4
  1. Включить зажигание, двигатель не запускать.
  2. Просмотреть данные записи состояний и записать параметры.
  3. Совершить поездку согласно условиям буфера записей состояний, как указано.
dtc p0201 сброшен?
-
Перейти к операции 5
Перейти к "Диагностическая информация"
5
  1. Выключить зажигание.
  2. Отсоединить разъем контроллера ЭСУД на форсунку 1.
  3. Включить зажигание, двигатель не запускать.
  4. Проверить управляющую цепь на клемме М25 при помощи контрольной лампы, подключенной к "массе".
Контрольная лампа горит?
-
Перейти к операции 7
Перейти к операции 6
6
Устранить короткое замыкание с "массой" или разрыв в управляющей цепи форсунки.
Закончен ли ремонт?
-
Перейти к операции 10
-
7
  1. Отсоединить разъём проводки форсунки 1.
  2. Проверить управляющую цепь на клемме 2 при помощи контрольной лампы, подключенной к массе.
Контрольная лампа горит?
-
Перейти к операции 8
Перейти к операции 9
8
Устранить короткое замыкание в управляющей цепи форсунки.
Закончен ли ремонт?
-
Перейти к операции 10
-
9
  1. Выключить зажигание.
  2. Заменить контроллер ЭСУД.
Закончен ли ремонт?
-
Перейти к операции 10
-
10
  1. Используя сканирующий прибор, очистить диагностические коды неисправностей.
  2. Запустить двигатель и дать ему поработать на холостом ходу при нормальной рабочей температуре.
  3. Совершить поездку для установки кодов неисправности, как это указано во вспомогательном тексте.
Сканирующий прибор определяет эту диагностику как прошедшую и успешную?
-
Перейти к операции 11
Перейти к операции 2
11
Проверьте, не установлены ли дополнительные диагностические коды неисправности.
Отображены ли диагностические коды неисправности, которые не были продиагностированы?
-
Перейти к соответствующей таблице диагностических кодов неисправности
Система в норме

J6B11F23
Показать иллюстрациюПеревод текста в иллюстрациях


Диагностический код неисправности p0202

Цепь управления форсунки 2

Описание схемы

В контроллере ЭСУД имеется четыре отдельных управляющих цепей форсунок, каждая из которых управляет какой-либо форсункой. Форсунка включается, когда цепь управления замыкается на массу контроллером ЭСУД. Контроллер ЭСУД контролирует ток в каждой цепи управления. Контроллер ЭСУД измеряет падение напряжения постоянным резистором и управляет им. Для определения неисправности каждая цепь управления контролируется. Если напряжение в цепи отличается от заданного в контроллере ЭСУД, то устанавливается диагностический код неисправности. Данный код неисправности определяет короткое замыкание на массу и/или разрыв в цепи, а также короткое замыкание на аккумулятор для нижних выводов управляющей цепи форсунки.

Условия установки кода неисправности

Действия, выполняемые при установке кода неисправности

Условия очистки кода неисправности/индикации неисправности

Диагностическая информация

Цепь управления форсункой 2, имеющая разрыв или замыкание на массу, вызывает установку DTC P0202. А также вызывает пропуск зажигания от неработающей форсунки. Также должен быть установлен диагностический код неисправности зажигания с указанием неисправной форсунки.
Слишком высокое или слишком низкое значение долгосрочной и краткосрочной корректировки топливоподачи указывают на неисправность форсунки. См. "Проверка баланса форсунок" в этом разделе для проверки неисправных форсунок.
Сопротивление форсунки, измеренное на соединении контроллера ЭСУД, несколько выше при измерении непосредственно на форсунке, так как оно включает сопротивление жгута проводов. Нормальное значение - около 13,5Ом

Описание проверки

Приведенными ниже числами указываются номера операций в таблице диагностики.
  1. Бортовая система диагностики (EOBD) предлагает мастеру выполнить основные проверки и сохранить состояние и данные неисправностей в сканирующем приборе. Это создает электронную копию данных, записанную при возникновении неисправности. Информация сохраняется в сканирующем приборе для дальнейшей обработки.
  2. Эта операция определяет, является ли DTC P0201 результатом тяжелого сбоя или неустойчивой неисправности.
  3. На данном этапе при помощи контрольной лампы проверяется жгут проводки и управление форсунками блоком ЭСУД.
  4. На данном этапе определяется, имеется ли в цепи короткое замыкание или контроллер ЭСУД неисправен.
  5. Заменяемый контроллер ЭСУД должен быть запрограммирован. Перепрограммирование контроллера ЭСУД описано в последней технологической инструкции Techline.

dtc p0202 - Цепь управления форсунки 2

ШагОперацияЗначенияДаНет
1
Провести проверку бортовой системы диагностики (eobd).
Проверка проведена?
-
Перейти к операции 2
Перейти к "Проверка бортовой системы диагностики".
2
Двигатель запускается?
-
Перейти к операции 3
Перейти
"Коленчатый вал проворачивается, но двигатель не запускается"
3
  1. Подключить сканирующий прибор к колодке диагностики.
  2. Включить зажигание, двигатель не запускать.
  3. Используя сканирующий прибор, обнулить диагностические коды неисправностей.
  4. Запустить двигатель и дать ему поработать на холостом ходу одну минуту.
dtc p0202 сброшен?
-
Перейти к операции 5
Перейти к операции 4
4
  1. Включить зажигание, двигатель не запускать.
  2. Просмотреть данные записи состояний и записать параметры.
  3. Совершить поездку согласно условиям буфера записей состояний, как указано.
dtc p0202 сброшен?
-
Перейти к операции 5
Перейти к "Диагностическая информация"
5
  1. Выключить зажигание.
  2. Отсоединить разъем контроллера ЭСУД на форсунку 2.
  3. Включить зажигание, двигатель не запускать.
  4. Проверить управляющую цепь на клемме М22 при помощи контрольной лампы, подключенной к "массе".
Контрольная лампа горит?
-
Перейти к операции 7
Перейти к операции 6
6
Устранить короткое замыкание с "массой" или разрыв в управляющей цепи форсунки.
Закончен ли ремонт?
-
Перейти к операции 10
-
7
  1. Отсоединить разъём проводки форсунки 2.
  2. Проверить управляющую цепь на клемме 2 при помощи контрольной лампы, подключенной к массе.
Контрольная лампа горит?
-
Перейти к операции 8
Перейти к операции 9
8
Устранить короткое замыкание в управляющей цепи форсунки.
Закончен ли ремонт?
-
Перейти к операции 10
-
9
  1. Выключить зажигание.
  2. Заменить контроллер ЭСУД.
Закончен ли ремонт?
-
Перейти к операции 10
-
10
  1. Используя сканирующий прибор, очистить диагностические коды неисправностей.
  2. Запустить двигатель и дать ему поработать на холостом ходу при нормальной рабочей температуре.
  3. Совершить поездку для установки кодов неисправности, как это указано во вспомогательном тексте.
Сканирующий прибор определяет эту диагностику как прошедшую и успешную?
-
Перейти к операции 11
Перейти к операции 2
11
Проверьте, не установлены ли дополнительные диагностические коды неисправности.
Отображены ли диагностические коды неисправности, которые не были продиагностированы?
-
Перейти к соответствующей таблице диагностических кодов неисправности
Система в норме

J6B11F23
Показать иллюстрациюПеревод текста в иллюстрациях


Диагностический код неисправности p0203

Цепь управления форсунки 3

Описание схемы

В контроллере ЭСУД имеется четыре отдельных управляющих цепей форсунок, каждая из которых управляет какой-либо форсункой. Форсунка включается, когда цепь управления замыкается на массу контроллером ЭСУД. Контроллер ЭСУД контролирует ток в каждой цепи управления. Контроллер ЭСУД измеряет падение напряжения постоянным резистором и управляет им. Для определения неисправности каждая цепь управления контролируется. Если напряжение в цепи отличается от заданного в контроллере ЭСУД, то устанавливается диагностический код неисправности. Данный код неисправности определяет короткое замыкание на массу и/или разрыв в цепи, а также короткое замыкание на аккумулятор для нижних выводов управляющей цепи форсунки.

Условия установки кода неисправности

Действия, выполняемые при установке кода неисправности

Условия очистки кода неисправности/индикации неисправности

Диагностическая информация

Цепь управления форсункой 3, имеющая разрыв или замыкание на массу, вызывает установку DTC P0203. А также вызывает пропуск зажигания от неработающей форсунки. Также должен быть установлен диагностический код неисправности зажигания с указанием неисправной форсунки.
Слишком высокое или слишком низкое значение долгосрочной и краткосрочной корректировки топливоподачи указывают на неисправность форсунки. См. "Проверка баланса форсунок" в этом разделе для проверки неисправных форсунок.
Сопротивление форсунки, измеренное на соединении контроллера ЭСУД, несколько выше при измерении непосредственно на форсунке, так как оно включает сопротивление жгута проводов. Нормальное значение - около 13,5Ом.

Описание проверки

Приведенными ниже числами указываются номера операций в таблице диагностики.
  1. Бортовая система диагностики (EOBD) предлагает мастеру выполнить основные проверки и сохранить состояние и данные неисправностей в сканирующем приборе. Это создает электронную копию данных, записанную при возникновении неисправности. Информация сохраняется в сканирующем приборе для дальнейшей обработки.
  2. Эта операция определяет, является ли DTC P0203 результатом тяжелого сбоя или неустойчивой неисправности.
  3. На данном этапе при помощи контрольной лампы проверяется жгут проводки и управление форсунками блоком ЭСУД.
  4. На данном этапе определяется, имеется ли в цепи короткое замыкание или контроллер ЭСУД неисправен.
  5. Заменяемый контроллер ЭСУД должен быть запрограммирован. Перепрограммирование контроллера ЭСУД описано в последней технологической инструкции Techline.

dtc p0203 - Цепь управления форсунки 3

ШагОперацияЗначенияДаНет
1
Провести проверку бортовой системы диагностики (eobd).
Проверка проведена?
-
Перейти к операции 2
Перейти к "Проверка бортовой системы диагностики".
2
Двигатель запускается?
-
Перейти к операции 3
Перейти к "Коленчатый вал проворачивается, но двигатель не запускается"
3
  1. Подключить сканирующий прибор к колодке диагностики.
  2. Включить зажигание, двигатель не запускать.
  3. Используя сканирующий прибор, обнулить диагностические коды неисправностей.
  4. Запустить двигатель и дать ему поработать на холостом ходу одну минуту.
dtc p0203 сброшен?
-
Перейти к операции 5
Перейти к операции 4
4
  1. Включить зажигание, двигатель не запускать.
  2. Просмотреть данные записи состояний и записать параметры.
  3. Совершить поездку согласно условиям буфера записей состояний, как указано.
dtc p0203 сброшен?
-
Перейти к операции 5
Перейти к "Диагностическая информация"
5
  1. Выключить зажигание.
  2. Отсоединить разъем контроллера ЭСУД на форсунку 3.
  3. Включить зажигание, двигатель не запускать.
  4. Проверить управляющую цепь на клемме М24 при помощи контрольной лампы, подключенной к "массе".
Контрольная лампа горит?
-
Перейти к операции 7
Перейти к операции 6
6
Устранить короткое замыкание с "массой" или разрыв в управляющей цепи форсунки.
Закончен ли ремонт?
-
Перейти к операции 10
-
7
  1. Отсоединить разъём проводки форсунки 3.
  2. Проверить управляющую цепь на клемме 2 при помощи контрольной лампы, подключенной к массе.
Контрольная лампа горит?
-
Перейти к операции 8
Перейти к операции 9
8
Устранить короткое замыкание в управляющей цепи форсунки.
Закончен ли ремонт?
-
Перейти к операции 10
-
9
  1. Выключить зажигание.
  2. Заменить контроллер ЭСУД.
Закончен ли ремонт?
-
Перейти к операции 10
-
10
  1. Используя сканирующий прибор, очистить диагностические коды неисправностей.
  2. Запустить двигатель и дать ему поработать на холостом ходу при нормальной рабочей температуре.
  3. Совершить поездку для установки кодов неисправности, как это указано во вспомогательном тексте.
Сканирующий прибор определяет эту диагностику как прошедшую и успешную?
-
Перейти к операции 11
Перейти к операции 2
11
Проверьте, не установлены ли дополнительные диагностические коды неисправности.
Отображены ли диагностические коды неисправности, которые не были продиагностированы?
-
Перейти к соответствующей таблице диагностических кодов неисправности
Система в норме

J6B11F23
Показать иллюстрациюПеревод текста в иллюстрациях


Диагностический код неисправности p0204

Цепь управления форсунки 4

Описание схемы

В контроллере ЭСУД имеется четыре отдельных управляющих цепей форсунок, каждая из которых управляет какой-либо форсункой. Форсунка включается, когда цепь управления замыкается на массу контроллером ЭСУД. Контроллер ЭСУД контролирует ток в каждой цепи управления. Контроллер ЭСУД измеряет падение напряжения постоянным резистором и управляет им. Для определения неисправности каждая цепь управления контролируется. Если напряжение в цепи отличается от заданного в контроллере ЭСУД, то устанавливается диагностический код неисправности. Данный код неисправности определяет короткое замыкание на массу и/или разрыв в цепи, а также короткое замыкание на аккумулятор для нижних выводов управляющей цепи форсунки.

Условия установки кода неисправности

Действия, выполняемые при установке кода неисправности

Условия очистки кода неисправности/индикации неисправности

Диагностическая информация

Цепь управления форсункой 4, имеющая разрыв или замыкание на массу, вызывает установку DTC P0204. А также вызывает пропуск зажигания от неработающей форсунки. Также должен быть установлен диагностический код неисправности зажигания с указанием неисправной форсунки.
Слишком высокое или слишком низкое значение долгосрочной и краткосрочной корректировки топливоподачи указывают на неисправность форсунки. См. "Проверка баланса форсунок" в этом разделе для проверки неисправных форсунок.
Сопротивление форсунки, измеренное на соединении контроллера ЭСУД, несколько выше при измерении непосредственно на форсунке, так как оно включает сопротивление жгута проводов. Нормальное значение - около 13,5Ом.

Описание проверки

Приведенными ниже числами указываются номера операций в таблице диагностики.
  1. Бортовая система диагностики (EOBD) предлагает мастеру выполнить основные проверки и сохранить состояние и данные неисправностей в сканирующем приборе. Это создает электронную копию данных, записанную при возникновении неисправности. Информация сохраняется в сканирующем приборе для дальнейшей обработки.
  2. Эта операция определяет, является ли DTC P0204 результатом тяжелого сбоя или неустойчивой неисправности.
  3. На данном этапе при помощи контрольной лампы проверяется жгут проводки и управление форсунками блоком ЭСУД.
  4. На данном этапе определяется, имеется ли в цепи короткое замыкание или контроллер ЭСУД неисправен.
  5. Заменяемый контроллер ЭСУД должен быть запрограммирован. Перепрограммирование контроллера ЭСУД описано в последней технологической инструкции Techline.

dtc p0204 - Цепь управления форсунки 4

ШагОперацияЗначенияДаНет
1
Провести проверку бортовой системы диагностики (eobd).
Проверка проведена?
-
Перейти к операции 2
Перейти к "Проверка бортовой системы диагностики".
2
Двигатель запускается?
-
Перейти к операции 3
Перейти к "Коленчатый вал проворачивается, но двигатель не запускается"
3
  1. Подключить сканирующий прибор к колодке диагностики.
  2. Включить зажигание, двигатель не запускать.
  3. Используя сканирующий прибор, обнулить диагностические коды неисправностей.
  4. Запустить двигатель и дать ему поработать на холостом ходу одну минуту.
dtc p0204 сброшен?
-
Перейти к операции 5
Перейти к операции 4
4
  1. Включить зажигание, двигатель не запускать.
  2. Просмотреть данные записи состояний и записать параметры.
  3. Совершить поездку согласно условиям буфера записей состояний, как указано.
dtc p0204 сброшен?
-
Перейти к операции 5
Перейти к "Диагностическая информация"
5
  1. Выключить зажигание.
  2. Отсоединить разъем контроллера ЭСУД на форсунку 4.
  3. Включить зажигание, двигатель не запускать.
  4. Проверить управляющую цепь на клемме М11 при помощи контрольной лампы, подключенной к "массе".
Контрольная лампа горит?
-
Перейти к операции 7
Перейти к операции 6
6
Устранить короткое замыкание с "массой" или разрыв в управляющей цепи форсунки.
Закончен ли ремонт?
-
Перейти к операции 10
-
7
  1. Отсоединить разъём проводки форсунки 4.
  2. Проверить управляющую цепь на клемме 2 при помощи контрольной лампы, подключенной к массе.
Контрольная лампа горит?
-
Перейти к операции 8
Перейти к операции 9
8
Устранить короткое замыкание в управляющей цепи форсунки.
Закончен ли ремонт?
-
Перейти к операции 10
-
9
  1. Выключить зажигание.
  2. Заменить контроллер ЭСУД.
Закончен ли ремонт?
-
Перейти к операции 10
-
10
  1. Используя сканирующий прибор, очистить диагностические коды неисправностей.
  2. Запустить двигатель и дать ему поработать на холостом ходу при нормальной рабочей температуре.
  3. Совершить поездку для установки кодов неисправности, как это указано во вспомогательном тексте.
Сканирующий прибор определяет эту диагностику как прошедшую и успешную?
-
Перейти к операции 11
Перейти к операции 2
11
Проверьте, не установлены ли дополнительные диагностические коды неисправности.
Отображены ли диагностические коды неисправности, которые не были продиагностированы?
-
Перейти к соответствующей таблице диагностических кодов неисправности
Система в норме

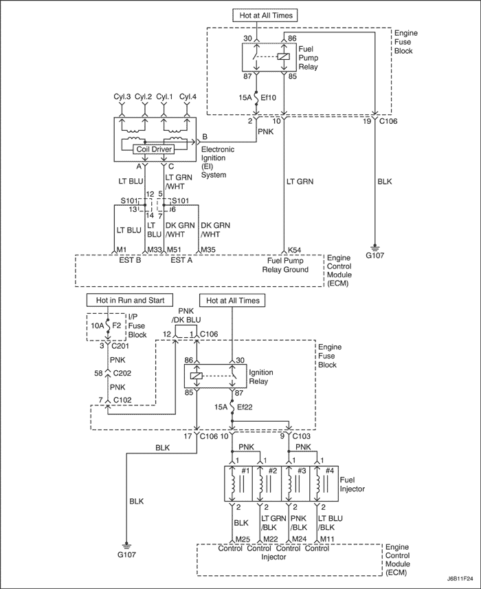
J6B11F24
Показать иллюстрациюПеревод текста в иллюстрациях


Диагностический код неисправности p0300

Обнаружен пропуск зажигания

Описание системы

Контроллер электронной системы управления двигателем (ЭСУД) контролирует положения коленчатого вала и распредвала для определения пропусков зажигания. Контроллер ЭСУД отслеживает быстрое падение скорости вращения коленчатого вала. Эта проверка производится блоками по 100 оборотов двигателя. Для сохранения кода неисправности, а также, чтобы зажглась контрольная лампа индикации неисправности, может потребоваться несколько тестов. В условиях незначительного пропуска зажигания, может также потребоваться более одного хода для установки кода неисправности. При значительном пропуске зажигания, контрольная лампа индикации неисправности будет мигать, указывая на то, что возможно повреждение катализатора.

Условия установки кода неисправности

Действия, выполняемые при установке кода неисправности

Условия очистки кода неисправности/индикации неисправности

Диагностическая информация

Неустойчивая неисправность может быть связана с дефектом колеса импульсного датчика. Снять датчик положения коленчатого вала и проверить колесо импульсного датчика через монтажное отверстие датчика. Проверить пористость и состояние колеса. Если диагностический код неисправности неустойчивый, см. "Диагностика признаков" в этом разделе.

Описание проверки

Приведенными ниже числами указываются номера операций в таблице диагностики.
  1. Бортовая система диагностики (EOBD) предлагает мастеру выполнить основные проверки и сохранить состояние и данные неисправностей в сканирующем приборе. Это создает электронную копию данных, записанную при возникновении неисправности. Информация сохраняется в сканирующем приборе для дальнейшей обработки.
  2. Внешний осмотр должен включать в себя проверку следующих компонентов:
  3. Если значения всех счетчиков относительно равны, то пропуск зажигания вызывается чем-то, что влияет на весь двигатель. В противном случае пропуск зажигания вызывается чем-то конкретным и связанным с двумя или более цилиндрами.
  4. В условиях отсутствия пропуска зажигания необходимо совершить поездку согласно условиям записанных состояний для определения пропуска. В зависимости от нагрузки двигателя может потребоваться поддерживать данные условия до 20 секунд. Как только значения счетчиков пропуска зажигания начинают возрастать, происходит пропуск зажигания. Счетчик пропусков зажигания хранит количество пропусков произошедших до обнуления кода неисправности.
  5. Проверить отсутствие примесей в виде воды, спирта в топливе.
  6. Основная проблема с двигателем, которая влияет на все цилиндры, является единственно возможной на данном этапе (синхронизация коленвала, утечки дроссельной заслонки, ограниченный расход воздуха и т.д.).
  7. На данном этапе проверяется выходное напряжение системы зажигания с помощью искрового пробника.
  8. Заменить изношенные, треснутые или сильно загрязненные свечи.
  9. Проверка напряжения в цепи зажигания.
  10. При любом замыкании управляющей цепи на "массу", лампа будет гореть ровно. Лампа выключается, если в управляющей цепи происходит короткое замыкание или разрыв.
  11. Поскольку напряжение подается на топливную форсунку по одной цепи, то причиной неисправности может быть только слабый контакт или разрыв в жгуте топливной форсунки. В случае разрыва перед жгутом выдается сообщение ""Коленчатый вал проворачивается, но двигатель не запускается".
  12. Перед заменой блока ЭСУД проверить соединение клемм, отсутствие сломанных замков или физического повреждения жгутов проводки. Заменяемый контроллер ЭСУД должен быть запрограммирован. Перепрограммирование контроллера ЭСУД описано в последней технологической инструкции Techline.

dtc p0300 - Обнаружен пропуск зажигания

ШагОперацияЗначенияДаНет
1
Провести проверку бортовой системы диагностики (eobd).
Проверка проведена?
-
Перейти к операции 2
Перейти к "Проверка бортовой системы диагностики".
2
  1. Подключить сканирующий прибор к колодке диагностики.
  2. Включить зажигание, двигатель не запускать.
  3. Запросить диагностические коды неисправности.
Устанавливаются ли диагностические коды неисправности Р0201, Р0202, Р0203, Р0204?
-
Перейти к соответствующему диагностическому коду неисправности
Перейти к операции 3
3
  1. Провести визуальную/физическую проверку.
  2. Выполнить необходимый ремонт.
Закончен ли ремонт?
-
Перейти к операции 27
Перейти к операции 4
4
Запустить двигатель и дать ему поработать на холостом ходу.
Увеличивается счет пропусков зажигания?
-
Перейти к операции 5
Перейти к операции 6
5
Все счетчики одинаковый (в пределах процентного отношения друг к другу?)
-
Перейти к операции 7
Перейти к операции 11
6
  1. Включить зажигание, двигатель не запускать.
  2. Просмотреть данные записи состояний и записать параметры.
  3. Совершить поездку в условиях записанных состояний и условиях установки кода неисправности.
Увеличивается счет пропусков зажигания?
-
Перейти к операции 5
Перейти к "Диагностическая информация"
7
  1. Остановить двигатель.
  2. Установить манометр на топливную рампу.
  3. Обратить внимание на давление при работающем двигателе.
Давление топлива в пределах установленного значения?
284-325 кПа (41-47 psi)
Перейти к операции 8
Перейти к разделу "Диагностика топливной системы"
8
Проверить топливо на загрязнения.
Топливо в норме?
-
Перейти к операции 9
Перейти к операции 10
9
Проверить двигатель на обычные проблемы и отремонтировать, если необходимо.
Закончен ли ремонт?
-
Перейти к операции 27
-
10
Заменить загрязненное топливо.
Закончен ли ремонт?
-
Перейти к операции 27
-
11
  1. Остановить двигатель.
  2. Отсоединить разъем жгутов топливной форсунки.
  3. Установить прибор для проверки искры на провод зажигания цилиндра №1.
  4. Провернуть коленчатый вал двигателя и проверить на искру.
  5. Повторить эту процедуру на цилиндрах №2, №3 и №4.
Искра есть на всех четырех проводах зажигания?
-
Перейти к операции 12
Перейти к операции 20
12
Заменить неисправные свечи зажигания, если необходимо.
Закончен ли ремонт?
-
Перейти к операции 27
Перейти к операции 13
13
  1. Остановить двигатель.
  2. Отсоединить разъемы жгутов топливной форсунки от форсунок.
  3. Установить сигнальную лампу на разъем жгута форсунки цилиндра с пропуском зажигания.
  4. Провернуть коленчатый вал двигателя и проверить сигнальную лампу.
Контрольная лампа мигает?
-
Перейти к операции 14
Перейти к операции 15
14
Провести проверку баланса форсунок.
Топливные форсунки в норме?
-
Перейти к операции 9
Перейти к операции 16
15
  1. Отсоединить сигнальную лампу для проверки форсунок.
  2. Контрольной лампой, подключенной к массе, проверить клемму 1 цепи зажигания разъема жгута проводов топливных форсунок, в которых был пропуск зажигания.
  3. Провернуть коленчатый вал двигателя.
Контрольная лампа горит?
-
Перейти к операции 17
Перейти к операции 19
16
Заменить неисправные топливные форсунки.
Закончен ли ремонт?
-
Перейти к операции 27
-
17
Проверить поврежденную управляющую цепь топливной форсунки на клеммах М25, М22, М24 и М11 на отсутствие разрыва или короткого замыкания.
Проблема найдена?
-
Перейти к операции 18
Перейти к операции 24
18
Устранить обрыв или короткое замыкание в цепи управления топливной форсункой.
Закончен ли ремонт?
-
Перейти к операции 26
-
19
Устранить обрыв цепи зажигания между разъемом жгута проводов топливной форсунки и разъемом топливной форсунки.
Закончен ли ремонт?
-
Перейти к операции 27
-
20
Измерить сопротивление провода зажигания, который не подавал искру при проверке.
Сопротивление провода зажигания меньше установленного значения?
30,000 Ом
Перейти к операции 21
Перейти к операции 25
21
Проверить разъемы и соединения контроллера ЭСУД.
Соединения в норме?
-
Перейти к операции 22
Перейти к операции 23
22
Проверить неисправную цепь управления зажиганием на обрыв цепи, короткое замыкание и отремонтировать, если необходимо.
Закончен ли ремонт?
-
Перейти к операции 27
Перейти к операции 26
23
Отремонтировать разъем или соединения.
Закончен ли ремонт?
-
Перейти к операции 27
-
24
  1. Выключить зажигание.
  2. Заменить контроллер ЭСУД.
Закончен ли ремонт?
-
Перейти к операции 27
-
25
Заменить провод зажигания.
Закончен ли ремонт?
-
Перейти к операции 27
-
26
Заменить неисправную катушку зажигания.
Закончен ли ремонт?
-
Перейти к операции 27
Перейти к операции 24
27
  1. Используя сканирующий прибор, очистить диагностические коды неисправностей.
  2. Запустить двигатель и дать ему поработать на холостом ходу при нормальной рабочей температуре.
  3. Совершить поездку для установки кодов неисправности, как это указано во вспомогательном тексте.
Сканирующий прибор определяет эту диагностику как прошедшую и успешную?
-
Перейти к операции 28
Перейти к операции 2
28
Проверьте, не установлены ли дополнительные диагностические коды неисправности.
Отображены ли диагностические коды неисправности, которые не были продиагностированы?
-
Перейти к соответствующей таблице диагностических кодов неисправности
Система в норме


На предыдущую страницуНа следующую страницу
https://vnx.su/ 🛠 Руководства по ремонту и эксплуатации для автомобилей

Поиск по сайту

Остались вопросы или пожелания? Пишите на почту: support@vnx.su

Карта Сайта