К началу документа
Kalos/Aveo
На предыдущую страницу На следующую страницу
Главная страница GMDE Загрузить нединамическое оглавление Загрузить динамическое оглавление Помощь



9. ILLUMINATION

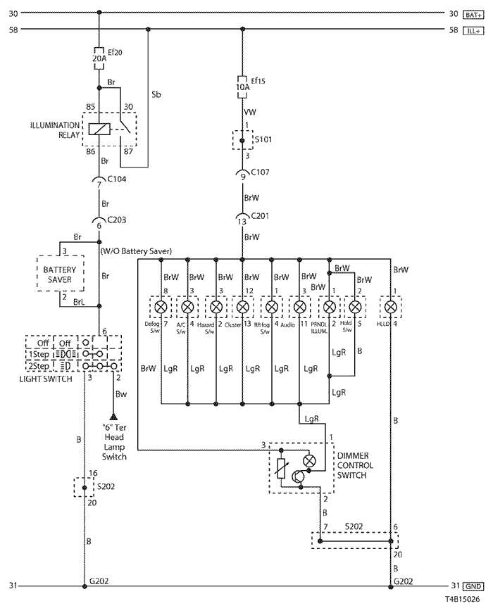
1) illumination circuit - w/ dimmer control

T4B15026.png
Показать иллюстрациюПеревод текста в иллюстрациях


а. ИНФОРМАЦИЯ О РАЗЪЁМЕ

№ РАЗЪЁМА
(№ И ЦВЕТ КОНТАКТА)
СОЕДИНИТЕЛЬНЫЙ ЖГУТ ПРОВОДОВ ПОЛОЖЕНИЕ РАЗЪЁМА
C104 (15 Pin, White) Front – Body Behind Left A Pillar
C107 (10 Pin, Black) Front – Body Behind Left A Pillar
C201 (18 Pin, Blue) Body – IP Under I/P Fuse Block
C203 (14 Pin, Black) Body – IP Under I/P Fuse Block
G202 IP Behind Right Ashtray

б. УСЛОВНОЕ ОБОЗНАЧЕНИЕ & И НАХОЖДЕНИЕ НОМЕРА КОНТАКТА

T4B1P004.png
Показать иллюстрациюПеревод текста в иллюстрациях


в. РАСПОЛОЖЕНИЕ РАЗЪЁМОВ И СОЕДИНЕНИЙ МАССЫ

T3B12020.png
Показать иллюстрациюПеревод текста в иллюстрациях


T3B12004.png
Показать иллюстрациюПеревод текста в иллюстрациях


г. КОНТАКТНАЯ КОЛОДКА

s101 (mr-140/hv-240)

T5B1S005.png
Показать иллюстрациюПеревод текста в иллюстрациях


s101 (sirius d4)

T5B1S006.png
Показать иллюстрациюПеревод текста в иллюстрациях


s202

T5B1S004.png
Показать иллюстрациюПеревод текста в иллюстрациях


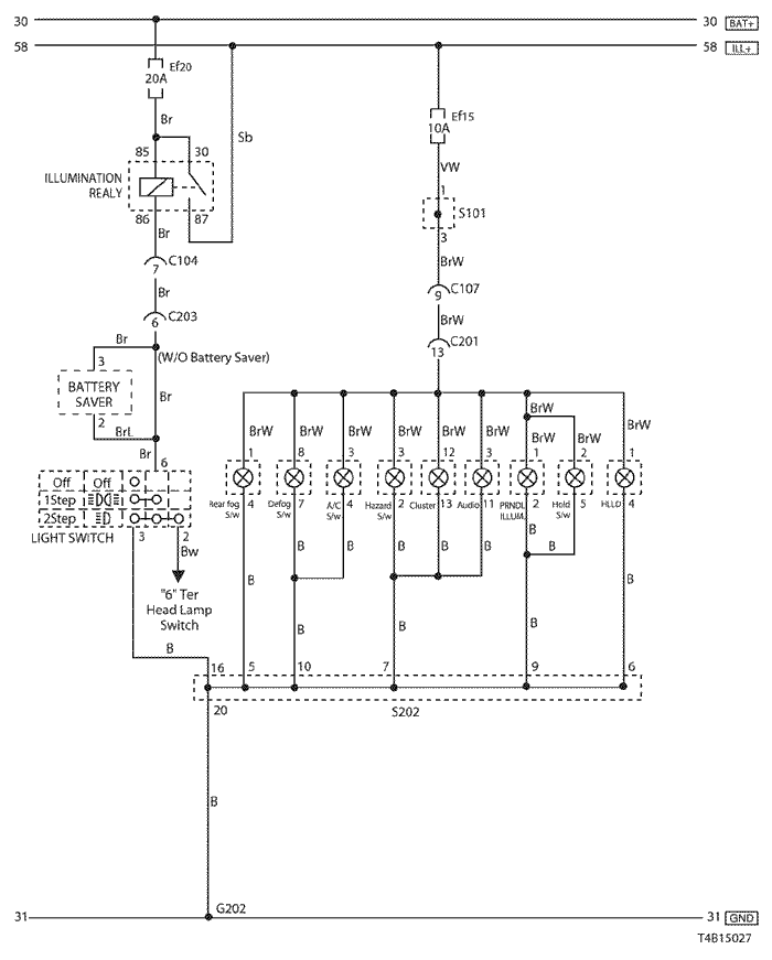
2) illumination circuit - w/o dimmer control

T4B15027.png
Показать иллюстрациюПеревод текста в иллюстрациях


а. ИНФОРМАЦИЯ О РАЗЪЁМЕ

№ РАЗЪЁМА
(№ И ЦВЕТ КОНТАКТА)
СОЕДИНИТЕЛЬНЫЙ ЖГУТ ПРОВОДОВ ПОЛОЖЕНИЕ РАЗЪЁМА
C104 (15 Pin, White) Front – Body Behind Left A Pillar
C107 (10 Pin, Black) Front – Body Behind Left A Pillar
C201 (18 Pin, Blue) Body – IP Under I/P Fuse Block
C203 (14 Pin, Black) Body – IP Under I/P Fuse Block
G202 IP Behind Right Ashtray

б. УСЛОВНОЕ ОБОЗНАЧЕНИЕ & И НАХОЖДЕНИЕ НОМЕРА КОНТАКТА

T4B1P005.png
Показать иллюстрациюПеревод текста в иллюстрациях


в. РАСПОЛОЖЕНИЕ РАЗЪЁМОВ И СОЕДИНЕНИЙ МАССЫ

T3B12020.png
Показать иллюстрациюПеревод текста в иллюстрациях


T3B12004.png
Показать иллюстрациюПеревод текста в иллюстрациях


г. КОНТАКТНАЯ КОЛОДКА

s101 (mr-140/hv-240)

T5B1S005.png
Показать иллюстрациюПеревод текста в иллюстрациях


s101 (sirius d4)

T5B1S006.png
Показать иллюстрациюПеревод текста в иллюстрациях


s202

T5B1S004.png
Показать иллюстрациюПеревод текста в иллюстрациях


3) lamp (license plate, position) circuit

3-1) notch back

T3B15036.png
Показать иллюстрациюПеревод текста в иллюстрациях


а. ИНФОРМАЦИЯ О РАЗЪЁМЕ

№ РАЗЪЁМА
(№ И ЦВЕТ КОНТАКТА)
СОЕДИНИТЕЛЬНЫЙ ЖГУТ ПРОВОДОВ ПОЛОЖЕНИЕ РАЗЪЁМА
C211 (22 Pin, Yellow) Front – Body Under Left A Pillar
C401 (8 Pin, White) Body – Rear (N/B) Behind Left Rear Wheel House
C402 (4 Pin, White) Trunk – Body (N/B) Behind Left Trunk Room Panel
G102 Front Behind Left Head Lamp
G104 Front Behind Right Head Lamp
G401 Body (N/B) Upper Left Trunk Room Panel
G402 Rear (N/B) Center Trunk Room Panel

б. УСЛОВНОЕ ОБОЗНАЧЕНИЕ & И НАХОЖДЕНИЕ НОМЕРА КОНТАКТА

T5B1P023.png
Показать иллюстрациюПеревод текста в иллюстрациях


в. РАСПОЛОЖЕНИЕ РАЗЪЁМОВ И СОЕДИНЕНИЙ МАССЫ

T3B12021.png
Показать иллюстрациюПеревод текста в иллюстрациях


T3B12011.png
Показать иллюстрациюПеревод текста в иллюстрациях


г. КОНТАКТНАЯ КОЛОДКА

s101

T5B1S005.png
Показать иллюстрациюПеревод текста в иллюстрациях


3-2) hatch back

T3B15056.png
Показать иллюстрациюПеревод текста в иллюстрациях


а. ИНФОРМАЦИЯ О РАЗЪЁМЕ

№ РАЗЪЁМА
(№ И ЦВЕТ КОНТАКТА)
СОЕДИНИТЕЛЬНЫЙ ЖГУТ ПРОВОДОВ ПОЛОЖЕНИЕ РАЗЪЁМА
C211 (22 Pin, Yellow) Front – Body Under Left A Pillar
C401 (8 Pin, White) Tail Gate – Body (H/B) Under Left C Pillar
C402 (4 Pin, White) Trunk – Body (N/B) Behind Left Trunk Room Panel
G102 Front Behind Left Head Lamp
G104 Front Behind Right Head Lamp
G401 Body (H/B) Left Tail Gate Panel
G402 Body (H/B) Right Tail Gate Panel

б. УСЛОВНОЕ ОБОЗНАЧЕНИЕ & И НАХОЖДЕНИЕ НОМЕРА КОНТАКТА

T5B1P024.png
Показать иллюстрациюПеревод текста в иллюстрациях


в. РАСПОЛОЖЕНИЕ РАЗЪЁМОВ И СОЕДИНЕНИЙ МАССЫ

T3B12007.png
Показать иллюстрациюПеревод текста в иллюстрациях


T3B12009.png
Показать иллюстрациюПеревод текста в иллюстрациях


г. КОНТАКТНАЯ КОЛОДКА

s101

T5B1S005.png
Показать иллюстрациюПеревод текста в иллюстрациях


На предыдущую страницу На следующую страницу


https://vnx.su/ 🛠 Руководства по ремонту и эксплуатации для автомобилей

Поиск по сайту

Остались вопросы или пожелания? Пишите на почту: support@vnx.su

Карта Сайта