К началу документа
Kalos/Aveo
На предыдущую страницу На следующую страницу
Главная страница GMDE Загрузить нединамическое оглавление Загрузить динамическое оглавление Помощь



20. CENTRAL DOOR LOCKING SYSTEM CIRCUIT

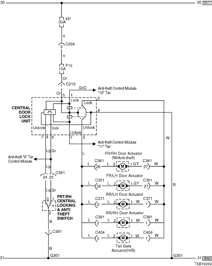
1) notch back & hatch back (5hb)

T5B15053.png
Показать иллюстрациюПеревод текста в иллюстрациях


а. ИНФОРМАЦИЯ О РАЗЪЁМЕ

№ РАЗЪЁМА
(№ И ЦВЕТ КОНТАКТА)
СОЕДИНИТЕЛЬНЫЙ ЖГУТ ПРОВОДОВ ПОЛОЖЕНИЕ РАЗЪЁМА
C105 (4 Pin, White) Front – Body Behind Left A Pillar
C204 (4 Pin, White) Front – IP Under I/P Fuse Block
C212 (10 Pin, Black) IP – Body Under Left A Pillar
C351 (29 Pin, White) Body – Co-Driver Door Under Left A Pillar
C361 (29 Pin, White) Body - Driver Door Under Right A Pillar
C371 (6 Pin, White) Body – Rear Left Door Under Left B Pillar
C381 (6 Pin, White) Body – Rear Right Door Under Right B Pillar
C404 (3 Pin, White) Body – Tailgate Upper T/Gate Open Switch
G301 Body Behind Co-Driver Left Kick Panel

б. УСЛОВНОЕ ОБОЗНАЧЕНИЕ & И НАХОЖДЕНИЕ НОМЕРА КОНТАКТА

T5B1P057.png
Показать иллюстрациюПеревод текста в иллюстрациях


в. РАСПОЛОЖЕНИЕ РАЗЪЁМОВ И СОЕДИНЕНИЙ МАССЫ

T3B12021.png
Показать иллюстрациюПеревод текста в иллюстрациях


T3B12015.png
Показать иллюстрациюПеревод текста в иллюстрациях


T3B12016.png
Показать иллюстрациюПеревод текста в иллюстрациях


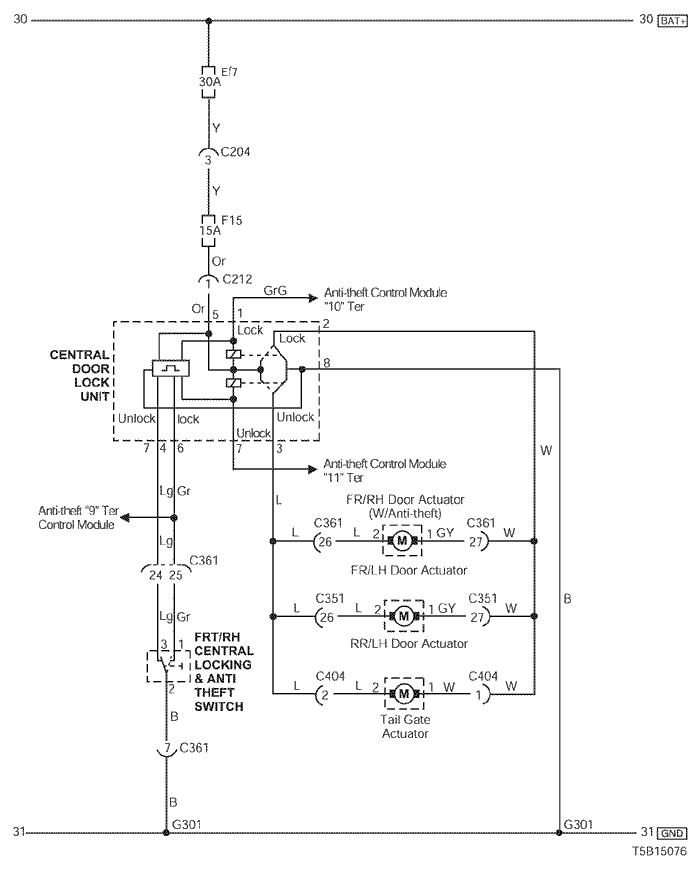
2) hatch back (3hb)

T5B15076.png
Показать иллюстрациюПеревод текста в иллюстрациях


а. ИНФОРМАЦИЯ О РАЗЪЁМЕ

№ РАЗЪЁМА
(№ И ЦВЕТ КОНТАКТА)
СОЕДИНИТЕЛЬНЫЙ ЖГУТ ПРОВОДОВ ПОЛОЖЕНИЕ РАЗЪЁМА
C105 (4 Pin, White) Front – Body Behind Left A Pillar
C204 (4 Pin, White) Front – IP Under I/P Fuse Block
C212 (10 Pin, Black) IP – Body Under Left A Pillar
C351 (29 Pin, White) Body – Co-Driver Door Under Left A Pillar
C361 (29 Pin, White) Body - Driver Door Under Right A Pillar
C404 (3 Pin, White) Body – Tailgate Upper T/Gate Open Switch
G301 Body Behind Co-Driver Left Kick Panel

б. УСЛОВНОЕ ОБОЗНАЧЕНИЕ & И НАХОЖДЕНИЕ НОМЕРА КОНТАКТА

T5B1P073.png
Показать иллюстрациюПеревод текста в иллюстрациях


в. РАСПОЛОЖЕНИЕ РАЗЪЁМОВ И СОЕДИНЕНИЙ МАССЫ

T3B12021.png
Показать иллюстрациюПеревод текста в иллюстрациях


T3B12015.png
Показать иллюстрациюПеревод текста в иллюстрациях


T3B12016.png
Показать иллюстрациюПеревод текста в иллюстрациях


На предыдущую страницу На следующую страницу


https://vnx.su/ 🛠 Руководства по ремонту и эксплуатации для автомобилей

Поиск по сайту

Остались вопросы или пожелания? Пишите на почту: support@vnx.su

Карта Сайта