К началу документа
Tacuma
На предыдущую страницуНа следующую страницу
Главная страница GMDEЗагрузить нединамическое оглавлениеЗагрузить динамическое оглавлениеПомощь

РАЗДЕЛ 4F

АНТИБЛОКИРОВОЧНАЯ ТОРМОЗНАЯ СИСТЕМА

Внимание! Отключите отрицательный кабель батаре перед снятием или установкой любых электрических узлов или при возможном контакте инструментов или оборудования с оголенными электрическими клеммами. Отключение кабеля поможет избежать травм и механических поврежений. Зажигание должно быть заблокировано, если не указано иное.

ТЕХНИЧЕСКИЕ ХАРАКТЕРИСТИКИ

ОБЩИЕ ТЕХНИЧЕСКИЕ ХАРАКТЕРИСТИКИ

ПРОГРАММА
Агрегат
Описание
Антиблокировочная тормозная система (АБС)
-
4 канала, 4 датчика
Рабочее напряжение главного реле АБС
В
10~16
Датчик скорости переднего колеса:
-
-
СОПРОТИВЛЕНИЕ
Ом
988...1208
Воздушный зазор
мм (дюйм)
0,5...1,2 (0,0197...0,0472)
Датчик скорости заднего колеса:
-
-
СОПРОТИВЛЕНИЕ
Ом
2295...2500
Воздушный зазор
мм (дюйм)
0,6...1,2 (0,0236...0,0472)
Зубчатое кольцо:
-
-
Наружный диаметр (передние колеса)
мм (дюйм)
83.72 (3.2961)
Наружный диаметр (задние колеса)
мм (дюйм)
77 (3.0315)
Внутренний диаметр (передние колеса)
мм (дюйм)
73.75 (2.9035)
Внутренний диаметр (задние колеса)
мм (дюйм)
67 (2.6378)
Количество зубцов на зубчатом кольце (передние колеса)
ЕА
47
Количество зубцов на зубчатом кольце (задние колеса)
ЕА
34
Тормозная жидкость
-
-
Тип
-
dot-3
Вместимость
л (кварта)
0.5 (0.53)

МОМЕНТЫ ЗАТЯЖКИ РЕЗЬБОВЫХ СОЕДИНЕНИЙ

ПРОГРАММА
Н•м
lb-ft
lb-in
Гайка фитинга тормозной трубки (гидравлический блок)
16
12
-
Болт кронштейна АБС
22
16
-
Болт датчика скорости переднего колеса
9
6
80
Болт крепления датчика скорости заднего колеса
9
6
80

ПРИНЦИПИАЛЬНЫЕ И МОНТАЖНЫЕ СХЕМЫ

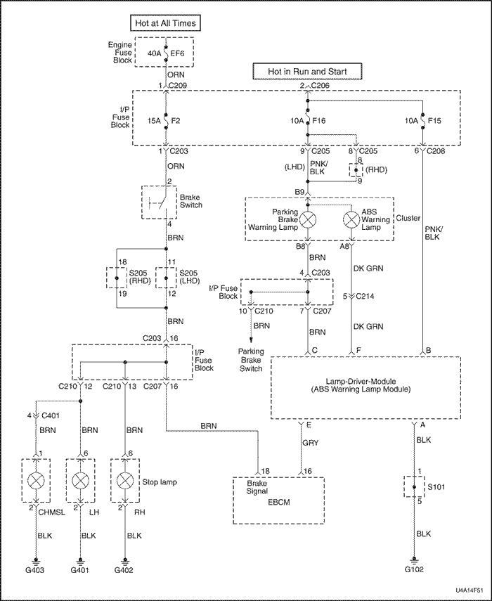
ЦЕПЬ СИСТЕМЫ АБС (i)


U5A14F01
Показать иллюстрациюПеревод текста в иллюстрациях


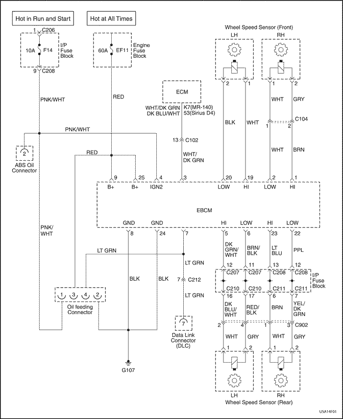
ЦЕПЬ СИСТЕМЫ АБС (ii)


U4A14F51
Показать иллюстрациюПеревод текста в иллюстрациях


ПРИНЦИПИАЛЬНАЯ ЭЛЕКТРИЧЕСКАЯ СХЕМА


T4B34F48
Показать иллюстрациюПеревод текста в иллюстрациях


ВИД НА ПРИСОЕДИНИТЕЛЬНЫЙ РАЗЪЕМ КОНТРОЛЛЕРА ГИДРАВЛИЧЕСКОГО БЛОКА (hecu) И РАСПОЛОЖЕНИЕ КОНТАКТОВ


T4B34F49
Показать иллюстрациюПеревод текста в иллюстрациях


Назначение контактов АБС (экспортное исполнение)

Номер контакта
Функция электрической цепи
1
ДАТЧИК СКОРОСТИ ПРАВОГО ПЕРЕДНЕГО КОЛЕСА
2
ДАТЧИК СКОРОСТИ ПРАВОГО ПЕРЕДНЕГО КОЛЕСА
3
ПЕРЕДАЧА СИГНАЛА ДАТЧИКА СКОРОСТИ В ecm (БЛОК ЭЛЕКТРОННОГО УПРАВЛЕНИЯ ДВИГАТЕЛЕМ)
4
ЗАЖИГАНИЕ
5
ДАТЧИК СКОРОСТИ ЛЕВОГО ПЕРЕДНЕГО КОЛЕСА
6
ДАТЧИК СКОРОСТИ ЛЕВОГО ПЕРЕДНЕГО КОЛЕСА
7
ДИАГНОСТИКА
8
"МАССА" (G107)
9
АККУМУЛЯТОР (ЭЛЕКТРОДВИГАТЕЛЬ hecu)
10
-
11
-
12
-
13
-
14
-
15
-
16
ВЫХОД КОНТРОЛЬНОЙ ЛАМПЫ АБС / ebd
17
-
18
ВХОД ВЫКЛЮЧАТЕЛЯ СТОП-СИГНАЛА
19
ДАТЧИК СКОРОСТИ ЛЕВОГО ПЕРЕДНЕГО КОЛЕСА
20
ДАТЧИК СКОРОСТИ ЛЕВОГО ПЕРЕДНЕГО КОЛЕСА
21
-
22
ДАТЧИК СКОРОСТИ ПРАВОГО ЗАДНЕГО КОЛЕСА
23
ДАТЧИК СКОРОСТИ ПРАВОГО ЗАДНЕГО КОЛЕСА
24
"МАССА" (G107)
25
АККУМУЛЯТОР (ЭЛЕКТРОМАГНИТНЫЙ КЛАПАН)

ГИДРАВЛИЧЕСКАЯ СХЕМА


T4B34F50
Показать иллюстрациюПеревод текста в иллюстрациях


mcp: выход главного цилиндра в первый тормозной контур
m: электродвигатель
mcs: выход главного цилиндра во второй тормозной контур
lpa: аккумулятор низкого давления
no: нормально открытый электромагнитный клапан
nc: нормально закрытый электромагнитный клапан
hpa: аккумулятор высокого давления

РАСПОЛОЖЕНИЕ КОМПОНЕНТОВ

СИСТЕМА АБС


U4A14F52
Показать иллюстрациюПеревод текста в иллюстрациях


  1. Контроллер гидравлического блока
  2. Датчик скорости переднего колеса
  3. Датчик скорости заднего колеса

ДИАГНОСТИКА

ДИАГНОСТИЧЕСКИЕ КОДЫ НЕИСПРАВНОСТЕЙ

dtc
Описание
Место проверки (значение)
c1101
Напряжение аккумулятора слишком велико
16 В и более
c1102
Напряжение аккумулятора слишком мало
9,4 В и менее
c1200
Обрыв или замыкание цепи датчика скорости левого переднего колеса
Датчик, жгут проводов, разъем
c1201
Чрезмерно большие колебания скорости левого переднего колеса
Датчик, жгут проводов, разъем, воздушный зазор
c1202
Отсутствует сигнал датчика скорости левого переднего колеса
Датчик, жгут проводов, разъем, воздушный зазор, hecu*
c1203
Обрыв или замыкание цепи датчика скорости правого переднего колеса
Датчик, жгут проводов, разъем
c1204
Чрезмерно большие колебания скорости правого переднего колеса
Датчик, жгут проводов, разъем, воздушный зазор
c1205
Отсутствует сигнал датчика скорости правого переднего колеса
Датчик, жгут проводов, разъем, воздушный зазор, hecu
c1206
Обрыв или замыкание цепи датчика скорости левого заднего колеса
Датчик, жгут проводов, разъем
c1207
Чрезмерно большие колебания скорости левого заднего колеса
Датчик, жгут проводов, разъем, воздушный зазор
c1208
Отсутствует сигнал датчика скорости левого заднего колеса
Датчик, жгут проводов, разъем, воздушный зазор, hecu
c1209
Обрыв или замыкание цепи датчика скорости правого заднего колеса
Датчик, жгут проводов, разъем
c1210
Чрезмерно большие колебания скорости правого заднего колеса
Датчик, жгут проводов, разъем, воздушный зазор
c1211
Отсутствует сигнал датчика скорости правого заднего колеса
Датчик, жгут проводов, разъем, воздушный зазор, hecu
c1604
Внутренняя неисправность hecu
hecu
c2112
Неисправность реле клапана или плавкого предохранителя
Плавкий предохранитель, hecu
c2402
Неисправность электродвигателя насоса
Электродвигатель, плавкий предохранитель, разъем
* HECU: контроллер гидравлического блока

ПРОВЕРКА ДИАГНОСТИЧЕСКОЙ ЦЕПИ


U5A14F01
Показать иллюстрациюПеревод текста в иллюстрациях


Описание системы

Проверка цепи диагностики представляет собой систематический метод поиска причин неисправностей в системе АБС/DDRP.
Технику по обслуживанию, выполняющему поиск причин каких-либо неисправностей системы АБС/DDRP, следует начинать с проверки цепей диагностики. Проверка цепей диагностики построена в логической последовательности, операции которой должен выполнять техник при поиске причины неисправности.
Для последовательной передачи и приема данных блоком HECU используется контакт 7. Для питания HECU используются контакты 9 и 25, на которые постоянно подается питающее напряжение от аккумулятора, а при включении зажигания напряжение подается на контакт 4. Подключение HECU к "массе" выполнено через контакты 8 и 24.

Процедура диагностики

При обслуживании системы АБС/DDRP необходимо действовать в приведенной ниже последовательности.
  1. Проверить состояние механических элементов конструкции автомобиля, относящихся к тормозной системе.
  2. Выполнить проверку цепей диагностики и перейти к соответствующей таблице диагностики неисправностей.
  3. После устранения всех неисправностей системы АБС следует стереть сообщения с кодами неисправностей системы.

Проверка диагностической цепи

ШагОперацияЗначенияДаНет
1
  1. Подключить или установить все ранее отключенные или снятые элементы.
  2. Замок зажигания в положении "ON".
  3. Подключить соответствующий диагностический прибор к диагностическому разъему dlc и попытаться установить взаимодействие с hecu.
Имеется ли взаимодействие диагностического прибора с hecu?
-
Перейти к операции 2
Перейти к операции 4
2
Имеются ли какие-либо диагностические коды неисправности, текущие или архивные?
-
Перейти к операции 3
Перейти к операции 7
3
  1. Записать текущие коды неисправности.
  2. Записать архивные коды неисправности.
  3. Записать дополнительные архивные данные, такие как
    • количество записей каждого диагностического кода
    • количество записей каждого диагностического кода после первой записи
    • количество записей каждого диагностического кода
    • скорость в момент выполнения каждой записи диагностических кодов
    • другие дополнительные данные, которые могут помочь при диагностике.
  4. Не стирайте диагностические коды неисправности до тех пор, пока не будет прочитана и записана вся информация, выводимая на диагностический прибор.
  5. Перейти к соответствующему коду неисправности.
-
Перейти к таблице для данного диагностического кода (-ов).
-
4
Имеется ли взаимодействие диагностического прибора с другими модулями, подключенными к линии передачи данных?
-
Перейти к операции 5
Перейти к операции 6
5
Перейти к диагностической таблице "Отсутствует взаимодействие с HECU".
-
Система в норме
6
Отремонтировать жгут проводов диагностического разъема dlc.
Заменить жгут проводов диагностического разъема dlc, если потребуется.
-
Система в норме
-
7
  1. Замок зажигания в положении "OFF".
  2. Подождать 10 секунд.
  3. Замок зажигания в положении "ON".
  4. Наблюдать за желтой контрольной лампой АБС при повороте ключа.
Произошло ли включение на 3 секунды контрольной лампы АБС и контрольной лампы тормоза (проверка ламп)?
-
Перейти к операции 8
Перейти к операции 9
8
Функционирование системы в норме.
-
Система в норме
-
9
Продолжала ли лампа гореть?
-
Перейти к операции 10
Перейти к операции 11
10
Перейти к соответствующей таблице поиска неисправностей "Лампа горит постоянно".
-
-
-
11
Перейти к соответствующей таблице поиска неисправностей "Лампа не горит".
-
-
-

ОТСУТСТВУЕТ ВЗАИМОДЕЙСТВИЕ С hecu


U5A14F01
Показать иллюстрациюПеревод текста в иллюстрациях


Описание схемы

Для последовательной передачи и приема данных блоком HECU используется контакт 7. Для питания HECU используются контакты 9 и 25, на которые постоянно подается питающее напряжение от аккумулятора, а при включении зажигания напряжение подается на контакт 4. Подключение HECU к "массе" выполнено через контакты 8 и 24.

Указания по диагностике

Типичные причины отсутствия взаимодействия с HECU.
  1. Плохой электрический контакт с hecu.
  2. hecu не подключен к "массе" через контакты 8 и 24.
  3. Нет напряжения аккумулятора на контактах 9 и 25 hecu.
  4. При зажигании нет напряжения на контакте 4 hecu.
  5. Обрыв или замыкание на "массу" цепи передачи данных.
  6. Высокое сопротивление цепи передачи данных.

Отсутствует взаимодействие с hecu

ШагОперацияЗначенияДаНет
1
Проверка цепи диагностики выполнена?
-
Перейти к операции 3
Перейти к операции 2
2
Выполнить проверку цепи диагностики.
Найдена неисправность?
-
Перейти к операции 3
Система в норме
3
  1. Замок зажигания в положении "OFF".
  2. Отсоединить жгут проводов hecu.
  3. Подключить вольтметр к контакту 9 жгута проводов hecu, а затем к "массе" на кузове.
Находится ли напряжение в требуемом диапазоне?
Напряжение аккумулятора
Перейти к операции 5
Перейти к операции 4
4
Устранить причину понижения напряжения на контакте 9.
Проверить, нет ли перегоревшего плавкого предохранителя, плохого электрического контакта или замыкания на "массу".
-
Система в норме
-
5
Подключить вольтметр к контакту 25 жгута проводов hecu, а затем к "массе" на кузове.
Находится ли напряжение в требуемом диапазоне?
Напряжение аккумулятора
Перейти к операции 7
Перейти к операции 6
6
Устранить причину понижения напряжения на контакте 25.
Проверить, нет ли перегоревшего плавкого предохранителя, плохого электрического контакта или замыкания на "массу".
-
Система в норме
-
7
  1. Замок зажигания в положении "ON".
  2. Подключить вольтметр к контакту 4 жгута проводов hecu, а затем к "массе" на кузове.
Находится ли напряжение в требуемом диапазоне?
Напряжение аккумулятора
Перейти к операции 9
Перейти к операции 8
8
Устранить причину понижения напряжения на контакте 4.
Проверить, нет ли перегоревшего плавкого предохранителя, плохого электрического контакта или замыкания на "массу".
-
Система в норме
-
9
  1. Замок зажигания в положении "OFF".
  2. Подключить вольтметр к контактам 8 и 24 жгута проводов hecu, а затем к "массе" на кузове.
Находится ли напряжение в требуемом диапазоне?
Меньше 2 ом.
Перейти к операции 11
Перейти к операции 10
10
Устранить причину возникновения высокого сопротивления между "массой" кузова и контактами 8 и 24. Найти и проверить контакт подключения цепи к "массе" на кузове.
-
Система в норме
-
11
  1. Замок зажигания в положении "OFF".
  2. Жгут проводов hecu остается отсоединенным от hecu.
  3. Подключить омметр к контакту 7 жгута проводов hecu и к контакту 7 диагностического разъема dlc.
Находится ли напряжение в требуемом диапазоне?
Меньше 2 ом.
Перейти к операции 13
Перейти к операции 12
12
Устранить причину возникновения высокого сопротивления между контактом 7 hecu и контактом 7 dlc.
-
Система в норме
-
13
  1. Замок зажигания в положении "OFF".
  2. Жгут проводов hecu остается отсоединенным.
  3. Подключить омметр к контакту 7 жгута проводов hecu, а затем к "массе" на кузове.
Находится ли напряжение в требуемом диапазоне?
ОЦ (обрыв цепи)
Перейти к операции 15
Перейти к операции 14
14
Найти и устранить замыкание на "массу" цепи передачи данных.
-
Система в норме
-
15
Заменить hecu.
-
Система в норме
-

КОНТРОЛЬНАЯ ЛАМПА АБС НЕ ГОРИТ / НЕТ ДИАГНОСТИЧЕСКОГО КОДА НЕИСПРАВНОСТИ


U4A14F51
Показать иллюстрациюПеревод текста в иллюстрациях


Описание схемы

Контроллер гидравлического блока (HECU) управляет желтой контрольной лампой АБС с помощью модуля управления лампами, установленного на панели комбинации приборов.
Напряжение аккумулятора подается на контакт B9 комбинации приборов, а при включении зажигания - на контакт 4 HECU. Напряжение на контакты 9 и 25 HECU подается постоянно.
По умолчанию модуль управления лампами включает желтую контрольную лампу АБС путем подключения к "массе" через модуль.
При поступлении от HECU команды на выключение контрольной лампы АБС, HECU подключает к "массе" цепь управления контрольной лампой АБС. Это приводит к тому, что модуль управления лампами подключает лампу к "массе".
При повороте замка зажигания в положение "ON", HECU включает контрольную лампу АБС на 3 секунды с целью ее проверки.
При обнаружении какой-либо неисправности в системе АБС, HECU включает контрольную лампу АБС, сообщая водителю о необходимости выполнения проверки АБС.

Указания по диагностике

Типичные причины неисправности "Контрольная лампа АБС не горит / нет диагностического кода неисправности"
  1. Перегорела контрольная лампа АБС / плохой контакт в патроне
  2. Перегорел плавкий предохранитель приборной панели.
  3. Неисправность комбинации приборов / модуля управления лампами.
  4. Неисправен hecu.
  5. Замыкание на "массу" между HECU и комбинацией приборов.

Контрольная лампа АБС не горит / нет диагностического кода неисправности

ШагОперацияЗначенияДаНет
1
Проверка цепи диагностики выполнена?
-
Перейти к операции 3
Перейти к операции 2
2
Выполнить проверку цепи диагностики.
Найдена неисправность?
-
Перейти к операции 3
Система в норме
3
  1. Отсоединить от hecu жгут проводов.
  2. Повернуть ключ зажигания в положение "ON".
Загорелась ли желтая контрольная лампа АБС?
-
Перейти к операции 4
Перейти к операции 5
4
Заменить hecu.
-
Система в норме
-
5
Проверить плавкий предохранитель комбинации приборов.
Плавкий предохранитель и контакт исправны?
-
Перейти к операции 7
Перейти к операции 6
6
Заменить плавкий предохранитель и (или) отремонтировать контакты.
Если перегорел плавкий предохранитель, то найти короткое замыкание, ставшей причиной этого.
-
Система в норме
-
7
Извлечь из комбинации приборов лампу накаливания желтой контрольной лампы АБС и проверить, не перегорела ли лампа и исправен ли контакт патрона.
Патрон и лампа накаливания исправны?
-
Перейти к операции 9
Перейти к операции 8
8
Заменить лампу накаливания или патрон.
-
Система в норме
-
9
  1. Замок зажигания в положении "OFF".
  2. Жгут проводов hecu остается отсоединенным.
  3. Снять комбинацию приборов с приборной панели.
  4. Отсоединить от комбинации приборов разъем жгута проводов.
  5. Замок зажигания в положении "ON".
  6. Подключить вольтметр к контакту b9 жгута проводов комбинации приборов, а затем к "массе" на кузове.
Находится ли напряжение в требуемом диапазоне?
Напряжение аккумулятора
Перейти к операции 11
Перейти к операции 10
10
Найти и устранить причину пониженного напряжения на контакте питания комбинации приборов.
-
Система в норме
-
11
  1. Замок зажигания в положении "OFF".
  2. Отсоединить от комбинации приборов разъем жгута проводов.
  3. Подключить омметр между контактом a8 жгута проводов комбинации приборов и контактом f модуля контрольной лампы АБС.
Находится ли сопротивление в требуемом диапазоне?
Меньше 2 ом.
Перейти к операции 13
Перейти к операции 12
12
Устранить обрыв или высокое сопротивление между комбинацией приборов и модулем контрольной лампы АБС.
-
Система в норме
-
13
  1. Замок зажигания в положении "OFF".
  2. Жгут проводов модуля контрольной лампы АБС и жгут проводов hecu остаются отсоединенными.
  3. Подключить омметр к контакту 16 жгута проводов hecu, а затем к "массе" на кузове.
Находится ли сопротивление в требуемом диапазоне?
ОЦ (обрыв цепи)
Перейти к операции 15
Перейти к операции 14
14
Найти и устранить замыкание на "массу" между жгутом проводов комбинации приборов и жгутом проводов HECU.
-
Система в норме
-
15
Заменить модуль контрольной лампы АБС.
Закончен ли ремонт?
-
Система в норме
Перейти к операции 16
17
Заменить комбинацию приборов в сборе.
-
Система в норме
-

КОНТРОЛЬНАЯ ЛАМПА АБС ГОРИТ / НЕТ ДИАГНОСТИЧЕСКОГО КОДА НЕИСПРАВНОСТИ


U4A14F51
Показать иллюстрациюПеревод текста в иллюстрациях


Описание схемы

Контроллер гидравлического блока (HECU) управляет желтой контрольной лампой АБС с помощью модуля управления лампами, установленного на панели комбинации приборов.
Напряжение аккумулятора подается на контакт B9 комбинации приборов, а при включении зажигания - на контакт 4 HECU. Напряжение на контакты 9 и 25 HECU подается постоянно.
По умолчанию модуль управления лампами включает желтую контрольную лампу АБС путем подключения к "массе" через модуль управления лампами.
При поступлении от HECU команды на выключение контрольной лампы АБС, HECU подключает к "массе" цепь управления контрольной лампой АБС. Это приводит к тому, что модуль управления лампами подключает лампу к "массе".
При повороте замка зажигания в положение "ON", HECU включает контрольную лампу АБС на 3 секунды с целью ее проверки.
При обнаружении какой-либо неисправности в системе АБС, HECU включает контрольную лампу АБС, сообщая водителю о необходимости выполнения проверки АБС.

Указания по диагностике

Типичные причины неисправности "Контрольная лампа АБС горит / нет диагностического кода неисправности"
  1. Замыкание на "массу" между HECU и комбинацией приборов.
  2. Неисправность комбинации приборов / модуля управления лампами.
  3. Неисправен hecu.

Контрольная лампа АБС горит / нет диагностического кода неисправности

ШагОперацияЗначенияДаНет
1
Проверка цепи диагностики выполнена?
-
Перейти к операции 3
Перейти к операции 2
2
Выполнить проверку цепи диагностики.
Найдена неисправность?
-
Перейти к операции 3
Система в норме
3
  1. Замок зажигания в положении "OFF".
  2. Отсоединить от hecu жгут проводов.
  3. Замок зажигания в положении "ON".
  4. Подключить контакт 16 жгута проводов hecu к "массе" на кузове с помощью соединительного провода с плавким предохранителем.
Погасла ли желтая лампа АБС?
-
Перейти к операции 4
Перейти к операции 5
4
Заменить hecu.
-
Система в норме
-
5
  1. Замок зажигания в положении "OFF".
  2. Снять комбинацию приборов с приборной панели.
  3. Отсоединить от комбинации приборов разъем жгута проводов.
  4. Отсоединить от модуля контрольной лампы АБС разъем жгута проводов.
  5. Подключить омметр к контакту a8 жгута проводов комбинации приборов, а затем к "массе" на кузове.
Находится ли сопротивление в требуемом диапазоне?
ОЦ (обрыв цепи)
Перейти к операции 7
Перейти к операции 6
6
Найти и устранить замыкание на "массу" между жгутом проводов комбинации приборов и жгутом проводов модуля контрольной лампы АБС.
-
Система в норме
-
7
  1. Замок зажигания в положении "OFF".
  2. Отсоединить от hecu жгут проводов.
  3. Отсоединить жгут проводов от модуля контрольной лампы АБС.
  4. Подключить омметр к контакту e жгута проводов модуля контрольной лампы АБС, а затем к контакту 16 жгута проводов hecu.
Находится ли сопротивление в требуемом диапазоне?
Меньше 2 ом.
Перейти к операции 9
Перейти к операции 8
8
Устранить обрыв или высокое сопротивление между модулем контрольной лампы АБС и hecu.
-
Система в норме
-
9
Заменить модуль контрольной лампы АБС.
Закончен ли ремонт?
-
Система в норме
Перейти к операции 10
10
Заменить комбинацию приборов в сборе.
-
Система в норме
-

КОНТРОЛЬНАЯ ЛАМПА ТОРМОЗА ГОРИТ


U4A14F51
Показать иллюстрациюПеревод текста в иллюстрациях


Описание схемы

Контроллер гидравлического блока (HECU) управляет контрольной лампой тормоза с помощью модуля управления лампами, установленного на панели комбинации приборов.
Напряжение аккумулятора подается на контакт B9 комбинации приборов, а при включении зажигания - на контакт 4 HECU. Напряжение на контакты 9 и 25 HECU подается постоянно.
По умолчанию модуль управления лампами включает контрольную лампу тормоза путем подключения к "массе" через модуль.
При поступлении от HECU команды на выключение контрольной лампы тормоза, HECU подключает к "массе" цепь управления контрольной лампой АБС. Это приводит к тому, что модуль управления лампами подключает лампу к "массе".
При повороте замка зажигания в положение "ON", HECU включает контрольную лампу тормоза на 3 секунды с целью ее проверки.
При обнаружении какой-либо неисправности в тормозной системе в целом или в системе MANDO MGH25 АБС, HECU может включить контрольную лампу тормоза, сообщая водителю о необходимости выполнения проверки тормозной системы или MGH25.

Указания по диагностике

Типичные причины неисправности "Контрольная лампа тормоза горит / нет диагностического кода неисправности"
  1. Выключатели контрольной лампы неисправны в результате аварии.
  2. Недостаточный уровень тормозной жидкости или неисправен датчик уровня тормозной жидкости.
  3. ddrp может быть отключена в результате следующих неисправностей системы mgh25 АБС.
  4. Не работают датчики скорости колес на одном мосту.
    Аккумулятор 2 (вход электродвигателя) - замыкание на "массу".
    Аккумулятор 1(вход ecu) - обрыв или замыкание на "массу".
    "Масса" электродвигателя - обрыв или замыкание на аккумулятор.
    "Масса" ECU - обрыв или замыкание на аккумулятор.
    Зажигание - обрыв или замыкание на "массу".
  5. Замыкание на "массу" между HECU и комбинацией приборов.
  6. Неисправность комбинации приборов / модуля управления лампами.
  7. Неисправен hecu.

Контрольная лампа тормоза горит

ШагОперацияЗначенияДаНет
1
Проверка цепи диагностики выполнена?
-
Перейти к операции 3
Перейти к операции 2
2
Выполнить проверку цепи диагностики.
Найдена неисправность?
-
Перейти к операции 3
Система в норме
3
  1. Наблюдайте за контрольной лампой АБС.
Горит ли также и контрольная лампа АБС?
-
Перейти к операции 5
Перейти к операции 4
4
Вероятно, имеется общая неисправность тормозной системы.
Устранить неисправность тормозной системы.
-
Система в норме
-
5
  1. Подключить диагностический прибор и считать диагностические коды неисправностей
Имеются ли диагностические коды неисправностей?
-
Перейти к операции 6
Перейти к операции 7
6
Перейти к разделу, предусмотренному для данного диагностического кода.
-
Система в норме
-
7
  1. Замок зажигания в положении "OFF".
  2. Отсоединить от hecu жгут проводов.
  3. Замок зажигания в положении "ON".
  4. Подключить контакт 16 жгута проводов hecu к "массе" на кузове с помощью соединительного провода с плавким предохранителем.
Погасла ли контрольная лампа тормоза?
-
Перейти к операции 8
Перейти к операции 9
8
Заменить hecu.
-
Система в норме
-
9
  1. Замок зажигания в положении "OFF".
  2. Снять комбинацию приборов с приборной панели.
  3. Отсоединить от комбинации приборов разъем жгута проводов.
  4. Отсоединить от модуля контрольной лампы АБС разъем жгута проводов.
  5. Подключить омметр к контакту b8 жгута проводов комбинации приборов, а затем к "массе" на кузове.
Находится ли сопротивление в требуемом диапазоне?
ОЦ (обрыв цепи)
Перейти к операции 11
Перейти к операции 10
10
Найти и устранить замыкание на "массу" между жгутом проводов комбинации приборов и жгутом проводов модуля контрольной лампы АБС.
-
Система в норме
-
11
  1. Замок зажигания в положении "OFF".
  2. Жгут проводов модуля контрольной лампы АБС и жгут проводов hecu остаются отсоединенными.
  3. Подключить омметр к контакту e жгута проводов модуля контрольной лампы АБС, а затем к контакту 16 жгута проводов hecu.
Находится ли сопротивление в требуемом диапазоне?
Меньше 2 ом.
Перейти к операции 13
Перейти к операции 12
12
Устранить обрыв или высокое сопротивление между модулем контрольной лампы АБС и hecu.
-
Система в норме
-
13
Заменить модуль контрольной лампы АБС.
Закончен ли ремонт?
-
Система в норме
Перейти к операции 14
14
Заменить комбинацию приборов в сборе.
-
Система в норме
-

КОНТРОЛЬНАЯ ЛАМПА ТОРМОЗА НЕ ГОРИТ / НЕТ ДИАГНОСТИЧЕСКОГО КОДА НЕИСПРАВНОСТИ


U4A14F51
Показать иллюстрациюПеревод текста в иллюстрациях


Описание схемы

Контроллер гидравлического блока (HECU) управляет красной контрольной лампой тормоза с помощью модуля управления лампами, установленного на панели комбинации приборов.
Напряжение аккумулятора подается на контакт B9 комбинации приборов, а при включении зажигания - на контакт 4 HECU. Напряжение на контакты 9 и 25 HECU подается постоянно.
При подаче блоком HECU команды на выключение контрольной лампы тормоза, HECU подключает к "массе" цепь управления контрольной лампой тормоза. Это приводит к тому, что модуль управления лампами подключает лампу к "массе".
При повороте замка зажигания в положение "ON", HECU включает контрольную лампу тормоза на 3 секунды с целью ее проверки.
При обнаружении какой-либо неисправности в тормозной системе в целом или в DDRP, HECU включает контрольную лампу тормоза, сообщая водителю о необходимости выполнения проверки тормозной системы или DDRP.

Указания по диагностике

Типичные причины неисправности "Контрольная лампа тормоза не горит / нет диагностического кода неисправности""
  1. Перегорела контрольная лампа тормоза / плохой контакт в патроне.
  2. Перегорел плавкий предохранитель приборной панели.
  3. Неисправность комбинации приборов / модуля управления лампами.
  4. Неисправен hecu.
  5. Замыкание на "массу" между HECU и комбинацией приборов.

Контрольная лампа тормоза не горит / нет диагностического кода неисправности

ШагОперацияЗначенияДаНет
1
Проверка цепи диагностики выполнена?
-
Перейти к операции 3
Перейти к операции 2
2
Выполнить проверку цепи диагностики.
Найдена неисправность?
-
Перейти к операции 3
Система в норме
3
  1. Отсоединить от hecu жгут проводов.
  2. Замок зажигания в положении "ON".
Контрольная лампа тормоза загорелась?
-
Перейти к операции 4
Перейти к операции 5
4
Заменить hecu.
-
Система в норме
-
5
Проверить плавкий предохранитель комбинации приборов.
Плавкий предохранитель и контакт исправны?
-
Перейти к операции 7
Перейти к операции 6
6
Заменить плавкий предохранитель и (или) отремонтировать контакты.
Если перегорел плавкий предохранитель, то найти короткое замыкание, ставшей причиной этого.
-
Система в норме
-
7
Извлечь из комбинации приборов лампу накаливания контрольной лампы тормоза и проверить, не перегорела ли лампа и исправен ли контакт патрона.
Патрон и лампа накаливания исправны?
-
Перейти к операции 9
Перейти к операции 8
8
Заменить лампу накаливания или патрон.
-
Система в норме
-
9
  1. Замок зажигания в положении "OFF".
  2. Жгут проводов hecu остается отсоединенным.
  3. Снять комбинацию приборов с приборной панели.
  4. Отсоединить от комбинации приборов разъем жгута проводов.
  5. Замок зажигания в положении "ON".
  6. Подключить вольтметр к контакту b9 жгута проводов комбинации приборов, а затем к "массе" на кузове.
Находится ли напряжение в требуемом диапазоне?
Напряжение аккумулятора
Перейти к операции 11
Перейти к операции 10
10
Найти и устранить причину пониженного напряжения на контакте питания комбинации приборов.
-
Система в норме
-
11
  1. Замок зажигания в положении "OFF".
  2. Отсоединить от комбинации приборов разъем жгута проводов.
  3. Подключить омметр к контакту b8 жгута проводов комбинации приборов и к контакту c модуля контрольной лампы АБС.
Находится ли сопротивление в требуемом диапазоне?
Меньше 2 ом.
Перейти к операции 13
Перейти к операции 12
12
Устранить обрыв или высокое сопротивление между комбинацией приборов и модулем контрольной лампы АБС.
-
Система в норме
-
13
  1. Замок зажигания в положении "OFF".
  2. Жгут проводов модуля контрольной лампы АБС и жгут проводов hecu остаются отсоединенными.
  3. Подключить омметр к контакту 16 жгута проводов hecu, а затем к "массе" на кузове.
Находится ли сопротивление в требуемом диапазоне?
ОЦ (обрыв цепи)
Перейти к операции 15
Перейти к операции 14
14
Найти и устранить замыкание на "массу" между жгутом проводов модуля контрольной лампы АБС и жгутом проводов HECU.
-
Система в норме
-
15
Заменить модуль контрольной лампы АБС.
Закончен ли ремонт?
-
Система в норме
Перейти к операции 16
16
Заменить комбинацию приборов в сборе.
-
Система в норме
-


На предыдущую страницуНа следующую страницу
https://vnx.su/ 🛠 Руководства по ремонту и эксплуатации для автомобилей

Поиск по сайту

Остались вопросы или пожелания? Пишите на почту: support@vnx.su

Карта Сайта