К началу документа
Matiz
На предыдущую страницуНа следующую страницу
Главная страница GMDEЗагрузить нединамическое оглавлениеЗагрузить динамическое оглавлениеПомощь

ТЕХНИЧЕСКОЕ ОБСЛУЖИВАНИЕ И РЕМОНТ

РАБОТЫ НА АВТОМОБИЛЕ

ПРАВИЛА БЕЗОПАСНОСТИ ПРИ ОБСЛУЖИВАНИИ

Внимание! Модуль датчиков и диагностики (SDM) может сохранять достаточное напряжение для приведения в действие подушек безопасности и натяжителей в течение 1 минуты после выключения зажигания и удаления предохранителя подушек безопасности. Если подушки безопасности и натяжители не отсоединены, не начинайте обслуживание, пока не пройдет одна минута после отключения питания от модуля SDM. Если подушки безопасности отсоединены, обслуживание можно начинать сразу же, без минутного периода ожидания. Несоблюдение требования о временном отключении системы подушек безопасности (SIR) может привести к неожиданному срабатыванию подушек безопасности, травмам и излишним работам по ремонту системы подушек безопасности.

Отключение надувных подушек безопасности (sir)

  1. Установите рулевое колесо в центральное положение.
  2. Поверните ключ зажигания в положение lock и выньте его.
  3. Вынуть предохранитель подушек безопасности f11 из блока предохранителей приборной панели и выждать не менее минуты, чтобы разрядился конденсатор системы подушек безопасности (sir).

Включение надувных подушек безопасности (sir)

  1. Установить предохранитель подушек безопасности f11 в блок предохранителей приборной панели.
  2. Установите ключ зажигания в положение on и проследите за тем, чтобы контрольная лампа подушек безопасности мигнула семь раз и выключилась. Если контрольная лампа ведет себя иначе, выполните проверку диагностической системы надувных подушек безопасности (SIR), о которой говорится в этом разделе.
  3. Внимание! Поворачивая ключ зажигания, держитесь на расстоянии от модулей надувных подушек во избежание травм.

Обращение, установка и диагностика

Ремонтные работы и осмотры, необходимые после аварии

    Внимание! Любой ремонт конструкции автомобиля должен возвращать его к первоначальной заводской конфигурации. После срабатывания подушек безопасности необходимо заменить модуль датчиков и диагностики (SDM) и модули подушек безопасности, а также провести контроль размеров рулевой колонки.

Замена сработавших при аварии компонентов подушек безопасности

    После лобового столкновения, при котором произошло срабатывание подушек безопасности, все компоненты системы подушек безопасности (SIR) необходимо заменить. После срабатывания на поверхности подушки безопасности может оставаться порошкообразный осадок. Этот осадок состоит в основном из кукурузного крахмала (который служит смазкой для надувающейся подушки) и побочных продуктов химической реакции. В качестве побочного продукта реакции при срабатывании образуется пылевидный гидроксид натрия (обладает щелочными свойствами). Гидроксид натрия после срабатывания быстро реагирует с атмосферной влагой и превращается в карбонат натрия и бикарбонат натрия (т.н. питьевую соду). Таким образом, присутствие гидроксида натрия после срабатывания подушки безопасности маловероятно. Замените следующие компоненты системы надувных подушек безопасности (SIR).

    Внимание! В процессе утилизации пользуйтесь перчатками и защитными очками. См. "Процедура утилизации сработавшего модуля подушки безопасности" в этом разделе.

Осмотр не сработавших при аварии компонентов подушек безопасности

    После любого столкновения необходимо выполнить ряд проверок, независимо от того, сработали подушки безопасности или нет:

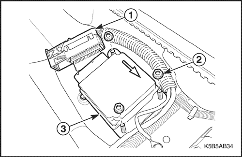
Модуль датчиков и диагностики (sdm)

Внимание! В процессе обслуживания обращаться с модулем датчиков и диагностики (SDM) очень осторожно. Не ударять и не встряхивать SDM. Никогда не подключать питание к системе SIR, если модуль SDM не соединен жестко с автомобилем. Чтобы система надувных подушек безопасности (SIR) работала правильно, все болты крепления модуля датчиков и диагностики SDM должны быть тщательно затянуты, а стрелка на SDM должна быть направлена к передней части автомобиля. При недостаточно жестком креплении модуля SDM к автомобилю включенный модуль может сработать, что приведет к неожиданному выпуску подушек безопасности и может повлечь травму.

Важно: Если в салон автомобиля попало большое количество воды, например, в результате протечек, проезда через глубокую воду, наводнения или других причин, может потребоваться замена модуля датчиков и диагностики (SDM) и разъема SDM. Установив зажигание в положении OFF, осмотрите область вокруг модуля SDM, включая коврик. Если имеется существенное намокание или признаки намокания в прошлом, необходимо удалить воду, устранить вызванные водой повреждения и заменить модуль SDM и разъем SDM. Прежде чем приступать к устранению каких-либо из этих неисправностей, необходимо отключить систему надувных подушек безопасности (SIR). См. "Отключение надувных подушек безопасности (SIR)" в этом разделе.



K5B5AB34
Показать иллюстрациюПеревод текста в иллюстрациях


Процедура снятия

  1. Отключите систему надувных подушек безопасности (sir). См. "Отключение системы надувных подушек безопасности" в этом разделе.
  2. Снять напольную консоль. См. Раздел 9G, Облицовка салона.
  3. Снимите фиксатор положения разъема, привязанный к разъему модуля датчиков и диагностики (sdm).
  4. Снять модуль sdm.


K5B5AB35
Показать иллюстрациюПеревод текста в иллюстрациях


Замечания по установке

  1. Установить модуль sdm
  2. Затянуть
    Затянуть гайки крепления модуля SDM моментом 10 Н•м (89 lb-in).

  3. Установить фиксатор разъема.
  4. Установить напольную консоль. См. Раздел 9G, Облицовка салона.
  5. Включить систему надувных подушек безопасности (sir). См. "Включение системы надувных подушек безопасности" в этом разделе.
  6. Внимание! Чтобы система надувных подушек безопасности (SIR) работала правильно, все болты крепления модуля датчиков и диагностики SDM должны быть тщательно затянуты, а стрелка на SDM должна быть направлена к передней части автомобиля. При недостаточно жестком креплении модуля SDM к автомобилю включенный модуль может сработать, что приведет к неожиданному выпуску подушек безопасности и может повлечь травму.



K5B5AB17
Показать иллюстрациюПеревод текста в иллюстрациях


Модуль подушки безопасности водителя

Процедура снятия

  1. Отсоединить провод от отрицательного вывода аккумуляторной батареи.
  2. Внимание! Модуль датчиков и диагностики (SDM) может сохранять достаточное напряжение для приведения в действие подушек безопасности в течение 1 минуты после выключения зажигания и удаления предохранителя подушек безопасности. Если подушки безопасности не отсоединены, не начинайте обслуживание, пока не пройдет одна минута после отключения питания от модуля SDM. Если подушки безопасности отсоединены, обслуживание можно начинать сразу же, без минутного периода ожидания. Несоблюдение требования о временном отключении системы подушек безопасности (SIR) может привести к неожиданному срабатыванию подушек безопасности, травмам и излишним работам по ремонту системы подушек безопасности.

  3. Снять два модуля подушек безопасности водителя.


  4. K5B5AB18
    Показать иллюстрациюПеревод текста в иллюстрациях


    Внимание! При любых операциях с модулем подушки безопасности всегда держите его верхней частью вверх. В этом случае при случайном срабатывании модуля у надувной подушки будет место для расширения. Если места для расширения не будет, отброшенный в направлении человека или какого-либо предмета модуль может вызвать травму или повреждение автомобиля.



K5B5AB19
Показать иллюстрациюПеревод текста в иллюстрациях


Процедура установки

  1. Подключить разъемы модуля подушки безопасности водителя и клаксона.
  2. Закрепить модуль подушки безопасности водителя болтами.
  3. Затянуть
    Затянуть болты крепления модуля подушки безопасности водителя моментом 12 Н•м (106 lb-in).

  4. Присоединить провод к отрицательному выводу аккумуляторной батареи.


K5B5AB20
Показать иллюстрациюПеревод текста в иллюстрациях


Часовая пружина

Процедура снятия

    Внимание! Модуль датчиков и диагностики (SDM) может сохранять достаточное напряжение для приведения в действие подушек безопасности в течение 1 минуты после выключения зажигания и удаления предохранителя подушек безопасности. Если подушки безопасности не отсоединены, не начинайте обслуживание, пока не пройдет одна минута после отключения питания от модуля SDM. Если подушки безопасности отсоединены, обслуживание можно начинать сразу же, без минутного периода ожидания. Несоблюдение требования о временном отключении системы SRS во время обслуживания может привести к ее неожиданному срабатыванию, травмам и излишним работам по ремонту системы SRS.

  1. Отсоединить провод от отрицательного вывода аккумуляторной батареи.
  2. Снять модуль подушки безопасности водителя. См. "Модуль подушки безопасности водителя" в этом разделе.
  3. Снять рулевое колесо. См. Раздел 6E, Рулевое колесо и рулевая колонка.
  4. Снять крышку рулевой колонки. См. Раздел 6E, Рулевое колесо и рулевая колонка.
  5. Снять часовую пружину.


  6. K5B5AB21
    Показать иллюстрациюПеревод текста в иллюстрациях




K5B5AB23
Показать иллюстрациюПеревод текста в иллюстрациях


Процедура установки

  1. Закрепить часовую пружину винтами.
  2. Затянуть
    Затянуть винты крепления часовой пружины моментом 1,25 Н•м (11,25 lb-in).

  3. Подключить разъемы часовой пружины и клаксона.
  4. Установить часовую пружину в правильное положение. См. "Регулировка часовой пружины" в этом разделе.
  5. Установить крышку рулевой колонки. См. Раздел 6E, Рулевое колесо и рулевая колонка.
  6. Установить рулевое колесо. См. Раздел 6E, Рулевое колесо и рулевая колонка.
  7. Установить модуль подушки безопасности водителя. См. "Модуль подушки безопасности водителя" в этом разделе.
  8. Присоединить провод к отрицательному выводу аккумуляторной батареи.
  9. Внимание! Неправильно отрегулированная часовая пружина может препятствовать полному повороту рулевого колеса во время поворота. Ограничение поворота рулевого колеса может привести к аварии автомобиля. Неправильная регулировка часовой пружины также может привести к неработоспособности системы надувных подушек безопасности (SIR), в результате чего подушка безопасности не сработает при аварии. Обе ситуации могут привести к травмам.



K5B5AB22
Показать иллюстрациюПеревод текста в иллюстрациях


Регулировка часовой пружины

    Примечание: При повороте часовой пружины более чем на три оборота по часовой стрелке или против часовой стрелки часовая пружина может быть повреждена.

  1. Установить передние колеса прямо вперед.
  2. Поверните лепесток часовой пружины по часовой стрелке до упора (не прикладывайте силу).
  3. При установленных точно вперед колесах поверните лимб часовой пружины по часовой стрелке примерно на три оборота до нейтрального положения.
  4. Совместите должным образом указатели на компонентах часовой пружины.


K5B5AB24
Показать иллюстрациюПеревод текста в иллюстрациях


Модуль подушки безопасности пассажира

Процедура снятия

    Внимание! Модуль датчиков и диагностики (SDM) может сохранять достаточное напряжение для приведения в действие подушек безопасности в течение 1 минуты после выключения зажигания и удаления предохранителя подушек безопасности. Если подушки безопасности не отсоединены, не начинайте обслуживание, пока не пройдет одна минута после отключения питания от модуля SDM. Если подушки безопасности отсоединены, обслуживание можно начинать сразу же, без минутного периода ожидания. Несоблюдение требования о временном отключении системы подушек безопасности (SIR) может привести к неожиданному срабатыванию подушек безопасности, травмам и излишним работам по ремонту системы подушек безопасности.



    K5B5AB25
    Показать иллюстрациюПеревод текста в иллюстрациях


  1. Отсоединить провод от отрицательного вывода аккумуляторной батареи.
  2. Снять "бардачок". См. 9E, Приборы/Информация для водителя.
  3. Снять "бардачок". См. 9E, Приборы/Информация для водителя.
  4. Снять средний молдинг щитка управления с приборной панели. См. 9E, Приборы/Информация для водителя.
  5. Отсоедините желтый электрический разъем подушки безопасности пассажира.
  6. Снять модуль подушки безопасности пассажира.


  7. K5B5AB26
    Показать иллюстрациюПеревод текста в иллюстрациях


  8. Сдвиньте модуль подушки безопасности пассажира вверх и снимите его с приборной панели.


K5B5AB27
Показать иллюстрациюПеревод текста в иллюстрациях


Процедура установки

  1. Установить модуль подушки безопасности пассажира.
  2. Затянуть
    Затянуть крепежный болт моментом 12 Н•м (106 lb-in).

    Затянуть
    Затянуть гайку крепления модуля SDM моментом 10 Н•м (89 lb-in).



    K5B5AB28
    Показать иллюстрациюПеревод текста в иллюстрациях




    K5B5AB29
    Показать иллюстрациюПеревод текста в иллюстрациях


  3. Подключить разъем модуля подушки безопасности пассажира.
  4. Установить средний молдинг щитка управления. См. Раздел 9E, Приборы/Информация для водителя.
  5. Установить "бардачок". См. Раздел 9E, Приборы/Информация для водителя.
  6. Присоединить провод к отрицательному выводу аккумуляторной батареи.


K5B5AB30
Показать иллюстрациюПеревод текста в иллюстрациях


Датчик бокового столкновения

Процедура снятия

    Внимание! Модуль датчиков и диагностики (SDM) может сохранять достаточное напряжение для приведения в действие подушек безопасности и натяжителей в течение 1 минуты после выключения зажигания и удаления предохранителя. Если подушки безопасности и натяжители не отсоединены, не начинайте обслуживание, пока не пройдет одна минута после отключения питания от SDM. Если подушки безопасности отсоединены, обслуживание можно начинать сразу же, без минутного периода ожидания. Несоблюдение требования о временном отключении системы подушек безопасности (SIR) может привести к неожиданному срабатыванию подушек безопасности, травмам и излишним работам по ремонту системы подушек безопасности.

  1. Отсоедините провод от отрицательного вывода аккумулятора.
  2. Снять нижнюю панель облицовки центральной стойки. См. Раздел 9G, Облицовка салона.
  3. Отключить разъем датчика бокового столкновения.
  4. Удалить болты крепления датчика бокового столкновения.


K5B5AB31
Показать иллюстрациюПеревод текста в иллюстрациях


Процедура установки

  1. Установить датчик бокового столкновения.
  2. Затянуть
    Затянуть крепежный болт моментом 10 Н•м (89 lb-in).

  3. Установите нижнюю панель облицовки центральной стойки. См. Раздел 9G, Облицовка салона.
  4. Присоединить провод к отрицательному выводу аккумуляторной батареи.

Натяжитель переднего ремня безопасности

Снятие и установка. См. Раздел 8A, Ремни безопасности.

СРАБАТЫВАНИЕ МОДУЛЯ ПОДУШКИ БЕЗОПАСНОСТИ (ВНУТРИ АВТОМОБИЛЯ)

    Перед утилизацией подушек безопасности выпустите их. Если автомобиль предназначен для утилизации, подушки безопасности можно выпустить внутри автомобиля.

    Внимание! Во избежание травм при срабатывании подушек безопасности или натяжителей ремней безопасности внутри автомобиля соблюдайте следующие меры предосторожности:



K5B5AB05
Показать иллюстрациюПеревод текста в иллюстрациях


Процедура срабатывания

    Внимание! Модуль датчиков и диагностики (SDM) может сохранять достаточное напряжение для приведения в действие подушек безопасности в течение 1 минуты после выключения зажигания и удаления предохранителя подушек безопасности. Если подушки безопасности не отсоединены, не начинайте обслуживание, пока не пройдет одна минута после отключения питания от модуля SDM. Если подушки безопасности отсоединены, обслуживание можно начинать сразу же, без минутного периода ожидания. Несоблюдение требования о временном отключении системы подушек безопасности (SIR) может привести к неожиданному срабатыванию подушек безопасности, травмам и излишним работам по ремонту системы подушек безопасности.

  1. Отсоедините оба провода аккумуляторной батареи и установите аккумуляторную батарею на расстоянии не менее 10 метров (33 фута) от автомобиля.
  2. Снимите коленный буфер со стороны водителя или нижнюю крышку приборной панели с рулевой колонки. См. Раздел 9G, Облицовка салона.
  3. В нижней части рулевой колонки перережьте два провода, идущие от жгута проводки системы надувных подушек безопасности (sir) к часовой пружине.
  4. Зачистите на 13 мм (0.5 дюйма) концы проводов, идущих к часовой пружине.
  5. Используйте два дополнительных провода длиной не менее 10 метров (33 фута) каждый, чтобы соединить модуль подушки безопасности с аккумуляторной батареей, которая будет использоваться для срабатывания подушек.
  6. Зачистите на 13 мм (0.5 дюйма) концы этих дополнительных проводов.
  7. Соединить эти два провода вместе на одном конце скруткой.
  8. Соединить эти два провода вместе на одном конце скруткой.
  9. Поместить скрученные концы этих проводов рядом с аккумуляторной батареей, которая будет использоваться для срабатывания подушки. Не подключать провода к аккумуляторной батарее на этом этапе.
  10. Свободные концы указанных проводов длиной 10 м (33 фута) срастите со свободными концами проводов, идущих к часовой пружине, по одному концу к каждому проводу от модуля подушки безопасности.
  11. Оберните сращенные провода изоляционной лентой.
  12. Теперь свободные концы проводов длиной 10 метров (33 фута) сращены с проводами от модуля подушки безопасности, а скрученные вместе концы этих проводов находятся рядом с аккумуляторной батареей, которая будет использоваться для срабатывания. Удалить людей из зоны работ.
  13. Раскрутите концы проводов, расположенные рядом с аккумуляторной батареей, которая будет использоваться для срабатывания.
  14. Коснитесь одним проводом положительного вывода аккумуляторной батареи, а другим проводом - отрицательного вывода аккумуляторной батареи. Подушка безопасности сработает.
  15. Повторите эту процедуру для подушки безопасности пассажира и натяжителей ремней безопасности.
  16. Соблюдая надлежащие меры предосторожности, утилизируйте сработавшие подушки безопасности и натяжители ремней безопасности. См. "Процедура утилизации сработавшего модуля подушки безопасности" в этом разделе.

Срабатывание модуля подушки безопасности (снаружи автомобиля)

    Если автомобиль находится на гарантии, прежде чем приводить в действие модули подушек безопасности, обратитесь к региональному сервисному менеджеру Daewoo за разрешением или специальными инструкциями.
    Модули подушек безопасности следует приводить в действие в следующих ситуациях:

    Внимание! Во избежание травм при срабатывании модуля подушки безопасности или натяжителя ремня безопасности снаружи автомобиля соблюдайте следующие меры предосторожности:

  1. Расположите модуль подушки безопасности передней стороной вверх, на плоской площадке вне помещения, на расстоянии не менее 10 метров (33 фута) от любых препятствий и людей.
  2. Расположите модуль подушки безопасности передней стороной вверх, на плоской площадке вне помещения, на расстоянии не менее 10 метров (33 фута) от любых препятствий и людей.
  3. Установить автомобильную аккумуляторную батарею на расстоянии не менее 10 метров (33 фута) от модуля подушки безопасности.
  4. Приведите в действие модуль подушки безопасности в соответствии с изложенной ниже процедурой.
  5. Разрежьте желтые провода, идущие к модулю подушки безопасности/натяжителю ремня безопасности.
  6. Зачистите на 13 мм (0.5 дюйма) концы проводов, идущих к модулю подушки безопасности/натяжителю ремня безопасности.
  7. Используйте два дополнительных провода длиной не менее 10 метров (33 фута) каждый, чтобы соединить модуль подушки безопасности/натяжитель ремня безопасности с аккумуляторной батареей, которая будет использоваться для срабатывания.
  8. Зачистите на 13 мм (0.5 дюйма) концы этих дополнительных проводов.
  9. Соединить эти два провода вместе на одном конце скруткой.
  10. Поместить скрученные концы этих проводов рядом с аккумуляторной батареей, которая будет использоваться для срабатывания подушки. Не подключать провода к аккумуляторной батарее на этом этапе.
  11. Свободные концы указанных проводов длиной 10 м (33 фута) срастите со свободными концами проводов от подушки безопасности/натяжителя ремня безопасности, по одному концу к каждому проводу от модуля подушки безопасности.
  12. Обернуть места соединения проводов изоляционной лентой.
  13. Теперь свободные концы проводов длиной 10 метров (33 фута) сращены с проводами от модуля подушки безопасности/натяжителя ремня безопасности, а скрученные вместе концы этих проводов находятся рядом с аккумуляторной батареей, которая будет использоваться для срабатывания. Удалите людей из зоны работ.
  14. Раскрутите концы проводов, расположенные рядом с аккумуляторной батареей, которая будет использоваться для срабатывания.
  15. Коснитесь одним проводом положительного вывода аккумуляторной батареи, а другим проводом - отрицательного вывода аккумуляторной батареи. Модуль подушки безопасности/натяжителя ремня безопасности сработает.
  16. Соблюдая надлежащие меры предосторожности, утилизируйте сработавшие модули подушек безопасности/натяжители ремней безопасности. См. "Процедура утилизации сработавшего модуля подушки безопасности" в этом разделе.



Показать иллюстрациюПеревод текста в иллюстрациях


Процедура утилизации сработавшего модуля подушки безопасности

    Внимание! После срабатывания на поверхности подушки безопасности может оставаться порошкообразный осадок. Этот осадок состоит в основном из кукурузного крахмала (который служит смазкой для надувающейся подушки) и побочных продуктов химической реакции. В качестве побочного продукта реакции при срабатывании образуется пылевидный гидроксид натрия (обладает щелочными свойствами). Гидроксид натрия после срабатывания быстро реагирует с атмосферной влагой и превращается в карбонат натрия и бикарбонат натрия (т.н. питьевую соду). Таким образом, присутствие гидроксида натрия после срабатывания подушки безопасности маловероятно.

    Внимание! В процессе утилизации пользуйтесь перчатками и защитными очками.

    Внимание! После срабатывания металлические поверхности модуля подушки безопасности имеют высокую температуру. Во избежание травм и возгорания не помещайте сработавший модуль подушки безопасности рядом с огнеопасными объектами и дайте ему остыть в течение 30 минут, прежде чем предпринимать какие-либо дальнейшие действия.




    Показать иллюстрациюПеревод текста в иллюстрациях


    Перед утилизацией подушки безопасности или натяжителя ремня безопасности приведите их в действие. Это касается и ситуации, когда весь автомобиль целиком предназначен для утилизации. Если автомобиль еще находится на гарантии, прежде чем приводить в действие модуль подушки безопасности или натяжитель ремня безопасности, обратитесь к региональному сервисному менеджеру Daewoo за разрешением или специальными инструкциями. Сработавший модуль подушки безопасности или натяжитель ремня безопасности утилизируйте в таком же порядке, как и любой другой машинный лом, с добавлением следующих шагов:
  1. Поместите сработавшую подушку безопасности или натяжитель ремня безопасности в прочный пакет из полимерной пленки.
  2. Надежно запечатать пакет.
  3. После работы со сработавшей подушкой безопасности вымыть руки и ополоснуть их водой.
  4. Теперь свободные концы проводов длиной 10 метров (33 фута) сращены с проводами от модуля подушки безопасности, а скрученные вместе концы этих проводов находятся рядом с аккумуляторной батареей, которая будет использоваться для срабатывания. Удалить людей из зоны работ.

Ремонт проводки системы надувных подушек безопасности (sir)

Ремонт разъема

Внимание! Прежде чем приступать к устранению каких-либо неисправностей, необходимо отключить систему SRS. Инструкции по отключению системы надувных подушек безопасности приведены в главе "Отключение системы надувных подушек безопасности" в этом разделе.

Контакты системы надувных подушек безопасности (SIR) изготовлены из специального металла, обеспечивающего надежный контакт, необходимый для чувствительных низковольтных схем. Эти контакты поставляются только в составе комплектов для ремонта разъемов. Не используйте какие-либо другие контакты, кроме тех, которые поставляются в составе комплектов.

Ремонт проводки

Внимание! Перед любым ремонтом необходимо отключить систему надувных подушек безопасности (SIR). Инструкции по отключению системы надувных подушек безопасности приведены в главе "Отключение системы надувных подушек безопасности" в этом разделе.

Не ремонтировать провода дополнительной системы пассивной безопасности (SRS). Поврежденные провода заменять новыми.


На предыдущую страницуНа следующую страницу
https://vnx.su/ 🛠 Руководства по ремонту и эксплуатации для автомобилей

Поиск по сайту

Остались вопросы или пожелания? Пишите на почту: support@vnx.su

Карта Сайта