К началу документа
Matiz
На предыдущую страницуНа следующую страницу
Главная страница GMDEЗагрузить нединамическое оглавлениеЗагрузить динамическое оглавлениеПомощь

РАЗДЕЛ 9E

ПРИБОРЫ/СИСТЕМА ИНФОРМИРОВАНИЯ ВОДИТЕЛЯ

Внимание! Отсоедините провод от отрицательного вывода аккумулятора, прежде чем снимать или устанавливать какие-либо электрические устройства, а также в ситуации, когда есть возможность касания оголенных электрических контактов каким-либо инструментом или приспособлением. Отсоединение этого провода позволяет избежать травм и повреждения оборудования автомобиля. Кроме того, если не указано иное, зажигание должно находиться в положении LOCK.

ТЕХНИЧЕСКИЕ ХАРАКТЕРИСТИКИ

Моменты затяжки резьбовых соединений

ПРОГРАММА
Н•м
фунт-фут
фунт-дюйм
Винты решетки переднего обогревателя
3
-
27
Винты комбинации измерителей
4
-
35
Болты панели приборов
6
-
53
Винты панели приборов
3
-
27
Болты и гайки коленной защиты
13
-
115
Болты поперечины
13
-
115

Технические характеристики контрольных ламп комбинации приборов

Контрольная лампа
Цвет
Лампа
Предупреждение антиблокировочной системы
Желтый
Диод
Предупреждение о подушке безопасности
Красный
Диод
Индикатор заряда аккумуляторной батареи
Красный
Диод
Предупреждение о пристегивании ремней безопасности
Красный
Диод
Индикатор дальнего света
Синий
14 В 3 Вт
Предупреждение о низком уровне топлива
Желтый
14 В 3 Вт
Предупреждение о давлении масла
Красный
Диод
Индикатор стояночного тормоза и предупреждение о тормозной жидкости
Красный
Диод
Проверка двигателя/предупреждение индикатора неисправности mil
Желтый
Диод
Индикаторы указателей поворота
Зеленый
14 В 1,4 Вт
Подсветка комбинации приборов
Синий
12 В 3,8 Вт
Индикатор задних противотуманных фонарей
Желтый
Диод

ПРИНЦИПИАЛЬНЫЕ И МОНТАЖНЫЕ СХЕМЫ

Комбинация измерителей


K5B19E20
Показать иллюстрациюПеревод текста в иллюстрациях


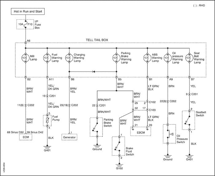
Коробка сигналов включения (1 из 2)


K5B19E21
Показать иллюстрациюПеревод текста в иллюстрациях


Коробка сигналов включения (2 из 2)


K5B19E22
Показать иллюстрациюПеревод текста в иллюстрациях


Цепь регулирования подсветки (только правостороннее управление)


K5B19B34
Показать иллюстрациюПеревод текста в иллюстрациях


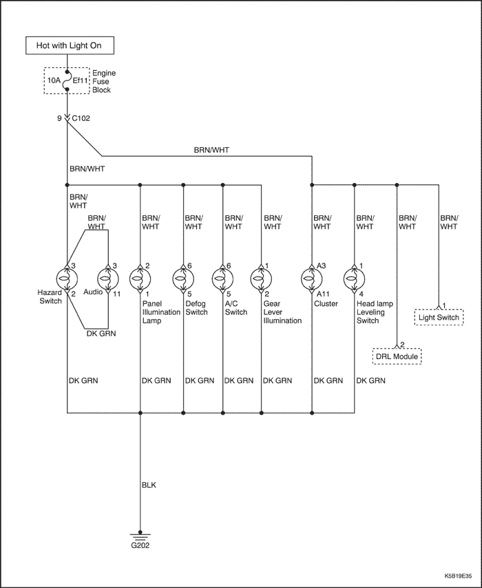
Подсветка панели приборов


K5B19E35
Показать иллюстрациюПеревод текста в иллюстрациях


ДИАГНОСТИКА


K5B19E36
Показать иллюстрациюПеревод текста в иллюстрациях


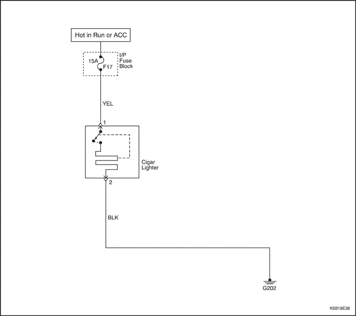
Прикуриватель

Прикуриватель не работает

ШагОперацияЗначенияДаНет
1
Проверить предохранитель f17.
Перегорел ли предохранитель?
-
Перейдите на Шаг 2
Перейдите на Шаг 3
2
  1. Проверьте на предмет короткого замыкания и при необходимости устраните его.
  2. Замените предохранитель.
Ремонт закончен?
-
Система в норме
-
3
  1. Перевести ключ зажигания в положение acc.
  2. С помощью вольтметра проверить напряжение на предохранителе f17.
Соответствует ли подаваемое батареей напряжение на предохранителе f17 указанному значению?
11~14 В
Перейдите на Шаг 5
Перейдите на Шаг 4
4
Устранить разрыв цепи подачи электропитания на предохранитель f17.
Ремонт закончен?
-
Система в норме
-
5
  1. Снять электрический разъем с обратной стороны прикуривателя.
  2. Перевести ключ зажигания в положение acc.
  3. С помощью вольтметра проверить напряжение на ЖЕЛ проводе.
Соответствует ли подаваемое батареей напряжение на ЖЕЛ проводе указанному значению?
11~14 В
Перейдите на Шаг 7
Перейдите на Шаг 6
6
Устранить разрыв цепи между предохранителем f17 и прикуривателем.
Ремонт закончен?
-
Система в норме
-
7
Поместив ключ зажигания в положение acc, подключить вольтметр между ЖЕЛ и ЧЕР проводами в разъеме прикуривателя.
Соответствует ли подаваемое батареей напряжение указанному значению?
11~14 В
Перейдите на Шаг 9
Перейдите на Шаг 8
8
Устранить разрыв цепи массы.
Ремонт закончен?
-
Система в норме
-
9
Заменить прикуриватель.
Ремонт закончен?
-
Система в норме
-

Спидометр

Спидометр не работает, другие приборы и контрольные лампы исправны

ШагОперацияЗначенияДаНет
1
  1. Подключить сканирующий инструмент.
  2. Проверить наличие кодов неисправности диагностики управления двигателем.
Заданы ли диагностические коды неисправности датчика скорости автомобиля?
-
Перейдите к
Перейдите на Шаг 2
2
  1. Выключите зажигание.
  2. Отсоединить разъем модуля управления двигателем.
  3. Снимите приборную панель.
  4. Проверить отсутствие обрывов цепи между выводом k21 ecm (51; sirius d42) и выводом a15 разъёма комбинации приборов.
Показывает ли омметр указанное значение?
0 Ом
Перейдите на Шаг 4
Перейдите на Шаг 3
3
Устранить разрыв цепи между выводом А15 разъёма комбинации измерителей и ecm.
Ремонт закончен?
-
Система в норме
-
4
Заменить спидометр.
Ремонт закончен?
-
Система в норме
-

Указатель уровня топлива

Указатель уровня топлива не работает, другие приборы и контрольные лампы исправны

ШагОперацияЗначенияДаНет
1
  1. Подключить сканирующий инструмент.
  2. Проверить наличие кодов неисправности диагностики управления двигателем.
Заданы ли диагностические коды неисправности датчика скорости автомобиля?
-
Перейдите к
Перейдите на Шаг 2
2
  1. Выключите зажигание.
  2. Отсоединить разъем модуля управления двигателем.
  3. Снимите приборную панель.
  4. Проверить отсутствие обрывов цепи между выводом k64 ecm (40; sirius d42) и выводом a17 разъёма комбинации измерителей.
Показывает ли омметр указанное значение?
0 Ом
Перейдите на Шаг 4
Перейдите на Шаг 3
3
Устранить разрыв цепи между выводом А17 разъёма комбинации приборов и выводом 64 ecm (40; sirius d42).
Ремонт закончен?
-
Система в норме
-
4
Заменить указатель уровня топлива.
Ремонт закончен?
-
Система в норме
-

Контрольные лампы комбинации измерителей

Лампы комбинации измерителей не работают

ШагОперацияЗначенияДаНет
1
Проверить предохранитель ef11.
Перегорел ли предохранитель ef11?
-
Перейдите на Шаг 2
Перейдите на Шаг 3
2
  1. Проверьте на предмет короткого замыкания и при необходимости устраните его.
  2. Заменить перегоревший предохранитель.
Ремонт закончен?
-
Система в норме
-
3
  1. Установите зажигание в положение on.
  2. Проверить напряжение на предохранителе ef11.
Соответствует ли подаваемое батареей напряжение указанному значению?
11~14 В
Перейдите на Шаг 5
Перейдите на Шаг 4
4
Устранить разрыв цепи подачи электропитания на предохранитель ef11.
Ремонт закончен?
-
Система в норме
Перейдите на Шаг 3
5
  1. Снимите приборную панель.
  2. Отсоединить разъем комбинации приборов.
  3. Установите зажигание в положение on.
  4. Проверить напряжение на выводе a3 и a11.
Соответствует ли подаваемое батареей напряжение указанному значению?
11~14 В
Перейдите на Шаг 7
Перейдите на Шаг 6
6
Устранить разрыв цепи между предохранителем ef11 и А3 и А11 разъема комбинации измерителей.
Ремонт закончен?
-
Система в норме
-
7
Проверить контрольные лампы комбинации приборов.
Исправны ли лампы?
-
Перейдите на Шаг 9
Перейдите на Шаг 8
8
  1. Заменить неисправные лампы.
  2. Проверить систему зарядки и убедиться в том, что генератор не дает избыточную зарядку.
  3. При необходимости отремонтировать зарядную систему.
Ремонт закончен?
-
Система в норме
-
9
Замените приборную панель.
Ремонт закончен?
-
Система в норме
-


На предыдущую страницуНа следующую страницу
https://vnx.su/ 🛠 Руководства по ремонту и эксплуатации для автомобилей

Поиск по сайту

Остались вопросы или пожелания? Пишите на почту: support@vnx.su

Карта Сайта