К началу документа
Matiz
На предыдущую страницуНа следующую страницу
Главная страница GMDEЗагрузить нединамическое оглавлениеЗагрузить динамическое оглавлениеПомощь

РАЗДЕЛ 8B

СИСТЕМА НАДУВНЫХ ПОДУШЕК БЕЗОПАСНОСТИ

Внимание! Отсоединить провод от отрицательного вывода аккумулятора, прежде чем снимать или устанавливать какие-либо электрические устройства, а также в ситуации, когда есть возможность касания оголенных электрических контактов каким-либо инструментом или приспособлением. Отсоединение этого провода позволяет избежать травм и повреждения оборудования автомобиля. Если не указано иное, зажигание также должно находиться в положении LOCK

ТЕХНИЧЕСКИЕ ХАРАКТЕРИСТИКИ

Общие технические характеристики

ПРОГРАММА
Описание
Время срабатывания системы подушек безопасности
<20 мс
Время срабатывания датчиков
<5 мс
Рабочая температура
-30°c~85°c
Температура хранения
-30°c~85°c
Диапазон напряжений
9~16 В
Потребляемый ток
5 мс после установки ключа зажигания в положение on <1 А
5 мс - 5 с <300 мА, после 5 с <100 мА
Диапазон ускорений
+/- 50g
Максимальное ускорение
+/- 600 g импульсное
Скорость нарастания напряжения
0,2~2,0 В/с
Сохранение энергии (минимум)
150 мс после отсоединения аккумуляторной батареи
Энергия воспламенения устройства надувания системы безопасности
4,3 мДж
Сопротивление воспламенителя
2.0 +/- 0.3Ом
Время горения контрольной лампы подушки безопасности (при зажигании в положении on)
7 с

Моменты затяжки резьбовых соединений

ПРОГРАММА
Н·м
фунт-фут
фунт-дюйм
Винты крепления часовой пружины
1.25
-
11.25
Болты крепления модуля подушки безопасности водителя
12
-
106
Болты крепления модуля подушки безопасности пассажира
15
11
-
Гайки крепления модуля подушки безопасности пассажира
10
-
89
Болты крепления датчика бокового столкновения
10
-
89
Гайки крепления модуля датчиков и диагностики (sdm)
10
-
89

СПЕЦИАЛЬНЫЕ ИНСТРУМЕНТЫ

ТАБЛИЦА СПЕЦИАЛЬНЫХ ИНСТРУМЕНТОВ


K5B5AB38
Показать иллюстрациюПеревод текста в иллюстрациях


Диагностический прибор

ПРИНЦИПИАЛЬНЫЕ И МОНТАЖНЫЕ СХЕМЫ

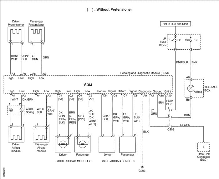
Система надувных подушек безопасности


K5B18B01
Показать иллюстрациюПеревод текста в иллюстрациях


РАСПОЛОЖЕНИЕ КОМПОНЕНТОВ

Расположение компонентов системы надувных подушек безопасности (sir)


K5B5AB16
Показать иллюстрациюПеревод текста в иллюстрациях


  1. Модуль подушки безопасности водителя
  2. Часовая пружина
  3. Натяжитель
  4. Модуль датчиков и диагностики (sdm)
  5. Модуль подушки безопасности пассажира
  6. Модуль боковой подушки безопасности
  7. Датчик бокового столкновения

ДИАГНОСТИКА

Диагностический код неисправности (dtc)

Когда модуль датчиков и диагностики (SDM) обнаруживает какую-либо неполадку, он включает индикатор AIRBAG и записывает в память диагностические коды неисправности (DTC). Любой поиск неисправностей в системе надувных подушек безопасности (SIR) необходимо начинать с проверки диагностической системы SIR. Проверка системы диагностики с помощью диагностического прибора позволяет считать диагностические коды неисправности (DTC). Диагностический прибор также проверяет правильность работы контрольной лампы подушки безопасности.
Система записывает два типа диагностических кодов неисправности:
  1. Активные диагностические коды неисправности (dtc) характеризуют неполадки, зарегистрированные в течение текущего цикла работы зажигания. Активные DTC хранятся в ЗУ с произвольным доступом (RAM).
  2. Архивные dtc характеризуют неполадки, зарегистрированные с момента последней очистки архивного ЗУ. Архив диагностических кодов неисправности хранится в электрически стираемом ПЗУ (EPROM).

Таблица диагностических кодов неисправности

Диагностический код неисправности (dtc)
Описание
b0016
Короткое замыкание цепи срабатывания подушки безопасности пассажира
b0017
Разрыв цепи срабатывания подушки безопасности пассажира
b0018
Напряжение цепи срабатывания подушки безопасности пассажира вне допустимого диапазона
b0022
Короткое замыкание цепи срабатывания подушки безопасности водителя
b0024
Напряжение цепи срабатывания подушки безопасности водителя вне допустимого диапазона
b0026
Разрыв цепи срабатывания подушки безопасности водителя
b0028
Короткое замыкание цепи срабатывания боковой подушки безопасности пассажира
b0029
Разрыв цепи срабатывания боковой подушки безопасности пассажира
b0030
Напряжение цепи срабатывания боковой подушки безопасности пассажира вне допустимого диапазона
b0040
Короткое замыкание цепи срабатывания боковой подушки безопасности водителя
b0041
Разрыв цепи срабатывания боковой подушки безопасности водителя
b0045
Напряжение цепи срабатывания боковой подушки безопасности водителя вне допустимого диапазона
b0051
Подана команда на срабатывание
b0053
Подана команда на срабатывание при неисправности цепи
b0057
Короткое замыкание в цепи срабатывания натяжителя ремня безопасности пассажира
b0058
Разрыв цепи срабатывания натяжителя ремня безопасности пассажира
b0059
Напряжение цепи срабатывания натяжителя ремня безопасности пассажира вне допустимого диапазона
b0061
Разрыв или короткое замыкание встроенной цепи лампы сигнализации
b0064
Короткое замыкание в цепи срабатывания натяжителя ремня безопасности водителя
b0065
Разрыв цепи срабатывания натяжителя ремня безопасности водителя
b0066
Напряжение цепи срабатывания натяжителя ремня безопасности водителя вне допустимого диапазона
b0077
Отказ датчика бокового столкновения со стороны водителя
b0078
Отказ датчика бокового столкновения со стороны пассажира
b0079
Неверный тип датчика бокового столкновения со стороны водителя
b0081
Неверный тип датчика бокового столкновения со стороны пассажира
b1000
Непригодный модуль датчиков и диагностики sdm - внутренняя ошибка

Диагностика с помощью диагностического прибора

Диагностический прибор считывает данные по последовательному каналу с вывода 2 разъема линии передачи данных (DLC). C помощью диагностического прибора можно считывать диагностические коды неисправности (DTC) и стирать некоторые DTC после завершения ремонта. Конструкция системы не позволяет стирать диагностические коды неисправности DTC B0051 и B0053. Диагностический код неисправности DTC B0061, если он был зарегистрирован модулем SDM, невозможно стереть в течение цикла работы зажигания.
Для использования диагностического прибора установите зажигание в положение OFF, подключите диагностический прибор к разъему линии передачи данных (DLC) и установите зажигание в положение ON.
Следуйте инструкциям руководства к диагностическому прибору. Данные последовательного интерфейса поступают с вывода A11 модуля датчиков и диагностики (SDM) на вывод 2 разъема линии передачи данных (DLC).

ПРИМЕНЕНИЕ СПЕЦИАЛЬНЫХ ИНСТРУМЕНТОВ

Для считывания и удаления диагностических кодов неисправности (DTC) используется диагностический прибор. Для удобства подключения к маленьким контактам при проверке предусмотрен комплект переходников для разъемов с перемычками и адаптерами. При диагностическом тестировании вместо модулей подушек безопасности подключайте нагрузочный прибор или резистор-заглушку.

Проверка диагностики системы надувных подушек безопасности (sir)

Примечание: Если в салон автомобиля попало большое количество воды, например, в результате протечек, проезда через глубокую воду, наводнения или других причин, может потребоваться замена модуля датчиков и диагностики (SDM) и разъема SDM. Установив зажигание в положении OFF, осмотрите область вокруг модуля SDM, включая коврик. Если имеется существенное намокание или признаки намокания в прошлом, необходимо удалить воду, устранить вызванные водой повреждения и заменить модуль SDM и разъем SDM. Прежде чем приступать к устранению каких-либо из этих неисправностей, необходимо отключить систему надувных подушек безопасности (SIR). Инструкции по отключению системы надувных подушек безопасности и замене модуля датчиков и диагностики см. в главах "Отключение системы надувных подушек безопасности (SIR)" и "Модуль датчиков и диагностики (SDM)" в этом разделе.

Примечание: Любой поиск неисправностей в системе надувных подушек безопасности (SIR) необходимо начинать с проверки диагностической системы SIR. Проверка системы диагностики с помощью диагностического прибора позволяет считать диагностические коды неисправности (DTC).

Примечание: В этом разделе описаны диагностические процедуры для выявления состояний системы SIR, требующих ремонта. Для получения наилучших результатов важно пользоваться диагностическими картами и следовать указанной ниже последовательности действий.

  1. Выполнить проверку диагностической системы sir с помощью диагностического прибора и считать диагностические коды неисправности (dtc). Одновременно проверяется правильность работы индикатора AIRBAG.
  2. См. соответствующую диагностическую карту в соответствии с процедурой проверки диагностической системы системы надувных подушек безопасности (SIR). Пропуск этих процедур может привести к увеличению затрат времени на диагностику, неправильному определению неисправностей и ошибочной замене запасных частей.
  3. Повторяйте проверку диагностической системы надувных подушек безопасности (sir) после любого ремонта или диагностики, чтобы удостовериться, что ремонт проведен правильно и нет других неполадок.

Описание цепи

При первой установке ключа зажигания в положение ON напряжение зажигания с предохранителя подушки безопасности поступает на вход A10 модуля датчиков и диагностики (SDM). Модуль SDM выполняет проверку системы надувных подушек безопасности, семь раз включает и выключает контрольную лампу подушек безопасности и затем выключает ее.

Рекомендации по диагностике

Очень важен порядок исследования диагностических кодов неисправности. Несоблюдение указанного порядка рассмотрения диагностических кодов неисправности может привести к увеличению затрат времени на диагностику, неправильному определению неисправностей и ошибочной замене запасных частей.

Проверка диагностики системы надувных подушек безопасности (sir)

Внимание! Модуль датчиков и диагностики (SDM) может сохранять достаточное напряжение для приведения в действие подушек безопасности и натяжителей в течение 1 минуты после выключения зажигания и удаления предохранителя. Если подушки безопасности и натяжители не отсоединены, не начинайте обслуживание, пока не пройдет одна минута после отключения питания от модуля SDM. Несоблюдение этого требования может привести к травмам.

Внимание! В процессе обслуживания обращаться с модулем датчиков и диагностики (SDM) очень осторожно. Не ударять и не встряхивать SDM. Никогда не подключать питание к системе надувных подушек безопасности (SIR), если SDM не соединен жестко с автомобилем. Чтобы система надувных подушек безопасности (SIR) работала правильно, все болты крепления модуля датчиков и диагностики SDM должны быть тщательно затянуты, а стрелка на SDM должна быть направлена к передней части автомобиля. При недостаточно жестком креплении модуля SDM к автомобилю включенный модуль может сработать, что приведет к неожиданному выпуску подушек безопасности и может повлечь травму.

ШагОперацияЗначенияДаНет
1
  1. Поверните ключ зажигания в положение on.
  2. При включении зажигания следите за индикатором airbag.
Мигнул ли индикатор семь раз?
-
Система в норме
Перейти на Шаг 2
2
  1. Поверните ключ зажигания в положение lock и выньте его.
  2. Подключите диагностический прибор к разъему линии передачи данных (dlc). Следуйте инструкциям руководства к диагностическому прибору.
Работает ли диагностическая система sir?
-
Перейти на Шаг 13
Перейти на Шаг 3
3
Проверить предохранитель f11 во внутреннем блоке плавких предохранителей.
Предохранитель f11 перегорел?
-
Перейти на Шаг 4
Перейти на Шаг 5
4
Заменить предохранитель f11.
-
-
-
5
  1. Отключить разъем c203.
  2. Проверить, нет ли замыкания проводки на массу между предохранителем f11 и выводом 1 разъема c203.
  3. Есть замыкание проводки? Если есть, исправьте проводку.
-
-
Перейти на Шаг 6
6
  1. Отсоединить разъем от модуля SDM.
  2. Отсоединить разъем от модуля sdm.
  3. Проверить, нет ли замыкания проводки на массу между выводом A10 разъема модуля SDM и выводом 1 разъема C203.
  4. Проверить, нет ли замыкания проводки на массу между выводом a10 разъема модуля sdm и выводом 1 разъема c203.
Есть замыкание проводки? Если есть, замените проводку надувной подушки безопасности.
-
-
Перейти на Шаг 7
7
  1. Проверить, нет ли разрыва цепи между выводами 4, 5 разъема линии передачи данных (dlc) и массой g201.
Есть разрыв цепи? Если есть, исправьте проводку.
-
-
Перейти на Шаг 8
8
  1. Удостоверьтесь, что зажигание находится в положении on.
  2. Проверить питание диагностического прибора.
Поступает ли нужное напряжение на диагностический прибор?
-
Перейти на Шаг 10
Перейти на Шаг 9
9
Исправить питание диагностического прибора.
Ремонт закончен?
-
Перейдите на Шаг 1
-
10
  1. Проверить, нет ли замыкания проводки на массу или разрыва в цепи между выводом 2 разъема C203 и выводом 2 разъема линии передачи данных (DLC).
  2. Проверить, нет ли замыкания проводки на массу или разрыва в цепи между выводом 2 разъема c203 и выводом 2 разъема линии передачи данных (dlc).
  3. Проводка разорвана или закорочена?
  4. Проводка разорвана или закорочена?
-
Перейти на Шаг 11
Перейти на Шаг 12
11
Отремонтируйте проводку
-
-
-
12
  1. Проверить, нет ли замыкания проводки на массу или разрыва в цепи между выводом 2 разъема c203 и выводом a11 модуля датчиков и диагностики (sdm).
Проводка разорвана или закорочена?
-
Замените проводку надувной подушки безопасности
Заменить модуль датчиков и диагностики.
13
  1. Проверить показания диагностического прибора.
Показывает ли диагностический прибор какие-либо диагностические коды неисправностей (dtc)?
-
Переходите к процедуре проверки диагностического кода неисправности (dtc)
Система в норме

Проверка целостности модуля датчиков и диагностики (sdm)

Используйте следующую диагностическую карту, если в результате прохождения соответствующей диагностической карты диагностических кодов неисправности установлено, что все цепи вне модуля датчиков и диагностики (SDM) исправны. Данная карта позволяет определить необходимость замены модуля SDM.

Описание цепи

Когда модуль датчиков и диагностики (SDM) обнаруживает напряжение зажигания свыше 9 В на выводе A10 модуля SDM, индикатор AIRBAG мигает семь раз, подтверждая нормальную работу. При этом SDM производит начальные проверки, затем измеряет сопротивления и переходит к постоянному мониторингу. При обнаружении неисправности модуль SDM записывает текущий диагностический код неисправности (DTC) и включает индикатор AIRBAG. Если неисправность больше не наблюдается и/или зажигание выключается и включается вновь, SDM стирает текущие коды DTC и переписывает их в архивный файл, за исключением кодов 51 и 53. Диагностический прибор не удаляет коды DTC 51 и 53, поскольку эти коды требуют замены SDM. Замена SDM производится только после устранения неисправности, которая привела к возникновению данного диагностического кода неисправности (DTC).

Проверка целостности модуля датчиков и диагностики (sdm)

Внимание! Модуль датчиков и диагностики (SDM) может сохранять достаточное напряжение для приведения в действие подушек безопасности и натяжителей в течение 1 минуты после выключения зажигания и удаления предохранителя. Если подушки безопасности и натяжители не отсоединены, не начинайте обслуживание, пока не пройдет одна минута после отключения питания от модуля SDM. Несоблюдение этого требования может привести к травмам.

Внимание! В процессе обслуживания обращайтесь с модулем датчиков и диагностики (SDM) очень осторожно. Не ударяйте и не встряхивайте SDM. Никогда не подключайте питание к системе надувных подушек безопасности (SIR), если SDM не соединен жестко с автомобилем. Чтобы система надувных подушек безопасности (SIR) работала правильно, все болты крепления модуля датчиков и диагностики SDM должны быть тщательно затянуты, а стрелка на SDM должна быть направлена к передней части автомобиля. При недостаточно жестком креплении модуля SDM к автомобилю включенный модуль может сработать, что приведет к неожиданному выпуску подушек безопасности и может повлечь травму.

ШагОперацияЗначенияДаНет
1
  1. Поверните ключ зажигания в положение lock и выньте его.
  2. Подключить все компоненты системы надувных подушек безопасности и удостоверьтесь, что все компоненты смонтированы правильно.
  3. Проследите, чтобы ключ зажигания находился в выключенном положении в течение не менее чем 30 секунд.
  4. При включении зажигания следите за индикатором airbag.
Индикатор мигнул семь раз и выключился?
-
Удалите диагностические коды неисправности (dtc) системы надувных подушек безопасности (sir) и перейдите к пункту "Проверка диагностической системы"
Перейти на Шаг 2
2
  1. Поверните ключ зажигания в положение lock и выньте его.
  2. Подключите диагностический прибор к разъему линии передачи данных (dlc). Следуйте инструкциям руководства к диагностическому прибору.
  3. Установите зажигание в положение on.
  4. Считайте диагностические коды неисправности системы надувных полушек безопасности с помощью диагностического прибора.
Выводится ли тот же самый код dtc, что и при предыдущей проверке диагностической системы sir?
-
Перейти на Шаг 3
Перейти к таблице для указанного диагностического кода неисправности (dtc).
3
  • Сотрите диагностические коды неисправности системы надувных подушек безопасности.
  • Выключите зажигание не менее чем на 30 секунд.
  • При включении зажигания следите за индикатором airbag.
Индикатор airbag мигнул семь раз и выключился?
-
Система в норме
Перейти на Шаг 4
4
  1. Поверните ключ зажигания в положение lock и выньте его.
  2. Отключите разъем модуля датчиков и диагностики (sdm).
  3. Заменить модуль датчиков и диагностики.
  4. Подключите разъем модуля датчиков и диагностики (sdm) и удостоверьтесь, что все компоненты смонтированы правильно.
Ремонт закончен?
-
Перейти к пункту "Проверка диагностической системы"
-


На предыдущую страницуНа следующую страницу
https://vnx.su/ 🛠 Руководства по ремонту и эксплуатации для автомобилей

Поиск по сайту

Остались вопросы или пожелания? Пишите на почту: support@vnx.su

Карта Сайта