Контрольная лампа подушки безопасности продолжает гореть при включенном зажигании
Описание схемы
Индикатор AIRBAG продолжает гореть, если разъем модуля датчиков и диагностики (SDM) плохо подключен к SDM. В разъеме SDM имеется закорачивающая перемычка, которая замыкает цепь индикаторной лампы на массу. При надлежащем подключении разъема перемычка размыкается.
При первой установке ключа зажигания в положение ON напряжение зажигания поступает через предохранитель приборной панели на индикаторную лампу, а также через предохранитель подушки безопасности на вход A10. Если напряжение зажигания находится вне диапазона от 9 до 16 В, индикатор AIRBAG загорается и продолжает гореть; при этом диагностические коды неисправности (DTC) не записываются. Индикатор AIRBAG может также продолжать гореть в результате короткого замыкания между модулем SDM и индикаторной лампой.
Контрольная лампа подушки безопасности продолжает гореть при включенном зажигании
Внимание! Модуль датчиков и диагностики (SDM) может сохранять достаточное напряжение для приведения в действие подушек безопасности и натяжителей в течение 1 минуты после выключения зажигания и удаления предохранителя. Если подушки безопасности и натяжители не отсоединены, не начинайте обслуживание, пока не пройдет одна минута после отключения питания от модуля SDM. Несоблюдение этого требования может привести к травмам.
Шаг
Операция
Значения
Да
Нет
1
Проверьте, правильно ли разъем модуля датчиков и диагностики (sdm) подключен к sdm.
Правильно ли подключен разъем модуля sdm?
-
Перейти на Шаг 3
Перейти на Шаг 2
2
Подключите разъем модуля датчиков и диагностики (sdm).
Ремонт закончен?
-
Система в норме
-
3
Выключить зажигание.
Отключите разъем модуля датчиков и диагностики (sdm).
Установить зажигание в положение on.
Проверить напряжение на выводе a10 разъема модуля sdm.
Диагностический код неисправности удален?
9 В
Перейти к пункту "Проверка целостности модуля SDM"
Перейти на Шаг 4
4
Установить зажигание в положение on.
Проверить подачу напряжения на предохранитель подушек безопасности f11.
Находится ли напряжение в указанном диапазоне?
9-16 В
Перейти на Шаг 6
Перейти на Шаг 5
5
Исправьте цепь подачи питания на предохранитель подушек безопасности.
Ремонт закончен?
-
Система в норме
-
6
Проверьте предохранитель подушек безопасности.
Предохранитель исправен?
-
Перейти на Шаг 8
Перейти на Шаг 7
7
Заменить предохранитель подушек безопасности f11.
Ремонт закончен?
-
Система в норме
-
8
Поверните ключ зажигания в положение lock и выньте его.
Отключите разъем модуля датчиков и диагностики (sdm).
Проверить на разрыв цепь между выводом a10 модуля sdm и предохранителем подушек безопасности f11.
Цепь разомкнута?
-
Перейти на Шаг 9
Перейти на Шаг 10
9
Устранить разрыв цепи между модулем sdm и предохранителем подушек безопасности f11.
Ремонт закончен?
-
Система в норме
-
10
Устраните замыкание на массу между индикаторной лампой airbag и выводом a18 модуля sdm.
Ремонт закончен?
-
Система в норме
-
Диагностический код неисправности (dtc) b0016
Короткое замыкание цепи срабатывания подушки безопасности пассажира
Описание схемы
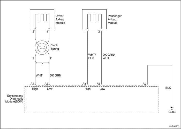
При установке ключа зажигания в положение ON модуль датчиков и диагностики (SDM) выполняет начальную проверку для выявления существенных неполадок внутри самого модуля SDM. После этих проверок модуль измеряет напряжения в цепях зажигания и срабатывания подушек безопасности, проверяя, что они находятся в номинальных диапазонах. Затем модуль SDM выполняет измерение сопротивлений. Вывод нижнего уровня каждого устройства надувания заземлен через сток тока, а вывод верхнего уровня подключен к источнику тока, который может пропускать через устройство надувания ток известной величины. Контролируя разность напряжений между выводами верхнего и нижнего уровня устройства надувания, модуль SDM вычисляет суммарное сопротивление модуля подушки безопасности, жгута проводки и контактов разъема.
Диагностический код неисправности dtc b0016 записывается, когда
Сопротивление цепи срабатывания подушки безопасности пассажира ниже 1,3 Ом в 5 последовательных циклах проверки.
Рекомендации по диагностике
Нестабильное состояние скорее всего может быть вызвано коротким замыканием между цепями верхнего и нижнего уровня подушки безопасности пассажира.
dtc b0016 - Короткое замыкание цепи срабатывания подушки безопасности пассажира
Внимание! Модуль датчиков и диагностики (SDM) может сохранять достаточное напряжение для приведения в действие подушек безопасности и натяжителей в течение 1 минуты после выключения зажигания и удаления предохранителя. Если подушки безопасности и натяжители не отсоединены, не начинайте обслуживание, пока не пройдет одна минута после отключения питания от SDM. Несоблюдение этого требования может привести к травмам.
Внимание! В процессе обслуживания обращайтесь с модулем датчиков и диагностики (SDM) очень осторожно. Не ударяйте и не встряхивайте SDM. Никогда не подключайте питание к системе надувных подушек безопасности (SIR), если SDM не соединен жестко с автомобилем. Чтобы система надувных подушек безопасности (SIR) работала правильно, все болты крепления модуля датчиков и диагностики SDM должны быть тщательно затянуты, а стрелка на SDM должна быть направлена к передней части автомобиля. При недостаточно жестком креплении модуля SDM к автомобилю включенный модуль может сработать, что приведет к неожиданному выпуску подушек безопасности и может повлечь травму.
Внимание! Никогда не измерять сопротивление модуля подушки безопасности омметром. Батарея омметра может вызвать срабатывание подушки безопасности, которое приведет к травме.
Шаг
Операция
Значения
Да
Нет
1
Удостоверьтесь, что ключ зажигания находится в положении off.
Подождать 1 минуту, чтобы разрядить заряд блока питания модуля датчиков и диагностики.
-
Перейти на Шаг 2
-
2
Осмотреть разъем и проводку подушки безопасности пассажира.
Разъем подушки безопасности отключен или проводка повреждена?
-
Перейти на Шаг 3
Перейти на Шаг 4
3
Подключить разъем или заменить проводку подушки безопасности.
Выполните проверку диагностической системы надувных подушек безопасности (sir).
Диагностический код неисправности удален?
-
Система в норме
Перейти на Шаг 4
4
Удостоверьтесь, что ключ зажигания находится в положении off.
Отключите разъем модуля подушки безопасности пассажира.
Отключите разъем проводки модуля датчиков и диагностики (sdm).
Проверить сопротивление между выводами 1 и 2 модуля подушки безопасности пассажира.
Сопротивление близко к ∞?
∞
Перейти на Шаг 5
Замените проводку надувной подушки безопасности.
5
Заменить модуль датчиков и диагностики.
Удостоверьтесь, что ключ зажигания находится в положении on.
Сотрите диагностический код неисправности с помощью диагностического прибора.
Выполните проверку диагностической системы надувных подушек безопасности (sir).
Диагностический код неисправности удален?
-
Система в норме
Заменить модуль подушки безопасности пассажира.
Диагностический код неисправности (dtc) b0017
Разрыв цепи срабатывания подушки безопасности пассажира
Описание схемы
При установке ключа зажигания в положение ON модуль датчиков и диагностики (SDM) выполняет начальную проверку для выявления существенных неполадок внутри самого модуля SDM. После этих проверок модуль измеряет напряжения в цепях зажигания и срабатывания подушек безопасности, проверяя, что они находятся в номинальных диапазонах. Затем модуль SDM выполняет измерение сопротивлений. Вывод нижнего уровня A4 каждого устройства надувания заземлен через сток тока, а вывод верхнего уровня подключен к источнику тока, который может пропускать через устройство надувания ток известной величины. Контролируя разность напряжений между выводами верхнего и нижнего уровня устройства надувания, модуль SDM вычисляет суммарное сопротивление модуля подушки безопасности, жгута проводки и контактов разъема.
Диагностический код неисправности dtc 17 записывается, когда
Сопротивление цепи срабатывания подушки безопасности пассажира превышает 4,8 Ом в 5 последовательных циклах проверки.
Напряжение на выводе верхнего уровня цепи срабатывания подушки безопасности пассажира меньше 2,4 вольт, а сопротивление цепи срабатывания подушки безопасности пассажира равно или превышает 6 Ом в 5 последовательных циклах проверки.
Рекомендации по диагностике
Нестабильное состояние скорее всего вызвано плохим соединением либо в разъеме подушки безопасности пассажира, либо на выводах A3 и A4 модуля SDM. Разрыв проводки в цепи срабатывания подушки безопасности пассажира также приводит к появлению кода неисправности DTC B0017.
dtc b0017 - Разрыв цепи срабатывания подушки безопасности пассажира
Внимание! Модуль датчиков и диагностики (SDM) может сохранять достаточное напряжение для приведения в действие подушек безопасности и натяжителей в течение 1 минуты после выключения зажигания и удаления предохранителя. Если подушки безопасности и натяжители не отсоединены, не начинайте обслуживание, пока не пройдет одна минута после отключения питания от модуля SDM. Несоблюдение этого требования может привести к травмам.
Внимание! В процессе обслуживания обращаться с модулем датчиков и диагностики (SDM) очень осторожно. Не ударять и не встряхивать SDM. Никогда не подключать питание к системе надувных подушек безопасности (SIR), если SDM не соединен жестко с автомобилем. Чтобы система надувных подушек безопасности (SIR) работала правильно, все болты крепления модуля датчиков и диагностики SDM должны быть тщательно затянуты, а стрелка на SDM должна быть направлена к передней части автомобиля. При недостаточно жестком креплении модуля SDM к автомобилю включенный модуль может сработать, что приведет к неожиданному выпуску подушек безопасности и может повлечь травму.
Внимание! Никогда не измерять сопротивление модуля подушки безопасности омметром. Батарея омметра может вызвать срабатывание подушки безопасности, которое приведет к травме.
Шаг
Операция
Значения
Да
Нет
1
Удостоверьтесь, что ключ зажигания находится в положении off.
Подождите минуту, чтобы разрядить заряд блока питания модуля датчиков и диагностики.
-
Перейти на Шаг 2
-
2
Осмотреть разъем и проводку подушки безопасности пассажира.
Разъем подушки безопасности отключен или проводка повреждена?
-
Перейдите на Шаг 3
Перейдите на Шаг 4
3
Подключить разъем или заменить проводку надувной подушки безопасности.
Выполните проверку диагностической системы надувных подушек безопасности (sir).
Диагностический код неисправности удален?
-
Система в норме
Перейдите на Шаг 4
4
Удостоверьтесь, что ключ зажигания находится в положении off.
Отключите разъем модуля подушки безопасности пассажира.
Отключите разъем проводки модуля датчиков и диагностики (sdm).
Проверить сопротивление между выводами a4, a3 модуля датчиков и диагностики (sdm) и выводами 1, 2 модуля подушки безопасности пассажира.
Сопротивление близко к 0 (нулю)?
≈ 0 Ом
Перейдите на Шаг 5
Замените проводку надувной подушки безопасности.
5
Заменить модуль датчиков и диагностики.
Удостоверьтесь, что ключ зажигания находится в положении on.
Сотрите диагностический код неисправности с помощью диагностического прибора.
Выполните проверку диагностической системы надувных подушек безопасности (sir).
Диагностический код неисправности удален?
-
Система в норме
Заменить модуль подушки безопасности пассажира.
Диагностический код неисправности (dtc) b0018
Напряжение цепи срабатывания подушки безопасности пассажира вне допустимого диапазона
Описание схемы
При установке ключа зажигания в положение ON модуль датчиков и диагностики (SDM) выполняет начальную проверку для выявления существенных неполадок внутри самого SDM. После этих проверок модуль измеряет напряжения в цепях зажигания и срабатывания, проверяя, что они находятся в соответствующих номинальных диапазонах. Затем модуль SDM выполняет измерение сопротивлений. Вывод нижнего уровня каждого устройства надувания заземлен через сток тока, а вывод верхнего уровня подключен к источнику тока, который может пропускать через устройство надувания ток известной величины. Контролируя разность напряжений между выводами верхнего и нижнего уровня устройства надувания, модуль SDM вычисляет суммарное сопротивление модуля подушки безопасности, жгута проводки и контактов разъема.
Диагностический код неисправности dtc 16 записывается, когда
Напряжение на выводе верхнего уровня цепи срабатывания подушки безопасности пассажира превышает 7,5 В в 5 последовательных циклах проверки.
Напряжение на выводе верхнего уровня цепи срабатывания подушки безопасности пассажира меньше 1,5 вольт, а сопротивление цепи срабатывания подушки безопасности пассажира меньше 6 Ом в 5 последовательных циклах проверки.
Рекомендации по диагностике
Нестабильное состояние скорее всего вызвано замыканием на массу или напряжение питания провода верхнего или нижнего уровня подушки безопасности пассажира
dtc b0018 - Напряжение цепи срабатывания подушки безопасности пассажира вне допустимого диапазона
Внимание! Модуль датчиков и диагностики (SDM) может сохранять достаточное напряжение для приведения в действие подушек безопасности и натяжителей в течение 1 минуты после выключения зажигания и удаления предохранителя. Если подушки безопасности и натяжители не отсоединены, не начинайте обслуживание, пока не пройдет одна минута после отключения питания от модуля SDM. Несоблюдение этого требования может привести к травмам.
Внимание! В процессе обслуживания обращаться с модулем датчиков и диагностики (SDM) очень осторожно. Не ударять и не встряхивать SDM. Никогда не подключать питание к системе надувных подушек безопасности (SIR), если SDM не соединен жестко с автомобилем. Чтобы система надувных подушек безопасности (SIR) работала правильно, все болты крепления модуля датчиков и диагностики SDM должны быть тщательно затянуты, а стрелка на SDM должна быть направлена к передней части автомобиля. При недостаточно жестком креплении модуля SDM к автомобилю включенный модуль может сработать, что приведет к неожиданному выпуску подушек безопасности и может повлечь травму.
Внимание! Никогда не измерять сопротивление модуля подушки безопасности омметром. Батарея омметра может вызвать срабатывание подушки безопасности, которое приведет к травме.
Шаг
Операция
Значения
Да
Нет
1
Удостоверьтесь, что ключ зажигания находится в положении off.
Подождать 1 минуту, чтобы разрядить заряд блока питания модуля датчиков и диагностики.
-
Перейти на Шаг 2
-
2
Осмотреть разъем и проводку подушки безопасности пассажира.
Разъем подушки безопасности отключен или проводка повреждена?
-
Перейти на Шаг 3
Перейти на Шаг 4
3
Подключить разъем или заменить проводку надувной подушки безопасности.
Выполните проверку диагностической системы надувных подушек безопасности (sir).
Диагностический код неисправности удален?
∞
Система в норме
Перейти на Шаг 4
4
Удостоверьтесь, что ключ зажигания находится в положении off.
Отключите разъем модуля подушки безопасности пассажира.
Отключите разъем проводки модуля датчиков и диагностики (sdm).
Проверить сопротивление между выводами 1 и 2 модуля подушки безопасности пассажира и напряжением питания.
Сопротивление близко к ∞?
-
Перейти на Шаг 5
Замените проводку надувной подушки безопасности.
5
Проверить сопротивление между выводами 1 и 2 модуля подушки безопасности пассажира и массой.
Сопротивление близко к ∞?
∞
Перейти на Шаг 6
Замените проводку надувной подушки безопасности.
6
Заменить модуль датчиков и диагностики.
Удостоверьтесь, что ключ зажигания находится в положении on.
Сотрите диагностический код неисправности с помощью диагностического прибора.
Выполните проверку диагностической системы надувных подушек безопасности (sir).
Диагностический код неисправности удален?
-
Система в норме
Заменить проводку надувной подушки безопасности пассажира.
Диагностический код неисправности (dtc) b0022
Короткое замыкание цепи срабатывания подушки безопасности водителя
Описание схемы
При установке ключа зажигания в положение ON модуль датчиков и диагностики (SDM) выполняет начальную проверку для выявления существенных неполадок внутри самого модуля SDM. После этих проверок модуль измеряет напряжения в цепях зажигания и срабатывания подушек безопасности, проверяя, что они находятся в номинальных диапазонах. Затем модуль SDM выполняет измерение сопротивлений. Вывод нижнего уровня каждого устройства надувания заземлен через сток тока, а вывод верхнего уровня подключен к источнику тока, который может пропускать через устройство надувания ток известной величины. Контролируя разность напряжений между выводами верхнего и нижнего уровня устройства надувания, модуль SDM вычисляет суммарное сопротивление модуля подушки безопасности, жгута проводки и контактов разъема.
Диагностический код неисправности dtc b0022 записывается, когда
Сопротивление цепи срабатывания подушки безопасности водителя ниже 1,3 Ом.
Рекомендации по диагностике
Нестабильное состояние скорее всего может быть вызвано коротким замыканием между цепями верхнего и нижнего уровня подушки безопасности водителя.
dtc b0022 - Короткое замыкание цепи срабатывания подушки безопасности водителя
Внимание! Модуль датчиков и диагностики (SDM) может сохранять достаточное напряжение для приведения в действие подушек безопасности и натяжителей в течение 1 минуты после выключения зажигания и удаления предохранителя. Если подушки безопасности и натяжители не отсоединены, не начинайте обслуживание, пока не пройдет одна минута после отключения питания от SDM. Несоблюдение этого требования может привести к травмам.
Внимание! В процессе обслуживания обращайтесь с модулем датчиков и диагностики (SDM) очень осторожно. Не ударяйте и не встряхивайте SDM. Никогда не подключайте питание к системе надувных подушек безопасности (SIR), если SDM не соединен жестко с автомобилем. Чтобы система надувных подушек безопасности (SIR) работала правильно, все болты крепления модуля датчиков и диагностики SDM должны быть тщательно затянуты, а стрелка на SDM должна быть направлена к передней части автомобиля. При недостаточно жестком креплении модуля SDM к автомобилю включенный модуль может сработать, что приведет к неожиданному выпуску подушек безопасности и может повлечь травму.
Внимание! Никогда не измерять сопротивление модуля подушки безопасности омметром. Батарея омметра может вызвать срабатывание подушки безопасности, которое приведет к травме.
Шаг
Операция
Значения
Да
Нет
1
Удостоверьтесь, что ключ зажигания находится в положении off.
Подождать 1 минуту, чтобы разрядить заряд блока питания модуля датчиков и диагностики.
-
Перейти на Шаг 2
-
2
Осмотреть разъем и проводку подушки безопасности водителя.
Разъем подушки безопасности отключен или проводка повреждена?
-
Перейти на Шаг 3
Перейти на Шаг 4
3
Подключить разъем или заменить проводку надувной подушки безопасности.
Выполните проверку диагностической системы надувных подушек безопасности (sir).
Диагностический код неисправности удален?
-
Система в норме
Перейти на Шаг 4
4
Удостоверьтесь, что ключ зажигания находится в положении off.
Отключить разъем модуля подушки безопасности водителя.
Отключите разъем проводки модуля датчиков и диагностики (sdm).
Проверьте сопротивление между выводами 1 и 2 модуля подушки безопасности водителя.
Сопротивление близко к ∞?
∞
Перейти на Шаг 6
Перейти на Шаг 5
5
Отключите разъем часовой пружины.
Проверьте сопротивление между выводами 1 и 2 часовой пружины.
Сопротивление близко к ∞?
∞
Заменить часовую пружину.
Замените проводку надувной подушки безопасности.
6
Заменить модуль датчиков и диагностики.
Удостоверьтесь, что ключ зажигания находится в положении on.
Сотрите диагностический код неисправности с помощью диагностического прибора.
Выполните проверку диагностической системы надувных подушек безопасности (sir).
Диагностический код неисправности удален?
-
Система в норме
Заменить модуль подушки безопасности водителя.
Диагностический код неисправности (dtc) b0024
Напряжение цепи срабатывания подушки безопасности водителя вне допустимого диапазона
Описание схемы
При установке ключа зажигания в положение ON модуль датчиков и диагностики (SDM) выполняет начальную проверку для выявления существенных неполадок внутри самого модуля SDM. После этих проверок модуль измеряет напряжения в цепях зажигания и срабатывания, проверяя, что они находятся в соответствующих номинальных диапазонах. Затем модуль SDM выполняет измерение сопротивлений. Вывод нижнего уровня модуля подушки безопасности водителя заземлен через сток тока, а вывод верхнего уровня подключен к источнику тока, который может пропускать через модуль ток известной величины. Контролируя разность напряжений между выводами верхнего и нижнего уровня каждого устройства надувания, модуль SDM вычисляет суммарное сопротивление модуля подушки безопасности, часовой пружины, жгута проводки и контактов разъема.
Диагностический код неисправности dtc b0024 записывается, когда
Напряжение на выводе верхнего уровня цепи срабатывания подушки безопасности водителя превышает 7,5 В в 5 последовательных циклах проверки.
Напряжение на выводе верхнего уровня цепи срабатывания подушки безопасности водителя меньше 1,5 вольт, а сопротивление цепи срабатывания подушки безопасности водителя меньше 6 Ом в 5 последовательных циклах проверки.
Рекомендации по диагностике
Нестабильное состояние скорее всего вызвано замыканием на массу или напряжение питания провода верхнего или нижнего уровня подушки безопасности водителя.
dtc b0024 - Напряжение цепи срабатывания подушки безопасности водителя вне допустимого диапазона
Внимание! Модуль датчиков и диагностики (SDM) может сохранять достаточное напряжение для приведения в действие подушек безопасности и натяжителей в течение 1 минуты после выключения зажигания и удаления предохранителя. Если подушки безопасности и натяжители не отсоединены, не начинайте обслуживание, пока не пройдет одна минута после отключения питания от модуля SDM. Несоблюдение этого требования может привести к травмам.
Внимание! В процессе обслуживания обращаться с модулем датчиков и диагностики (SDM) очень осторожно. Не ударять и не встряхивать SDM. Никогда не подключать питание к системе надувных подушек безопасности (SIR), если SDM не соединен жестко с автомобилем. Чтобы система надувных подушек безопасности (SIR) работала правильно, все болты крепления модуля датчиков и диагностики SDM должны быть тщательно затянуты, а стрелка на SDM должна быть направлена к передней части автомобиля. При недостаточно жестком креплении модуля SDM к автомобилю включенный модуль может сработать, что приведет к неожиданному выпуску подушек безопасности и может повлечь травму.
Внимание! Никогда не измерять сопротивление модуля подушки безопасности омметром. Батарея омметра может вызвать срабатывание подушки безопасности, которое приведет к травме.
Шаг
Операция
Значения
Да
Нет
1
Удостоверьтесь, что ключ зажигания находится в положении off.
Подождать 1 минуту, чтобы разрядить заряд блока питания модуля датчиков и диагностики.
-
Перейти на Шаг 2
-
2
Осмотрите разъем и проводку подушки безопасности водителя.
Разъем подушки безопасности отключен или проводка повреждена?
-
Перейти на Шаг 3
Перейти на Шаг 4
3
Подключить разъем или заменить проводку надувной подушки безопасности.
Выполните проверку диагностической системы надувных подушек безопасности (sir).
Диагностический код неисправности удален?
-
Система в норме
Перейти на Шаг 4
4
Удостоверьтесь, что ключ зажигания находится в положении off.
Отключить разъем модуля подушки безопасности водителя.
Отключите разъем проводки модуля датчиков и диагностики (sdm).
Проверьте сопротивление между выводами 1 и 2 модуля подушки безопасности водителя и напряжением питания.
Сопротивление близко к ∞?
∞
Перейти на Шаг 5
Перейти на Шаг 6
5
Проверьте сопротивление между выводами 1 и 2 модуля подушки безопасности водителя и массой.
Сопротивление близко к ∞?
∞
Перейти на Шаг 8
Перейти на Шаг 7
6
Отключите разъем часовой пружины.
Проверьте сопротивление между выводами 1 и 2 часовой пружины и напряжением питания.
Сопротивление близко к ∞?
∞
Заменить часовую пружину.
Замените проводку надувной подушки безопасности.
7
Отключите разъем часовой пружины.
Проверьте сопротивление между выводами 1 и 2 часовой пружины и массой.
Сопротивление близко к ∞?
∞
Заменить часовую пружину.
Замените проводку надувной подушки безопасности.
8
Заменить модуль датчиков и диагностики.
Удостоверьтесь, что ключ зажигания находится в положении on.
Сотрите диагностический код неисправности с помощью диагностического прибора.
Выполните проверку диагностической системы надувных подушек безопасности (sir).
Диагностический код неисправности удален?
-
Система в норме
Заменить модуль подушки безопасности водителя.
Диагностический код неисправности (dtc) b0026
Разрыв цепи срабатывания подушки безопасности водителя
Описание схемы
При установке ключа зажигания в положение ON модуль датчиков и диагностики (SDM) выполняет начальную проверку для выявления существенных неполадок внутри самого модуля SDM. После этих проверок модуль измеряет напряжения в цепях зажигания и срабатывания, проверяя, что они находятся в соответствующих номинальных диапазонах. Затем модуль SDM выполняет измерение сопротивлений. Вывод нижнего уровня каждого устройства надувания заземлен через сток тока, а вывод верхнего уровня подключен к источнику тока, который может пропускать через устройство надувания ток известной величины. Контролируя разность напряжений между выводами верхнего и нижнего уровня каждого устройства надувания, модуль SDM вычисляет суммарное сопротивление модуля подушки безопасности водителя, часовой пружины, жгута проводки и контактов разъема.
Диагностический код неисправности dtc b0026 записывается, когда
Сопротивление цепи срабатывания подушки безопасности водителя превышает 4,8 Ом в 5 последовательных циклах проверки.
Напряжение на выводе верхнего уровня цепи срабатывания подушки безопасности водителя превышает 2,4 В, а сопротивление цепи срабатывания подушки безопасности водителя больше или равно 6 Ом в 5 последовательных циклах проверки.
Рекомендации по диагностике
Нестабильное состояние может скорее всего быть вызвано плохим контактом в разъеме подушки безопасности водителя или часовой пружины или на выводах A1 или A2 модуля SDM. К появлению диагностического кода DTC B0026 также может привести разрыв цепи срабатывания подушки безопасности водителя.
dtc b0026 - Разрыв цепи срабатывания подушки безопасности водителя
Внимание! Модуль датчиков и диагностики (SDM) может сохранять достаточное напряжение для приведения в действие подушек безопасности и натяжителей в течение 1 минуты после выключения зажигания и удаления предохранителя. Если подушки безопасности и натяжители не отсоединены, не начинайте обслуживание, пока не пройдет одна минута после отключения питания от модуля SDM. Несоблюдение этого требования может привести к травмам.
Внимание! В процессе обслуживания обращайтесь с модулем датчиков и диагностики (SDM) очень осторожно. Не ударяйте и не встряхивайте SDM. Никогда не подключайте питание к системе SRS, если модуль SDM не соединен жестко с автомобилем. Чтобы дополнительная система пассивной безопасности (SRS) работала правильно, все болты крепления модуля датчиков и диагностики SDM должны быть тщательно затянуты, а стрелка на SDM должна быть направлена к передней части автомобиля. При недостаточно жестком креплении модуля SDM к автомобилю включенный модуль может сработать, что приведет к неожиданному выпуску подушек безопасности и может повлечь травму.
Внимание! Никогда не измерять сопротивление модуля подушки безопасности омметром. Батарея омметра может вызвать срабатывание подушки безопасности, которое приведет к травме.
Шаг
Операция
Значения
Да
Нет
1
Удостоверьтесь, что ключ зажигания находится в положении off.
Подождать 1 минуту, чтобы разрядить заряд блока питания модуля датчиков и диагностики.
-
Перейти на Шаг 2
-
2
Осмотреть разъем и проводку подушки безопасности водителя.
Разъем подушки безопасности отключен или проводка повреждена?
-
Перейдите на Шаг 3
Перейдите на Шаг 4
3
Подключить разъем или заменить проводку надувной подушки безопасности.
Выполните проверку диагностической системы надувных подушек безопасности (sir).
Диагностический код неисправности удален?
-
Система в норме
Перейдите на Шаг 4
4
Удостоверьтесь, что ключ зажигания находится в положении off.
Отключить разъем модуля подушки безопасности водителя.
Отключите разъем проводки модуля датчиков и диагностики (sdm).
Проверить сопротивление между выводами a1, a2 модуля датчиков и диагностики (sdm) и выводами 2, 1 модуля подушки безопасности водителя.
Сопротивление близко к 0 (нулю)?
≈ 0 Ом
Перейти на Шаг 6
Перейдите на Шаг 5
5
Отключите разъем часовой пружины.
Проверить сопротивление между выводами a1, a2 модуля датчиков и диагностики (sdm) и выводами 1, 2 часовой пружины.
Сопротивление близко к 0 (нулю)?
≈ 0 Ом
Заменить часовую пружину.
Замените проводку надувной подушки безопасности.
6
Заменить модуль датчиков и диагностики.
Удостоверьтесь, что ключ зажигания находится в положении on.
Сотрите диагностический код неисправности с помощью диагностического прибора.
Выполните проверку диагностической системы надувных подушек безопасности (sir).
Диагностический код неисправности удален?
-
Система в норме
Заменить модуль подушки безопасности.
Диагностический код неисправности (dtc) b0028
Короткое замыкание цепи срабатывания боковой подушки безопасности пассажира
Описание схемы
При установке ключа зажигания в положение ON модуль датчиков и диагностики (SDM) выполняет начальную проверку для выявления существенных неполадок внутри самого модуля SDM. После этих проверок модуль измеряет напряжения в цепях зажигания и срабатывания подушек безопасности, проверяя, что они находятся в номинальных диапазонах. Затем модуль SDM выполняет измерение сопротивлений. Вывод нижнего уровня каждого устройства надувания заземлен через сток тока, а вывод верхнего уровня подключен к источнику тока, который может пропускать через устройство надувания ток известной величины. Контролируя разность напряжений между выводами верхнего и нижнего уровня устройства надувания, модуль SDM вычисляет суммарное сопротивление модуля подушки безопасности, жгута проводки и контактов разъема.
Диагностический код неисправности dtc b0028 записывается, когда
Сопротивление цепи срабатывания боковой подушки безопасности пассажира ниже 1,3 Ом.
Рекомендации по диагностике
Нестабильное состояние скорее всего может быть вызвано коротким замыканием между цепями верхнего и нижнего уровня подушки безопасности пассажира.
Внимание! Модуль датчиков и диагностики (SDM) может сохранять достаточное напряжение для приведения в действие подушек безопасности и натяжителей в течение 1 минуты после выключения зажигания и удаления предохранителя. Если подушки безопасности и натяжители не отсоединены, не начинайте обслуживание, пока не пройдет одна минута после отключения питания от SDM. Несоблюдение этого требования может привести к травмам.
Внимание! В процессе обслуживания обращайтесь с модулем датчиков и диагностики (SDM) очень осторожно. Не ударяйте и не встряхивайте SDM. Никогда не подключайте питание к системе надувных подушек безопасности (SIR), если SDM не соединен жестко с автомобилем. Чтобы система надувных подушек безопасности (SIR) работала правильно, все болты крепления модуля датчиков и диагностики SDM должны быть тщательно затянуты, а стрелка на SDM должна быть направлена к передней части автомобиля. При недостаточно жестком креплении модуля SDM к автомобилю включенный модуль может сработать, что приведет к неожиданному выпуску подушек безопасности и может повлечь травму.
Внимание! Никогда не измерять сопротивление модуля подушки безопасности омметром. Батарея омметра может вызвать срабатывание подушки безопасности, которое приведет к травме.
Шаг
Операция
Значения
Да
Нет
1
Удостоверьтесь, что ключ зажигания находится в положении off.
Подождать 1 минуту, чтобы разрядить заряд блока питания модуля датчиков и диагностики.
-
Перейти на Шаг 2
-
2
Осмотреть разъем и проводку боковой подушки безопасности пассажира.
Разъем подушки безопасности отключен или проводка повреждена?
-
Перейдите на Шаг 3
Перейдите на Шаг 4
3
Подключить разъем или заменить проводку надувной подушки безопасности.
Выполните проверку диагностической системы надувных подушек безопасности (sir).
Диагностический код неисправности удален?
-
Система в норме
Перейдите на Шаг 4
4
Удостоверьтесь, что ключ зажигания находится в положении off.
Отключите разъем модуля боковой подушки безопасности пассажира.
Отключите разъем проводки модуля датчиков и диагностики (sdm).
Проверьте сопротивление между выводами 1 и 2 модуля боковой подушки безопасности пассажира.
Сопротивление близко к ∞?
∞
Перейдите на Шаг 5
Замените проводку надувной подушки безопасности.
5
Заменить модуль датчиков и диагностики.
Удостоверьтесь, что ключ зажигания находится в положении on.
Сотрите диагностический код неисправности с помощью диагностического прибора.
Выполните проверку диагностической системы надувных подушек безопасности (sir).
Диагностический код неисправности удален?
-
Система в норме
Заменить модуль боковой подушки безопасности пассажира.
Диагностический код неисправности (dtc) b0029
Разрыв цепи срабатывания боковой подушки безопасности пассажира
Описание схемы
При установке ключа зажигания в положение ON модуль датчиков и диагностики (SDM) выполняет начальную проверку для выявления существенных неполадок внутри самого модуля SDM. После этих проверок модуль измеряет напряжения в цепях зажигания и срабатывания подушек безопасности, проверяя, что они находятся в номинальных диапазонах. Затем модуль SDM выполняет измерение сопротивлений. Вывод нижнего уровня C3 каждого устройства надувания заземлен через сток тока, а вывод верхнего уровня подключен к источнику тока, который может пропускать через устройство надувания ток известной величины. Контролируя разность напряжений между выводами верхнего и нижнего уровня устройства надувания, модуль SDM вычисляет суммарное сопротивление модуля подушки безопасности, жгута проводки и контактов разъема.
Диагностический код неисправности dtc b0029 записывается, когда
Сопротивление цепи срабатывания боковой подушки безопасности пассажира превышает 4,8 Ом в 5 последовательных циклах проверки.
Напряжение на выводе верхнего уровня цепи срабатывания боковой подушки безопасности пассажира меньше 2,4 вольт, а сопротивление цепи срабатывания боковой подушки безопасности пассажира равно или превышает 6 Ом в 5 последовательных циклах проверки.
Рекомендации по диагностике
Нестабильное состояние скорее всего вызвано плохим соединением либо в разъеме боковой подушки безопасности пассажира, либо на выводах C3 [A7] и C4 [A8] модуля SDM. Разрыв проводки в цепи срабатывания подушки безопасности пассажира также приводит к появлению кода неисправности DTC B0029.
dtc b0029 - Разрыв цепи срабатывания боковой подушки безопасности пассажира
Внимание! Модуль датчиков и диагностики (SDM) может сохранять достаточное напряжение для приведения в действие подушек безопасности и натяжителей в течение 1 минуты после выключения зажигания и удаления предохранителя. Если подушки безопасности и натяжители не отсоединены, не начинайте обслуживание, пока не пройдет одна минута после отключения питания от модуля SDM. Несоблюдение этого требования может привести к травмам.
Внимание! В процессе обслуживания обращаться с модулем датчиков и диагностики (SDM) очень осторожно. Не ударять и не встряхивать SDM. Никогда не подключать питание к системе надувных подушек безопасности (SIR), если SDM не соединен жестко с автомобилем. Чтобы система надувных подушек безопасности (SIR) работала правильно, все болты крепления модуля датчиков и диагностики SDM должны быть тщательно затянуты, а стрелка на SDM должна быть направлена к передней части автомобиля. При недостаточно жестком креплении модуля SDM к автомобилю включенный модуль может сработать, что приведет к неожиданному выпуску подушек безопасности и может повлечь травму.
Внимание! Никогда не измерять сопротивление модуля подушки безопасности омметром. Батарея омметра может вызвать срабатывание подушки безопасности, которое приведет к травме.
Шаг
Операция
Значения
Да
Нет
1
Удостоверьтесь, что ключ зажигания находится в положении off.
Подождать 1 минуту, чтобы разрядить заряд блока питания модуля датчиков и диагностики.
-
Перейти на Шаг 2
-
2
Осмотреть разъем и проводку боковой подушки безопасности пассажира.
Разъем подушки безопасности отключен или проводка повреждена?
-
Перейдите на Шаг 3
Перейдите на Шаг 4
3
Подключить разъем или заменить проводку надувной подушки безопасности.
Выполните проверку диагностической системы надувных подушек безопасности (sir).
Диагностический код неисправности удален?
-
Система в норме
Перейдите на Шаг 4
4
Удостоверьтесь, что ключ зажигания находится в положении off.
Отключите разъем модуля боковой подушки безопасности пассажира.
Отключите разъем проводки модуля датчиков и диагностики (sdm).
Проверить сопротивление между выводами c4 [a8] и c3 [a7] модуля датчиков и диагностики (sdm) и выводами 2, 1 модуля боковой подушки безопасности пассажира.
Сопротивление близко к 0 (нулю)?
≈ 0 Ом
Перейдите на Шаг 5
Замените проводку надувной подушки безопасности.
5
Заменить модуль датчиков и диагностики.
Удостоверьтесь, что ключ зажигания находится в положении on.
Сотрите диагностический код неисправности с помощью диагностического прибора.
Выполните проверку диагностической системы надувных подушек безопасности (sir).
Диагностический код неисправности удален?
-
Система в норме
Заменить модуль боковой подушки безопасности пассажира.
Диагностический код неисправности (dtc) b0030
Напряжение цепи срабатывания боковой подушки безопасности пассажира вне допустимого диапазона
Описание схемы
При установке ключа зажигания в положение ON модуль датчиков и диагностики (SDM) выполняет начальную проверку для выявления существенных неполадок внутри самого SDM. После этих проверок модуль измеряет напряжения в цепях зажигания и срабатывания, проверяя, что они находятся в соответствующих номинальных диапазонах. Затем модуль SDM выполняет измерение сопротивлений. Вывод нижнего уровня каждого устройства надувания заземлен через сток тока, а вывод верхнего уровня подключен к источнику тока, который может пропускать через устройство надувания ток известной величины. Контролируя разность напряжений между выводами верхнего и нижнего уровня устройства надувания, модуль SDM вычисляет суммарное сопротивление модуля подушки безопасности, жгута проводки и контактов разъема.
Диагностический код неисправности dtc b0030 записывается, когда
Напряжение на выводе верхнего уровня цепи срабатывания боковой подушки безопасности пассажира превышает 7,5 В в 5 последовательных циклах проверки.
Напряжение на выводе верхнего уровня цепи срабатывания боковой подушки безопасности пассажира меньше 1,5 В, а сопротивление цепи срабатывания подушки безопасности пассажира меньше 6 Ом в 5 последовательных циклах проверки.
Рекомендации по диагностике
Нестабильное состояние скорее всего вызвано замыканием на массу или напряжение питания провода верхнего или нижнего уровня боковой подушки безопасности пассажира.
dtc b0030 - Напряжение цепи срабатывания боковой подушки безопасности пассажира вне допустимого диапазона
Внимание! Модуль датчиков и диагностики (SDM) может сохранять достаточное напряжение для приведения в действие подушек безопасности и натяжителей в течение 1 минуты после выключения зажигания и удаления предохранителя. Если подушки безопасности и натяжители не отсоединены, не начинайте обслуживание, пока не пройдет одна минута после отключения питания от модуля SDM. Несоблюдение этого требования может привести к травмам.
Внимание! В процессе обслуживания обращаться с модулем датчиков и диагностики (SDM) очень осторожно. Не ударять и не встряхивать SDM. Никогда не подключать питание к системе надувных подушек безопасности (SIR), если SDM не соединен жестко с автомобилем. Чтобы система надувных подушек безопасности (SIR) работала правильно, все болты крепления модуля датчиков и диагностики SDM должны быть тщательно затянуты, а стрелка на SDM должна быть направлена к передней части автомобиля. При недостаточно жестком креплении модуля SDM к автомобилю включенный модуль может сработать, что приведет к неожиданному выпуску подушек безопасности и может повлечь травму.
Внимание! Никогда не измерять сопротивление модуля подушки безопасности омметром. Батарея омметра может вызвать срабатывание подушки безопасности, которое приведет к травме.
Шаг
Операция
Значения
Да
Нет
1
Удостоверьтесь, что ключ зажигания находится в положении off.
Подождать 1 минуту, чтобы разрядить заряд блока питания модуля датчиков и диагностики.
-
Перейти на Шаг 2
-
2
Осмотреть разъем и проводку боковой подушки безопасности пассажира.
Разъем подушки безопасности отключен или проводка повреждена?
-
Перейти на Шаг 3
Перейти на Шаг 4
3
Подключить разъем или заменить проводку надувной подушки безопасности.
Выполните проверку диагностической системы надувных подушек безопасности (sir).
Диагностический код неисправности удален?
-
Система в норме
Перейти на Шаг 4
4
Удостоверьтесь, что ключ зажигания находится в положении off.
Отключите разъем модуля боковой подушки безопасности пассажира.
Отключите разъем проводки модуля датчиков и диагностики (sdm).
Проверьте сопротивление между выводами 1, 2 модуля боковой подушки безопасности пассажира и массой.
Сопротивление близко к ∞?
∞
Перейти на Шаг 5
Замените проводку надувной подушки безопасности.
5
Проверьте сопротивление между выводами 1, 2 модуля боковой подушки безопасности пассажира и массой.
Сопротивление близко к ∞?
∞
Перейти на Шаг 6
Замените проводку надувной подушки безопасности.
6
Заменить модуль датчиков и диагностики.
Удостоверьтесь, что ключ зажигания находится в положении on.
Сотрите диагностический код неисправности с помощью диагностического прибора.
Выполните проверку диагностической системы надувных подушек безопасности (sir).
Диагностический код неисправности удален?
-
Система в норме
Заменить модуль боковой подушки безопасности пассажира.
Диагностический код неисправности (dtc) b0040
Короткое замыкание цепи срабатывания боковой подушки безопасности водителя
Описание схемы
При установке ключа зажигания в положение ON модуль датчиков и диагностики (SDM) выполняет начальную проверку для выявления существенных неполадок внутри самого модуля SDM. После этих проверок модуль измеряет напряжения в цепях зажигания и срабатывания подушек безопасности, проверяя, что они находятся в номинальных диапазонах. Затем модуль SDM выполняет измерение сопротивлений. Вывод нижнего уровня каждого устройства надувания заземлен через сток тока, а вывод верхнего уровня подключен к источнику тока, который может пропускать через устройство надувания ток известной величины. Контролируя разность напряжений между выводами верхнего и нижнего уровня устройства надувания, модуль SDM вычисляет суммарное сопротивление модуля подушки безопасности, жгута проводки и контактов разъема.
Диагностический код неисправности dtc b0040 записывается, когда
Сопротивление цепи срабатывания боковой подушки безопасности водителя ниже 1,3 Ом.
Рекомендации по диагностике
Нестабильное состояние скорее всего может быть вызвано коротким замыканием между цепями верхнего и нижнего уровня боковой подушки безопасности водителя.
Внимание! Модуль датчиков и диагностики (SDM) может сохранять достаточное напряжение для приведения в действие подушек безопасности и натяжителей в течение 1 минуты после выключения зажигания и удаления предохранителя. Если подушки безопасности и натяжители не отсоединены, не начинайте обслуживание, пока не пройдет одна минута после отключения питания от SDM. Несоблюдение этого требования может привести к травмам.
Внимание! В процессе обслуживания обращайтесь с модулем датчиков и диагностики (SDM) очень осторожно. Не ударяйте и не встряхивайте SDM. Никогда не подключайте питание к системе надувных подушек безопасности (SIR), если SDM не соединен жестко с автомобилем. Чтобы система надувных подушек безопасности (SIR) работала правильно, все болты крепления модуля датчиков и диагностики SDM должны быть тщательно затянуты, а стрелка на SDM должна быть направлена к передней части автомобиля. При недостаточно жестком креплении модуля SDM к автомобилю включенный модуль может сработать, что приведет к неожиданному выпуску подушек безопасности и может повлечь травму.
Внимание! Никогда не измерять сопротивление модуля подушки безопасности омметром. Батарея омметра может вызвать срабатывание подушки безопасности, которое приведет к травме.
Шаг
Операция
Значения
Да
Нет
1
Удостоверьтесь, что ключ зажигания находится в положении off.
Подождать 1 минуту, чтобы разрядить заряд блока питания модуля датчиков и диагностики.
-
Перейти на Шаг 2
-
2
Осмотреть разъем и проводку боковой подушки безопасности водителя.
Разъем подушки безопасности отключен или проводка повреждена?
-
Перейдите на Шаг 3
Перейдите на Шаг 4
3
Подключить разъем или заменить проводку надувной подушки безопасности.
Выполните проверку диагностической системы надувных подушек безопасности (sir).
Диагностический код неисправности удален?
-
Система в норме
Перейдите на Шаг 4
4
Удостоверьтесь, что ключ зажигания находится в положении off.
Отключить разъем модуля боковой подушки безопасности водителя.
Отключите разъем проводки модуля датчиков и диагностики (sdm).
Проверить сопротивление между выводами 1 и 2 модуля боковой подушки безопасности водителя.
Сопротивление близко к ∞?
∞
Перейдите на Шаг 5
Замените проводку надувной подушки безопасности.
5
Заменить модуль датчиков и диагностики.
Удостоверьтесь, что ключ зажигания находится в положении on.
Сотрите диагностический код неисправности с помощью диагностического прибора.
Выполните проверку диагностической системы надувных подушек безопасности (sir).
Диагностический код неисправности удален?
-
Система в норме
Замените модуль боковой подушки безопасности водителя.
Диагностический код неисправности (dtc) b0041
Разрыв цепи срабатывания боковой подушки безопасности водителя
Описание схемы
При установке ключа зажигания в положение ON модуль датчиков и диагностики (SDM) выполняет начальную проверку для выявления существенных неполадок внутри самого модуля SDM. После этих проверок модуль измеряет напряжения в цепях зажигания и срабатывания подушек безопасности, проверяя, что они находятся в номинальных диапазонах. Затем модуль SDM выполняет измерение сопротивлений. Вывод нижнего уровня каждого устройства надувания заземлен через сток тока, а вывод верхнего уровня подключен к источнику тока, который может пропускать через устройство надувания ток известной величины. Контролируя разность напряжений между выводами верхнего и нижнего уровня устройства надувания, модуль SDM вычисляет суммарное сопротивление модуля подушки безопасности, жгута проводки и контактов разъема.
Диагностический код неисправности dtc b0041 записывается, когда
Сопротивление цепи срабатывания боковой подушки безопасности водителя превышает 4,8 Ом в 5 последовательных циклах проверки.
Рекомендации по диагностике
Нестабильное состояние скорее всего вызвано плохим соединением либо в разъеме боковой подушки безопасности водителя, либо на выводах C1 [A5] и C2 [A6] модуля SDM. Разрыв проводки в цепи срабатывания подушки безопасности водителя также приводит к появлению кода неисправности DTC B0041.
dtc b0041 - Разрыв цепи срабатывания боковой подушки безопасности водителя
Внимание! Модуль датчиков и диагностики (SDM) может сохранять достаточное напряжение для приведения в действие подушек безопасности и натяжителей в течение 1 минуты после выключения зажигания и удаления предохранителя. Если подушки безопасности и натяжители не отсоединены, не начинайте обслуживание, пока не пройдет одна минута после отключения питания от SDM. Несоблюдение этого требования может привести к травмам.
Внимание! В процессе обслуживания обращайтесь с модулем датчиков и диагностики (SDM) очень осторожно. Не ударяйте и не встряхивайте SDM. Никогда не подключайте питание к системе надувных подушек безопасности (SIR), если SDM не соединен жестко с автомобилем. Чтобы система надувных подушек безопасности (SIR) работала правильно, все болты крепления модуля датчиков и диагностики SDM должны быть тщательно затянуты, а стрелка на SDM должна быть направлена к передней части автомобиля. При недостаточно жестком креплении модуля SDM к автомобилю включенный модуль может сработать, что приведет к неожиданному выпуску подушек безопасности и может повлечь травму.
Внимание! Никогда не измерять сопротивление модуля подушки безопасности омметром. Батарея омметра может вызвать срабатывание подушки безопасности, которое приведет к травме.
Шаг
Операция
Значения
Да
Нет
1
Удостоверьтесь, что ключ зажигания находится в положении off.
Подождать 1 минуту, чтобы разрядить заряд блока питания модуля датчиков и диагностики.
-
Перейти на Шаг 2
-
2
Осмотреть разъем и проводку боковой подушки безопасности водителя.
Разъем подушки безопасности отключен или проводка повреждена?
-
Перейдите на Шаг 3
Перейдите на Шаг 4
3
Подключить разъем или заменить проводку надувной подушки безопасности.
Выполните проверку диагностической системы надувных подушек безопасности (sir).
Диагностический код неисправности удален?
-
Система в норме
Перейдите на Шаг 4
4
Удостоверьтесь, что ключ зажигания находится в положении off.
Отключить разъем модуля боковой подушки безопасности водителя.
Отключите разъем проводки модуля датчиков и диагностики (sdm).
Проверить сопротивление между выводами c1 [a5] и c2 [a6] модуля датчиков и диагностики (sdm) и выводами 2, 1 модуля боковой подушки безопасности водителя.
Сопротивление близко к 2, 1(нулю)?
≈ 0 Ом
Перейдите на Шаг 5
Замените проводку надувной подушки безопасности.
5
Заменить модуль датчиков и диагностики.
Удостоверьтесь, что ключ зажигания находится в положении on.
Сотрите диагностический код неисправности с помощью диагностического прибора.
Выполните проверку диагностической системы надувных подушек безопасности (sir).
Диагностический код неисправности удален?
-
Система в норме
Замените модуль боковой подушки безопасности водителя.
https://vnx.su/ 🛠 Руководства по ремонту и эксплуатации для автомобилей