К началу документа
MATIZ
На предыдущую страницуНа следующую страницу
Главная страница GMDEЗагрузить нединамическое оглавлениеЗагрузить динамическое оглавлениеПомощь




РАЗДЕЛ 2

РАСПОЛОЖЕНИЕ РАЗЪЕМОВ И СОЕДИНЕНИЙ С МАССОЙ



1. СВЕДЕНИЯ О РАЗЪЕМАХ И СОЕДИНЕНИЯХ С МАССОЙ

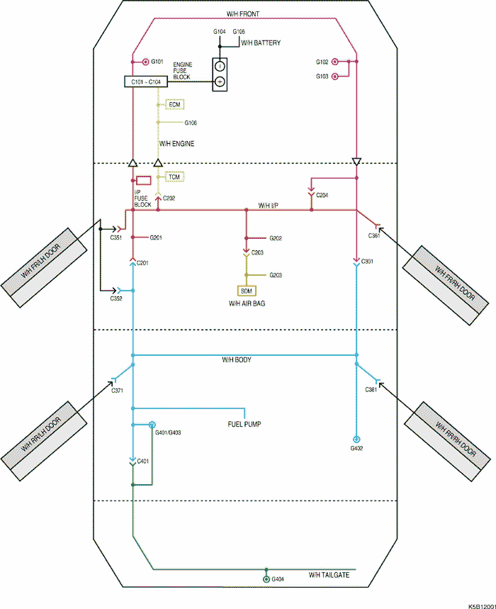
1) РАСПОЛОЖЕНИЕ ЖГУТОВ ПРОВОДОВ И СОЕДИНЕНИЙ С МАССОЙ

K5B12001.png
Показать иллюстрациюПеревод текста в иллюстрациях


2) СВЕДЕНИЯ О РАЗЪЕМАХ

Номер разъема
Номер контакта
Цвет
Соединительный жгут проводов
Положение разъема
c101
Контакт 32
Черный
Двигатель - блок предохранителей в моторном отсеке
Блок предохранителей в моторном отсеке
c102
Контакт 32
Серый
Приборная панель - блок предохранителей в моторном отсеке
Блок предохранителей в моторном отсеке
c103
Контакт 32
Коричневый
Передняя часть кузова - блок предохранителей в моторном отсеке
Блок предохранителей в моторном отсеке
c104
Контакт 2
Бесцветный
Передняя часть кузова - блок предохранителей в моторном отсеке
Блок предохранителей в моторном отсеке
c105
Контакт 8
Белый
Двигатель - форсунка
Верхний цилиндр
c201
Контакт 26
Белый
Приборная панель - пол
Левая часть пространства для ног водителя
c202
Контакт 23
Белый
Двигатель - приборная панель
Левая часть пространства для ног водителя
c203
Контакт 3
Белый
Модуль датчиков и диагностики - приборная панель
За аудиосистемой
c204
Контакт 4
Белый
Приборная панель - передняя часть
Под правой передней стойкой
c301
Контакт 4
Белый
Передняя часть - пол
Под подушкой правого сиденья
c351
Контакт 8
Белый
Приборная панель - передняя левая дверь
Под левой передней стойкой
c352
Контакт 6
Белый
Пол - передняя левая дверь
Под левой передней стойкой
c361
Контакт 8
Белый
Приборная панель - передняя правая дверь
Под правой передней стойкой
c371
Контакт 6
Белый
Пол - задняя левая дверь
Под правой передней стойкой
.
Контакт (2)
Белый
.
(Контакт 2 : без электрического стеклоподъемника)
c381
Контакт 6
Белый
Пол - задняя правая дверь
Под правой средней стойкой
.
Контакт (2)
Белый
.
(Контакт 2 : без электрического стеклоподъемника)
c401
Контакт 6
Белый
Задняя дверь - пол
В задней части багажника с левой стороны

3) СВЕДЕНИЯ О СОЕДИНЕНИЯХ С МАССОЙ

Номер соединения с массой
Жгут проводов
Положение соединения с массой
g101
ПЕРЕДНЯЯ ЧАСТЬ
За левой фарой
g102
ПЕРЕДНЯЯ ЧАСТЬ
За правой фарой
g103
ПЕРЕДНЯЯ ЧАСТЬ
За правой фарой
g104
Аккумуляторная батарея
Под аккумуляторной батареей
g105
Аккумуляторная батарея
Рядом со стартером
g106
Двигатель
Под стартером
g201
Приборная панель
Под левой передней стойкой
g202
Приборная панель
Под напольной консолью
g203
Подушка безопасности
Под напольной консолью
g401
Пол
Под левой задней стойкой
g402
Пол
Под правой задней стойкой
g403
Задняя дверь
Под левой задней стойкой
g404
Задняя дверь
Под двигателем заднего стеклоочистителя



2. РАСПОЛОЖЕНИЕ ЖГУТОВ ПРОВОДОВ, РАЗЪЕМОВ И СОЕДИНЕНИЯХ С МАССОЙ

1) Ж/П ПРИБОРНАЯ ПАНЕЛЬ

K5B12009.png
Показать иллюстрациюПеревод текста в иллюстрациях


K5B12010.png
Показать иллюстрациюПеревод текста в иллюстрациях


2) Ж/П ПОЛ

K5B12011.png
Показать иллюстрациюПеревод текста в иллюстрациях


K5B12012.png
Показать иллюстрациюПеревод текста в иллюстрациях


K5B12013.png
Показать иллюстрациюПеревод текста в иллюстрациях


3) Ж/П ПЕРЕДНЯЯ ЧАСТЬ КУЗОВА

K5B12002.png
Показать иллюстрациюПеревод текста в иллюстрациях


K5B12003.png
Показать иллюстрациюПеревод текста в иллюстрациях


K5B12004.png
Показать иллюстрациюПеревод текста в иллюстрациях


4) Ж/П ДВИГАТЕЛЬ

- sirius d32

K5B12005.png
Показать иллюстрациюПеревод текста в иллюстрациях


K5B12006.png
Показать иллюстрациюПеревод текста в иллюстрациях


- sirius d42

K5B12018.png
Показать иллюстрациюПеревод текста в иллюстрациях


5) Ж/П АВТОМАТИЧЕСКАЯ КОРОБКА ПЕРЕДАЧ

K5B12007.png
Показать иллюстрациюПеревод текста в иллюстрациях


K5B12008.png
Показать иллюстрациюПеревод текста в иллюстрациях


6) Ж/П ПЕРЕДНЯЯ ДВЕРЬ

K5B12015.png
Показать иллюстрациюПеревод текста в иллюстрациях


7) Ж/П ЗАДНЯЯ ДВЕРЬ

K5B12016.png
Показать иллюстрациюПеревод текста в иллюстрациях


8) Ж/П ЗАДНЯЯ ДВЕРЬ

K5B12017.png
Показать иллюстрациюПеревод текста в иллюстрациях


9) Ж/П ПОДУШКА БЕЗОПАСНОСТИ

K5B12014.png
Показать иллюстрациюПеревод текста в иллюстрациях


На предыдущую страницуНа следующую страницу


https://vnx.su/ 🛠 Руководства по ремонту и эксплуатации для автомобилей

Поиск по сайту

Остались вопросы или пожелания? Пишите на почту: support@vnx.su

Карта Сайта