К началу документа
MATIZ
На предыдущую страницуНа следующую страницу
Главная страница GMDEЗагрузить нединамическое оглавлениеЗагрузить динамическое оглавлениеПомощь




РАЗДЕЛ 3

ЭЛЕКТРИЧЕСКАЯ СХЕМА ИСТОЧНИКОВ ЭЛЕКТРОПИТАНИЯ



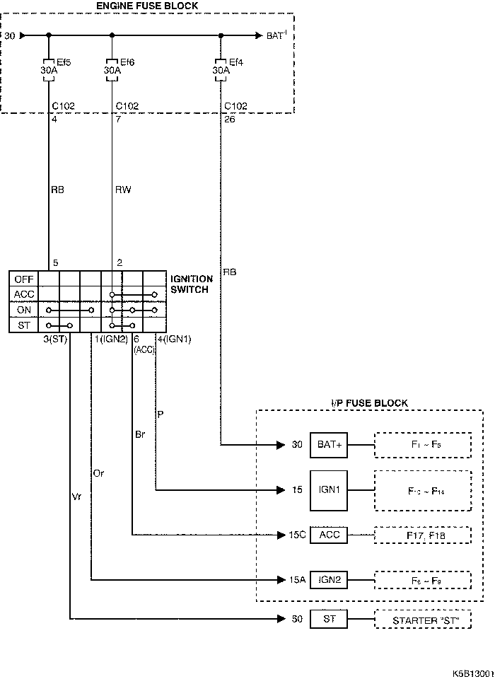
1. ЦЕПЬ ЗАМКА ЗАЖИГАНИЯ

K5B13001.png
Показать иллюстрациюПеревод текста в иллюстрациях




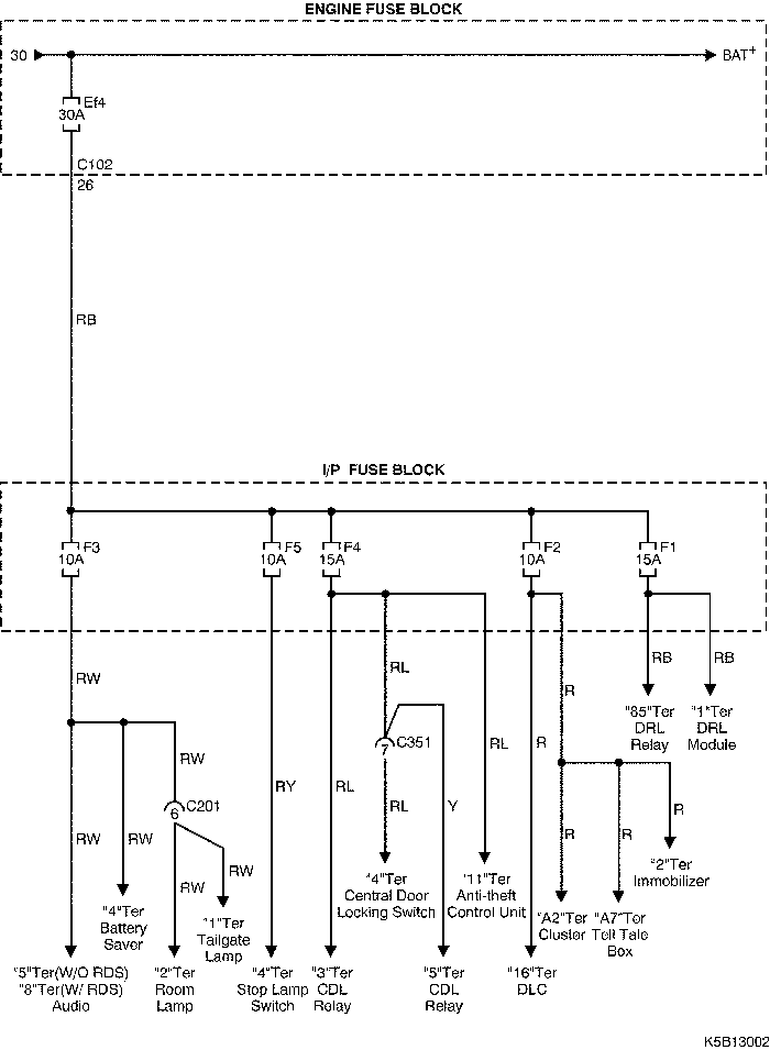
2. КЛЕММА 30 "BAT+" ЦЕПИ ЭЛЕКТРОПИТАНИЯ (БЛОК ПРЕДОХРАНИТЕЛЕЙ НА ПРИБОРНОЙ ПАНЕЛИ)

K5B13002.png
Показать иллюстрациюПеревод текста в иллюстрациях




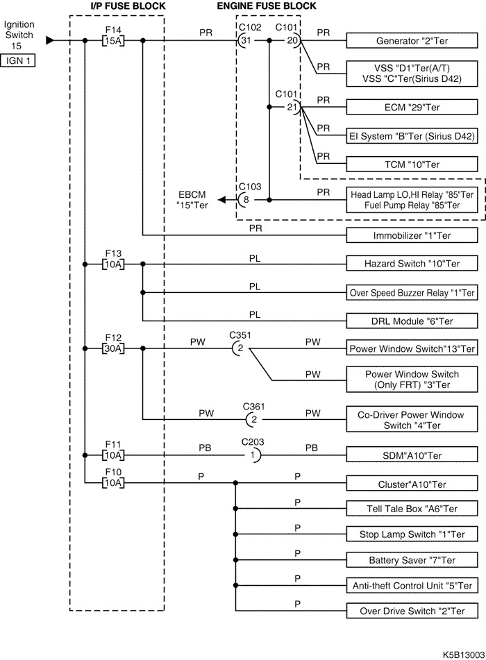
3. КЛЕММА 15 "IGN1" ЦЕПИ ЭЛЕКТРОПИТАНИЯ (БЛОК ПРЕДОХРАНИТЕЛЕЙ НА ПРИБОРНОЙ ПАНЕЛИ)

K5B13003.png
Показать иллюстрациюПеревод текста в иллюстрациях




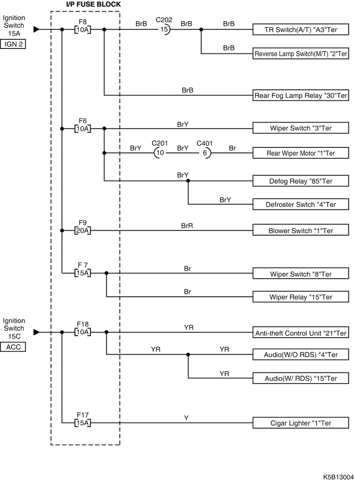
4. КЛЕММА 15А "IGN2", КЛЕММА 15С "ACC" ЦЕПИ ЭЛЕКТРОПИТАНИЯ (БЛОК ПРЕДОХРАНИТЕЛЕЙ НА ПРИБОРНОЙ ПАНЕЛИ)

K5B13004.png
Показать иллюстрациюПеревод текста в иллюстрациях




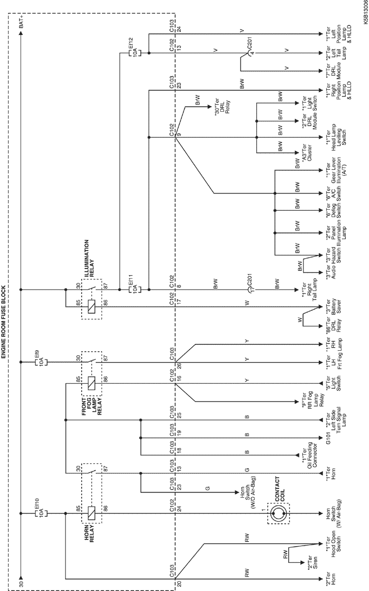
5. ЦЕПЬ БЛОКА ПРЕДОХРАНИТЕЛЕЙ И РЕЛЕ В МОТОРНОМ ОТСЕКЕ

K5B13005.png
Показать иллюстрациюПеревод текста в иллюстрациях


K5B13006.png
Показать иллюстрациюПеревод текста в иллюстрациях


K5B13007.png
Показать иллюстрациюПеревод текста в иллюстрациях


На предыдущую страницуНа следующую страницу


https://vnx.su/ 🛠 Руководства по ремонту и эксплуатации для автомобилей

Поиск по сайту

Остались вопросы или пожелания? Пишите на почту: support@vnx.su

Карта Сайта