К началу документа
Matiz
На предыдущую страницуНа следующую страницу
Главная страница GMDEЗагрузить нединамическое оглавлениеЗагрузить динамическое оглавлениеПомощь




РАЗДЕЛ 1

КАК ЧИТАТЬ ЭЛЕКТРИЧЕСКУЮ СХЕМУ



1. КАК ЧИТАТЬ ЭЛЕКТРИЧЕСКУЮ СХЕМУ

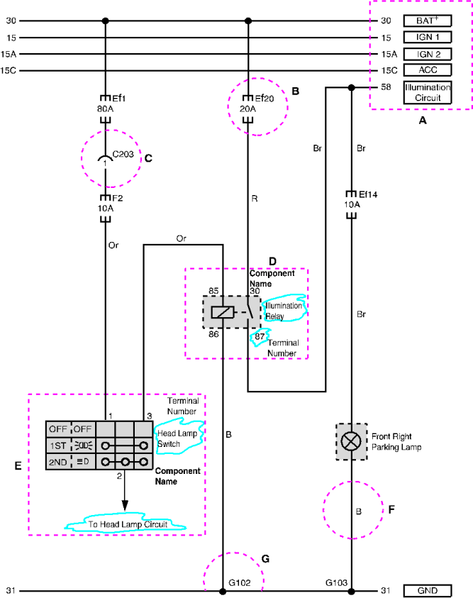
K5B11001.png
Показать иллюстрациюПеревод текста в иллюстрациях


1) СОДЕРЖАНИЕ ЭЛЕКТРИЧЕСКОЙ СХЕМЫ (ЦЕПЬ)

ПОЗИЦИЯ
ОБЪЯСНЕНИЕ
a
Верхние горизонтальные линии : Линии электропитания Линии электропитания : 30, 15, 15А, 15С, 58
В
Ef20 или F2: номер предохранителя
  • ef20: предохранитель №20 в блоке предохранителей в моторном отсеке
  • f2: предохранитель №2 в блоке предохранителей в салоне автомобиля
c
Разъем (С101~С902)
d
Внутренняя цепь компонента (реле)
(наименование компонента и номер контакта)
Е
Внутренняя цепь компонента (переключатель)
(наименование компонента, номер контакта и цепь проводки)
f
Цвет жгута проводов
g
Нижняя горизонтальная линия : Линия заземления



2. УСЛОВНЫЕ ОБОЗНАЧЕНИЯ ЦЕПИ

УСЛОВНОЕ
ОБОЗНАЧЕНИЕ
ЗНАЧЕНИЕ
c
Разъем
d
Диод
ef
Предохранитель в блоке предохранителей в моторном отсеке
f
Предохранитель в блоке предохранителей в салоне автомобиля
g
Масса



3. НАЗНАЧЕНИЕ ЛИНИЙ ЭЛЕКТРОПИТАНИЯ (НОМЕР)

Номер блока питания
Состояние блока питания
15
Питание от аккумуляторной батареи (В+) при замке зажигания в положении "ON" и "ST" (IGN 1)
15a
Питание от аккумуляторной батареи (В+) при замке зажигания в положении "ON" (IGN 2)
15c
Питание от аккумуляторной батареи (В+) при замке зажигания в положении "ON" и "АСС"
30
Питание от аккумуляторной батареи (В+) непосредственно, независимо от положения замка зажигания
31
Масса соединена с аккумуляторной батареей (-)
58
Питание от аккумуляторной батареи (В+) при переключателе фар в положении 1 и 2 (цепь подсветки)



4. ЦВЕТОВАЯ МАРКИРОВКА ЖГУТОВ ПРОВОДОВ

Сокращение
Цвет
Сокращение
Цвет
br
Коричневый
sb
Голубой
g
Зеленый
r
Красный
v
Фиолетовый
l
Синий
p
Розовый
y
Желтый
w
Белый
gr
Серый
or
Оранжевый
В
Черный
lg
Светло-зеленый
. .



5. КАК ПРОВЕРИТЬ НОМЕР КОНТАКТА РАЗЪЕМА

Номер контакта указан соответственно номеру разъема
Пример: контакт номер 4 разъема С901

AEL1001.png
Показать иллюстрациюПеревод текста в иллюстрациях


На предыдущую страницуНа следующую страницу


https://vnx.su/ 🛠 Руководства по ремонту и эксплуатации для автомобилей

Поиск по сайту

Остались вопросы или пожелания? Пишите на почту: support@vnx.su

Карта Сайта