To the top of the document
Orlando
   
GMDE Start Page Load static TOC Load dynamic TOC Help?

ka1


          
            |                         |            
2565239RU.png

Display graphic

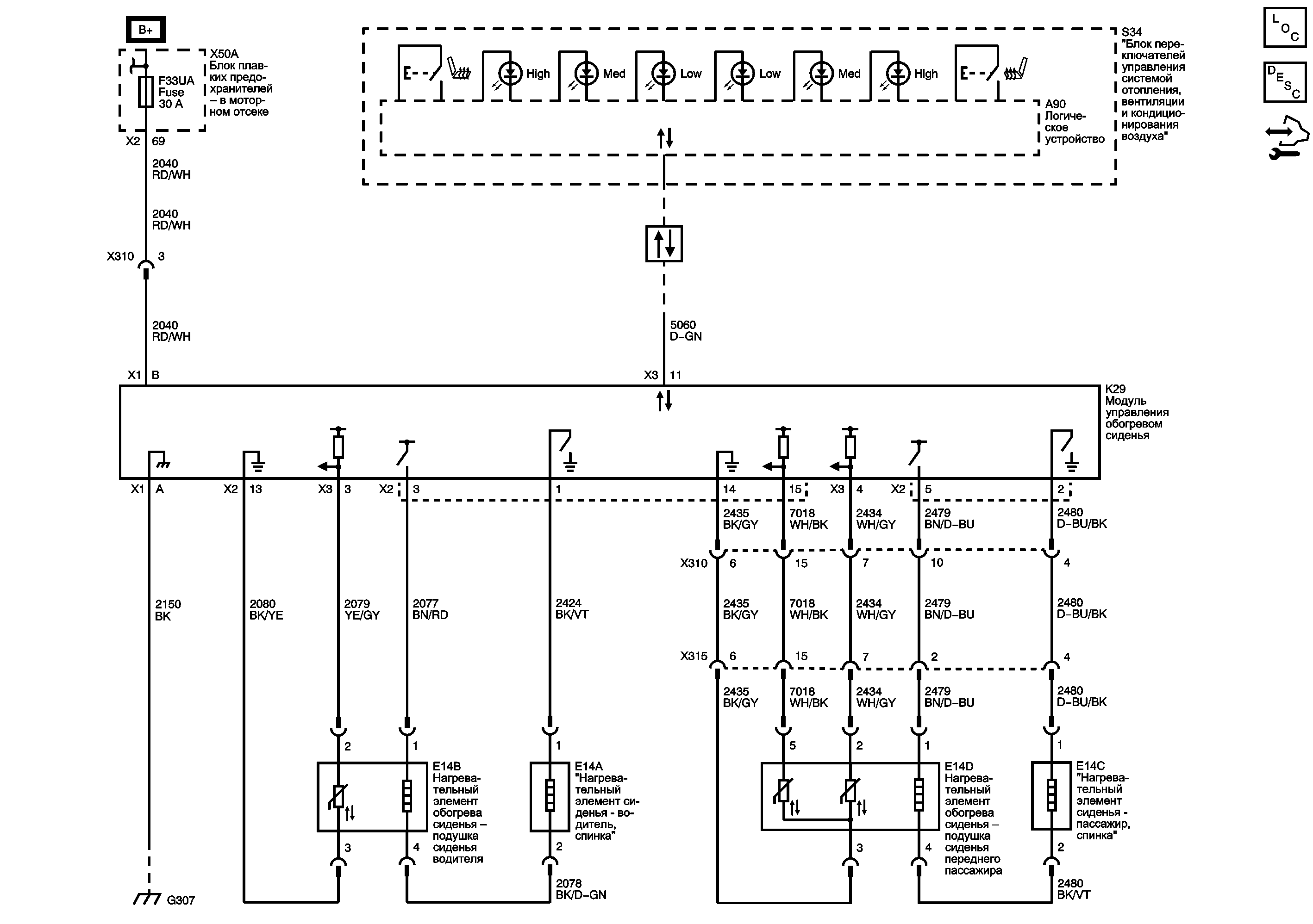
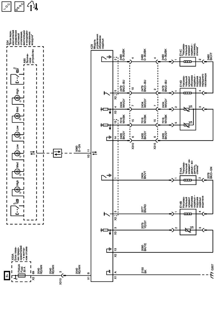
Предохранители F1UA, F25UA, F26UA, F30UA, F33UA, F55UA, F64UA и F67UA

G307 и G308

   


© copyright chevrolet. All rights reserved