To the top of the document
Orlando
   
GMDE Start Page Load static TOC Load dynamic TOC Help?

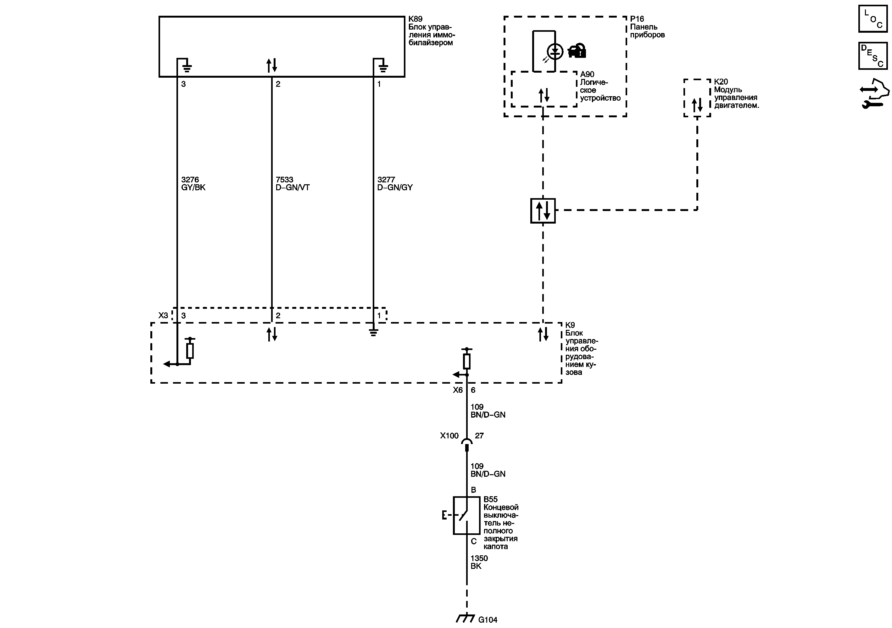
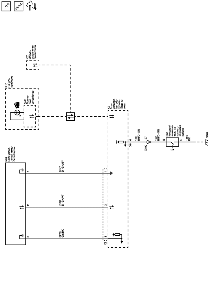
Иммобилайзер


          
            |                         |            
2565190RU.png

Display graphic

G103, G104 и G105

   


© copyright chevrolet. All rights reserved