To the top of the document
Orlando
   
GMDE Start Page Load static TOC Load dynamic TOC Help?

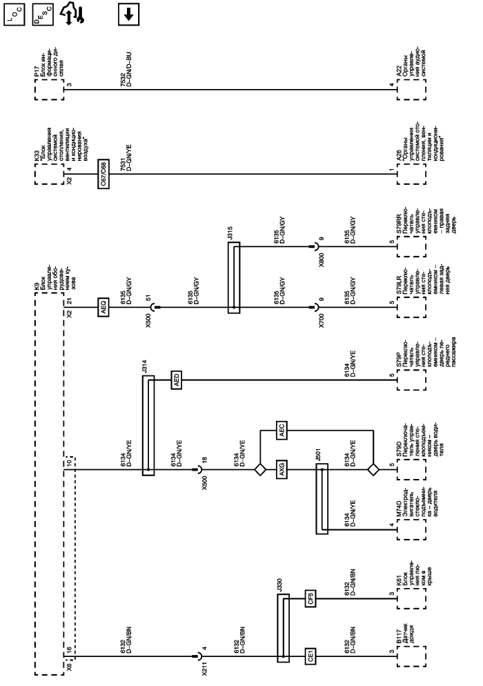
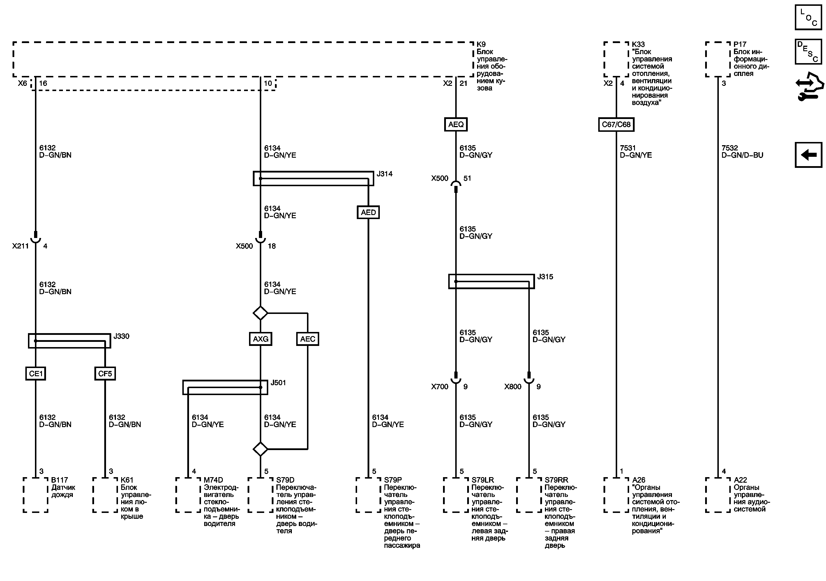
Последовательные данные линейной сети связи (lin)


          
            |                         |            
2564594RU.png

Display graphic

Активна передача последовательных данных

   


© copyright chevrolet. All rights reserved