To the top of the document
Orlando
   
GMDE Start Page Load static TOC Load dynamic TOC Help?

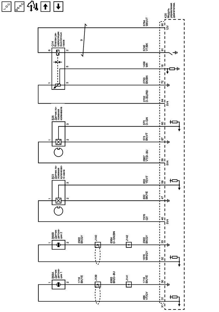
Датчики данных двигателя- распредвала, коленвала, выхлопных газов и датчик детонации


          
            |                         |            
2564503RU.png

Display graphic

Регуляторы топлива - Датчики давления и температуры

Датчики данных двигателя - кислородные датчики

   


© copyright chevrolet. All rights reserved