To the top of the document
Orlando
   
GMDE Start Page Load static TOC Load dynamic TOC Help?

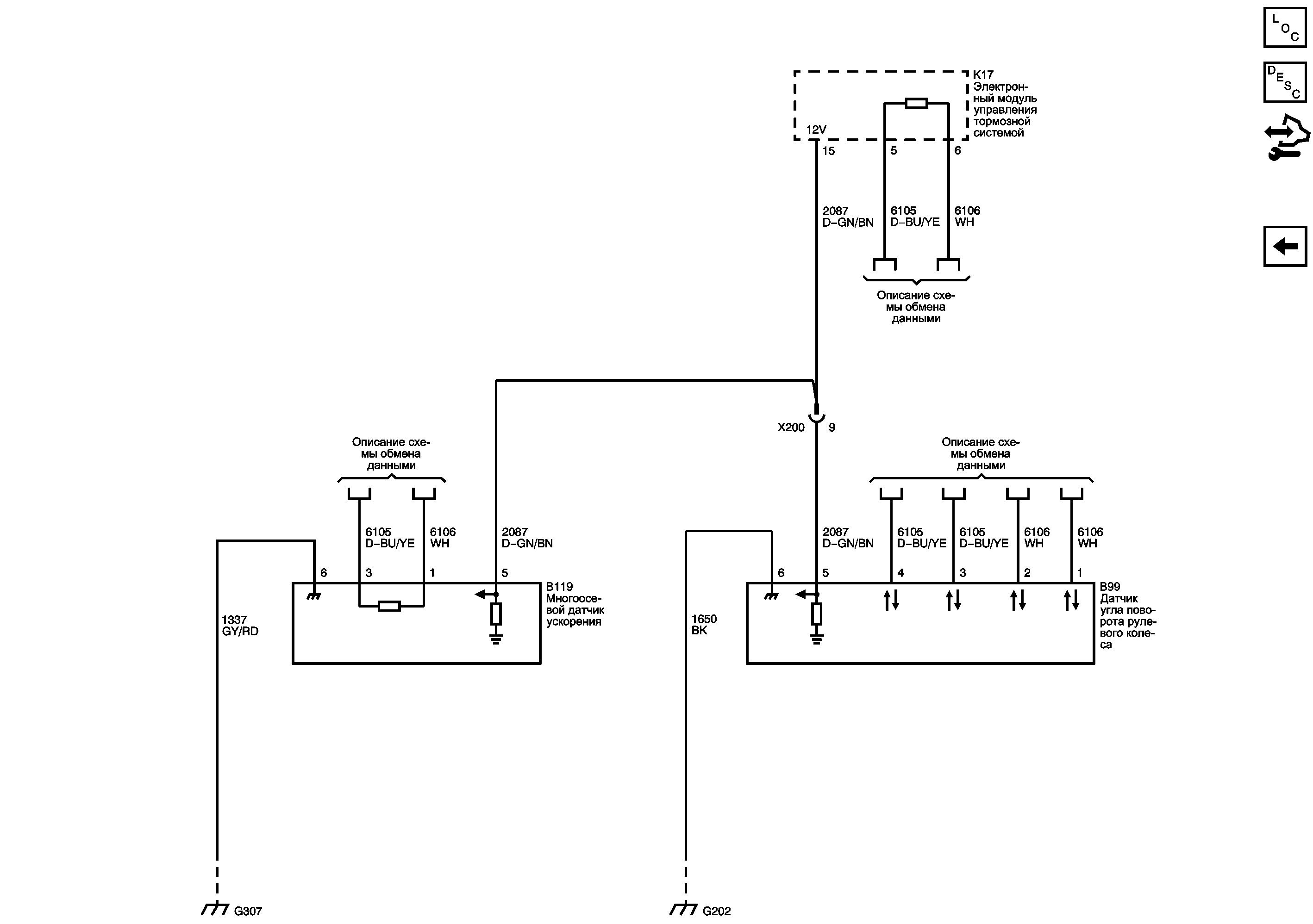
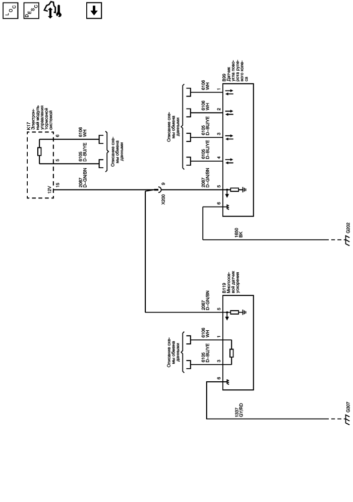
Контроль устойчивости автомобиля (fx3)


          
            |                         |            
2564007RU.png

Display graphic

Датчики скорости вращения колес

G307 и G308

G202

   


© copyright chevrolet. All rights reserved