Orlando |
||||||||
|
|
|
|||||||

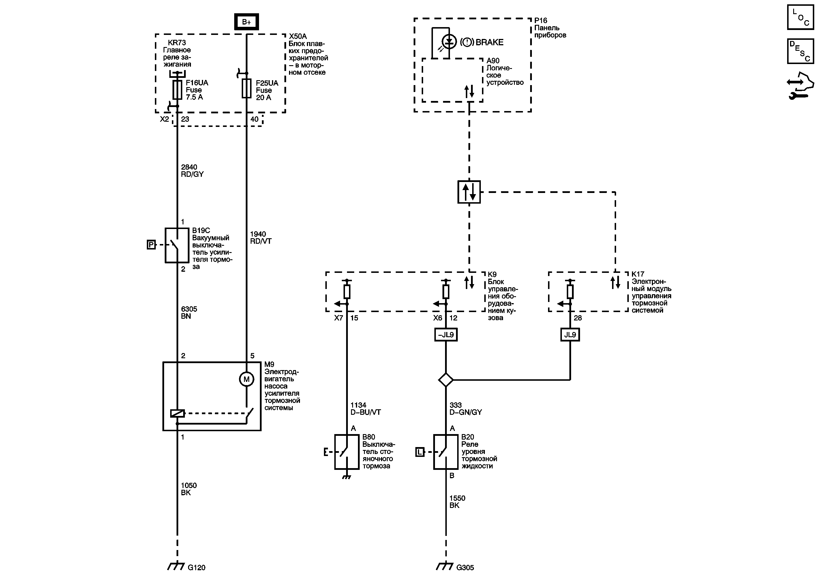
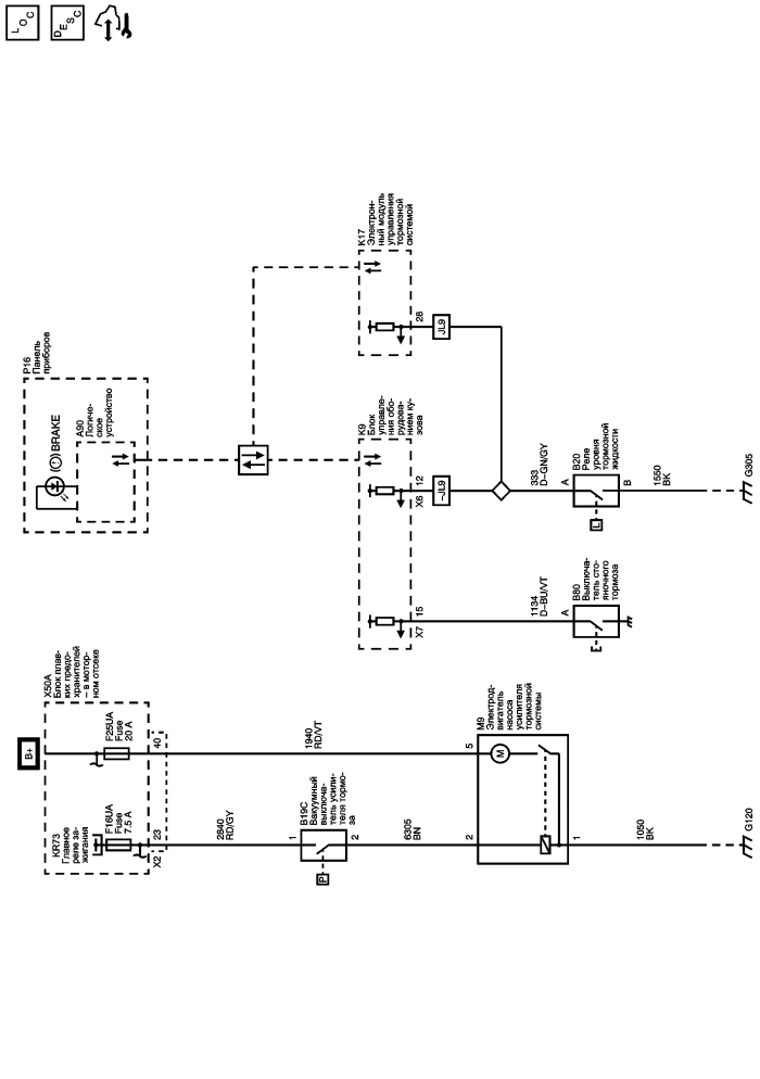
Перечень основных электрических компонентов
Описание и порядок работы гидравлической тормозной системы
Модуль управления Справочные сведения
Предохранители F16UA, F17UA, F18UA, F52UA, F54UA и F57UA
Предохранители F1UA, F25UA, F26UA, F30UA, F33UA, F55UA, F64UA и F67UA
| https://vnx.su/ 🛠 Руководства по ремонту и эксплуатации для автомобилей |
| https://vnx.su/ 🛠 Руководства по ремонту и эксплуатации для автомобилей |