Orlando |
||||||||
|
|
|
|||||||

Список электрических компонентов управления
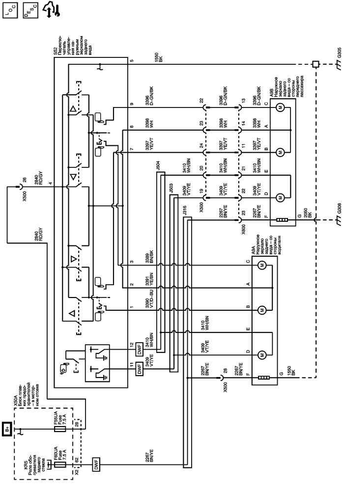
Описание и работа внешнего зеркала
Модуль управления Справочные сведения
Предохранители F28UA, F30UA, F37UA, F51UA, F56UA и F60UA
Предохранители F1UA, F25UA, F26UA, F30UA, F33UA, F55UA, F64UA и F67UA
| https://vnx.su/ 🛠 Руководства по ремонту и эксплуатации для автомобилей |
| https://vnx.su/ 🛠 Руководства по ремонту и эксплуатации для автомобилей |