Orlando |
||||||||
|
|
|
|||||||

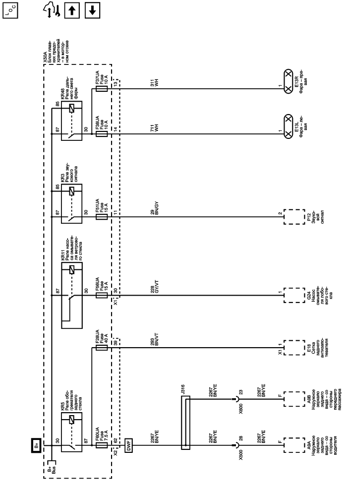
Список электрических компонентов управления
Модуль управления Справочные сведения
Предохранители F1DA, F4DA, F5DA, F6DA и F7DA
Предохранители F5UA, F13UA и F53UA
Электрический центр - Обозначение - Иллюстрации
| https://vnx.su/ 🛠 Руководства по ремонту и эксплуатации для автомобилей |
| https://vnx.su/ 🛠 Руководства по ремонту и эксплуатации для автомобилей |