Orlando |
||||||||
|
|
|
|||||||

Список электрических компонентов управления
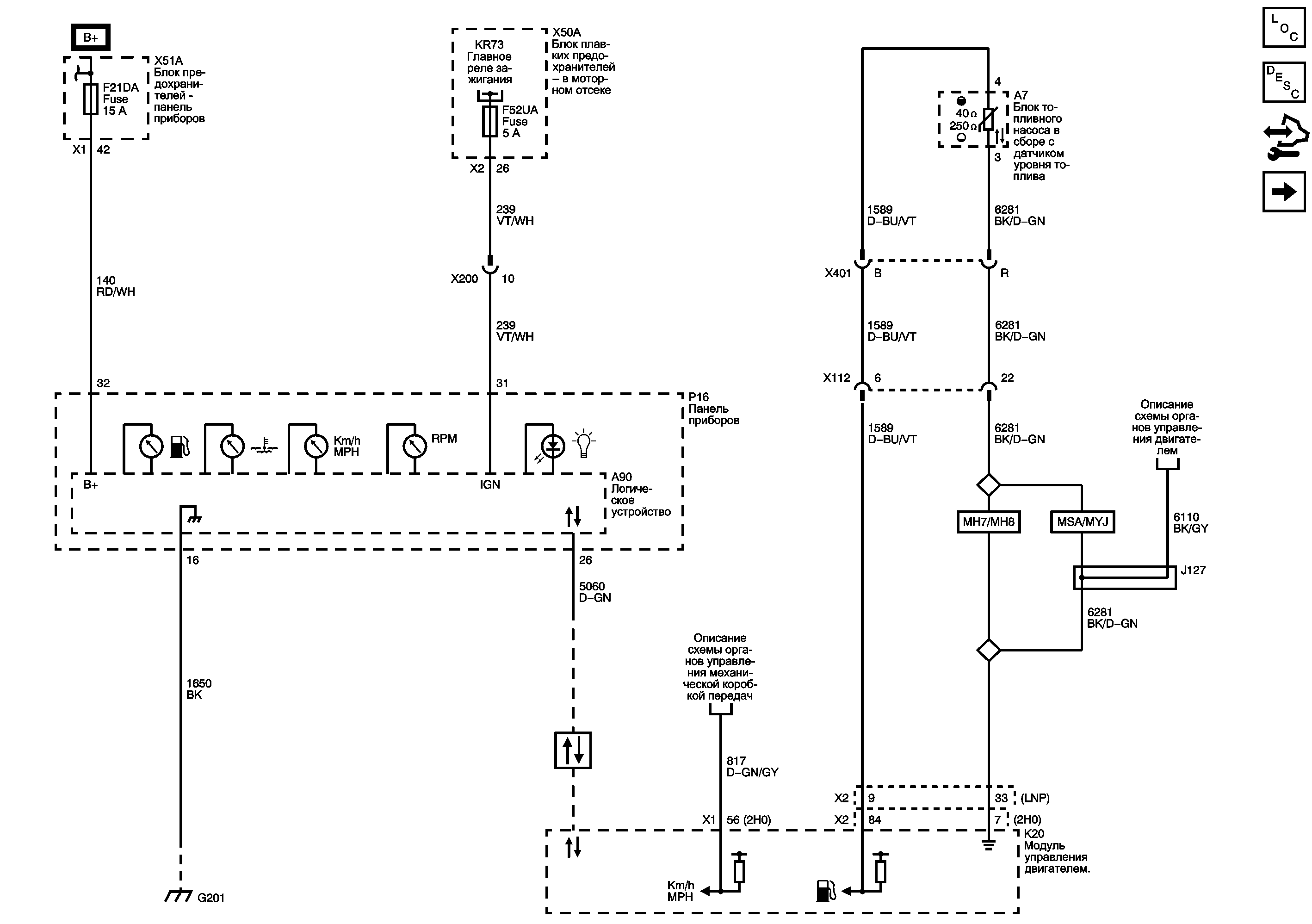
Описание и работа комбинации приборов
Модуль управления Справочные сведения
Предохранители F14DA, F15DA, F17DA, F21DA, F23DA, F24DA и F25DA
Предохранители F16UA, F17UA, F18UA, F52UA, F54UA и F57UA
Шина 5 В и шина низкого опорного напряжения (2 из 2)
| https://vnx.su/ 🛠 Руководства по ремонту и эксплуатации для автомобилей |
| https://vnx.su/ 🛠 Руководства по ремонту и эксплуатации для автомобилей |