Orlando |
||||||||
|
|
|
|||||||

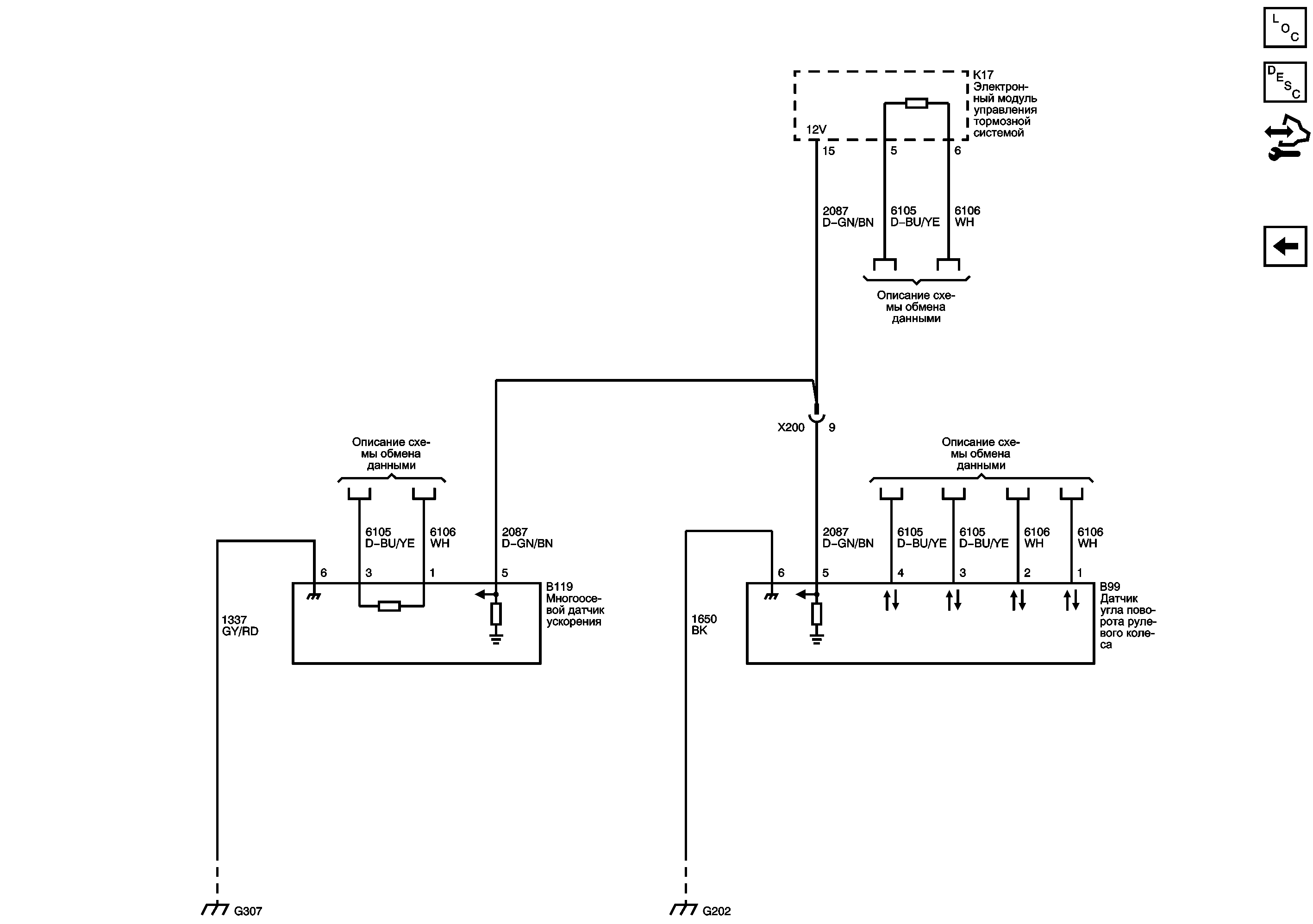
Перечень основных электрических компонентов
Модуль управления Справочные сведения
Датчики скорости вращения колес
| https://vnx.su/ 🛠 Руководства по ремонту и эксплуатации для автомобилей |
| https://vnx.su/ 🛠 Руководства по ремонту и эксплуатации для автомобилей |