Orlando |
||||||||
|
|
|
|||||||

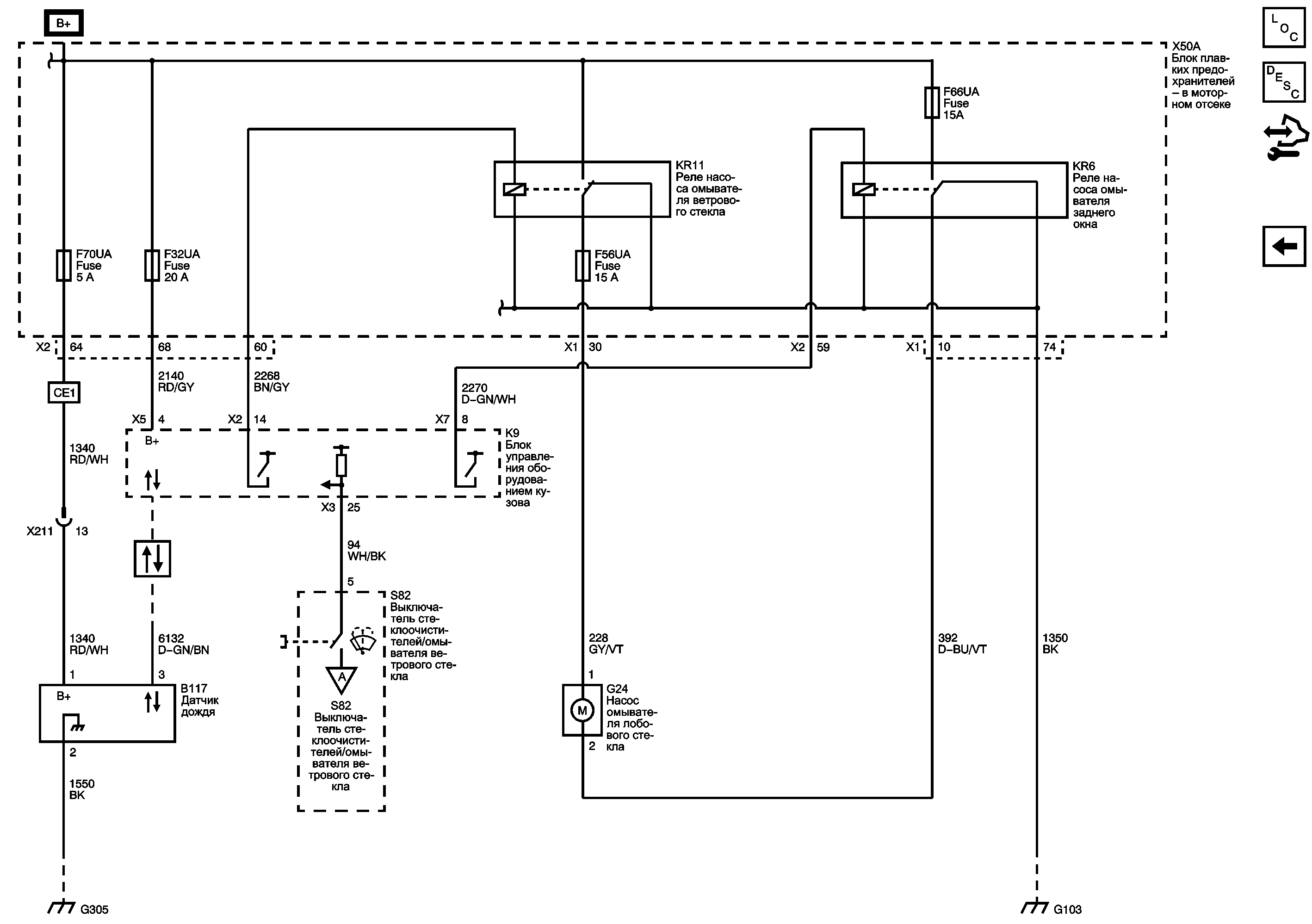
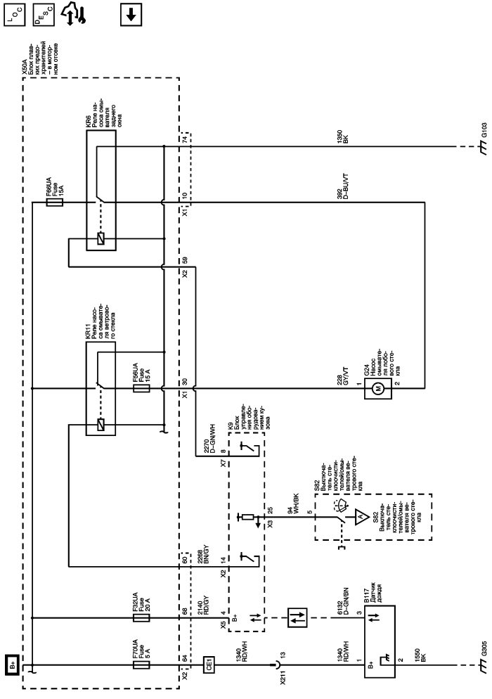
Список электрических компонентов управления
Стеклоочиститель/стеклоомыватель, описание и работа
Модуль управления Справочные сведения
Предохранители F2UA, F21UA, F27UA, F31UA, F32UA, F34UA, F35UA, F69UA и F70UA
Предохранители F28UA, F30UA, F37UA, F51UA, F56UA и F60UA
Внешние виды обозначения электрического блока
| https://vnx.su/ 🛠 Руководства по ремонту и эксплуатации для автомобилей |
| https://vnx.su/ 🛠 Руководства по ремонту и эксплуатации для автомобилей |