Наверх документа
Cruze
   
Начальная страница GMDE Загрузить статическое оглавление Загрузить динамическое оглавление Помощь?

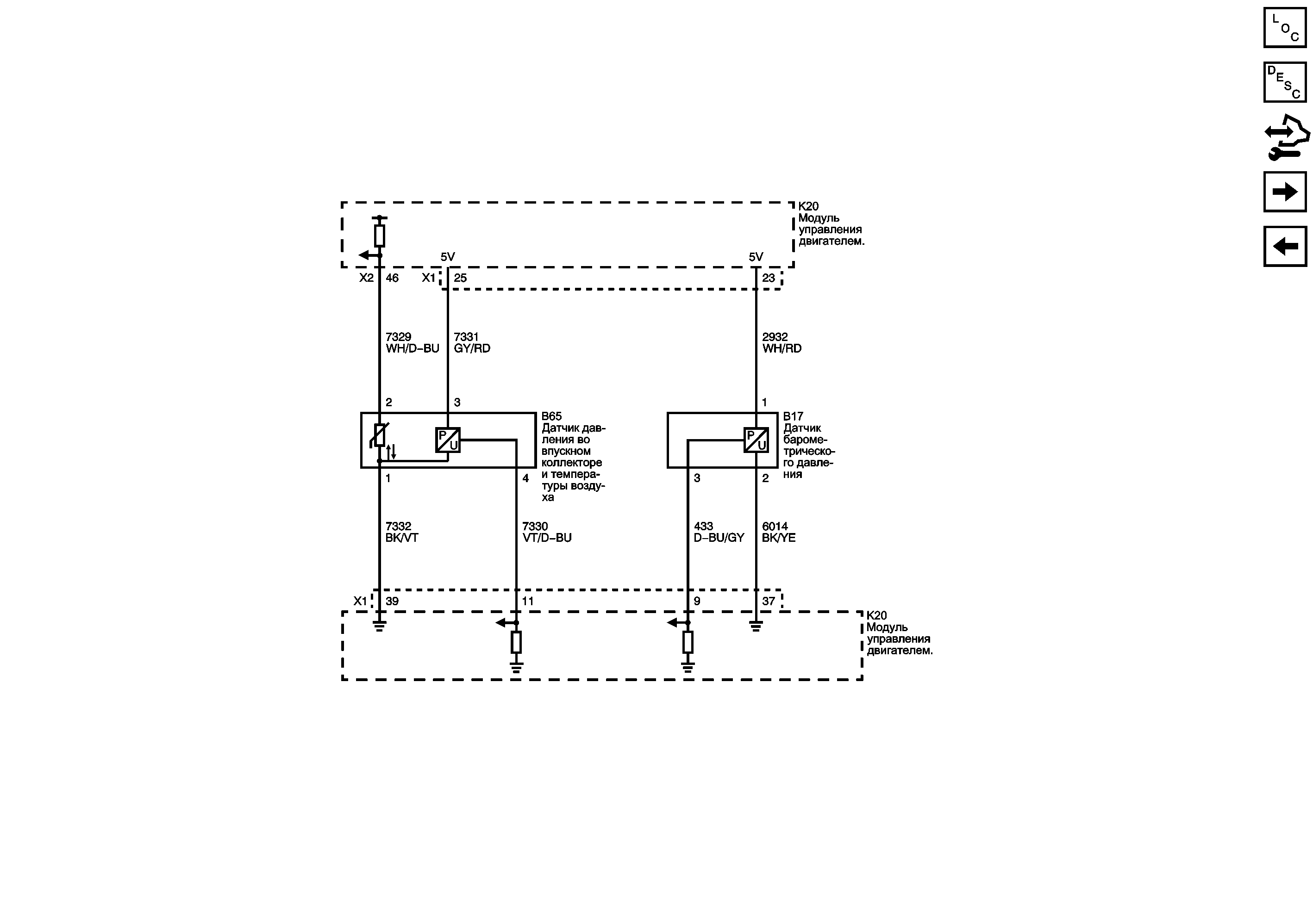
Датчики барометрического давления, входного давления и температуры воздуха



            |                         |            
2519843RU.png

Графический дисплей

Список электрических компонентов управления

Контроллер ЭСУД (ECM)

Модуль управления Справочные сведения

Контролируемые/отслеживаемые обращения к подсистеме

Управление топливной системой и системой зажигания - топливные форсунки, топливный насос и катушка зажигания

   


https://vnx.su/ 🛠 Руководства по ремонту и эксплуатации для автомобилей

Поиск по сайту

Остались вопросы или пожелания? Пишите на почту: support@vnx.su

Карта Сайта