Cruze |
||||||||
|
|
|
|||||||

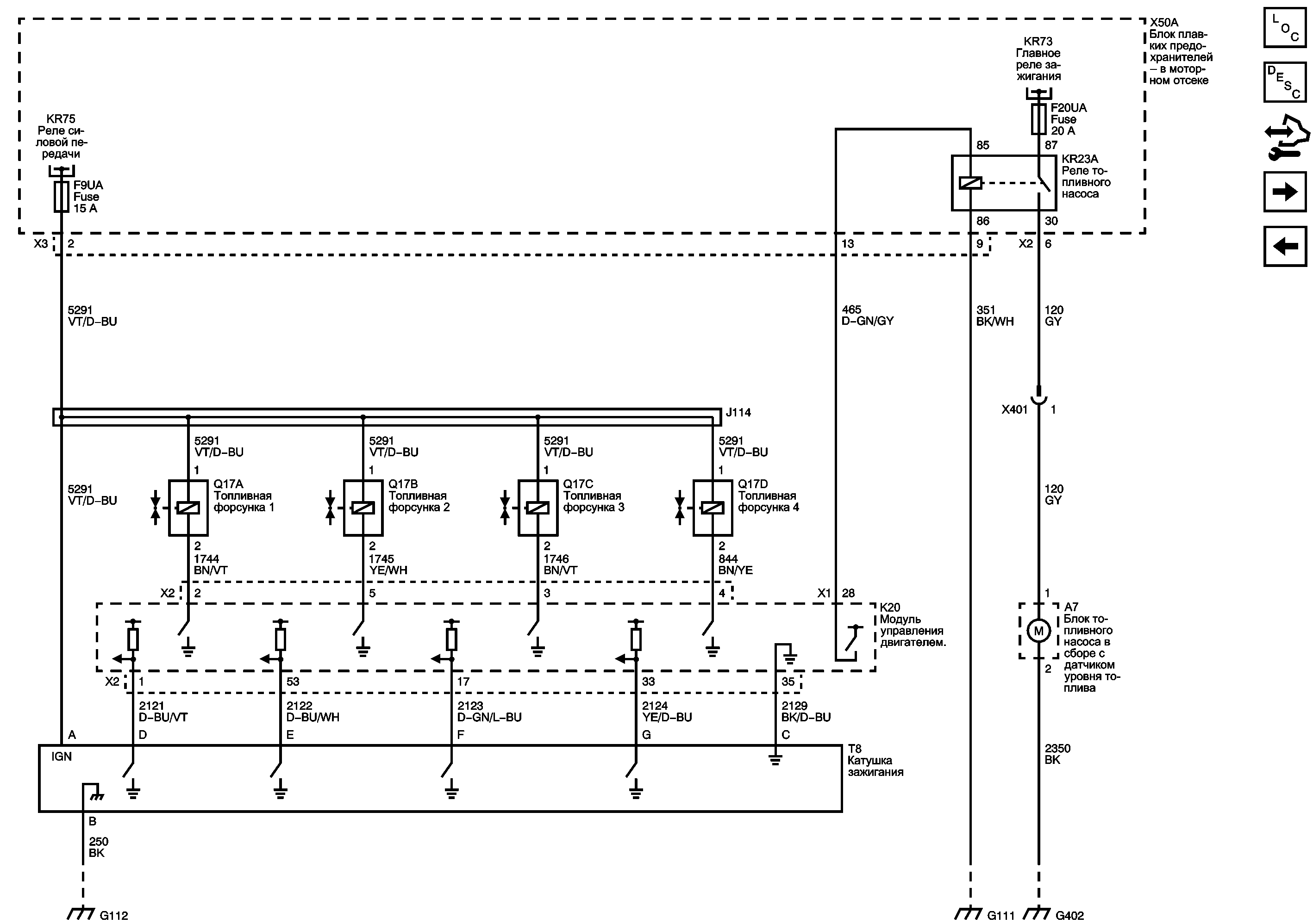
Список электрических компонентов управления
Модуль управления Справочные сведения
Датчики барометрического давления, входного давления и температуры воздуха
Датчики кислорода и управление системы улавливания паров топлива
| https://vnx.su/ 🛠 Руководства по ремонту и эксплуатации для автомобилей |