Cruze |
||||||||
|
|
|
|||||||

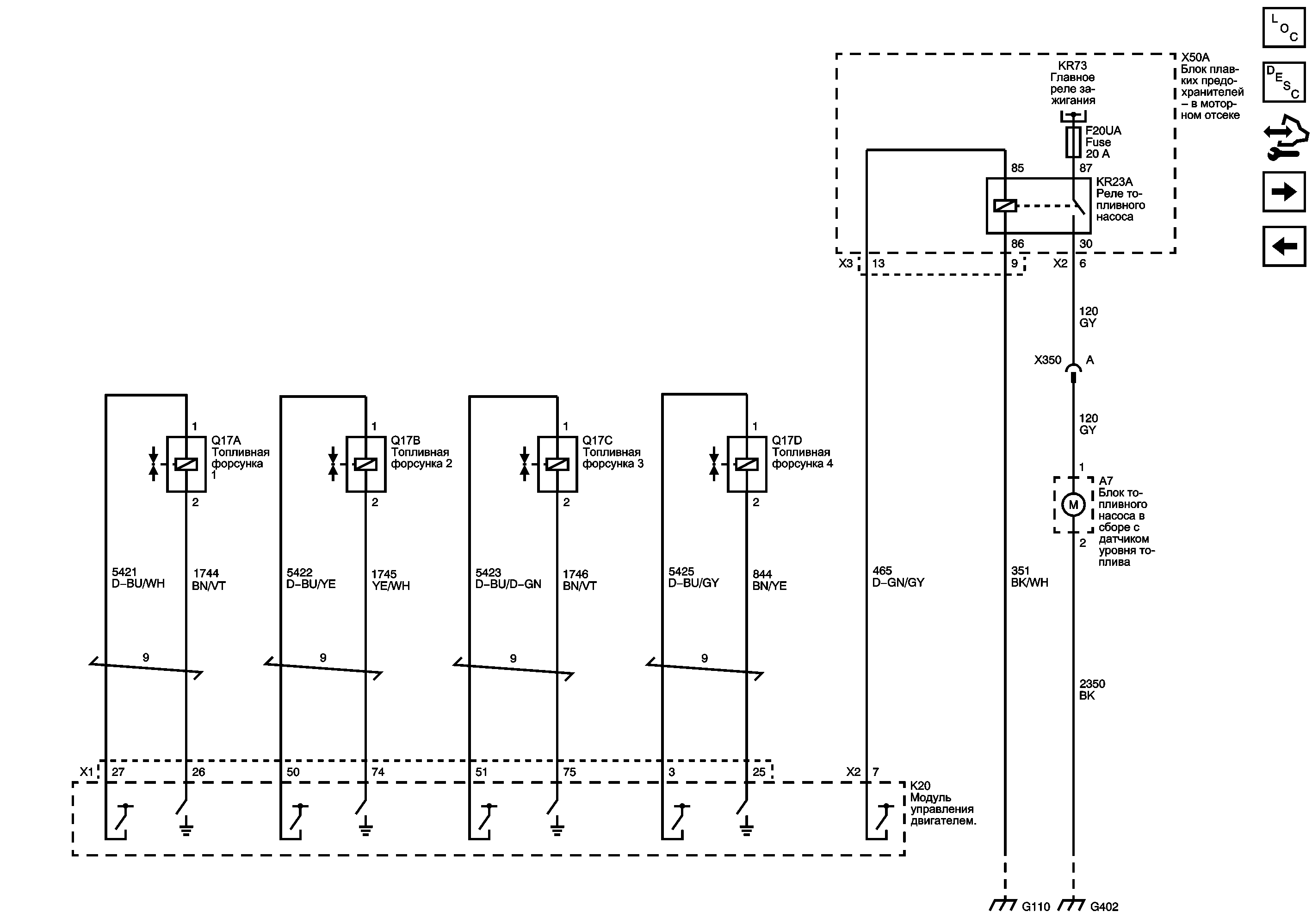
Список электрических компонентов управления
Модуль управления Справочные сведения
Органы управления топливом - нагреватель топлива
Контроль топлива - выхлопная система и датчики трубы топливного распределителя
| https://vnx.su/ 🛠 Руководства по ремонту и эксплуатации для автомобилей |