Cruze |
||||||||
|
|
|
|||||||

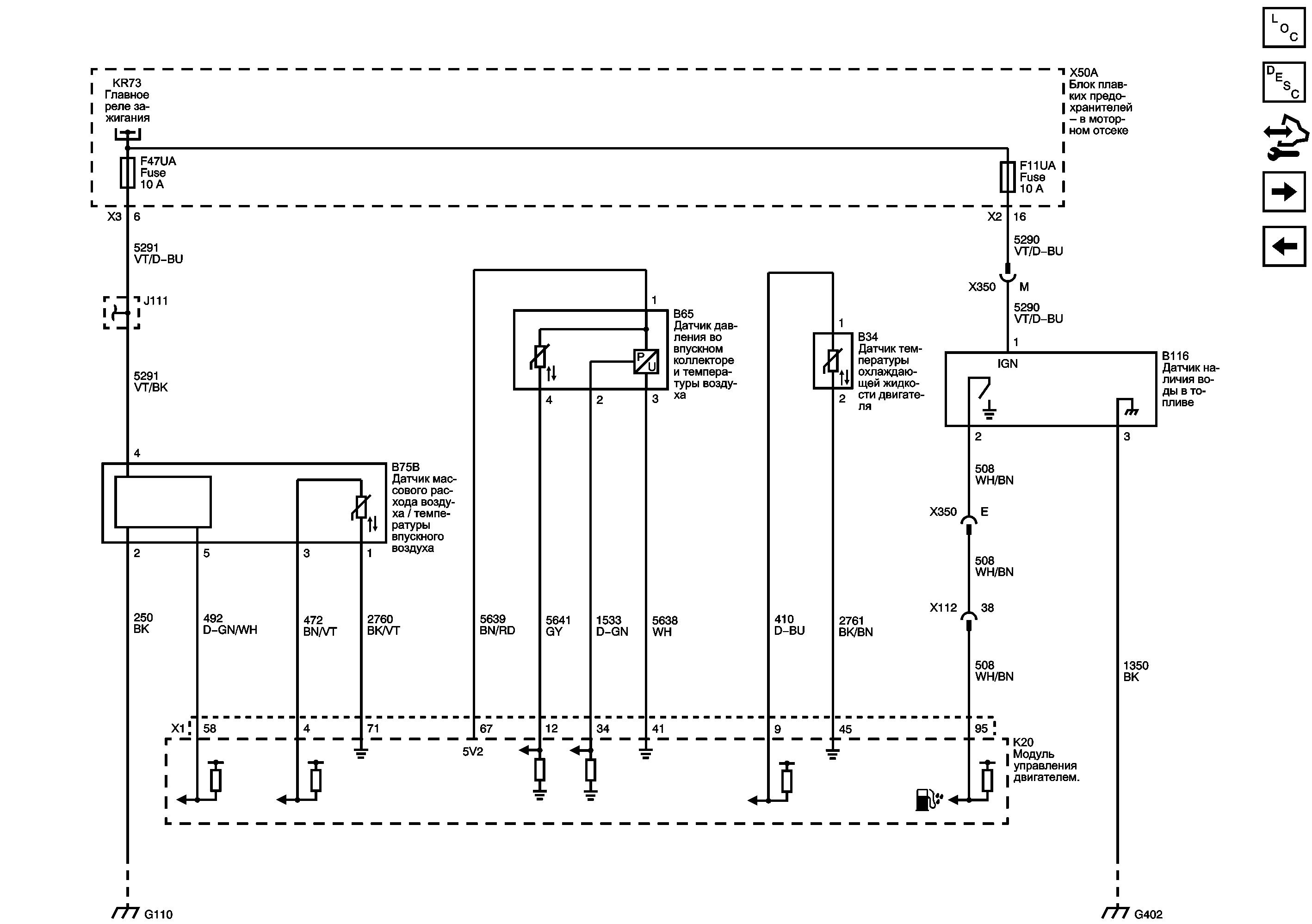
Список электрических компонентов управления
Модуль управления Справочные сведения
Датчики данных двигателя - средства управления дроссельной заслонкой
Шина низкого опорного напряжения (3 из 3)
| https://vnx.su/ 🛠 Руководства по ремонту и эксплуатации для автомобилей |