Cruze |
||||||||
|
|
|
|||||||

Список электрических компонентов управления
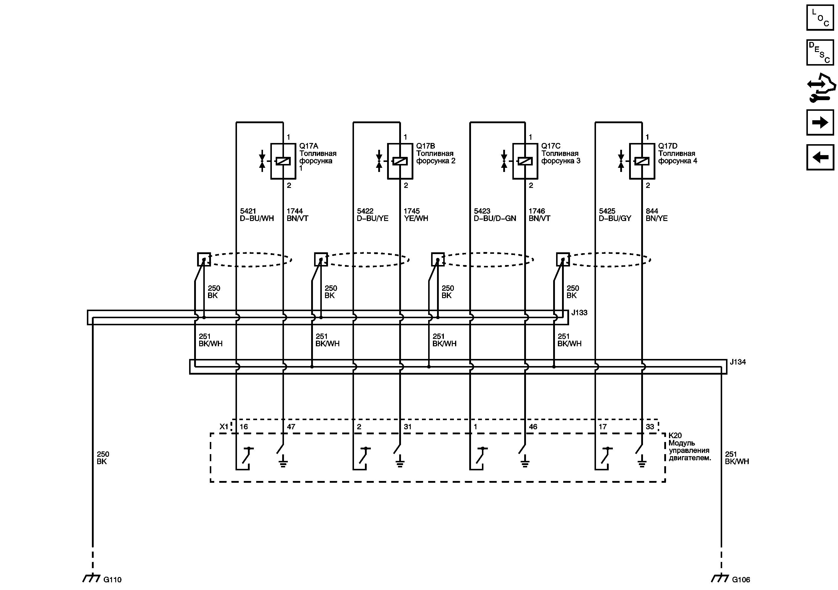
Модуль управления Справочные сведения
Датчики данных двигателя - выхлопная система и турбокомпрессор
Управление свечами накаливания
Предохранители F1UA, F26UA, F30UA, F33UA, F55UA, F64UA и F67UA
Предохранители F16UA, F17UA, F18UA, F20UA, F52UA, F54UA и F57UA
Схематические обозначения электрических элементов управления
| https://vnx.su/ 🛠 Руководства по ремонту и эксплуатации для автомобилей |