Cruze |
||||||||
|
|
|
|||||||

Список электрических компонентов управления
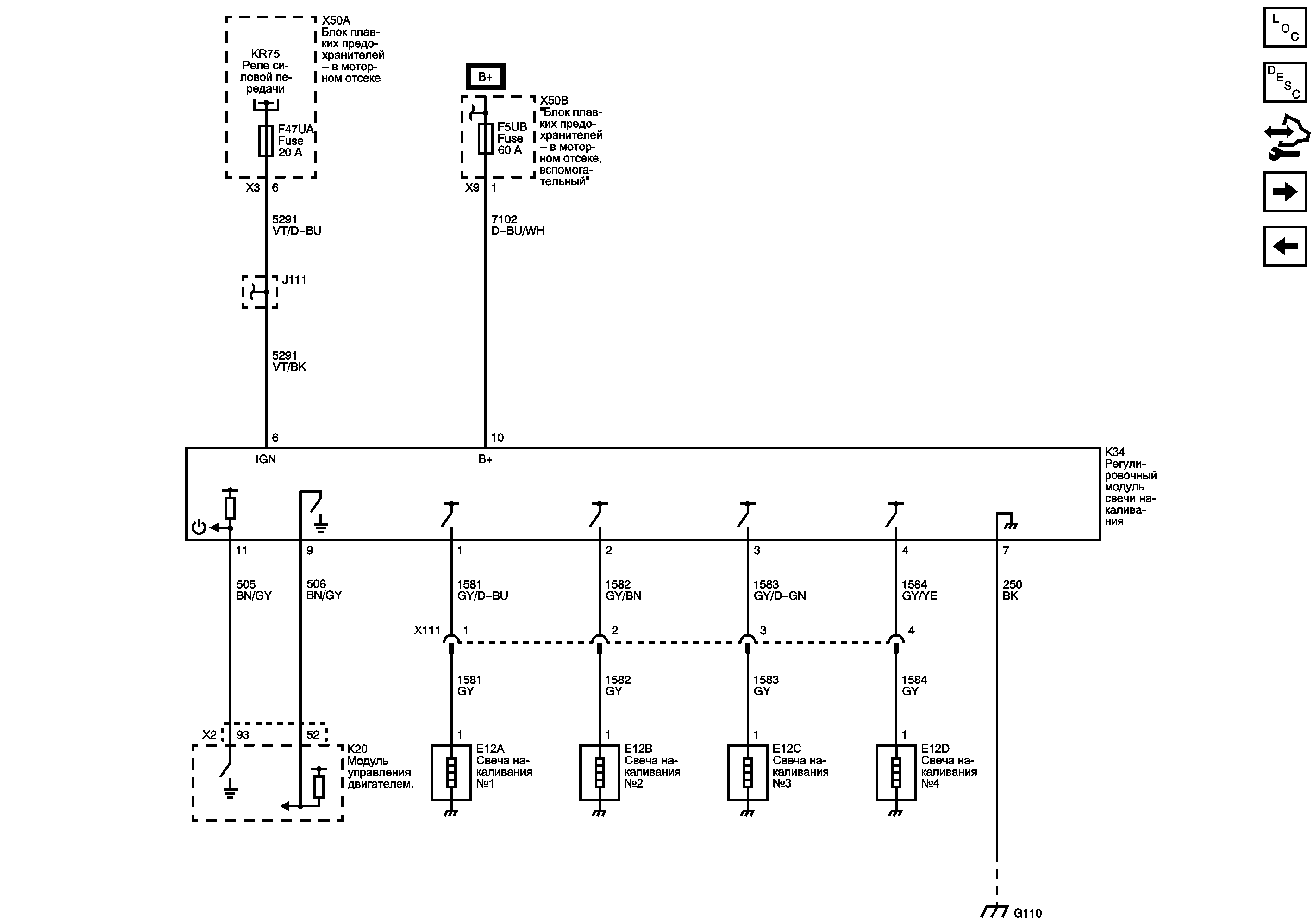
Модуль управления Справочные сведения
Органы управления топливом - топливные форсунки
Органы управления дроссельной заслонкой и датчики положения
Предохранители F16UA, F17UA, F18UA, F20UA, F52UA, F54UA и F57UA
Электрический центр - Обозначение - Иллюстрации
Схематические обозначения электрических элементов управления
| https://vnx.su/ 🛠 Руководства по ремонту и эксплуатации для автомобилей |