Cruze |
||||||||
|
|
|
|||||||

Список электрических компонентов управления
Модуль управления Справочные сведения
Шина 5 В и шина низкого опорного сигнала (1 из 2)
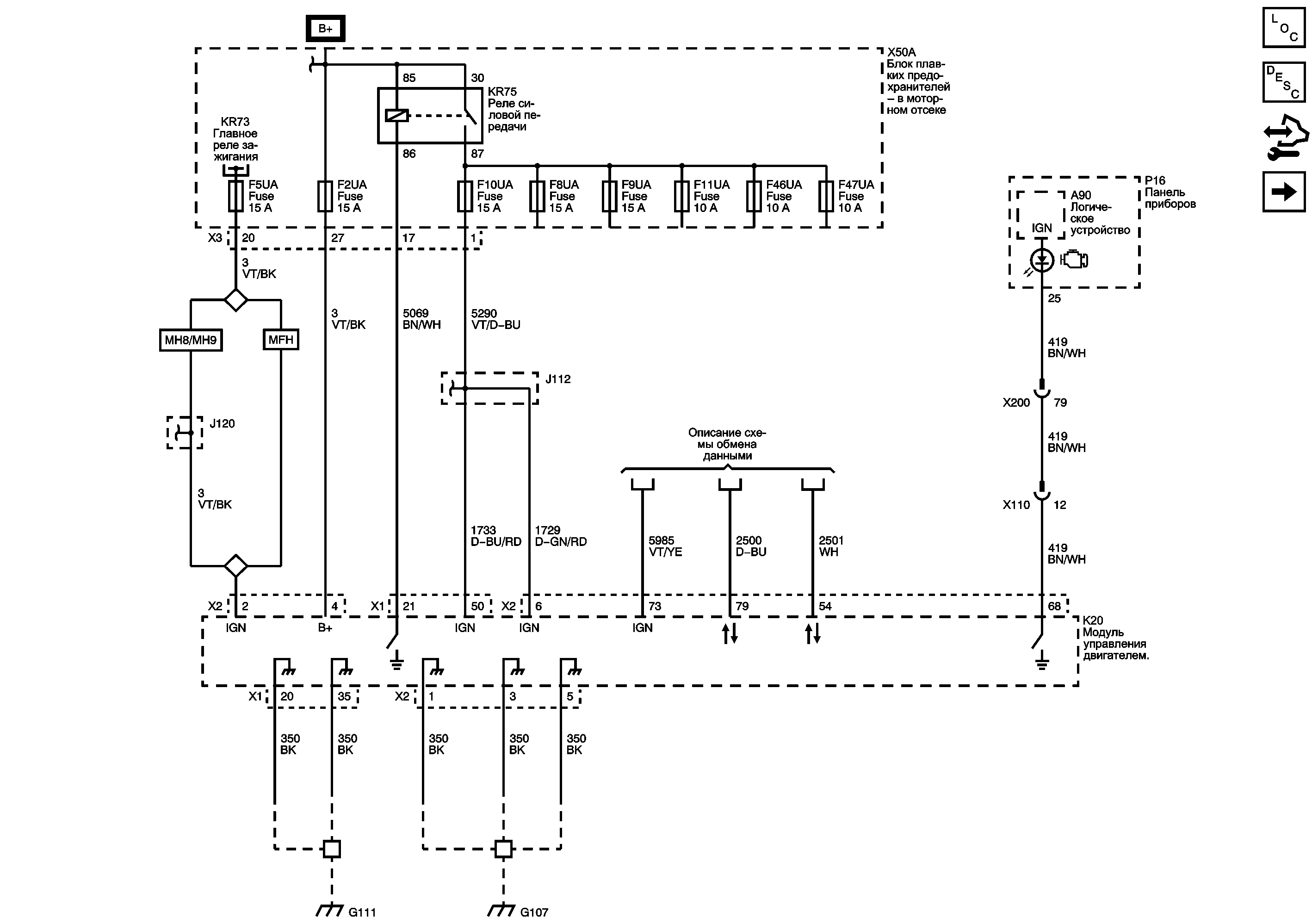
Предохранители F2UA, F21UA, F25UA, F27UA, F31UA, F32UA, F34UA, F35UA, F69UA и F70UA
Предохранители F5UA, F13UA, F53UA и F65UA
Предохранители F8UA, F9UA, F10UA и F11UA
Электрический центр - Обозначение - Иллюстрации
Предохранители F8UA, F9UA, F10UA и F11UA
G107, G111 и G112 (2H0 или LXV)
| https://vnx.su/ 🛠 Руководства по ремонту и эксплуатации для автомобилей |