Cruze |
||||||||
|
|
|
|||||||

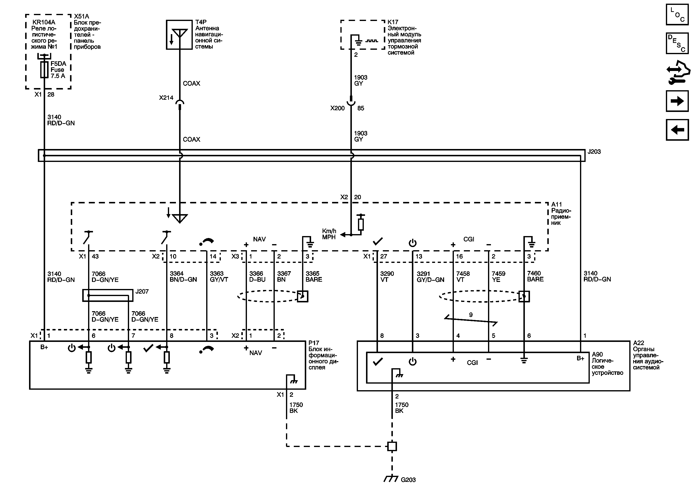
Список электрических компонентов управления
Радио/аудиосистема, описание и принципы работы
Модуль управления Справочные сведения
Центральный динамик и сабвуфер (UQG)
| https://vnx.su/ 🛠 Руководства по ремонту и эксплуатации для автомобилей |