Наверх документа
Captiva
   
Начальная страница GMDE Загрузить статическое оглавление Загрузить динамическое оглавление Помощь?

Замена насоса охлаждающей жидкости - l4

Специальный инструмент

en-43651 Стопорный инструмент для насоса охлаждающей жидкости

Эквивалентные местные инструменты см. Специальный инструмент .

Процедура демонтажа

  1. Снимите узел очистителя воздуха. См. Воздушный фильтр в сборе Замена : LE5 или LE9 .
  2. Снять крышку впускного коллектора. См. Замена крышки впускного коллектора : LE5 или LE9 .
  3. Снять термозащитный щиток выпускного коллектора. См. Термозащитный щиток выпускного коллектора Замена : LE5 .
  4. Если автомобиль оснащен обогревателем охлаждающей жидкости, снять его. См. Замена нагревателя охлаждающей жидкости : LNQ → LF1 → LE5 .
  5. Снять каталитический нейтрализатор. См. Каталитический нейтрализатор Замена : LE5 .
  6. Снимите корпус термостата охлаждающей жидкости двигателя. См. Замена корпуса термостата охлаждающей жидкости двигателя : LF1 → LE5 .

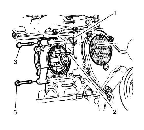
  7. 2637652
  8. Снять крышку (2) водяного насоса, крепеж (3) и прокладку (1) с передней крышки двигателя.

  9. 964352

    Примечание: Для дополнительного слива охлаждающей жидкости из блока двигателя и водяного насоса на нижней части водяного насоса в сборе установлена сливная пробка.

  10. Слейте из водяного насоса охлаждающую жидкость, открыв пробку в нижней части насоса. После завершения установите пробку на место.

  11. 2637656

    Примечание: Держатель насоса охлаждающей жидкости удерживает шестерню и цепь во время техобслуживания насоса. Нужно использовать специальный инструмент или синхронизировать уровновешивающий вал.

  12. Совместите держатель водяного насоса en-43651 (1) с резьбой на шестерне насоса охлаждающей жидкости. Затянуть крепления (2) держателя водяного насоса.

  13. 2637660
  14. Закрепить держатель водяного насоса с ранее снятыми фиксаторами (1) крышки водяного насоса на передней крышке двигателя.

  15. 2637663
  16. Снять фиксаторы крепления (1) цепного колеса водяного насоса к водяному насосу.

  17. 2442866

    Примечание: Нужно обязательно вынуть оба болта насоса охлаждающей жидкости из блока двигателя.

  18. Снять передние фиксаторы водяного насоса (1).

  19. 1578334
  20. Снять задние фиксаторы водяного насоса (1).

  21. 2637665
  22. Снять узел водяного насоса (1).

  23. 2637669
  24. При замене крышки водяного насоса снять фиксаторы (4) задней крышки водяного насоса.
  25. Разъединить крышку (1) водяного насоса от водяного насоса (3).
  26. Снимите уплотнительное кольцо водяного насоса (2) и выбросите в отходы.

Процедура установки

    Осторожно: См. Предупреждение о крепежных деталях во введении.


    2637669
  1. При замене крышки (1) водяного насоса установить новое уплотнительное кольцо (2) на водяной насос (3) и затянуть фиксаторы (4) с моментом 25 Н·м (18 фунт футов)

  2. 2637706

    Примечание: Для выравнивания насоса охлаждающей жидкости можно использовать направляющий штифт. Используйте палец (2 дюйма) M 6 м x 6 мм x 50,8 мм. Вверните штифт в шестерню насоса водяного охлаждения.

  3. С помощью направляющего штифта (2) совместить штифт с держателем водяного насоса.
  4. Расположите водяной насос (1) напротив блока двигателя и плотно затяните фиксаторы (3).

  5. 2637754
  6. Установить 2 фиксатора крепления (1) цепного колеса водяного насоса к водяному насосу. После плотной фиксации креплений снять направляющий штифт (2) и установить 3-й фиксатор (3) и затянуть с моментом 10 Н·м (89 фунт футов).

  7. 2442866
  8. Установить фиксаторы (1) водяного насоса на передней части автомобиля. Пока затянуть их от руки.
  9. Затянуть фиксаторы водяного насоса спереди и сзади водяного насоса с моментом 25 Н·м (18 фунт футов).

  10. 2637660
  11. Снять фиксаторы (1) крышки водяного насоса с передней крышки двигателя и держателя водяного насоса.

  12. 2637656
  13. Снять держатель водяного насоса en-43651 (1) со звездочки водяного насоса.

  14. 2637652
  15. Установите прокладку (1) и фиксаторы (3) пластины доступа (2) насоса охлаждающей жидкости и затяните с моментом 10 Н·м (89 фунт дюймов).
  16. Если автомобиль оснащен обогревателем охлаждающей жидкости, установить его. См. Замена нагревателя охлаждающей жидкости : LNQ → LF1 → LE5 .
  17. Установите корпус термостата охлаждающей жидкости двигателя. См. Замена корпуса термостата охлаждающей жидкости двигателя : LF1 → LE5 .
  18. Установить каталитический нейтрализатор. См. Каталитический нейтрализатор Замена : LE5
  19. Установить термозащитный щиток выпускного коллектора. См. Термозащитный щиток выпускного коллектора Замена : LE5 .
  20. Установить крышку впускного коллектора. См. Замена крышки впускного коллектора : LE5 или LE9 .
  21. Установите воздушный фильтр в сборе. См. Воздушный фильтр в сборе Замена : LE5 или LE9 .
  22. Вновь залить охлаждающую жидкость в систему охлаждения. См. Система охлаждения Слив и заправка .
   


https://vnx.su/ 🛠 Руководства по ремонту и эксплуатации для автомобилей

Поиск по сайту

Остались вопросы или пожелания? Пишите на почту: support@vnx.su

Карта Сайта