Наверх документа
Captiva
   
Начальная страница GMDE Загрузить статическое оглавление Загрузить динамическое оглавление Помощь?

Каталитический нейтрализатор Замена - le5


2443988

Выноска

Название компонента

Предварительные процедуры

  1. Снять датчик кислорода. См. Замена обогреваемого кислородного датчика - Датчик 2 : LE5 , LE9 или LAF
  2. Снять термозащитный щиток выпускного коллектора. См. Термозащитный щиток выпускного коллектора Замена : LE5

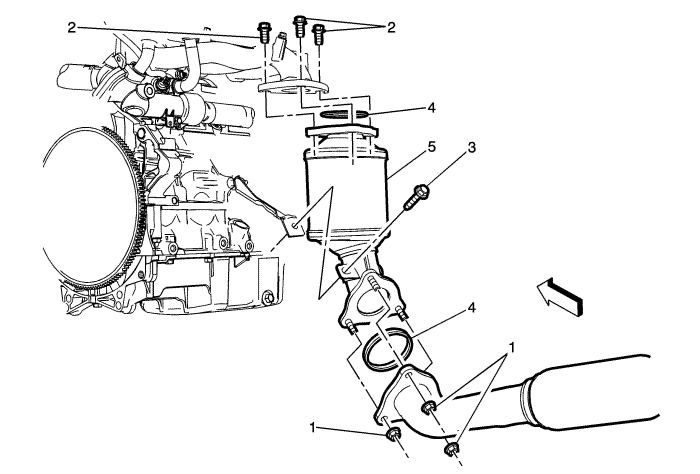
1

Гайка приемной выхлопной трубы (кол-во: 3 шт.)

Осторожно: См. Предупреждение о крепежных деталях во введении.

Затянуть
50 Н·м (37 фунт-футов)

2

Болт выпускного коллектора (кол-во: 3 шт.).

Затянуть
50 Н·м (37 фунт-футов)

3

Болт кронштейна выпускной системы

Затянуть
50 Н·м (37 фунт-футов)

4

Уплотнение

Подсказка
Установить НОВЫЕ уплотнения.

5

Каталитический нейтрализатор

   


https://vnx.su/ 🛠 Руководства по ремонту и эксплуатации для автомобилей

Поиск по сайту

Остались вопросы или пожелания? Пишите на почту: support@vnx.su

Карта Сайта