Captiva |
||||||||
|
|
|
|||||||

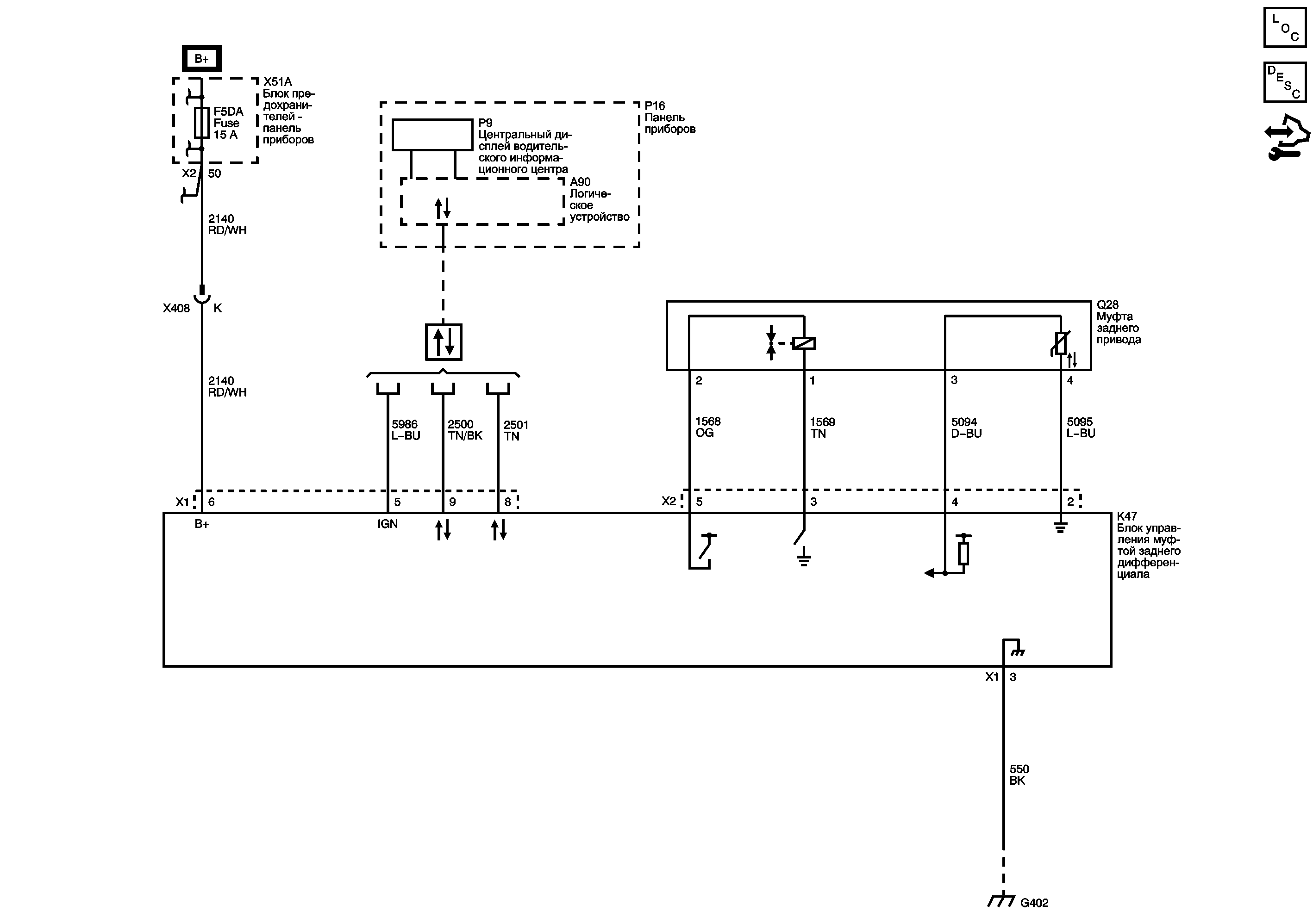
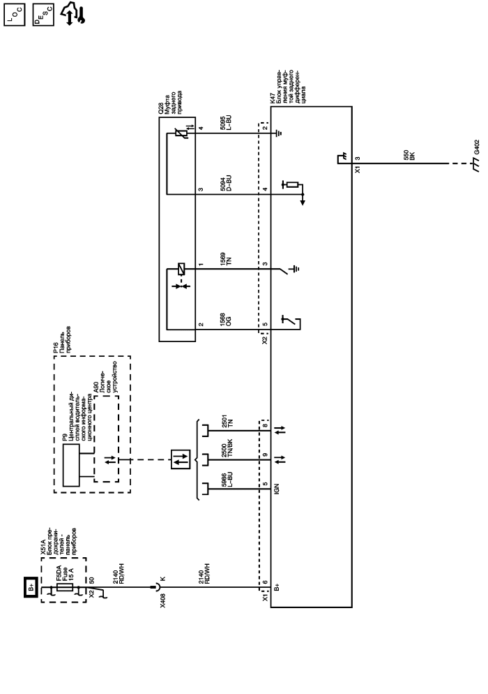
Список электрических компонентов управления
Описание и эксплуатация картера заднего моста
Модуль управления Справочные сведения
Предохранители F1DA, F5DA, F6DA, F9DA, F19DA, F29UA, F50DA и F51DA
| https://vnx.su/ 🛠 Руководства по ремонту и эксплуатации для автомобилей |