К верхней части документа
Captiva
   
Начальная страница GMDE Загрузить статическое содержание Загрузить динамическое содержание Справка?

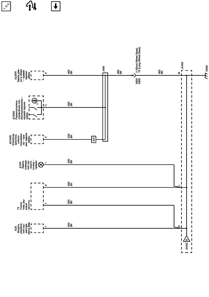
G402 (2 из 2)



            |                         |            
2515856RU.png

Графический дисплей

Список электрических компонентов управления

Модуль управления Справочные сведения

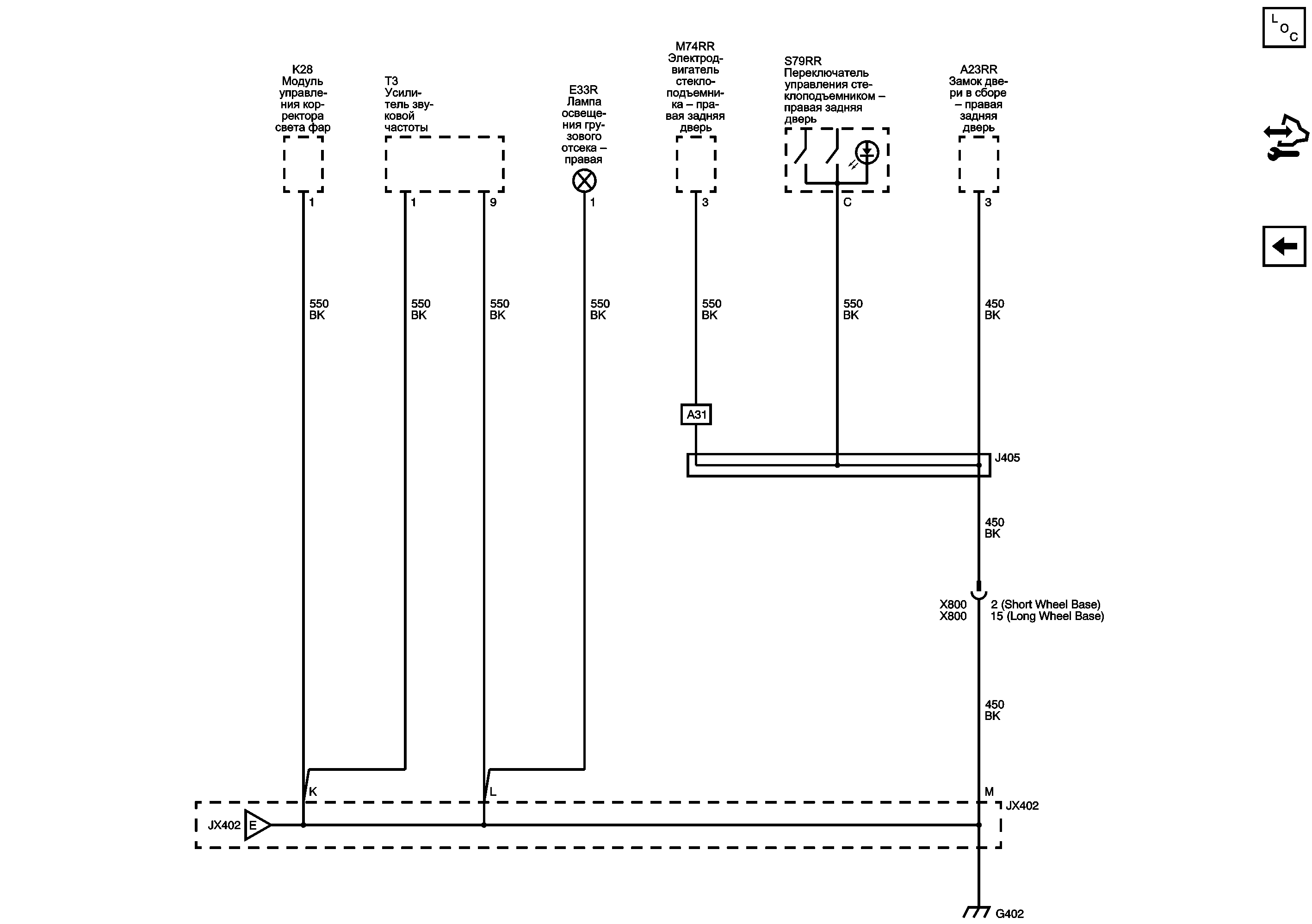
G402 (1 из 2)

   


https://vnx.su/ 🛠 Руководства по ремонту и эксплуатации для автомобилей

Поиск по сайту

Остались вопросы или пожелания? Пишите на почту: support@vnx.su

Карта Сайта