Наверх документа
Captiva
   
Начальная страница GMDE Загрузить статическое оглавление Загрузить динамическое оглавление Помощь?

Замена цепи привода ГРМ, звездочки и натяжителя - le5 или le9

Специальный инструмент

    • en-45027 Приспособление для натяжителя
    • en-45059 Измеритель угла
    • en-48953 Стопорный инструмент для привода распредвала

Эквивалентные местные инструменты см. Специальный инструмент : LE5 или LE9

Процедура демонтажа


    1578296
  1. Демонтировать свечу зажигания с цилиндра номер 1. См. Замена свечи зажигания .
  2. Повернуть коленвал в направлении вращения двигателя (по часовой стрелке), чтобы поршень номер 1 был установлен в верхнюю мертвую точку (ВМТ) на такте выпуска.
  3. Снять крышку распредвала См. Крышка распределительного вала Замена : LE5 или LE9 .
  4. Снять переднюю крышку двигателя. См. Замена передней крышки двигателя : LE5 , LE9 или LAF .
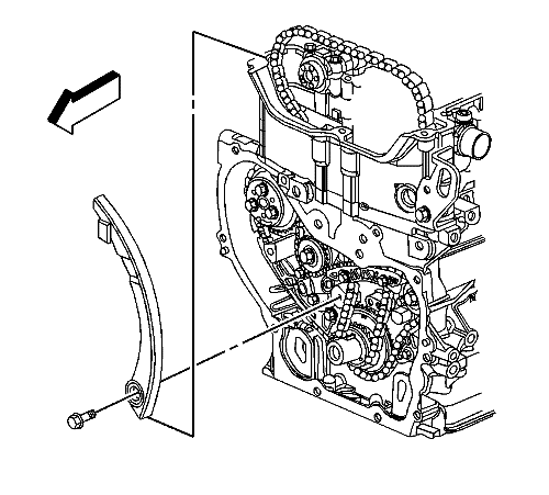
  5. Открутить болты верхней направляющей цепи привода ГРМ и снять направляющую.

  6. 1769723

    Примечание: Натяжитель приводной цепи ГРМ должен быть снят, чтобы устранить натяжение цепи, перед демонтажом приводной цепи ГРМ. Если этого не сделать, приводная цепь ГРМ натянется, и снять ее будет очень трудно.

  7. Снять натяжитель приводной цепи ГРМ.

  8. 1578298
  9. Установить ключ на 24 мм на шестигранник выпускного распредвала, чтобы удерживать распредвал.
  10. Открутить и выбросить болт (2) привода регулирования фазы выпускного распредвала.
  11. Снять привод регулирования фазы выпускного распредвала (1, 3) с распредвала и цепи привода ГРМ.

  12. 1578299
  13. Открутить болт направляющей цепи привода ГРМ и снять направляющую.

  14. 412164
  15. Снять сервисную заглушку в неподвижной направляющей приводной цепи ГРМ.

  16. 412165
  17. Открутить болты неподвижной направляющей цепи привода ГРМ и снять направляющую.

  18. 1578297
  19. Установить ключ на 24 мм на шестигранник впускного распредвала, чтобы удерживать распредвал.
  20. Открутить и выбросить болт (2) привода регулирования фазы впускного распредвала.
  21. Снять привод регулирования фазы впускного распредвала (3) и приводную цепь ГРМ через верх головки цилиндров.

  22. 2128110

    Примечание: В 4-х цилиндровых двигателях ecotec с прямым впрыском топлива sidi нижняя кривошипно-шатунная шестерня цепи газораспределительного механизма может оснащаться второй проставочной шайбой перед нижней кривошипно-шатунной шестерни цепи ГРМ. Наружная проставка/шайба находится между шкивом коленчатого вала/балансира и нижней кривошипно-шатунной шестерни и может оставаться на месте при снятии шкива. На поверхности проставки/шайбы имеется точка/отметка которую можно спутать с нижней отметкой фазы газораспределения. В таком случае следует снять шайбу, чтобы найти правильную отметку фазы газораспределения на нижней кривошипно-шатунной шестерне.

  23. Снять наружную фрикционную шайбу (1), если она установлена.
  24. Убедиться, что отметка фазы газораспределения коленвала (2) находится в положении 5 часов, а шпонка коленвала в положении 12 часов.
  25. Снять звездочку коленчатого вала (3).
  26. Снять внутреннюю фрикционную шайбу (1).

Процедура установки


    2224131
  1. На двигателях 2.2L убедиться в том, что засечка впускного распредвала находится в положении "10 часов" (2), а засечка выпускного распредвала – в положении "7 часов" (1). Поршень 1-го цилиндра должен находиться в положении ВМТ, при этом шпонка коленвала должна находиться в положении "12 часов".

  2. 1825076
  3. На двигателях 2.4L убедиться в том, что засечка впускного распредвала находится в положении "5 часов" (2), а засечка выпускного распредвала – в положении "7 часов" (1). Поршень 1-го цилиндра должен находиться в положении ВМТ, при этом шпонка коленвала должна находиться в положении "12 часов".

  4. 2128110

    Примечание: В 4-х цилиндровых двигателях ecotec с прямым впрыском топлива sidi нижняя кривошипно-шатунная шестерня цепи газораспределительного механизма может оснащаться второй проставочной шайбой перед нижней кривошипно-шатунной шестерни цепи ГРМ. Наружная проставка/шайба находится между шкивом коленчатого вала/балансира и нижней кривошипно-шатунной шестерни и может оставаться на месте при снятии шкива. На поверхности проставки/шайбы имеется точка/отметка которую можно спутать с нижней отметкой фазы газораспределения. В таком случае следует снять шайбу, чтобы найти правильную отметку фазы газораспределения на нижней кривошипно-шатунной шестерне.

  5. Установить внутреннюю фрикционную шайбу (1).
  6. Установить зубчатое колесо коленвала по направлению наружу с отметкой фазы газораспределения (2) в положении 5 часов.
  7. Установить наружную фрикционную шайбу (1), если оснащается.

  8. 1594347

    Примечание: 

       • В цепи привода ГРМ имеется 3 звена с цветными метками. Два звена имеют одинаковый цвет, а 1 звено отличается. Выполнить следующее, чтобы совместить звенья с приводами: Расположить цепь так, чтобы были видны цветные звенья.
       • Всегда необходимо использовать новые болты крепления исполнительного устройства.

  9. Произвести сборку исполнительного устройства распределительного вала впускных клапанов с цепью газораспределительного механизма, при этом отметка синхронизации должны быть совмещена с цветным звеном цепи (1).

  10. 1825082
  11. Опустить цепь газораспределительного механизма через проем в головке цилиндров. Следует внимательно выполнять сборку, чтобы цепь располагалась вокруг обеих втулок блока цилиндров (1, 2).
  12. Установить исполнительное устройство на распределительный вал впускных клапанов, вставив направляющий штифт в паз распределительного вала.
  13. От руки завернуть новый болт исполнительного устройства распределительного вала впускных клапанов.

  14. 1594349
  15. Пропустить цепь привода ГРМ вокруг звездочки коленвала, при этом следует совместить первое из звеньев одинакового цвета с отметкой фазы газораспределения на звездочке коленвала, которая должна находиться примерно в положении "5 часов".
  16. Установить упорную шайбу, если это предусмотрено конструкцией.

  17. 1403949
  18. Провернуть коленчатый вал по часовой стрелке, чтобы устранить провисание цепи. Распределительный вал впускных клапанов не проворачивать.
  19. Осторожно: См. Предупреждение о крепежных деталях во введении.

  20. Установить регулируемую направляющую цепи привода ГРМ через проем в головке цилиндров и закрутить болт регулируемой направляющей цепи привода ГРМ. Затяните болт регулируемой направляющей цепи газораспределительного механизма с моментом затяжки 10 Н·м (89 фунт-дюйм).

  21. 1403953

    Примечание: Всегда необходимо использовать НОВЫЕ болты крепления исполнительного устройства.

  22. Установить привод регулирования фаз выпускного распредвала на цепь привода ГРМ, при этом отметка синхронизации должна быть совмещена со вторым из звеньев одинакового цвета.

  23. 1594351
  24. Установить исполнительное устройство на распределительный вал выпускных клапанов, вставив направляющий штифт в паз распределительного вала.
  25. С помощью открытого гаечного ключа на 24 мм повернуть выпускной распредвал примерно на 45 градусов, чтобы направляющий штифт привода регулирования фазы распредвала попал в паз распредвала.

  26. 1403887
  27. Когда привод сядет на кулачок, затянуть от руки новый болт привода регулирования фазы выпускного распредвала.

  28. 1889129
  29. Проверить, что все цветные звенья цепи по-прежнему совмещены с соответствующими отметками синхронизации. Если они не совпадают, повторить часть процедуры регулировки для совмещения отметок синхронизации.

  30. 412165
  31. Установить неподвижную направляющую приводной цепи ГРМ и закрутить болты. Затянуть болты неподвижной направляющей цепи привода ГРМ с моментом 10 Н·м (89 фунт-дюймов).

  32. 1403955
  33. Установить верхнюю направляющую приводной цепи ГРМ и закрутить болты. Затянуть болты верхней направляющей цепи привода ГРМ с моментом 10 Н·м (89 фунт-дюймов).

  34. 797246
  35. Переустановить натяжитель цепи ГРМ, выполнив следующие действия:
  36. 21.1. Снять упорное кольцо.
    21.2. Извлечь плунжер в сборе из корпуса натяжителя цепи газораспределительного механизма.
    21.3. Установить приспособление en-45027-2 (2) в тиски.
    21.4. Установить конец плунжера с пазом в приспособление en-45027-2 (2).
    21.5. С помощью приспособления en-45027-1 (1) вкрутить храповой цилиндр в плунжер.
    21.6.  Установить плунжер в сборе на место в корпус натяжителя.
    21.7.  Установить стопорное кольцо.

    1769723
  37. Проверить отсутствие повреждения уплотнения натяжителя цепи газораспределительного механизма. Если уплотнение повреждено, замените его.
  38. Проверить, что вся грязь и мусор удалены из резьбового отверстия натяжителя цепи газораспределительного механизма в головке цилиндров.
  39. Примечание: Проверить, что уплотнение натяжителя цепи газораспределительного механизма отцентрировано в процессе затяжки и устраняет возможность течи масла.

  40. Установить узел натяжителя приводной цепи ГРМ. Затянуть натяжитель приводной цепи ГРМ с моментом 75 Н·м (55 фунт-футов).
  41. Натяжитель цепи газораспределительного механизма освобождают, сжав на 2 мм (0,079 дюйм), при этом будет освобожден стопорный механизм в храповике. Чтобы освободить натяжитель цепи привода ГРМ, использовать подходящий инструмент с резиновым наконечником на конце. Пропустить инструмент вниз через кожух привода ГРМ до упора в цепь привода распредвала. Затем сделать резкий толчок по диагонали вниз, чтобы освободить натяжитель.

  42. 2128100
  43. Установите стопорный инструмент en-48953 (1) и затяните болты головки цилиндров с моментом затяжки 10 Н·м (89 фунт-дюйм).
  44. С помощью динамометрического ключа затянуть болт привода регулирования фаз распредвала с моментом 30 Н·м (22 фунт фута) плюс 100 градусов по угломеру en 45059.
  45. Снять стопорный инструмент en-48953.

  46. 412200
  47. Установить масляную форсунку приводной цепи ГРМ. Затянуть болт масляной форсунки приводной цепи ГРМ с моментом 10 Н·м (89 фунт-дюймов).

  48. 1769728
  49. Нанести уплотнительную мастику на резьбу заглушки отверстия доступа к болту направляющей цепи привода ГРМ. См. Клеи, жидкости, смазки и герметики
  50. Установить заглушку для отверстия доступа к болту направляющей цепи привода ГРМ Затянуть заглушку отверстия доступа с моментом 90 Н·м (66 фунт-футов).
  51. Установите переднюю крышку двигателя. См. Замена передней крышки двигателя : LE5 , LE9 или LAF .
  52. Установить крышку распредвала. См. Крышка распределительного вала Замена : LE5 или LE9 .
  53. Установить свечу зажигания на цилиндр номер 1. См. Замена свечи зажигания .
   


https://vnx.su/ 🛠 Руководства по ремонту и эксплуатации для автомобилей

Поиск по сайту

Остались вопросы или пожелания? Пишите на почту: support@vnx.su

Карта Сайта