Наверх документа
Captiva
   
Начальная страница GMDE Загрузить статическое оглавление Загрузить динамическое оглавление Помощь?

Замена передней крышки двигателя - le5 , le9 или laf

Процедура демонтажа

  1. Снимите держатель подвески двигателя. См. Кронштейн подвески двигателя Замена : LE5 , LE9 или LAF .
  2. Снять натяжитель приводного ремня. См. Замена натяжителя приводного ремня : LE5 , LE9 или LAF .
  3. Снять балансир коленвала. См. Противовес коленчатого вала Замена : LE5 или LE9 .

  4. 1578293
  5. Открутить болт крепления передней крышки двигателя к насосу охлаждающей жидкости.

  6. 1578292
  7. Поднять и должным образом подпереть автомобиль. См. Подъем и пользование домкратом на автомобиле .
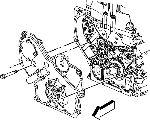
  8. Открутить болты передней крышки двигателя.
  9. Снять переднюю крышку двигателя.

  10. 1578294
  11. Снять и выбросить прокладку передней крышки двигателя.

Процедура установки


    1578294
  1. Установить НОВУЮ прокладку передней крышки двигателя на установочные штифты.
  2. Установите переднюю крышку двигателя.
  3. Осторожно: См. Предупреждение о крепежных деталях во введении.


    1578292
  4. Вверните болты в переднюю крышку двигателя и затяните их с моментом затяжки 25 Н·м (18 фунт-футов).
  5. Опустить автомобиль.

  6. 1578293
  7. Закрутить болт передней крышки двигателя к насосу охлаждающей жидкости и затянуть его с моментом 25 Н·м (18 фунт-футов).

  8. 1810256
  9. Установить балансир коленвала. См. Противовес коленчатого вала Замена : LE5 или LE9 .
  10. Установить натяжитель приводного ремня. См. Замена натяжителя приводного ремня : LE5 , LE9 или LAF .
  11. Установите держатель подвески двигателя. См. Кронштейн подвески двигателя Замена : LE5 , LE9 или LAF .
   


https://vnx.su/ 🛠 Руководства по ремонту и эксплуатации для автомобилей

Поиск по сайту

Остались вопросы или пожелания? Пишите на почту: support@vnx.su

Карта Сайта