Cruze
   
GMDE Start Page Load static TOC Load dynamic TOC Help?
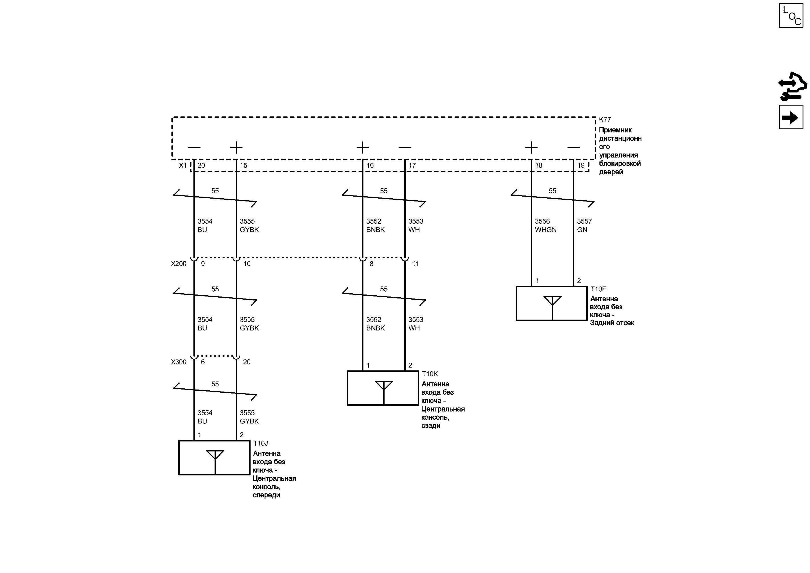
Антенны, внутреннее детектирование


            |                         |            
2203191RU.png


Display graphic

Display graphic

Компоненты
k77Приемник дистанционного управления блокировкой дверейt10jАнтенна входа без ключа - Центральная консоль, спереди
t10eАнтенна входа без ключа - Задний отсекt10kАнтенна входа без ключа - Центральная консоль, сзади
Разъемы
k77 (x1)Приемник дистанционного управления блокировкой дверей x1x300Жгут проводов панели приборов и жгут проводов консоли
x200Жгут проводов кузова и жгут проводов панели приборов
Цветовые коды
bnbkКоричневый-ЧерныйgybkСерый-Черный
buСинийwhБелый
gnЗеленыйwhgnБелый-Зеленый
1
2
Пассивный пуск Антенна в салоне 3 Высокий сигнал
WHGN Белый-Зеленый
Пассивный пуск Антенна в салоне 3 Низкий сигнал
GN Зеленый
18
19
1
2
17
16
8
11
Пассивный запуск - Внутренняя антенна 1 - Низкий сигнал
WH Белый
Пассивный запуск - Внутренняя антенна 1 - Высокий сигнал
BNBK Коричневый-Черный
1
2
Пассивный запуск - Внутренняя антенна 2 - Низкий сигнал
GYBK Серый-Черный
Пассивный запуск - Внутренняя антенна 2 - Высокий сигнал
BU Синий
X200 Жгут проводов кузова и жгут проводов панели приборов

Расположение деталей (узлов) Трехмерная схема жгутов
Внешний вид разъема и ремонт Вилка
Внешний вид разъема и ремонт Гнездо
9
10
20
15
20
X300 Жгут проводов панели приборов и жгут проводов консоли

Внешний вид разъема и ремонт Вилка
Внешний вид разъема и ремонт Гнездо
6
X1 Приемник дистанционного управления блокировкой дверей X1

Расположение деталей (узлов) Трехмерная схема жгутов
Внешний вид разъема и ремонт
BNBK Коричневый-Черный
WH Белый
T10E Антенна входа без ключа - Задний отсек

Расположение деталей (узлов) Трехмерная схема жгутов
Внешний вид разъема и ремонт
T10K Антенна входа без ключа - Центральная консоль, сзади
T10J Антенна входа без ключа - Центральная консоль, спереди
K77 Приемник дистанционного управления блокировкой дверей

Расположение деталей (узлов) Трехмерная схема жгутов
Сигнал динамика (-)
Сигнал динамика (+)
Сигнал динамика (+)
Сигнал динамика (-)
Сигнал динамика (-)
Сигнал динамика (+)
GYBK Серый-Черный
BU Синий
GYBK Серый-Черный
BU Синий
Справочные данные по контроллерам

Справочные данные по контроллерам
Антенны, внешнее детектирование

Антенны, внешнее детектирование
Перечень основных электрических компонентов

Перечень основных электрических компонентов
   


https://vnx.su/ 🛠 Руководства по ремонту и эксплуатации для автомобилей

Поиск по сайту

Остались вопросы или пожелания? Пишите на почту: support@vnx.su

Карта Сайта