Cruze
   
GMDE Start Page Load static TOC Load dynamic TOC Help?
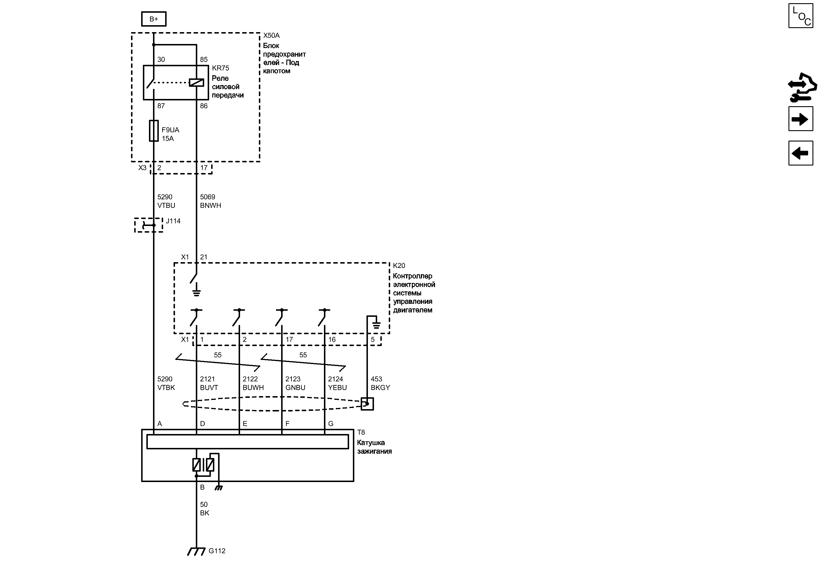
Средства управления зажиганием - система зажигания


            |                         |            
2202922RU.png


Display graphic

Display graphic

Компоненты
f9uaПредохранительt8Катушка зажигания
k20Контроллер электронной системы управления двигателемx50aБлок предохранителей - Под капотом
kr75Реле силовой передачи
Разъемы
j114Жгут проводов двигателяx50a (x3)Блок предохранителей - Под капотом x3
k20 (x1)Контроллер электронной системы управления двигателем x1
Точки соединения с массой
g112Двигатель
Сокращения
b+Вывод b+
Цветовые коды
bkЧерныйgnbuЗеленый-Синий
bkgyЧерный-СерыйvtbkФиолетовый-Черный
bnwhКоричневый\БелыйvtbuФиолетовый-Синий
buvtСиний-ФиолетовыйyebuЖелтый-Синий
buwhСиний-Белый
E
G
F
D
A
Силовая передача - главное реле, защищенное плавким предохранителем (1)
VTBK Фиолетовый-Черный
G112 Двигатель

Внешний вид разъема и ремонт ДВИГАТЕЛЬ БЕНЗИНОВЫЙ, 4 ЦИЛ., 1.6 Л, MFI, DOHC, PT-JV, РЕГУЛИРУЕМЫЕ ФАЗЫ РАСПРЕДВАЛОВ AFT, ДЕАКТИВИЗАЦИЯ ПОРТА, ИЛИ ДВИГАТЕЛЬ БЕНЗИНОВЫЙ, 4 ЦИЛ., 1.6 Л, MFI, DOHC, PT-JV, РЕГУЛИРУЕМЫЕ ФАЗЫ РАСПРЕДВАЛОВ AFT, 82 КВТ, ИЛИ ДВИГАТЕЛЬ БЕНЗИНОВЫЙ, 4 ЦИЛ., 1.8 Л,
Электрическая схема G111 и G112 ДВИГАТЕЛЬ БЕНЗИНОВЫЙ, 4 ЦИЛ., 1.6 Л, MFI, DOHC, PT-JV, РЕГУЛИРУЕМЫЕ ФАЗЫ РАСПРЕДВАЛОВ AFT, ДЕАКТИВИЗАЦИЯ ПОРТА, ИЛИ ДВИГАТЕЛЬ БЕНЗИНОВЫЙ, 4 ЦИЛ., 1.6 Л, MFI, DOHC, PT-JV, РЕГУЛИРУЕМЫЕ ФАЗЫ РАСПРЕДВАЛОВ AFT, 82 КВТ, ИЛИ ДВИГАТЕЛЬ БЕНЗИНОВЫЙ, 4 ЦИЛ., 1.8 Л,
B
Масса
BK Черный
Слабый опорный сигнал управления зажиганием
BKGY Черный-Серый
5
X1 Контроллер электронной системы управления двигателем X1

Расположение деталей (узлов) Трехмерная схема жгутов ДВИГАТЕЛЬ БЕНЗИНОВЫЙ, 4 ЦИЛ., 1.8 Л, MFI, 103 КВТ, DOHC ДВИГАТЕЛЬ БЕНЗИНОВЫЙ, 4 ЦИЛ., 1.6 Л, MFI, DOHC, PT-JV, РЕГУЛИРУЕМЫЕ ФАЗЫ РАСПРЕДВАЛОВ AFT, ДЕАКТИВИЗАЦИЯ ПОРТА ГАЗОВЫЙ ДВИГАТЕЛЬ, 4 ЦИЛ., 1.6 Л, MFI, DOHC, PT-JV, РАСПРЕДВАЛ С ИЗМЕНЯЕМЫМ ФАЗИРОВАНИЕМ, 82 кВт
Имеется только одно место для компонента
Управление зажиганием (4)
YEBU Желтый-Синий
16
Управление зажиганием (3)
GNBU Зеленый-Синий
17
Управление зажиганием (2)
BUWH Синий-Белый
2
Управление зажиганием (1)
BUVT Синий-Фиолетовый
1
X1 Контроллер электронной системы управления двигателем X1

Расположение деталей (узлов) Трехмерная схема жгутов ДВИГАТЕЛЬ БЕНЗИНОВЫЙ, 4 ЦИЛ., 1.8 Л, MFI, 103 КВТ, DOHC ДВИГАТЕЛЬ БЕНЗИНОВЫЙ, 4 ЦИЛ., 1.6 Л, MFI, DOHC, PT-JV, РЕГУЛИРУЕМЫЕ ФАЗЫ РАСПРЕДВАЛОВ AFT, ДЕАКТИВИЗАЦИЯ ПОРТА ГАЗОВЫЙ ДВИГАТЕЛЬ, 4 ЦИЛ., 1.6 Л, MFI, DOHC, PT-JV, РАСПРЕДВАЛ С ИЗМЕНЯЕМЫМ ФАЗИРОВАНИЕМ, 82 кВт
Имеется только одно место для компонента
21
Управление катушкой главного реле двигателя
BNWH Коричневый\Белый
17
X3 Блок предохранителей - Под капотом X3

Внешний вид разъема и ремонт
Доступен вид только с одним разъемом
2
F9UA Предохранитель

Электрическая схема Дерево Предохранитель F9UA
Электрическая схема Питание Шина B+ UEC (2 из 6)
Вывод B+
VTBU Фиолетовый-Синий
J114 Жгут проводов двигателя

Доступна только одна электрическая схема
Электрическая схема Средства управления топливом - топливный насос и форсунки ДВИГАТЕЛЬ БЕНЗИНОВЫЙ, 4 ЦИЛ., 1.6 Л, MFI, DOHC, PT-JV, РЕГУЛИРУЕМЫЕ ФАЗЫ РАСПРЕДВАЛОВ AFT, ДЕАКТИВИЗАЦИЯ ПОРТА, ИЛИ ДВИГАТЕЛЬ БЕНЗИНОВЫЙ, 4 ЦИЛ., 1.6 Л, MFI, DOHC, PT-JV, РЕГУЛИРУЕМЫЕ ФАЗЫ РАСПРЕДВАЛОВ AFT, 82 КВТ, ИЛИ ДВИГАТЕЛЬ БЕНЗИНОВЫЙ, 4 ЦИЛ., 1.8 Л, СТРАНЫ - КРОМЕ СЕВЕРНОЙ АМЕРИКИ
87
30
86
85
KR75 Реле силовой передачи
X50A Блок предохранителей - Под капотом

Расположение деталей (узлов) Трехмерная схема жгутов
T8 Катушка зажигания

Расположение деталей (узлов) Трехмерная схема жгутов ДВИГАТЕЛЬ БЕНЗИНОВЫЙ, 4 ЦИЛ., 1.8 Л, MFI, 103 КВТ, DOHC ДВИГАТЕЛЬ БЕНЗИНОВЫЙ, 4 ЦИЛ., 1.6 Л, MFI, DOHC, PT-JV, РЕГУЛИРУЕМЫЕ ФАЗЫ РАСПРЕДВАЛОВ AFT, ДЕАКТИВИЗАЦИЯ ПОРТА ГАЗОВЫЙ ДВИГАТЕЛЬ, 4 ЦИЛ., 1.6 Л, MFI, DOHC, PT-JV, РАСПРЕДВАЛ С ИЗМЕНЯЕМЫМ ФАЗИРОВАНИЕМ, 82 кВт
Внешний вид разъема и ремонт ДВИГАТЕЛЬ БЕНЗИНОВЫЙ, 4 ЦИЛ., 1.6 Л, MFI, DOHC, PT-JV, РЕГУЛИРУЕМЫЕ ФАЗЫ РАСПРЕДВАЛОВ AFT, ДЕАКТИВИЗАЦИЯ ПОРТА, ИЛИ ДВИГАТЕЛЬ БЕНЗИНОВЫЙ, 4 ЦИЛ., 1.6 Л, MFI, DOHC, PT-JV, РЕГУЛИРУЕМЫЕ ФАЗЫ РАСПРЕДВАЛОВ AFT, 82 КВТ, ИЛИ ДВИГАТЕЛЬ БЕНЗИНОВЫЙ, 4 ЦИЛ., 1.8 Л,
K20 Контроллер электронной системы управления двигателем

Расположение деталей (узлов) Трехмерная схема жгутов ДВИГАТЕЛЬ БЕНЗИНОВЫЙ, 4 ЦИЛ., 1.8 Л, MFI, 103 КВТ, DOHC ДВИГАТЕЛЬ БЕНЗИНОВЫЙ, 4 ЦИЛ., 1.6 Л, MFI, DOHC, PT-JV, РЕГУЛИРУЕМЫЕ ФАЗЫ РАСПРЕДВАЛОВ AFT, ДЕАКТИВИЗАЦИЯ ПОРТА ГАЗОВЫЙ ДВИГАТЕЛЬ, 4 ЦИЛ., 1.6 Л, MFI, DOHC, PT-JV, РАСПРЕДВАЛ С ИЗМЕНЯЕМЫМ ФАЗИРОВАНИЕМ, 82 кВт
Имеется только одно место для компонента
Слабый опорный сигнал
Управление
Управление
Управление
Управление
Управление
Средства управления зажиганием - датчики зажигания

Средства управления зажиганием - датчики зажигания
Справочные данные по контроллерам

Справочные данные по контроллерам
Датчики данных двигателя - исполнительные элементы

Датчики данных двигателя - исполнительные элементы
Перечень основных электрических компонентов

Перечень основных электрических компонентов
   


https://vnx.su/ 🛠 Руководства по ремонту и эксплуатации для автомобилей

Поиск по сайту

Остались вопросы или пожелания? Пишите на почту: support@vnx.su

Карта Сайта