Cruze
   
GMDE Start Page Load static TOC Load dynamic TOC Help?
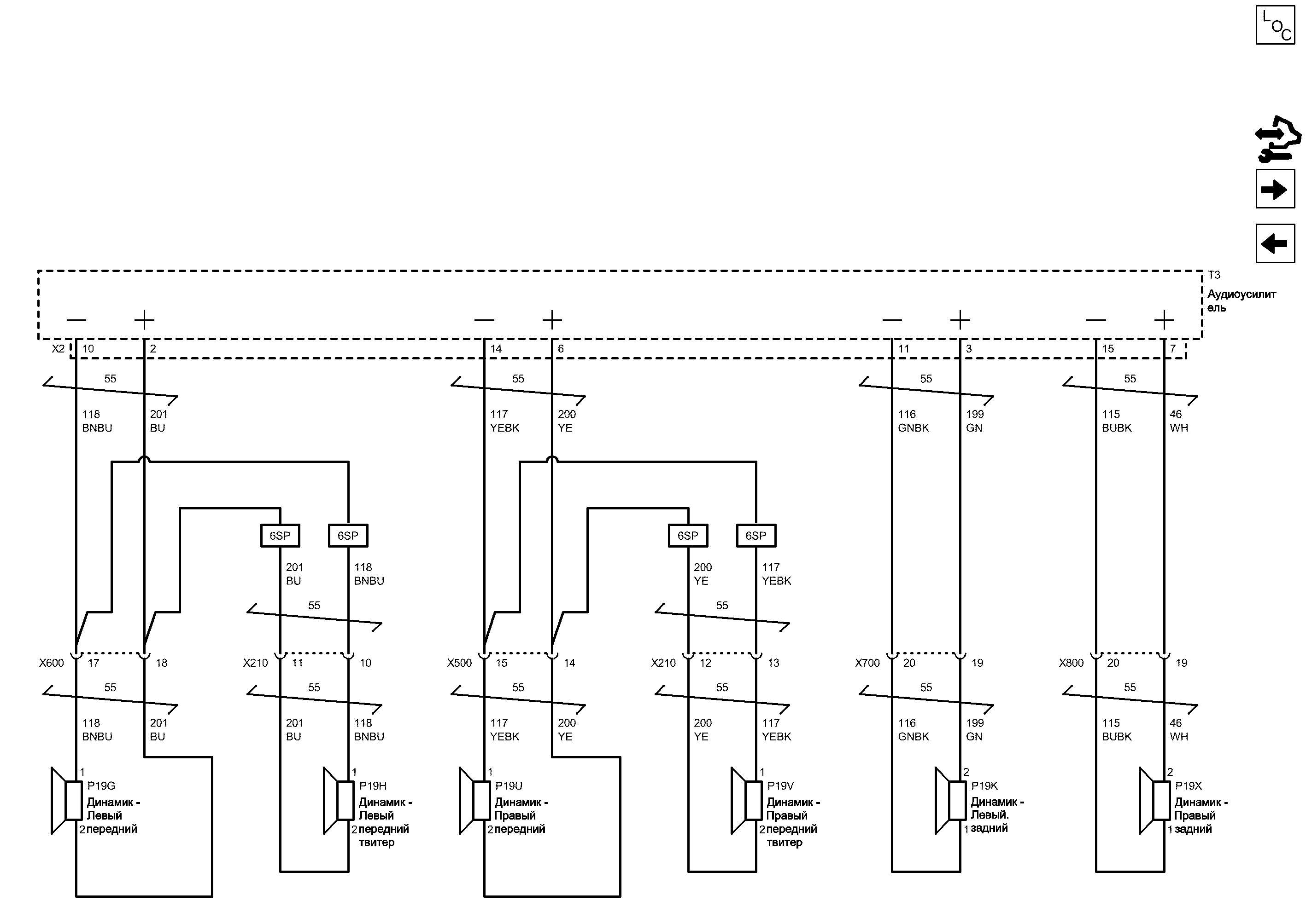
Дверные динамики (УЛУЧШЕННАЯ СИСТЕМА ДИНАМИКОВ, С УСИЛИТЕЛЕМ Правостороннее управление)


            |                         |            
2202874RU.png


Display graphic

Display graphic

Компоненты
p19gДинамик - Левый переднийp19vДинамик - Правый передний твитер
p19hДинамик - Левый передний твитерp19xДинамик - Правый задний
p19kДинамик - Левый. заднийt3Аудиоусилитель
p19uДинамик - Правый передний
Разъемы
t3 (x2)Аудиоусилитель x2x600Жгут проводов кузова и жгут проводов двери пассажира
x210Жгут проводов кузова и жгут проводов крышиx700Жгут проводов кузова и жгут проводов левой задней двери
x500Жгут проводов кузова и жгут проводов двери водителяx800Жгут проводов кузова и жгут проводов правой задней двери
Сокращения
6spКОМПОНЕНТ ПЕРЕД. LH КОМПЬЮТЕР. ВЫБ. ПОДВ. (6SP)
Цветовые коды
bnbuКоричневый-СинийgnbkЗеленый-Черный
buСинийwhБелый
bubkСиний-ЧерныйyeЖелтый
gnЗеленыйyebkЖелтый-Черный
2
10
14
6
X600 Жгут проводов кузова и жгут проводов двери пассажира

Расположение деталей (узлов) Трехмерная схема жгутов Правостороннее управление
Внешний вид разъема и ремонт Вилка Правостороннее управление
Внешний вид разъема и ремонт Гнездо
17
18
Сигнал левого переднего динамика (-) (1)
BNBU Коричневый-Синий
Левый передний динамик (+) (1)
BU Синий
X2 Аудиоусилитель X2

Расположение деталей (узлов) Трехмерная схема жгутов
Внешний вид разъема и ремонт
BU Синий
BNBU Коричневый-Синий
КОМПОНЕНТ ПЕРЕД. LH КОМПЬЮТЕР. ВЫБ. ПОДВ. (6SP)
BU Синий
КОМПОНЕНТ ПЕРЕД. LH КОМПЬЮТЕР. ВЫБ. ПОДВ. (6SP)
BNBU Коричневый-Синий
10
X210 Жгут проводов кузова и жгут проводов крыши

Расположение деталей (узлов) Трехмерная схема жгутов
Внешний вид разъема и ремонт Вилка
11
BU Синий
BNBU Коричневый-Синий
КОМПОНЕНТ ПЕРЕД. LH КОМПЬЮТЕР. ВЫБ. ПОДВ. (6SP)
YE Желтый
X210 Жгут проводов кузова и жгут проводов крыши

Расположение деталей (узлов) Трехмерная схема жгутов
Внешний вид разъема и ремонт Вилка
12
X500 Жгут проводов кузова и жгут проводов двери водителя

Расположение деталей (узлов) Трехмерная схема жгутов Правостороннее управление
Внешний вид разъема и ремонт Вилка Правостороннее управление
Внешний вид разъема и ремонт Гнездо
15
14
13
КОМПОНЕНТ ПЕРЕД. LH КОМПЬЮТЕР. ВЫБ. ПОДВ. (6SP)
YEBK Желтый-Черный
Правый передний динамик (+) (1)
YE Желтый
Сигнал правого переднего динамика (-) (1)
YEBK Желтый-Черный
YE Желтый
YEBK Желтый-Черный
YE Желтый
YEBK Желтый-Черный
11
3
Сигнал левого заднего динамика (-)
GNBK Зеленый-Черный
Левый задний динамик (+)
GN Зеленый
Сигнал правого заднего динамика (-)
BUBK Синий-Черный
Правый задний динамик (+)
WH Белый
15
7
19
X700 Жгут проводов кузова и жгут проводов левой задней двери

Расположение деталей (узлов) Трехмерная схема жгутов
Внешний вид разъема и ремонт Вилка
Внешний вид разъема и ремонт Гнездо
20
X800 Жгут проводов кузова и жгут проводов правой задней двери

Расположение деталей (узлов) Трехмерная схема жгутов
Внешний вид разъема и ремонт Вилка
Внешний вид разъема и ремонт Гнездо
20
19
2
1
1
2
2
1
2
1
GN Зеленый
GNBK Зеленый-Черный
1
2
1
2
WH Белый
BUBK Синий-Черный
P19X Динамик - Правый задний

Внешний вид разъема и ремонт
P19K Динамик - Левый. задний

Внешний вид разъема и ремонт
P19H Динамик - Левый передний твитер

Внешний вид разъема и ремонт
P19G Динамик - Левый передний

Расположение деталей (узлов) Трехмерная схема жгутов Правостороннее управление
Внешний вид разъема и ремонт Правостороннее управление
P19U Динамик - Правый передний

Расположение деталей (узлов) Трехмерная схема жгутов Правостороннее управление
Внешний вид разъема и ремонт Правостороннее управление
P19V Динамик - Правый передний твитер

Расположение деталей (узлов) Трехмерная схема жгутов
Внешний вид разъема и ремонт
T3 Аудиоусилитель

Расположение деталей (узлов) Трехмерная схема жгутов
Сигнал динамика (+)
Сигнал динамика (-)
Сигнал динамика (-)
Сигнал динамика (+)
Сигнал динамика (-)
Сигнал динамика (+)
Сигнал динамика (-)
Сигнал динамика (+)
Дверные динамики

Дверные динамики
Справочные данные по контроллерам

Справочные данные по контроллерам
Центральный динамик и сабвуферы

Центральный динамик и сабвуферы
Перечень основных электрических компонентов

Перечень основных электрических компонентов
   


https://vnx.su/ 🛠 Руководства по ремонту и эксплуатации для автомобилей

Поиск по сайту

Остались вопросы или пожелания? Пишите на почту: support@vnx.su

Карта Сайта