К началу документа
Nubira-Lacetti
На предыдущую страницуНа следующую страницу
Главная страница GMDEЗагрузить нединамическое оглавлениеЗагрузить динамическое оглавлениеПомощь

РАЗДЕЛ 9E

ПРИБОРЫ / СИСТЕМА ИНФОРМИРОВАНИЯ ВОДИТЕЛЯ

Внимание! Отсоедините провод от отрицательного вывода аккумулятора, прежде чем снимать или устанавливать какие-либо электрические устройства, а также в ситуации, когда есть возможность касания оголенных электрических контактов каким-либо инструментом или приспособлением. Отсоединение этого провода позволяет избежать травм и повреждения оборудования автомобиля. Кроме того, если не указано иное, зажигание должно находиться в положении LOCK.

ТЕХНИЧЕСКИЕ ХАРАКТЕРИСТИКИ

Моменты затяжки резьбовых соединений

ПРОГРАММА
n•m
фунт-фут
фунт-дюйм
Винты направляющей заслонки для воздуха
2
-
18
Винты модуля звуковой сигнализации
4
-
35
Винты часов
2
-
18
Винты подставки для чашки
2.5
-
22
Винты ящика для мелких предметов
2.5
-
22
Болты коленного буфера водителя
10
-
89
Болты скобы напольной консоли
4
-
35
Гайки скобы напольной консоли
4
-
35
Винты органов управления системой отопления, вентиляции и кондиционирования
4
-
35
Винты комбинации приборов
4
-
35
Винты щитка панели приборов
4
-
35
Концевые болты панели приборов
20
15
-
Концевые винты панели приборов
4
-
35
Гайки панели приборов над рулевой колонкой
20
15
-
Болты панели приборов за органами управления системой отопления, вентиляции и кондиционирования
4
-
35
Гайка скобы рулевой колонки
22
16
-
Винты нижней отделки рулевой колонки
2.5
-
22
Гайки u-образной скобы рулевой колонки
22
16
-
Винты верхней отделки рулевой колонки
3
-
27

Технические характеристики контрольных ламп комбинации приборов

двигатель
Контрольная лампа
Цвет
Тип
Общий
Предупреждение антиблокировочной системы
Желтый
Светодиод
Предупреждение о подушке безопасности
Красный
Светодиод
Зарядка аккумулятора
Красный
Светодиод
Круиз-контроль
Зеленый
Лампа накаливания 14 В, 1,4 Вт
ДНЕВНОЙ СВЕТ ФАР
Желтый
Светодиод
Предупреждение об открытии дверей
Красный
Светодиод
Проверка двигателя
Желтый
Светодиод
Передняя противотуманная фара
Зеленый
Лампа накаливания 14 В, 1,4 Вт
Контрольная лампа аварийного сигнала
Красный
Светодиод
Давление масла
Красный
Светодиод
Стояночный тормоз и отказ тормозов
Красный
Светодиод
Задняя противотуманная фара
Желтый
Светодиод
Ремень безопасности
Красный
Светодиод
Рулевое управления с зависимым от скорости передаточным числом
Желтый
Светодиод
Предупреждение об открытии багажника
Желтый
Светодиод
Указатель поворота
Зеленый
Лампа накаливания 14 В, 1,4 Вт
бензин
Дальний свет
Синий
Лампа накаливания 14 В, 1,4 Вт
Индикатор режима удержания
Желтый
Светодиод
Предупреждение о малом запасе топлива
Желтый
Лампа накаливания 14 В, 1,4 Вт
Дизель
Температура охлаждающей жидкости
Красный
Светодиод
Дизельный сажевый фильтр
Желтый
Светодиод
Свеча накаливания
Желтый
Светодиод
Дальний свет
Синий
Светодиод
Предупреждение о малом запасе топлива
Желтый
Светодиод
Приближается замена масла
Желтый
Светодиод
Вода в топливе
Желтый
Светодиод
Индикатор зимнего режима
Желтый
Светодиод

ПРИНЦИПИАЛЬНЫЕ И МОНТАЖНЫЕ СХЕМЫ

Цепь комбинации приборов (1 из 3)


J6B19E01
Показать иллюстрациюПеревод текста в иллюстрациях


Цепь комбинации приборов (2 из 3) (бензин) (за исключением Японии)


J6B19E02
Показать иллюстрациюПеревод текста в иллюстрациях


Цепь комбинации приборов (2 из 3) (только Япония)


J6B19E03
Показать иллюстрациюПеревод текста в иллюстрациях


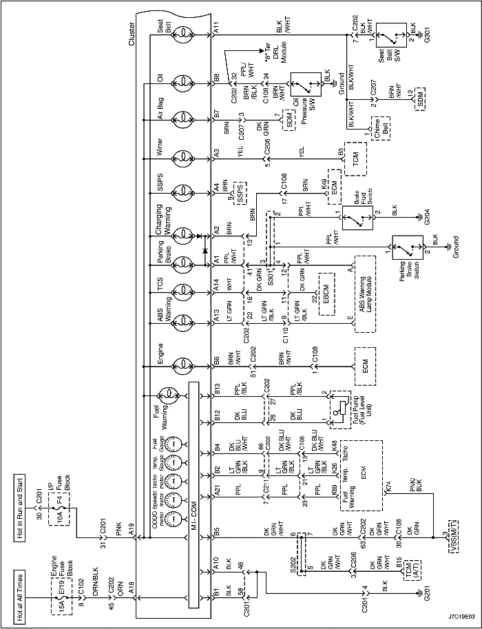
Цепь комбинации приборов (2 из 3) (дизель)


J7C19E03
Показать иллюстрациюПеревод текста в иллюстрациях


Цепь комбинации приборов (3 из 3) (только дизель)


J7C19E04
Показать иллюстрациюПеревод текста в иллюстрациях


Цепь прикуривателя и дополнительной розетки (механическая коробка передач, нотчбэк [за исключением Японии], хэтчбэк)


J6B19E04
Показать иллюстрациюПеревод текста в иллюстрациях


Цепь прикуривателя и дополнительной розетки (механическая коробка передач, универсал [за исключением Японии])


J6B19E05
Показать иллюстрациюПеревод текста в иллюстрациях


Цепь прикуривателя и дополнительной розетки (автоматическая трансмиссия, нотчбэк, хэтчбэк)


J6B19E06
Показать иллюстрациюПеревод текста в иллюстрациях


Цепь прикуривателя и дополнительной розетки (автоматическая трансмиссия, универсал)


J6B19E07
Показать иллюстрациюПеревод текста в иллюстрациях


Цепь освещения вещевого ящика


J6B19E08
Показать иллюстрациюПеревод текста в иллюстрациях


Модуль звуковой сигнализации


J6B19E09
Показать иллюстрациюПеревод текста в иллюстрациях


ДИАГНОСТИКА

Прикуриватель

Прикуриватель не работает

ШагОперацияЗначенияДаНет
1
Проверить предохранитель f19.
Перегорел ли предохранитель?
-
Перейдите на Шаг 2
Перейдите на Шаг 3
2
  1. Проверьте на предмет короткого замыкания и при необходимости устраните его.
  2. Замените предохранитель.
Ремонт закончен?
-
Система в норме
-
3
  1. Перевести ключ зажигания в положение acc.
  2. С помощью вольтметра проверить напряжение на предохранителе f19.
Соответствует ли подаваемое батареей напряжение на предохранителе f19 указанному значению?
11-14 В
Перейдите на Шаг 5
Перейдите на Шаг 4
4
Устранить разрыв цепи подачи электропитания на предохранитель f19.
Ремонт закончен?
-
Система в норме
-
5
  1. Снять электрический разъем с обратной стороны прикуривателя.
  2. Перевести ключ зажигания в положение acc.
  3. С помощью вольтметра проверить напряжение на ОРЖ проводе.
Соответствует ли подаваемое батареей напряжение на ЖЕЛ проводе указанному значению?
11-14 В
Перейдите на Шаг 7
Перейдите на Шаг 6
6
Устранить разрыв цепи между предохранителем f19 и прикуривателем.
Ремонт закончен?
-
Система в норме
-
7
Поместив ключ зажигания в положение acc, подключить вольтметр между ЖЕЛ и ЧЕР проводами в разъеме прикуривателя.
Соответствует ли подаваемое батареей напряжение указанному значению?
11-14 В
Перейдите на Шаг 9
Перейдите на Шаг 8
8
Устранить разрыв цепи массы.
Ремонт закончен?
-
Система в норме
-
9
Заменить прикуриватель.
Ремонт закончен?
-
Система в норме
-

Освещение вещевого ящика

Освещение вещевого ящика не работает

ШагОперацияЗначенияДаНет
1
Проверить предохранители ef1 и f21.
Перегорел ли предохранитель?
-
Перейдите на Шаг 2
Перейдите на Шаг 3
2
  1. Проверьте на предмет короткого замыкания и при необходимости устраните его.
  2. Замените предохранитель.
Ремонт закончен?
-
Система в норме
-
3
  1. Отсоединить электрический разъем освещения вещевого ящика.
  2. Проверить напряжение на выводе 1 разъема.
Соответствует ли подаваемое батареей напряжение на выводе 1 разъема указанному значению?
11-14 В
Перейдите на Шаг 4
Перейдите на Шаг 5
4
Устранить разрыв цепи между предохранителем f21 и выводом 1 освещения вещевого ящика.
Ремонт закончен?
-
Система в норме
-
5
  1. При отсоединенном освещении вещевого ящика.
  2. С помощью омметра проверить сопротивление между массой и выводом 2 разъема освещения вещевого ящика (со стороны жгута проводов).
Соответствует ли сопротивление указанному значению?
0 Ом
Перейдите на Шаг 6
Перейдите на Шаг 7
6
Отремонтировать выключатель освещения вещевого ящика.
Ремонт закончен?
-
Система в норме
-
7
Восстановить цепь массы освещения вещевого ящика.
Ремонт закончен?
-
Система в норме
-

J5E29E06
Показать иллюстрациюПеревод текста в иллюстрациях


Цифровые часы

Цифровые часы не работают

ШагОперацияЗначенияДаНет
1
Проверить предохранители f17, ff28 и f22.
Перегорел ли предохранитель f17, ef28 или f22?
-
Перейдите на Шаг 2
Перейдите на Шаг 3
2
  1. Проверьте на предмет короткого замыкания и при необходимости устраните его.
  2. Заменить перегоревшие предохранители.
Ремонт закончен?
-
Система в норме
-
3
  1. Установите зажигание в положение on.
  2. С помощью вольтметра проверить подаваемое батареей напряжение на предохранителях f17, ef28 и f22.
Показывает ли вольтметр указанное значение?
11-14 В
Перейдите на Шаг 5
Перейдите на Шаг 4
4
Устранить разрыв цепи подачи электропитания на этот предохранитель.
Ремонт закончен?
-
Система в норме
-
5
С помощью вольтметра проверить подаваемое батареей напряжение на вывод 6 разъема часов.
Показывает ли вольтметр указанное значение?
11-14 В
Перейдите на Шаг 7
Перейдите на Шаг 6
6
Устранить разрыв цепи между выводом 2 разъема часов и предохранителем f22.
Ремонт закончен?
-
Система в норме
-
7
Установите зажигание в положение on.
Присутствует ли подаваемое батареей напряжение на выводе 5 разъема часов?
-
Перейдите на Шаг 9
Перейдите на Шаг 8
8
Устранить разрыв цепи между выводом 5 разъема часов и предохранителем f17.
Ремонт закончен?
-
Система в норме
-
9
Проверить отсутствие обрывов цепи между выводом 3 разъема часов и массой.
Показывает ли мультиметр указанное значение?
0 Ом
Перейдите на Шаг 10
Перейдите на Шаг 11
10
Заменить часы.
Ремонт закончен?
-
Система в норме
-
11
Устранить разрыв цепи между выводом 3 разъема часов и массой g202.
Ремонт закончен?
-
Система в норме
-

Подсветка панели приборов

Не работают лампы подсветки панели приборов

ШагОперацияЗначенияДаНет
1
Проверить предохранитель ef28.
Перегорел ли предохранитель ef28?
-
Перейдите на Шаг 2
Перейдите на Шаг 3
2
  1. Проверьте на предмет короткого замыкания и при необходимости устраните его.
  2. Заменить перегоревший предохранитель.
Ремонт закончен?
-
Система в норме
-
3
  1. Перевести выключатель лампы во включенное положение.
  2. С помощью вольтметра проверить подаваемое батареей напряжение на предохранителе ef28.
Соответствует ли подаваемое батареей напряжение указанному значению?
11-14 В
Перейдите на Шаг 5
Перейдите на Шаг 4
4
Устранить разрыв цепи подачи электропитания на предохранитель ef28.
Ремонт закончен?
-
Система в норме
-
5
С помощью омметра проверить сопротивление между массой и ЧЕР проводом разъема переключателя регулирования освещения.
Равно ли сопротивление указанному значению?
0 Ом
Перейдите на Шаг 7
Перейдите на Шаг 6
6
Устранить разрыв цепи массы.
Ремонт закончен?
-
Система в норме
-
7
  1. Перевести выключатель лампы во включенное положение.
  2. С помощью вольтметра проверить подаваемое батареей напряжение на ТЕМ ЗЕЛ проводе разъема переключателя регулирования освещения.
Соответствует ли подаваемое батареей напряжение указанному значению?
11-14 В
Перейдите на Шаг 9
Перейдите на Шаг 8
8
Устранить разрыв цепи между ТЕМ ЗЕЛ проводом переключателя регулирования освещения и предохранителем ef28.
Ремонт закончен?
-
Система в норме
-
9
  1. Отсоединить переключатель регулирования освещения.
  2. Перевести выключатель лампы во включенное положение.
  3. С помощью вольтметра проверить подаваемое батареей напряжение на ТЕМ ЗЕЛ проводе разъема переключателя регулирования освещения.
Соответствует ли подаваемое батареей напряжение указанному значению?
11-14 В
Перейдите на Шаг 11
Перейдите на Шаг 10
10
Устранить разрыв цепи между ТЕМ ЗЕЛ проводом переключателя регулирования освещения и каждой лампой.
Ремонт закончен?
-
Система в норме
-
11
Заменить переключатель регулирования освещения.
Ремонт закончен?
-
Система в норме
-

Спидометр

Спидометр не работает, другие приборы и контрольные лампы исправны

ШагОперацияЗначенияДаНет
1
  1. Подключить сканирующий инструмент.
  2. Проверить наличие кодов неисправности диагностики управления двигателем.
Заданы ли диагностические коды неисправности датчика скорости автомобиля?
-
Перейдите на Шаг 2
2
  1. Выключите зажигание.
  2. Отсоединить разъем модуля управления двигателем.
  3. Снимите приборную панель.
  4. Проверить отсутствие обрывов цепи между выводом k6 контроллера ЭСУД (b23; hv-240, 51; sirius d4 для бензинового двигателя, и k74, для дизеля) и выводом b5 разъема комбинации приборов.
Показывает ли омметр указанное значение?
0 Ом
Перейдите на Шаг 4
Перейдите на Шаг 3
3
Устранить разрыв цепи между выводом b5 разъема комбинации приборов и модулем управления двигателем.
Ремонт закончен?
-
Система в норме
-
4
Заменить спидометр.
Ремонт закончен?
-
Система в норме
-

Указатель уровня топлива

Указатель уровня топлива не работает, другие приборы и контрольные лампы исправны

ШагОперацияЗначенияДаНет
1
  1. Подключить сканирующий инструмент.
  2. Проверить наличие кодов неисправности диагностики управления двигателем.
Заданы ли диагностические коды неисправности датчика скорости автомобиля?
-
Перейдите на Шаг 2
2
  1. Выключите зажигание.
  2. Отсоединить разъем модуля управления двигателем.
  3. Снимите приборную панель.
  4. Проверить отсутствие обрывов цепи между выводом k30 контроллера ЭСУД (b31; hv-240, 40; sirius d4 для бензинового двигателя, и k89, для дизеля) и выводом b3 разъема комбинации приборов (А21 для дизеля).
Показывает ли омметр указанное значение?
0 Ом
Перейдите на Шаг 4
Перейдите на Шаг 3
3
Устранить разрыв цепи между выводом b3 разъема комбинации приборов (a21 для дизеля) и выводом k30 контроллера ЭСУД (b31; hv-240, 40; sirius d4 для бензинового двигателя, и k89, для дизеля).
Ремонт закончен?
-
Система в норме
-
4
Заменить указатель уровня топлива.
Ремонт закончен?
-
Система в норме
-

Указатель температуры

Указатель температуры не работает, другие приборы и контрольные лампы исправны

ШагОперацияЗначенияДаНет
1
Дать двигателю остыть до комнатной температуры.
Когда выключатель зажигания находится в положении on, всегда ли стрелка указателя температуры находится в крайнем верхнем положении на шкале?
-
Перейдите на Шаг 7
Перейдите на Шаг 2
2
Отсоединить электрический разъем модуля управления двигателем.
Упала ли стрелка указателя температуры в крайнее нижнее положение на шкале?
-
Перейдите на Шаг 3
3
Проверить наличие замыкания на массу между модулем управления двигателем и указателем температуры.
Присутствует ли замыкание на массу?
-
Перейдите на Шаг 4
Перейдите на Шаг 5
4
Устранить замыкание на массу.
Ремонт закончен?
-
Система в норме
-
5
Заменить указатель температуры.
Ремонт закончен?
-
Система в норме
-
6
  1. Отсоединить модуль управления двигателем.
  2. Установите зажигание в положение on.
  3. Проверить напряжение на модуле управления двигателем.
Соответствует ли напряжение указанному значению?
11-14 В
Перейдите на Шаг 9
Перейдите на Шаг 7
7
Проверить наличие разрывов цепи между модулем управления двигателем и указателем температуры.
Цепь разомкнута?
-
Перейдите на Шаг 8
Перейдите на Шаг 5
8
Устранить разрыв цепи между модулем управления двигателем и указателем температуры.
Ремонт закончен?
-
Система в норме
-
9
  1. Отсоединить модуль управления двигателем.
  2. Подсоединить проволочную перемычку между разъемом модуля управления двигателем и массой.
  3. Установите зажигание в положение on.
Переместилась ли стрелка указателя температуры в крайнее верхнее положение на шкале?
-
Перейдите на Шаг 5

Контрольные лампы комбинации приборов

Контрольные лампы панели приборов не работают

ШагОперацияЗначенияДаНет
1
Проверьте предохранитель f4.
Предохранитель f4 перегорел?
-
Перейдите на Шаг 2
Перейдите на Шаг 3
2
  1. Проверьте на предмет короткого замыкания и при необходимости устраните его.
  2. Заменить перегоревший предохранитель.
Ремонт закончен?
-
Система в норме
-
3
  1. Установите зажигание в положение on.
  2. Проверьте напряжение на предохранителе f4.
Соответствует ли подаваемое батареей напряжение указанному значению?
11-14 В
Перейдите на Шаг 5
Перейдите на Шаг 4
4
Устранить разрыв цепи подачи электропитания на предохранитель f4.
Ремонт закончен?
-
Система в норме
Перейдите на Шаг 3
5
  1. Снимите приборную панель.
  2. Отсоединить разъем комбинации приборов.
  3. Установите зажигание в положение on.
  4. Проверить напряжение на выводах b15 и a19.
Соответствует ли подаваемое батареей напряжение указанному значению?
11-14 В
Перейдите на Шаг 7
Перейдите на Шаг 6
6
Устранить разрыв цепи между предохранителем f4 и разъемами b15 и a19 комбинации приборов.
Ремонт закончен?
-
Система в норме
-
7
Проверить контрольные лампы комбинации приборов.
Исправны ли лампы?
-
Перейдите на Шаг 9
Перейдите на Шаг 8
8
  1. Заменить неисправные лампы.
  2. Проверить систему зарядки и убедиться в том, что генератор не дает избыточную зарядку.
  3. При необходимости отремонтировать зарядную систему.
Ремонт закончен?
-
Система в норме
-
9
Замените приборную панель.
Ремонт закончен?
-
Система в норме
-

Модуль звуковой сигнализации

Звуковой сигнал предупреждения о ремнях безопасности не работает

ШагОперацияЗначенияДаНет
1
Проверить разъем модуля звуковой сигнализации и убедиться в правильности его подсоединения.
Отсоединен ли разъем или подсоединен частично?
-
Перейдите на Шаг 2
Перейдите на Шаг 3
2
Подсоединить электрический разъем модуля звуковой сигнализации.
Ремонт закончен?
-
Система в норме
-
3
Проверьте предохранитель f4.
Предохранитель f4 перегорел?
-
Перейдите на Шаг 4
Перейдите на Шаг 5
4
  1. Проверьте на предмет короткого замыкания и при необходимости устраните его.
  2. Замените предохранитель.
Ремонт закончен?
-
Система в норме
-
5
  1. Установите зажигание в положение on.
  2. Проверьте напряжение на предохранителе f4.
Присутствует ли указанное напряжение на предохранителе f4?
11-14 В
Перейдите на Шаг 7
Перейдите на Шаг 6
6
Устранить разрыв цепи подачи электропитания на предохранитель f4.
Ремонт закончен?
-
Система в норме
-
7
  1. Отсоединить модуль звуковой сигнализации.
  2. Установите зажигание в положение on.
  3. Проверьте напряжение на выводе 8 разъема модуля звуковой сигнализации.
Соответствует ли напряжение указанному значению?
11-14 В
Перейдите на Шаг 9
Перейдите на Шаг 8
8
Устранить разрыв цепи между предохранителем f4 и разъемом модуля звуковой сигнализации.
Ремонт закончен?
-
Система в норме
-
9
Отсоединив модуль звуковой сигнализации, проверить с помощью омметра отсутствие обрывов цепи между выводом 5 разъема модуля звуковой сигнализации и массой.
Показывает ли омметр указанное значение?
≈ 0 Ом
Перейдите на Шаг 11
Перейдите на Шаг 10
10
Устранить разрыв цепи между выводом 5 разъема модуля звуковой сигнализации и массой.
Ремонт закончен?
-
Система в норме
-
11
  1. Отсоедините разъем модуля звуковой сигнализации.
  2. Убедиться в том, что ремень безопасности на стороне водителя не пристегнут.
  3. С помощью омметра проверить отсутствие обрывов цепи между выводом 1 модуля звуковой сигнализации и массой.
Показывает ли омметр указанное значение?
≈ 0 Ом
Перейдите на Шаг 12
Перейдите на Шаг 13
12
Замените модуль звуковой сигнализации.
Ремонт закончен?
-
Система в норме
-
13
  1. Отсоединить выключатель ремня безопасности.
  2. Убедиться в том, что ремень безопасности на стороне водителя не пристегнут.
  3. С помощью омметра проверить отсутствие обрывов цепи переключателя.
Показывает ли омметр указанное значение?
≈ 0 Ом
Перейдите на Шаг 15
Перейдите на Шаг 14
14
Замените выключатель ремня безопасности.
Ремонт закончен?
-
Система в норме
-
15
С помощью омметра проверить отсутствие обрывов провода между выводом 1 модуля звуковой сигнализации и выключателем ремня безопасности.
Показывает ли омметр указанное значение?
≈ 0 Ом
Перейдите на Шаг 17
Перейдите на Шаг 16
16
Устраните разрыв цепи между выводом 1 модуля звуковой сигнализации и выключателем ремня безопасности.
Ремонт закончен?
-
Система в норме
-
17
Устранить разрыв цепи между разъемом выключателя ремня безопасности и массой.
Ремонт закончен?
-
Система в норме
-

Звуковой сигнал предупреждения об открытых дверях не работает

ШагОперацияЗначенияДаНет
1
Проверить разъем модуля звуковой сигнализации и убедиться в правильности его подсоединения.
Отсоединен ли разъем или подсоединен частично?
-
Перейдите на Шаг 2
Перейдите на Шаг 3
2
Подсоединить электрический разъем модуля звуковой сигнализации.
Ремонт закончен?
-
Система в норме
-
3
Проверьте предохранитель f4.
Предохранитель f4 перегорел?
-
Перейдите на Шаг 4
Перейдите на Шаг 5
4
  1. Проверьте на предмет короткого замыкания и при необходимости устраните его.
  2. Замените предохранитель.
Ремонт закончен?
-
Система в норме
-
5
  1. Установите зажигание в положение on.
  2. Проверьте напряжение на предохранителе f4.
Присутствует ли указанное напряжение на предохранителе f4?
11-14 В
Перейдите на Шаг 7
Перейдите на Шаг 6
6
Устранить разрыв цепи подачи электропитания на предохранитель f4.
Ремонт закончен?
-
Система в норме
-
7
  1. Отсоединить модуль звуковой сигнализации.
  2. Установите зажигание в положение on.
  3. Проверьте напряжение на выводе 8 разъема модуля звуковой сигнализации.
Соответствует ли напряжение указанному значению?
11-14 В
Перейдите на Шаг 9
Перейдите на Шаг 8
8
Устранить разрыв цепи между предохранителем f4 и разъемом модуля звуковой сигнализации.
Ремонт закончен?
-
Система в норме
-
9
Отсоединив модуль звуковой сигнализации, проверить с помощью омметра отсутствие обрывов цепи между выводом 5 разъема модуля звуковой сигнализации и массой.
Показывает ли омметр указанное значение?
≈ 0 Ом
Перейдите на Шаг 11
Перейдите на Шаг 10
10
Устранить разрыв цепи между выводом 5 разъема модуля звуковой сигнализации и массой.
Ремонт закончен?
-
Система в норме
-
11
  1. Отсоедините разъем модуля звуковой сигнализации.
  2. Убедиться в том, что дверь со стороны водителя открыта.
  3. С помощью омметра проверить сопротивление между массой и выводом 4 модуля звуковой сигнализации.
Показывает ли омметр указанное значение?
≈ 0 Ом
Перейдите на Шаг 12
Перейдите на Шаг 13
12
Замените модуль звуковой сигнализации.
Ремонт закончен?
-
Система в норме
-
13
  1. Отсоединить контактный выключатель передней двери.
  2. С помощью омметра проверить отсутствие обрывов цепи между контактным выключателем двери и выводом 4 модуля звуковой сигнализации.
Показывает ли омметр указанное значение?
≈ 0 Ом
Перейдите на Шаг 15
Перейдите на Шаг 14
14
Устранить разрыв цепи между контактным выключателем двери и выводом 4 модуля звуковой сигнализации.
Ремонт закончен?
-
Система в норме
-
15
Заменить контактный выключатель двери.
Ремонт закончен?
-
Система в норме
-

Звуковой сигнал напоминания о ключе не работает

ШагОперацияЗначенияДаНет
1
Проверить разъем модуля звуковой сигнализации и убедиться в правильности его подсоединения.
Отсоединен ли разъем или подсоединен частично?
-
Перейдите на Шаг 2
Перейдите на Шаг 3
2
Подсоединить электрический разъем модуля звуковой сигнализации.
Ремонт закончен?
-
Система в норме
-
3
Проверить предохранитель ef19.
Перегорел ли предохранитель ef19?
-
Перейдите на Шаг 4
Перейдите на Шаг 5
4
  1. Проверьте на предмет короткого замыкания и при необходимости устраните его.
  2. Замените предохранитель.
Ремонт закончен?
-
Система в норме
-
5
  1. Установите зажигание в положение on.
  2. Проверить напряжение на предохранителе ef19.
Присутствует ли на предохранителе ef19 указанное напряжение?
11-14 В
Перейдите на Шаг 7
Перейдите на Шаг 6
6
Восстановить цепь электропитания для предохранителя ef19.
Ремонт закончен?
-
Система в норме
-
7
  1. Отсоединить модуль звуковой сигнализации.
  2. Проверить напряжение на выводе 2 разъема модуля звуковой сигнализации.
Соответствует ли напряжение указанному значению?
11-14 В
Перейдите на Шаг 13
Перейдите на Шаг 8
8
  1. Отсоединить выключатель напоминания о ключе.
  2. С помощью омметра проверить отсутствие обрывов цепи между выключателем напоминания о ключе и предохранителем ef19.
Показывает ли омметр указанное значение?
≈ 0 Ом
Перейдите на Шаг 10
Перейдите на Шаг 9
9
Устранить разрыв цепи между выключателем напоминания о ключе и предохранителем ef19.
Ремонт закончен?
-
Система в норме
-
10
При отсоединенных выключателе напоминания о ключе и модуле звуковой сигнализации проверить отсутствие обрывов цепи между выключателем напоминания о ключе и выводе 2 разъема модуля звуковой сигнализации.
Показывает ли омметр указанное значение?
≈ 0 Ом
Перейдите на Шаг 12
Перейдите на Шаг 11
11
Устранить разрыв цепи между выключателем напоминания о ключе и выводе 2 разъема модуля звуковой сигнализации.
-
Система в норме
-
12
Заменить выключатель напоминания о ключе.
Ремонт закончен?
-
Система в норме
-
13
Отсоединив модуль звуковой сигнализации, проверить с помощью омметра отсутствие обрывов цепи между выводом 5 разъема модуля звуковой сигнализации и массой.
Показывает ли омметр указанное значение?
≈ 0 Ом
Перейдите на Шаг 15
Перейдите на Шаг 14
14
Устранить разрыв цепи между выводом 5 разъема модуля звуковой сигнализации и массой.
Ремонт закончен?
-
Система в норме
-
15
Замените модуль звуковой сигнализации.
Ремонт закончен?
-
Система в норме
-


На предыдущую страницуНа следующую страницу
https://vnx.su/ 🛠 Руководства по ремонту и эксплуатации для автомобилей

Поиск по сайту

Остались вопросы или пожелания? Пишите на почту: support@vnx.su

Карта Сайта