К началу документа
Nubira-Lacetti
На предыдущую страницуНа следующую страницу
Главная страница GMDEЗагрузить нединамическое оглавлениеЗагрузить динамическое оглавлениеПомощь

ТЕХНИЧЕСКОЕ ОБСЛУЖИВАНИЕ И РЕМОНТ

ТЕХНИЧЕСКОЕ ОБСЛУЖИВАНИЕ БЕЗ ДЕМОНТАЖА С АВТОМОБИЛЯ



C7A15A08
Показать иллюстрациюПеревод текста в иллюстрациях


Процедура проверки уровня жидкости коробки передач с главной передачей в сборе

  1. Произвести парковку автомобиля на плоской горизонтальной поверхности.
  2. Дать автомобилю поработать, чтобы температура рабочей жидкости КПП достигла нормального рабочего диапазона.
  3. Примечание: Нормальная температура коробки передач с главной передачей в сборе: 70-80 °C (158-176 °Ф)

  4. Двигатель работает на холостых оборотах. Произвести ручное переключение передач по всем диапазонам коробки передач с главной передачей в сборе и вернуться обратно в положение PARK (СТОЯНКА). Оставить двигатель работать на холостых оборотах.


  5. C7A15A21
    Показать иллюстрациюПеревод текста в иллюстрациях


  6. Вывернуть болт крепления указателя уровня рабочей жидкости КПП.
  7. Снять указатель уровня рабочей жидкости КПП.
  8. Стереть все следы рабочей жидкости КПП с указателя.
  9. Вставить указатель в коробку передач с главной передачей в сборе до полной посадки.
  10. Важно: Проверка уровня рабочей жидкости КПП при ненормальной температуре может дать неправильное значение измерения. Рабочая жидкость КПП при нагреве расширяется.

  11. Извлечь указатель и проверить уровень и состояние жидкости на указателе:


  12. L7B53A46
    Показать иллюстрациюПеревод текста в иллюстрациях


  13. Если уровень жидкости неправильный, проверить наличие следующих условий:
  14. Необходимо слить часть жидкости через сливную пробку. Проверить уровень жидкости.

    Важно: При доливке жидкости или полной смене жидкости всегда использовать ESSO JWS 3309 US ATF.



    C7A15A08
    Показать иллюстрациюПеревод текста в иллюстрациях


  15. Установить указатель уровня жидкости и болт.
  16. Затянуть
    Затянуть болт крепления указателя уровня жидкости моментом 10 Н•м (89 фунт-дюймов).



L7B53A46
Показать иллюстрациюПеревод текста в иллюстрациях


Смена рабочей жидкости коробки передач с главной передачей в сборе

Порядок снятия

  1. Приподнимите автомобиль и установите его на предусмотренные для этого опоры.
  2. Вывернуть сливную пробку и слить жидкость. Для полного слива жидкости требуется не менее 5 минут.
  3. Демонтировать прокладку со сливной пробки и выбросить.


L7B53A46
Показать иллюстрациюПеревод текста в иллюстрациях


Порядок установки

  1. Установить новую прокладку на сливную пробку.
  2. Установить сливную пробку на место.
  3. Затянуть
    Затянуть пробку сливного отверстия моментом 40 Н•м (30 фунтов на фут).

  4. Автомобиль должен находиться на ровной поверхности.


  5. C7A15A08
    Показать иллюстрациюПеревод текста в иллюстрациях


  6. Вывернуть болт крепления указателя уровня жидкости и снять указатель.
  7. Важно: Всегда использовать ESSO JWS 3309 US ATF.

    Важно: Для проверки уровня жидкости или доливки жидкости не выворачивать анкерный болт, расположенный на верхней части коробки передач с главной передачей в сборе. Выворачивание болта приведет к смещению внутренних компонентов и необходимости снятия с автомобиля коробки передач с главной передачей в сборе и разборки ее для ремонта.

  8. Доливать рабочую жидкость КПП в коробку передач с главной передачей в сборе следует через место расположения указателя уровня жидкости.
  9. Запустить двигатель и дать автомобилю поработать до тех пор, пока температура рабочей жидкости КПП не достигнет 70-80 °c (158-176 °Ф).


  10. C7A15A21
    Показать иллюстрациюПеревод текста в иллюстрациях


  11. Включить стояночный тормоз.
  12. Нажать педаль тормоза и медленно переместить рычаг механизма выбора передач через все диапазоны передач от диапазона park (p) до диапазона low, задерживаясь примерно на 3 секунды в каждом диапазоне. Вернуть рычаг механизма выбора передач в диапазон PARK (P) при условии холостых оборотов.
  13. Снова вытащить датчик уровня и убедиться, что уровень жидкости находится в диапазоне hot (ГОРЯЧИЙ).
  14. Установить указатель уровня жидкости.


J7C15A10
Показать иллюстрациюПеревод текста в иллюстрациях


Регулировка троса управления переключением

Процедура регулировки

  1. Переместить рычаг переключения передач в положение n (НЕЙТРАЛЬ).
  2. Важно: Для обеспечения правильности переключения передач все тросы привода должны быть правильно соединены с рычагом переключения передач в салоне автомобиля и рычагом выбора передач на КПП.



    J3B15A19
    Показать иллюстрациюПеревод текста в иллюстрациях


  3. Ослабить регулировочную гайку троса привода.


  4. J7C15A10
    Показать иллюстрациюПеревод текста в иллюстрациях


  5. Установить рычаг переключателя диапазонов коробки передач на нейтраль (n).


  6. J3B15A19
    Показать иллюстрациюПеревод текста в иллюстрациях


  7. Натянуть трос привода и затянуть гайку.
  8. Затянуть
    Затянуть гайку регулировки управление троса управления до 8 Н•м (71 фунт-дюйма).

  9. Установить напольную консоль. См. Раздел 9G, Облицовка салона.


J7C15A11
Показать иллюстрациюПеревод текста в иллюстрациях


Трос управления переключением

Порядок снятия

  1. Снять аккумуляторную батарею и полку. См. раздел 1E2, "Электрическая система двигателя - дизель 2.0".
  2. Снять напольную консоль. См. Раздел 9G, Облицовка салона.
  3. Включить стояночный тормоз.
  4. Перевести рычаг переключения передач в положение n (НЕЙТРАЛЬ).


  5. J3B15A19
    Показать иллюстрациюПеревод текста в иллюстрациях


  6. Скрутить регулировочную гайку троса.
  7. Отсоединить трос привода от рычага переключения передач в сборе.


  8. J7C15A10
    Показать иллюстрациюПеревод текста в иллюстрациях


    Важно: Трос управления переключением должен быть отсоединен от рычага переключателя диапазонов АКПП до того, как он будет отсоединен от кронштейна троса управления. В противном случае валу ручного переключения передач может быть причинено повреждение, требующее разборки коробки передач с главной передачей в сборе.

  9. Снять зажим с рычага переключателя диапазонов коробки передач и отсоединить трос управления переключением от рычага.
  10. Снять зажим с кронштейна троса управления переключением.


  11. L7B53AT7
    Показать иллюстрациюПеревод текста в иллюстрациях


  12. Снять трос управления переключением с передней панели.
  13. Снять трос привода с автомобиля.


J7C15A10
Показать иллюстрациюПеревод текста в иллюстрациях


Порядок установки

  1. Проложить трос управления переключением через кронштейн троса.
  2. Закрепить трос на кронштейне новым фиксирующим хомутом троса управления.
  3. Переведя рычаг переключателя диапазонов коробки передач на нейтраль (n), установить зажим на рычаг переключателя диапазонов коробки передач.


  4. L7B53AT7
    Показать иллюстрациюПеревод текста в иллюстрациях


  5. Закрепить изолирующую втулку троса управления переключением, вдавив трос в проходное отверстие в передней панели.


  6. J3B15A19
    Показать иллюстрациюПеревод текста в иллюстрациях


  7. Убедиться, чтобы рычаг переключения передач находился в нейтральном положении (n).
  8. Соединить трос привода механизма переключения с рычагом переключения передач.
  9. Установить контргайку механизма регулировки троса управления переключением.
  10. Затянуть
    Затянуть гайку до 8 Н•м (71 ф/кв.д.)

  11. Отрегулировать трос управления переключением. См. "Регулировка троса управления переключением" в данном разделе.


  12. J7C15A11
    Показать иллюстрациюПеревод текста в иллюстрациях


  13. Установить переднюю консоль. См. Раздел 9G, Облицовка салона.
  14. Установить аккумуляторную батарею и полку аккумуляторной батареи. См. раздел 1E2, "Электрическая система двигателя - дизель 2.0".


J3B15A50
Показать иллюстрациюПеревод текста в иллюстрациях


Рычаг управления переключением в сборе

Порядок снятия

  1. Отсоединить провод от отрицательного вывода аккумуляторной батареи.
  2. Снять напольную консоль. См. Раздел 9G, Облицовка салона.
  3. Разъединить электрические разъемы рычага переключения передач.


  4. J3B15A19
    Показать иллюстрациюПеревод текста в иллюстрациях


  5. Ослабить регулировочную гайку троса привода.
  6. Отсоединить трос привода от рычага переключения передач в сборе.


  7. J3B15A14
    Показать иллюстрациюПеревод текста в иллюстрациях


  8. Вывернуть болты и гайки крепления рычага переключения передач в сборе.
  9. Снять рычаг переключения передач в сборе.


J3B15A14
Показать иллюстрациюПеревод текста в иллюстрациях


Порядок установки

  1. Установить рычаг переключения передач в сборе и закрепить его болтами с гайками.
  2. Затянуть
    Затянуть крепежные болты рычага переключения передач моментом 8 Н•м (71 фунт-фут).



    J3B15A19
    Показать иллюстрациюПеревод текста в иллюстрациях


  3. Соединить трос привода с рычагом переключения передач.
  4. Затянуть регулировочную гайку троса привода.
  5. Затянуть
    Регулировочную гайку следует затягивать моментом 8 Н•м (71 фунт-фут).



    J3B15A50
    Показать иллюстрациюПеревод текста в иллюстрациях


  6. Соединить электрический разъем.
  7. Отрегулировать натяжение троса привода. См. "Регулировка троса привода" в этом разделе.
  8. Установить напольную консоль. См. Раздел 9G, Облицовка салона.
  9. Присоедините провод к отрицательному выводу аккумуляторной батареи.


J7C15A12
Показать иллюстрациюПеревод текста в иллюстрациях


Рукоятка управления переключением

Порядок снятия

  1. Включить стояночный тормоз.
  2. Снять рукоятку с рычага переключения передач.


J7C15A13
Показать иллюстрациюПеревод текста в иллюстрациях


Порядок установки

  1. Установить рукоятку управления переключением на рычаг переключения передач.


J7C15A11
Показать иллюстрациюПеревод текста в иллюстрациях


Переключатель диапазонов КПП

Необходимое оборудование

J-45404 Приспособление для юстировки коробки передач с указателем

Порядок снятия

  1. Снять аккумуляторную батарею и полку. См. раздел 1E2, "Электрическая система двигателя - дизель 2.0".
  2. Важно: Вал ручного переключения коробки передач с главной передачей в сборе должен находиться в нейтральном положении (N) до того, как переключатель будет установлен на место.

  3. Включить парковочный тормоз и установить рычаг механизма выбора передач в нейтральное положение (n).


  4. J7C15A14
    Показать иллюстрациюПеревод текста в иллюстрациях


  5. Отсоединить электрический разъём (1) переключателя диапазонов АКПП и электрический разъём коробки передач с главной передачей в сборе (2).
  6. Отсоединить трос от рычага переключателя диапазонов АКПП. См. "Трос привода механизма переключения" в этом разделе.


  7. J7C15A15
    Показать иллюстрациюПеревод текста в иллюстрациях


  8. Снять гайку рычага переключателя диапазонов АКПП и рычаг.


  9. L7B53A51
    Показать иллюстрациюПеревод текста в иллюстрациях


  10. Отверткой отогнуть выступы пружинной шайбы вниз от гайки вала ручного переключения.


  11. L7B53A52
    Показать иллюстрациюПеревод текста в иллюстрациях


  12. Снять гайку, разрезную стопорную шайбу и плоскую шайбу.


  13. L7B53A53
    Показать иллюстрациюПеревод текста в иллюстрациях


  14. Вывернуть болты крепления переключателя диапазонов АКПП.
  15. Снять переключатель диапазонов АКПП.


L7B53A53
Показать иллюстрациюПеревод текста в иллюстрациях


Порядок установки

  1. Установить переключатель диапазонов АКПП на рычаг вала ручного переключения.
  2. Вкрутить болты. Затяжку при этом выполнять ТОЛЬКО руками.


  3. L7B53A52
    Показать иллюстрациюПеревод текста в иллюстрациях


  4. Установить плоскую шайбу, разрезную стопорную шайбу и гайку.
  5. Затянуть
    Затянуть гайку переключателя диапазонов АКПП моментом 7 Н•м (62 фунт-дюйма).

  6. Убедиться, что вал ручного переключения находится в нейтральном положении (n).


  7. L7B53A51
    Показать иллюстрациюПеревод текста в иллюстрациях


  8. Загнуть выступы стопорной шайбы вверх, чтобы зафиксировать гайку.


  9. L7B53AG5
    Показать иллюстрациюПеревод текста в иллюстрациях


  10. Установить j-45404 на вал ручного переключения и вращать переключатель диапазонов АКПП до тех пор, пока базовая линия нейтральной передачи на переключателе не выровняется с линией указателя на j-45404.
  11. Затянуть болты переключателя диапазонов АКПП.
  12. Затянуть
    Затянуть болты переключателя диапазонов АКПП моментом 25 Н•м (18 фунт-футов).

  13. Снять j-45404 с вала ручного переключения.


  14. J7C15A15
    Показать иллюстрациюПеревод текста в иллюстрациях


  15. Установить рычаг переключателя диапазонов АКПП и гайку.
  16. Затянуть
    Затянуть гайку рычага переключателя диапазонов АКПП моментом 16 Н•м (12 фунт-футов).



    J7C15A14
    Показать иллюстрациюПеревод текста в иллюстрациях


  17. Установить трос на рычаг переключателя диапазонов АКПП и отрегулировать трос. См. "Трос привода механизма переключения" в этом разделе.
  18. Соединить электрический разъем (1, 2).


  19. J7C15A11
    Показать иллюстрациюПеревод текста в иллюстрациях


  20. Установить аккумуляторную батарею и полку аккумуляторной батареи. См. раздел 1E2, "Электрическая система двигателя - дизель 2.0".
  21. После регулировки переключателя диапазонов АКПП убедиться, что двигатель запускается только в положении СТОЯНКА (p) или НЕЙТРАЛЬ (n). Если двигатель запускается в каком-либо другом положении, повторно отрегулировать переключатель.


J7C15A11
Показать иллюстрациюПеревод текста в иллюстрациях


Регулировка переключателя диапазонов АКПП

Необходимое оборудование

J-45404 Приспособление для юстировки коробки передач с указателем

Процедура регулировки

  1. Снять аккумуляторную батарею и полку. См. раздел 1E2, "Электрическая система двигателя - дизель 2.0".
  2. Перевести рычаг управления переключением в нейтральное положение (n).
  3. Снять трос управления переключением с рычага переключателя диапазонов АКПП.


  4. L7B53A53
    Показать иллюстрациюПеревод текста в иллюстрациях


  5. Ослабить болты переключателя диапазонов АКПП.


  6. L7B53AG5
    Показать иллюстрациюПеревод текста в иллюстрациях


  7. Установить j-45404 на вал ручного переключения и вращать переключатель диапазонов АКПП до тех пор, пока базовая линия нейтральной передачи на переключателе не выровняется с линией указателя на j-45404.
  8. Затянуть болты переключателя диапазонов АКПП.
  9. Затянуть
    Затянуть болты переключателя диапазонов АКПП моментом 25 Н•м (18 фунт-футов).

  10. Снять j-45404 с вала ручного переключения.


  11. J7C15A11
    Показать иллюстрациюПеревод текста в иллюстрациях


  12. Установить трос управления переключением на рычаг переключателя диапазонов АКПП и отрегулировать трос. См. "Трос привода механизма переключения" в этом разделе.
  13. Установить аккумуляторную батарею и полку аккумуляторной батареи. См. раздел 1E2, "Электрическая система двигателя - дизель 2.0".
  14. После регулировки переключателя диапазонов коробки передач убедиться, что двигатель запускается только в положении СТОЯНКА (p) или НЕЙТРАЛЬ (n). Если двигатель запускается в каком-либо другом положении, повторно отрегулировать переключатель.


J7C15A14
Показать иллюстрациюПеревод текста в иллюстрациях


Датчик скорости первичного вала

Порядок снятия

  1. Отсоединить провод от отрицательного вывода аккумуляторной батареи.
  2. Снять аккумуляторную батарею и полку. См. раздел 1E2, "Электрическая система двигателя - дизель 2.0".
  3. Снять электрический разъём (3)датчика скорости первичного вала с датчика скорости первичного вала.


  4. L7B53A50
    Показать иллюстрациюПеревод текста в иллюстрациях


  5. Вывернуть болт крепления датчика скорости первичного вала.
  6. Снять датчик скорости первичного вала с коробки передач с главной передачей в сборе.
  7. Снять уплотнительное кольцо датчика скорости первичного вала. Выбросить уплотнительное кольцо.


L7B53A50
Показать иллюстрациюПеревод текста в иллюстрациях


Порядок установки

  1. Смазать уплотнительное кольцо датчика скорости первичного вала рабочей жидкостью КПП.
  2. Установить новое уплотнительное кольцо датчика скорости первичного вала на датчик скорости первичного вала.
  3. Установить датчик скорости первичного вала в коробку передач с главной передачей в сборе.
  4. Установить болт крепления датчика скорости первичного вала.
  5. Затянуть
    Затянуть болт крепления датчика скорости первичного вала моментом 6 Н•м (53 фунт-дюйма).



    J7C15A14
    Показать иллюстрациюПеревод текста в иллюстрациях


  6. Подсоединить электрический разъём (3) к датчику скорости первичного вала.
  7. Установить аккумуляторную батарею и полку аккумуляторной батареи. См. раздел 1E2, "Электрическая система двигателя - дизель 2.0".
  8. Присоедините провод к отрицательному выводу аккумуляторной батареи.


J7C15A14
Показать иллюстрациюПеревод текста в иллюстрациях


Датчик скорости вторичного вала

Порядок снятия

  1. Отсоединить провод от отрицательного вывода аккумуляторной батареи.
  2. Снять аккумуляторную батарею и полку. См. раздел 1E2, "Электрическая система двигателя - дизель 2.0".
  3. Снять электрический разъём (4) датчика скорости вторичного вала с датчика скорости вторичного вала.


  4. L7B53A49
    Показать иллюстрациюПеревод текста в иллюстрациях


  5. Вывернуть болт крепления датчика скорости вторичного вала.
  6. Снять датчик скорости вторичного вала с коробки передач с главной передачей в сборе.
  7. Снять уплотнительное кольцо датчика скорости вторичного вала. Выбросить уплотнительное кольцо.


L7B53A49
Показать иллюстрациюПеревод текста в иллюстрациях


Порядок установки

  1. Смазать уплотнительное кольцо датчика скорости вторичного вала рабочей жидкостью КПП.
  2. Установить новое уплотнительное кольцо датчика скорости вторичного вала на датчик скорости вторичного вала.
  3. Установить датчик скорости вторичного вала в коробку передач с главной передачей в сборе.
  4. Установить болт крепления датчика скорости вторичного вала.
  5. Затянуть
    Затянуть болт крепления датчика скорости вторичного вала моментом 6 Н•м (53 фунт-дюйма).



    J7C15A14
    Показать иллюстрациюПеревод текста в иллюстрациях


  6. Подсоединить электрический разъём (4) к датчику скорости вторичного вала.
  7. Установить аккумуляторную батарею и полку аккумуляторной батареи. См. раздел 1E2, "Электрическая система двигателя - дизель 2.0".
  8. Присоедините провод к отрицательному выводу аккумуляторной батареи.


J7C15A16
Показать иллюстрациюПеревод текста в иллюстрациях


Контроллер КПП

Порядок снятия

  1. Отсоединить провод от отрицательного вывода аккумуляторной батареи.
  2. Отсоединить электрические разъемы контроллера КПП.
  3. Снять контроллер КПП (tcm) и гайки.


J7C15A16
Показать иллюстрациюПеревод текста в иллюстрациях


Порядок установки

  1. Установить гайки крепления контроллера КПП.
  2. Затянуть
    Затянуть гайки крепления контроллера КПП до 8 Н•м (71 фунт-дюйма).

  3. Соединить электрические разъемы.
  4. Присоедините провод к отрицательному выводу аккумуляторной батареи.


J7C15A17
Показать иллюстрациюПеревод текста в иллюстрациях


Трубопровод масляного радиатора в сборе

Порядок снятия

  1. Приподнять автомобиль и установить его на предусмотренные для этого опоры.
  2. Установить поддон или подходящий контейнер под автомобиль.
  3. Отсоединить шланги масляного радиатора от радиатора.


  4. L7B53AS2
    Показать иллюстрациюПеревод текста в иллюстрациях


  5. Вывернуть болт крепления трубопровода масляного радиатора в сборе из коробки передач с главной передачей в сборе.
  6. Снять трубопровод масляного радиатора в сборе.
  7. Заменить уплотнения трубопровода масляного радиатора коробки передач с главной передачей в сборе. См. "Уплотнения трубопровода масляного радиатора" в этом разделе.


L7B53AS2
Показать иллюстрациюПеревод текста в иллюстрациях


Порядок установки

  1. Установить трубопровод масляного радиатора в сборе в коробку передач с главной передачей в сборе.
  2. Установить болт крепления трубопровода масляного радиатора в сборе.
  3. Затянуть
    Затянуть болт крепления трубопровода масляного радиатора в сборе моментом 10 Н•м (89 фунт-дюймов).



    J7C15A17
    Показать иллюстрациюПеревод текста в иллюстрациях


  4. Присоединить шланги масляного радиатора к радиатору.
  5. Опустить автомобиль.
  6. Долить жидкость в коробку передач с главной передачей в сборе.
  7. Проверить уровень жидкости. См. "Процедура проверки жидкости коробки передач с главной передачей в сборе" в данном разделе.


L7B53AS2
Показать иллюстрациюПеревод текста в иллюстрациях


Уплотнения трубопровода масляного радиатора

Необходимое оборудование

J-41239-1 Приспособление для установки уплотнений трубопровода радиатора
J-45201 Съемник уплотнений трубопровода радиатора

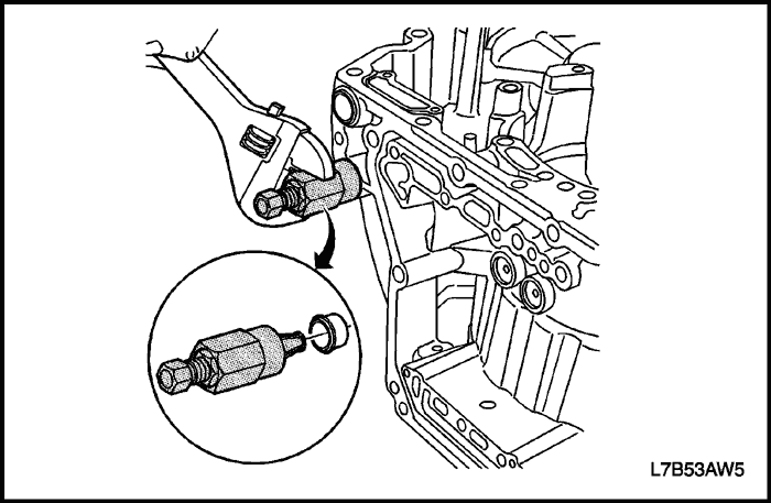
Порядок снятия

  1. Приподнять автомобиль и установить его на предусмотренные для этого опоры.
  2. Установить поддон или подходящий контейнер под автомобиль.
  3. Снять трубопровод масляного радиатора в сборе с коробки передач с главной передачей в сборе. См. "Трубопровод масляного радиатора в сборе" в этом разделе.


  4. L7B53AW3
    Показать иллюстрациюПеревод текста в иллюстрациях


    Важно: Убедиться, что J-45201 полностью посажен в отверстие уплотнения коробки передач с главной передачей в сборе.

  5. Вставить цанговую часть (2) съемника j-45201 в уплотнение трубопровода радиатора.
  6. Вставить нажимной болт (1) съемника j-45201 в цанговую часть (2).
  7. Затянуть нажимной болт (1) до плотного прилегания.


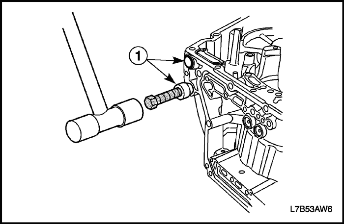
  8. L7B53AW4
    Показать иллюстрациюПеревод текста в иллюстрациях


  9. Навернуть втулочную часть (1) съемника j-45201 на цангу (3) до плотного прилегания.


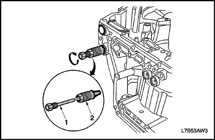
  10. L7B53AW5
    Показать иллюстрациюПеревод текста в иллюстрациях


  11. Повернуть втулку по часовой стрелке, чтобы удалить уплотнение трубопровода радиатора.
  12. Выбросить уплотнение.
  13. Очистить отверстия в корпусе для уплотнений трубопровода радиатора.


L7B53AW6
Показать иллюстрациюПеревод текста в иллюстрациях


Порядок установки

  1. Вставить 2 новых уплотнения (1) трубопровода радиатора коробки передач с главной передачей в сборе в отверстия в корпусе.
  2. Снять утолщение с j-41239-1.
  3. Установить утолщение инструмента j-41239-1 на уплотнения трубопровода радиатора коробки передач с главной передачей в сборе.
  4. Легкими ударами забить 2 новых уплотнения (1) трубопровода радиатора коробки передач с главной передачей в сборе в отверстия в корпусе.


  5. L7B53AS2
    Показать иллюстрациюПеревод текста в иллюстрациях


  6. Установить трубопровод масляного радиатора в сборе. См. "Трубопровод масляного радиатора в сборе" в этом разделе.
  7. Опустить автомобиль.
  8. Долить жидкость в коробку передач с главной передачей в сборе.
  9. Проверить уровень жидкости. См. "Процедура проверки жидкости коробки передач с главной передачей в сборе" в данном разделе.


J7C15A11
Показать иллюстрациюПеревод текста в иллюстрациях


Левый кронштейн подвески коробки передач с главной передачей в сборе

Необходимое оборудование

DW110-060 Кронштейн для подвески двигателя

Порядок снятия

  1. Снять аккумуляторную батарею и полку. См. раздел 1E2, "Электрическая система двигателя - дизель 2.0".
  2. Установить dw110-060.
  3. Опереть КПП на домкрат.


  4. J7C15A18
    Показать иллюстрациюПеревод текста в иллюстрациях


  5. Вывернуть три болта левого кронштейна подвески коробки передач с главной передачей в сборе.
  6. Вывернуть болт и гайку крепления рамы кронштейна подвески коробки передач с главной передачей в сборе.
  7. Снять кронштейн левой подвески КПП.


J7C15A18
Показать иллюстрациюПеревод текста в иллюстрациях


Порядок установки

  1. Установить левый кронштейн подвески коробки передач с главной передачей в сборе и вкрутить три болта крепления кронштейна подвески коробки передач с главной передачей в сборе.
  2. Затянуть
    Затянуть три левых болта крепления кронштейна подвески коробки передач с главной передачей в сборе моментом 47 Н•м (35 фунт-футов).

  3. Установить болт и гайку крепления рамы кронштейна подвески коробки передач с главной передачей в сборе.
  4. Затянуть
    Затянуть болт и гайку крепления рамы кронштейна подвески коробки передач с главной передачей в сборе моментом 65 Н•м (48 фунт-футов).



    J7C15A11
    Показать иллюстрациюПеревод текста в иллюстрациях


  5. Снять dw110-060.
  6. Установить аккумуляторную батарею и полку аккумуляторной батареи. См. раздел 1E2, "Электрическая система двигателя - дизель 2.0".


J7C15A11
Показать иллюстрациюПеревод текста в иллюстрациях


Коробка передач с главной передачей в сборе

Необходимое оборудование

DW110-060 Кронштейн для подвески двигателя

Порядок снятия

  1. Снять аккумуляторную батарею и полку. См. раздел 1E2, "Электрическая система двигателя - дизель 2.0".
  2. Снять топливный фильтр в сборе. См. раздел 1F2, "Органы управления двигателем - 2.0 Дизель".
  3. Слить рабочую жидкость коробки передач. См. "Смена рабочей жидкости КПП" в этом разделе.


  4. J7C15A10
    Показать иллюстрациюПеревод текста в иллюстрациях


  5. Отсоединить трос привода механизма переключения от КПП. См. "Трос привода механизма переключения" в этом разделе.


  6. J7C15A14
    Показать иллюстрациюПеревод текста в иллюстрациях


  7. Отсоединить электрический разъём (1) переключателя диапазонов КПП.
  8. Отсоединить электрический разъём (2) разводки коробки передач с главной передачей в сборе.
  9. Отсоединить электрический разъём (3) датчика скорости первичного вала и электрический разъём датчика скорости вторичного вала (4).


  10. V3B31C80
    Показать иллюстрациюПеревод текста в иллюстрациях


  11. Вывернуть два верхних болта крепления коробки передач с главной передачей в сборе к двигателю.
  12. Снять стартер. См. раздел 1E2, "Электрическая система двигателя - дизель 2.0".
  13. С помощью зажимного приспособления для двигателя dw110-060 подпереть двигатель в сборе.
  14. Приподнять автомобиль и установить его на предусмотренные для этого опоры.
  15. Снять защиту картера двигателя. См. "Раздел 9N, рама и нижняя часть кузова".


  16. J7C15A19
    Показать иллюстрациюПеревод текста в иллюстрациях


  17. Снять центральный элемент. См. "Раздел 9N, рама и нижняя часть кузова".
  18. Снять приемную трубу глушителя. См. раздел 1G2, "Система выпуска отработавших газов - дизель 2.0".
  19. Снять поперечину. См. Раздел 2C, "Передняя подвеска".


  20. V3B31C83
    Показать иллюстрациюПеревод текста в иллюстрациях


  21. Снять переднюю подвеску двигателя. См. раздел 1B, "Механическая система двигателя - 2.0 Дизель".
  22. Отсоединить передний мост. См. Раздел 3А, Привод автоматической коробки передач.


  23. L7B53AS2
    Показать иллюстрациюПеревод текста в иллюстрациях


  24. Снять трубопровод масляного радиатора с коробки передач с главной передачей в сборе. См. "Трубопровод масляного радиатора в сборе" в этом разделе.


  25. J7C15A20
    Показать иллюстрациюПеревод текста в иллюстрациях


  26. Вывернуть шесть болтов крепления маховика к гидротрансформатору после снятие пластиковой крышки.


  27. J7C15A21
    Показать иллюстрациюПеревод текста в иллюстрациях


  28. Выкрутить болты крепления заднего кронштейна подвески КПП.


  29. L7B53AS7
    Показать иллюстрациюПеревод текста в иллюстрациях


  30. Опереть коробку передач с главной передачей в сборе на домкрат.


  31. J7C15A22
    Показать иллюстрациюПеревод текста в иллюстрациях


  32. Вывернуть болты крепления фланца масляного поддона к коробке передач с главной передачей в сборе.


  33. J7C15A23
    Показать иллюстрациюПеревод текста в иллюстрациях


  34. Вывернуть левые нижние болты крепления двигателя к коробке передач с главной передачей в сборе возле края заднего кронштейна подвески коробки передач с главной передачей в сборе.


  35. J7C15A24
    Показать иллюстрациюПеревод текста в иллюстрациях


  36. Вывернуть правый нижний болт крепления двигателя к коробке передач с главной передачей в сборе возле передней подвески двигателя.


  37. J7C15A18
    Показать иллюстрациюПеревод текста в иллюстрациях


  38. Вывернуть болты крепления левого кронштейна подвески коробки передач с главной передачей в сборе. См. "Левый кронштейн крепления коробки передач" в данном разделе.


  39. L7B53AS7
    Показать иллюстрациюПеревод текста в иллюстрациях


  40. Аккуратно снять коробки передач с главной передачей в сборе с автомобиля.


L7B53AS7
Показать иллюстрациюПеревод текста в иллюстрациях


Порядок установки

  1. Установить коробку передач с главной передачей в сборе в автомобиль и опереть коробку передач с главной передачей в сборе на домкрат.


  2. J7C15A18
    Показать иллюстрациюПеревод текста в иллюстрациях


  3. Установить болты крепления левого кронштейна подвески коробки передач с главной передачей в сборе. См. "Левый кронштейн крепления коробки передач" в данном разделе.


  4. J7C15A24
    Показать иллюстрациюПеревод текста в иллюстрациях


  5. Завернуть правый нижний болт крепления двигателя к коробке передач с главной передачей в сборе возле передней подвески двигателя.
  6. Затянуть
    Затянуть правый нижний болт крепления двигателя к коробке передач с главной передачей в сборе моментом 73 Н•м (54 фунт-фута).



    J7C15A23
    Показать иллюстрациюПеревод текста в иллюстрациях


  7. Установить левые нижние болты крепления двигателя к коробке передач с главной передачей в сборе возле края заднего кронштейна подвески коробки передач с главной передачей в сборе.
  8. Затянуть
    Затянуть левые нижние болты крепления двигателя к коробке передач с главной передачей в сборе моментом 73 Н•м (54 фунт-футов).



    J7C15A22
    Показать иллюстрациюПеревод текста в иллюстрациях


  9. Установить болты крепления фланца масляного поддона к коробке передач с главной передачей в сборе.
  10. Затянуть
    Затянуть болты крепления фланца масляного поддона к коробке передач с главной передачей в сборе моментом 50 Н•м (37 фунт-фут).



    J7C15A21
    Показать иллюстрациюПеревод текста в иллюстрациях


  11. Вкрутить болты крепления заднего кронштейна подвески КПП.
  12. Затянуть
    Затянуть болты крепления заднего кронштейна подвески коробки передач с главной передачей в сборе моментом 90 Н•м (66 фунт-футов).



    J7C15A20
    Показать иллюстрациюПеревод текста в иллюстрациях


  13. Завернуть шесть болтов крепления маховика к гидротрансформатору и установить пластиковую крышку.
  14. Затянуть
    Затянуть болты крепления маховика к гидротрансформатору моментом 45 Н•м (33 фунт-фута).



    V3B31C80
    Показать иллюстрациюПеревод текста в иллюстрациях


  15. Установить верхние болты крепления коробки передач к двигателю.
  16. Затянуть
    Затянуть верхние болты крепления коробки передач к двигателю моментом 73 Н•м (54 фунт-фута).



    L7B53AS2
    Показать иллюстрациюПеревод текста в иллюстрациях


  17. Установить трубопровод масляного радиатора в коробку передач с главной передачей в сборе. См. "Трубопровод масляного радиатора в сборе" в этом разделе.
  18. Установить стартер. См. раздел 1E1, "Электрическая часть двигателя" или раздел 1E2, "Электрическая часть двигателя - дизель 2.0".


  19. V3B31C83
    Показать иллюстрациюПеревод текста в иллюстрациях


  20. Завернуть болты передней подвеска двигателя и установить подвеску. См. раздел 1B, "Механическая система двигателя - 2.0 Дизель".
  21. Затянуть
    Затянуть болты передней подвески двигателя до 60 Н•м (44 фунт-футов).

  22. Подключить передний мост. См. Раздел 3А, Привод автоматической коробки передач.


  23. J7C15A19
    Показать иллюстрациюПеревод текста в иллюстрациях


  24. Установить приемную трубу глушителя. См. раздел 1G2, "Система выпуска отработавших газов - дизель 2.0".
  25. Установить центральный элемент. См. "Раздел 9N, рама и нижняя часть кузова".
  26. Установить поперечину. См. Раздел 2C, "Передняя подвеска".
  27. Установить защиту картера двигателя. См. "Раздел 9N, рама и нижняя часть кузова".
  28. Опустить автомобиль.
  29. Снять dw110-060 с двигателя.


  30. J7C15A14
    Показать иллюстрациюПеревод текста в иллюстрациях


  31. Установить электрический разъем (1) переключателя диапазонов АКПП.
  32. Присоединить электрический разъём (2) разводки коробки передач с главной передачей в сборе.
  33. Присоединить электрический разъём (3) датчика скорости первичного вала и электрический разъём датчика скорости вторичного вала (4).


  34. J7C15A10
    Показать иллюстрациюПеревод текста в иллюстрациях


  35. Установить трос управления переключением в коробку передач с главной передачей в сборе. См. "Трос привода механизма переключения" в этом разделе.
  36. Отрегулировать трос управления переключением. См. "Регулировка троса управления переключением" в данном разделе.


  37. J7C15A11
    Показать иллюстрациюПеревод текста в иллюстрациях


  38. Установить топливный фильтр в сборе. См. раздел 1F2, "Органы управления двигателем - 2.0 Дизель".
  39. Установить аккумуляторную батарею и полку аккумуляторной батареи. См. раздел 1E2, "Электрическая система двигателя - дизель 2.0".
  40. Долить жидкость в коробку передач с главной передачей в сборе.
  41. Проверить уровень жидкости. См. "Процедура проверки жидкости коробки передач с главной передачей в сборе" в данном разделе.


На предыдущую страницуНа следующую страницу
https://vnx.su/ 🛠 Руководства по ремонту и эксплуатации для автомобилей

Поиск по сайту

Остались вопросы или пожелания? Пишите на почту: support@vnx.su

Карта Сайта