К началу документа
Epica
На предыдущую страницуНа следующую страницу
Главная страница GMDEЗагрузить нединамическое оглавлениеЗагрузить динамическое оглавлениеПомощь

РАЗДЕЛ 9 В

БЛОК ИНТЕЛЛЕКТУАЛЬНОЙ КОММУТАЦИИ

Внимание! Отсоедините провод от отрицательного вывода аккумулятора, прежде чем снимать или устанавливать какие-либо электрические устройства, а также в ситуации, когда есть возможность касания оголенных электрических контактов каким-либо инструментом или приспособлением. Отсоединение этого провода позволяет избежать травм и повреждения оборудования автомобиля. Кроме того, если не указано иное, зажигание должно находиться в положении LOCK.

ПРИНЦИПИАЛЬНАЯ И МОНТАЖНАЯ СХЕМА

Цепь блока интеллектуальной коммутации

Левостороннее управление


L9B19V01
Показать иллюстрациюПеревод текста в иллюстрациях


Правостороннее управление


L9B19V02
Показать иллюстрациюПеревод текста в иллюстрациях


Дизель


L9B19V03
Показать иллюстрациюПеревод текста в иллюстрациях


Правостороннее управление (дизель)


L9B19V04
Показать иллюстрациюПеревод текста в иллюстрациях



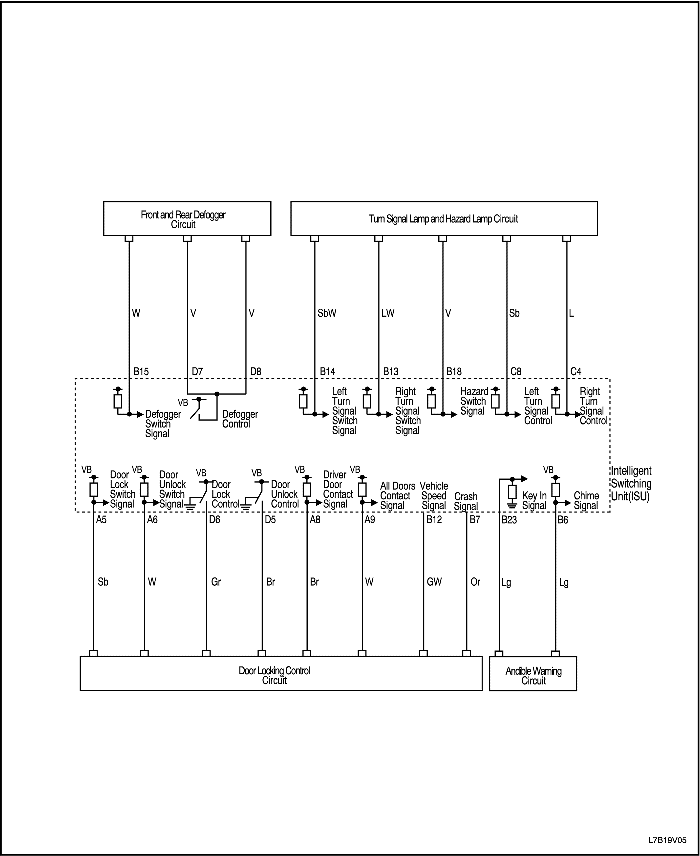
L7B19V05
Показать иллюстрациюПеревод текста в иллюстрациях


Правостороннее управление (только holden)


L7B19V06
Показать иллюстрациюПеревод текста в иллюстрациях



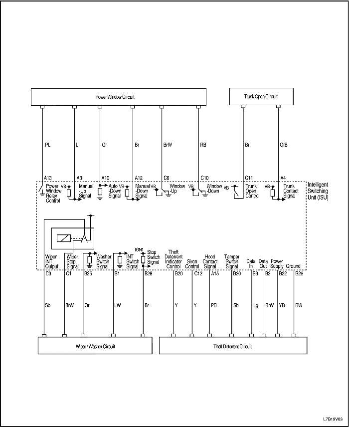
L7B19V03
Показать иллюстрациюПеревод текста в иллюстрациях


Правостороннее управление (только holden)


L7B19V07
Показать иллюстрациюПеревод текста в иллюстрациях


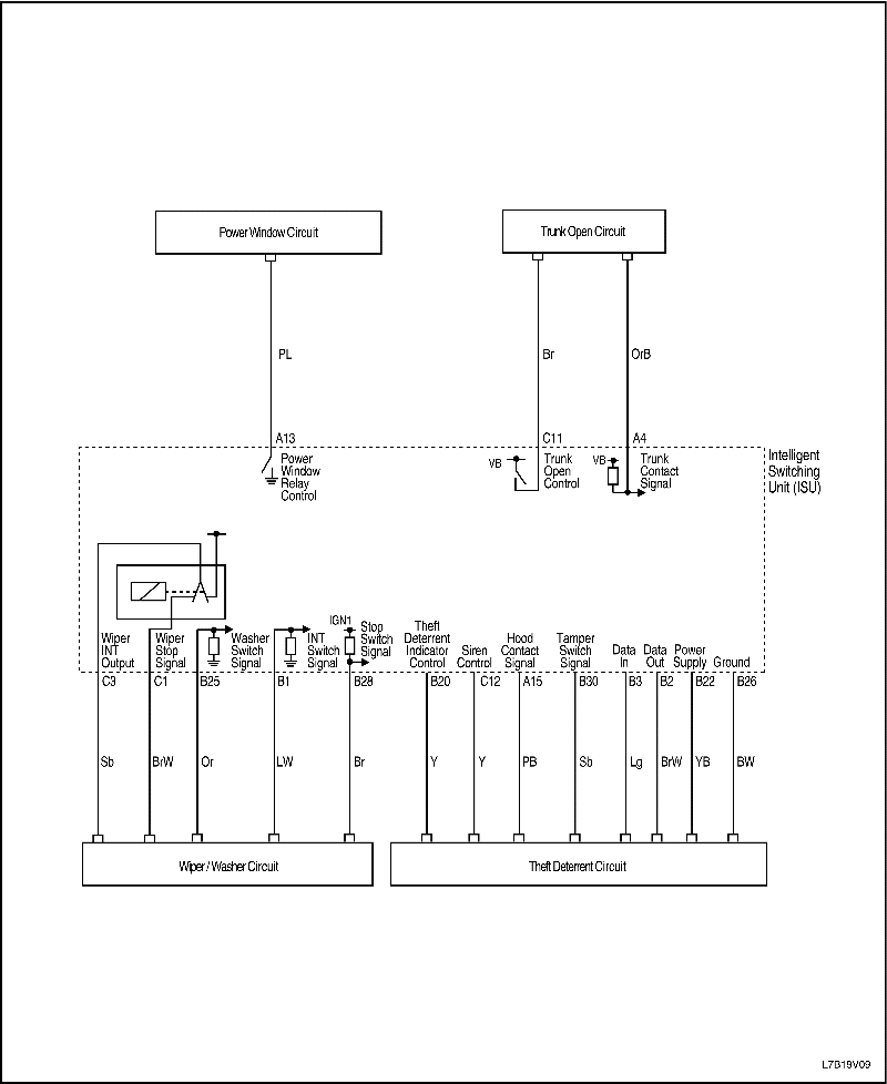
Дизель


L7B19V09
Показать иллюстрациюПеревод текста в иллюстрациях


ТАБЛИЦА РАЗЪЕМОВ


L7B59D41
Показать иллюстрациюПеревод текста в иллюстрациях


Разъем pe3

ШТЫРЕК
Описание
Вольты
1
Вход выключателя прерывающегося режима стеклоочистителей
-
2
Выход данных иммобилайзера
-
3
Вход данных иммобилайзера
-
4
-
-
5
-
-
6
Сигнал входа звуковой сигнализация
-
7
Сигнал входа столкновения
-
8
-
-
9
-
-
10
-
-
11
-
-
12
Сигнал входа датчика скорости автомобиля
12.5
13
Вход правого указателя поворота
13.2
14
Вход левого указателя поворота
13.2
15
Сигнал входа выключателя обогрева
13.2
16
-
-
17
-
-
18
Сигнал входа аварийной сигнализации
13.2
19
dlc (линия k)
12.6
20
Привод индикатора безопасности
-
21
-
-
22
Электропитание иммобилайзера
-
23
Вход выключателя напоминания о ключе
-
24
-
-
25
Вход сигнала стеклоомывателя
-
26
Масса для иммобилайзера
-
27
-
13.3
28
Вход сигнала возврата стеклоочистителя на место
-
29
-
-
30
Вход контрольного переключателя
13.2

Разъем pe4

ШТЫРЕК
Описание
Вольты
1
-
-
2
-
-
3
Сигнал входа поднимания электрического стеклоподъемника вручную
13.3
4
Вход сигнала переключателя открытия багажника
13.2
5
Вход выключателя центрального запирания дверей
13.2
6
Вход выключателя центрального отпирания дверей
-
7
dlc (связь линии k с контроллером ecm)
-
8
Контактный переключатель двери для двери водителя
13.3
9
Контактный переключатель двери для всех дверей
13.3
10
Сигнал входа автоматического опускания электрического стеклоподъемника
-
11
Вход ign 2
13.3
12
Сигнал входа опускания электрического стеклоподъемника вручную
13.1
13
Привод реле стеклоподъемника
13.3
14
-
-
15
Вход контактного выключателя капота
13.1

Разъем pp1

ШТЫРЕК
Описание
Вольты
1
Масса для электронного оборудования
-
2
-
-
3
Вход питания ign 1
13.3
4
Масса для электрической системы
-
5
Привод центрального отпирания дверей
-
6
Привод центрального запирания дверей
-
7
Выход обогрева наружного зеркала заднего вида с электроприводом
-
8
Выход обогрева заднего стекла
-

Разъем pp2

ШТЫРЕК
Описание
Вольты
1
Выход сигнала остановки стеклоочистителей
-
2
-
13.3
3
Выход выключателя прерывающегося режима стеклоочистителей
-
4
Выход правого указателя поворота
-
5
-
-
6
Привод поднимания электрического стеклоподъемника
-
7
-
-
8
Выход левого указателя поворота
-
9
-
-
10
Привод опускания электрического стеклоподъемника
-
11
Привод отпирания багажника
-
12
Привод сирены
-

Разъем pp5

ШТЫРЕК
Описание
Вольты
1
Электропитание bat для isu
13.3

ТАБЛИЦА ПРЕДОХРАНИТЕЛЕЙ

ШТЫРЕК
Описание
Вольты
a
Прерыватель указателей поворота/аварийной сигнализации
15a
b
Питание isu
5a
c
Запирание/отпирание дверей
15a
d
Очиститель ветрового стекла
25a
e
Электрический стеклоподъемник
20a
f
Обогрев наружного зеркала заднего вида/заднего стекла
30a

ДИАГНОСТИКА

ISU объединяет очень сложные блоки и разводку в один микроконтроллер, а также интеллектуально управляет самим собой.
В результате количество компонентов становится меньше, а разводка - проще, к тому же, диагностировать электрические системы гораздо проще с помощью диагностического прибора.
Цепь обмена данными между ISU и прибором Scan-100 позволяет обслуживать следующие элементы.
- Отображение состояния входа.
- Возбуждение выходов.
- Кодировка ключей передатчиком.
- Отображение состояния выхода (ВКЛ./ВЫКЛ.).

Диагностические коды неисправностей

Код dtc
Описание
Раздел ссылок
21
Ошибка выключателя заднего обогревателя
9l СТЕКЛО И ЗЕРКАЛА
22
Ошибка выключателя переднего стеклоомывателя
9d СИСТЕМА СТЕКЛООЧИСТИТЕЛЕЙ/СТЕКЛООМЫВАТЕЛЯ
23
Ошибка батарейки высокочастотного передатчика
9Т1 СИСТЕМА ДИСТАНЦИОННОГО УПРАВЛЕНИЯ ЗАМКАМИ И ПРОТИВОУГОННОЙ СИСТЕМОЙ
24
Ошибка сброса высокочастотного (rf) ключа
9Т1 СИСТЕМА ДИСТАНЦИОННОГО УПРАВЛЕНИЯ ЗАМКАМИ И ПРОТИВОУГОННОЙ СИСТЕМОЙ
25
Выход поднимания электрического стеклоподъемника (с ручным управлением)
9p ДВЕРИ
26
Выход опускания электрического стеклоподъемника (с ручным управлением)
9p ДВЕРИ
27
Переключатель автоматического поднимания электрического стеклоподъемника
9p ДВЕРИ
28
Переключатель автоматического опускания электрического стеклоподъемника
9p ДВЕРИ
29
Ошибка тока электрического стеклоподъемника со стороны водителя
9p ДВЕРИ
33
Иммобилизирующая система Неправильное значение антенны
9Т2 ИММОБИЛИЗИРУЮЩАЯ ПРОТИВОУГОННАЯ СИСТЕМА
34
Отсутствие иммобилизирующей системы. Ошибка антенны/канала
9Т2 ИММОБИЛИЗИРУЮЩАЯ ПРОТИВОУГОННАЯ СИСТЕМА
35
Иммобилизирующая система канала. Ошибка антенны
9Т2 ИММОБИЛИЗИРУЮЩАЯ ПРОТИВОУГОННАЯ СИСТЕМА
36
Иммобилизирующая система Короткое замыкание антенны на b+
9Т2 ИММОБИЛИЗИРУЮЩАЯ ПРОТИВОУГОННАЯ СИСТЕМА
37
Иммобилизирующая система Короткое замыкание антенны на массу/обрыв цепи
9Т2 ИММОБИЛИЗИРУЮЩАЯ ПРОТИВОУГОННАЯ СИСТЕМА

Активация лампы

Нет
Привод
Операция
1
Указатель левого поворота
3-разовая активация за 5 сек.
2
Указатель правого поворота
3-разовая активация за 5 сек.
3
-
-
4
-
-
5
Индикатор противоугонной системы
3-разовая активация за 5 сек.

Другая активация

Нет
Привод
Операция
1
Зуммер предупреждения об открытии дверей
Одноразовая активация за 5 сек.
2
Реле электрического стеклоподъемника
3-разовая активация за 5 сек.
3
Опускание электрического стеклоподъемника
3-разовая активация за 5 сек.
4
Поднимание электрического стеклоподъемника
3-разовая активация за 5 сек.
5
Обогреватель
3-разовая активация за 5 сек.
6
Центральное запирание дверей
Одноразовая активация за 5 сек.
7
Центральное отпирание дверей
Одноразовая активация за 5 сек.
8
Открытие багажника
1-разовая активация за 5 сек.
9
Противоугонная сигнализация
3-разовая активация за 5 сек.

Данные датчика

Нет
Элементы
Значение
1
Выключатель заднего обогрева
ВКЛ. / ВЫКЛ.
2
Переключатель электрического стеклоподъемника (с ручным управлением)
-
3
Переключатель автоматического перемещения электрического стеклоподъемника
-
4
Переключатель остановки стеклоочистителей
ВКЛ. / ВЫКЛ.
5
Выключатель прерывающегося режима стеклоочистителей
ВКЛ. / ВЫКЛ.
6
Выключатель стеклоомывателя
ВКЛ. / ВЫКЛ.
7
Выключатель двери водителя
ОТКРЫТЬ / ЗАКРЫТЬ
8
Выключатель всех дверей
ОТКРЫТЬ / ЗАКРЫТЬ
9
Переключатель багажника
ОТКРЫТЬ / ЗАКРЫТЬ
10
Переключатель капота
ОТКРЫТЬ / ЗАКРЫТЬ
11
Выключатель центрального запирания дверей
ЗАПЕРЕТЬ / ОТПЕРЕТЬ
12
Контрольный переключатель
ДА / НЕТ
13
Переключатель задних габаритных огней
ВКЛ. / ВЫКЛ.
14
Переключатель сигнала аварийной сигнализации
ВКЛ. / ВЫКЛ.
15
Выключатель указателя поворота
НОРМА / ЛЕВЫЙ / ПРАВЫЙ
16
-
ОТКРЫТЬ / ЗАКРЫТЬ
17
Переключатель напоминающего сигнала
ДА / НЕТ
18
Входное напряжение прерывающегося режима стеклоочистителей
[ мВ ]
19
Напряжение аккумулятора
[ В ]
20
Ток мотора электрического стеклоподъемника
[ мa ]
21
Пороговое значение электрического стеклоподъемника
[ мa ]
22
Светодиод режима безопасности
-
23
Замок двери
НОРМА / ОТКРЫТЬ / ЗАКРЫТЬ
24
Электрический стеклоподъемник со стороны водителя
-
25
Электродвигатель отпирания багажника
ДА / НЕТ
26
Главное реле электрического стеклоподъемника
ДА / НЕТ
27
Задний обогрев
ДА / НЕТ
28
Прерывающийся режим стеклоочистителей
ДА / НЕТ
29
Левый указатель поворота
ДА / НЕТ
30
Правый указатель поворота
ДА / НЕТ
31
-
-
32
-
-

ТЕХНИЧЕСКОЕ ОБСЛУЖИВАНИЕ И РЕМОНТ

ТЕХНИЧЕСКОЕ ОБСЛУЖИВАНИЕ БЕЗ ДЕМОНТАЖА С АВТОМОБИЛЯ



V3B39G22
Показать иллюстрациюПеревод текста в иллюстрациях


Блок интеллектуальной коммутации (isu)

(показан левый привод, правый привод аналогичен)

Процедура снятия

  1. Отсоединить разъем отрицательного вывода аккумуляторной батареи.
  2. Снять нижнюю крышку панели приборов. См. Раздел 9G, Облицовка салона.
  3. Снять коленный буфер. См. Раздел 9G, Облицовка салона.


  4. L7B59D70
    Показать иллюстрациюПеревод текста в иллюстрациях


  5. Отсоединить электрические разъемы.
  6. Снять гайки, крепящие блок интеллектуальной коммутации (isu).
  7. Снять блок интеллектуальной коммутации (isu).


L7B59D70
Показать иллюстрациюПеревод текста в иллюстрациях


Процедура установки

    Примечание: Непосредственный контакт разнородных металлов может привести к быстрой коррозии. Во избежание преждевременной коррозии используйте надлежащий крепеж.

  1. Установить isu с помощью гаек.
  2. Затянуть
    Затянуть гайки блока интеллектуальной коммутации (ISU) с усилием 9,5 Н•м (84 фунт-дюйма).

  3. Подсоединить электрические разъемы.


  4. V3B39G22
    Показать иллюстрациюПеревод текста в иллюстрациях


  5. Установить коленный буфер. См. Раздел 9G, Облицовка салона.
  6. Установить нижнюю крышку панели приборов, См. Раздел 9G, Внутренняя отделка.
  7. Присоединить разъем отрицательного вывода аккумуляторной батареи.

ОБЩЕЕ ОПИСАНИЕ И РАБОТА СИСТЕМЫ

isu (блок интеллектуальной коммутации)

Так как стандартные электрические системы, в которых используются простые таймеры, реле и индивидуальные блоки управления, имеют отдельные схемы для каждой системы, то для них требуется большое количество компонентов, а также сложная разводка.
Но для ISU такие вещи не нужны, потому что он объединяет очень сложные блоки и разводку в один микроконтроллер, а также интеллектуально управляет самим собой.
В результате количество компонентов становится меньше, а разводка - проще, к тому же, диагностировать электрические системы гораздо проще с помощью диагностического прибора.

Обогрев

Источником питания является IGN2. Если нажатием перевести выключатель обогрева во включенное положение, то обогреватели заднего стекла и ORVM будут автоматически работать в течение 15 ± 3 мин. Если еще раз нажать выключатель или отключить питание IGN 2, в то время как обогреватели работают автоматически, то обогреватели отключатся.

Центральный блокирующий выключатель дверей (операция по умолчанию)

Если нажимать кнопки ЗАПЕРЕТЬ / ОТПЕРЕТЬ блокирующих выключателей дверей на двери водителя или второго водителя, то 4 двери запираются / отпираются все вместе.
Если запирать / отпирать с помощью ключа или кнопки двери водителя, то 4 двери запираются / отпираются все вместе.
Если нажимать кнопки ЗАПЕРЕТЬ / ОТПЕРЕТЬ передатчика, когда в цилиндре зажигания нет ключа зажигания, то 4 двери запираются / отпираются все вместе. В этом случае, в соответствии со своим состоянием, противоугонная система переходит в режим постановки на сигнализацию или снятия с сигнализации.
Привод блокировки дверей срабатывает в течение 0,2 сек.

Сигнал напоминания о ключе

Если дверь водителя открыта, когда зажигание находится в выключенном положении IGN OFF, ключ вставлен и выключатель напоминания о ключе во включенном состоянии, то работает внутренний зуммер ISU.
Если ключ зажигания извлечь из цилиндра зажигания или повернуть во включенное положение IGN ON, когда работает зуммер, то зуммер отключается.

Сигнализация ремней безопасности

Состояние сигнализации ремней безопасности определяется сенсорно-диагностическим модулем (SDM) подушки безопасности. Модуль SDM подушки безопасности посылает активный сигнал на ISU. После этого ISU подает предупреждение зуммером до тех пор, пока сигнал с входа модуля SDM остается активным. Чтобы получить дополнительную информацию, см. раздел 8A, Ремни безопасности.

Лампа поворота & Лампа аварийной сигнализации

Источником питания лампы поворота является IGN 1, а лампы аварийной сигнализации - B+.
Если неисправна одна из ламп поворота, то другие лампы поворота с этой же стороны мигают в два раза быстрее, чем с нормальной стороны. (Норма: 85 циклов в минуту.) Но бокового указателя поворота это не касается.

Электрический стеклоподъемник

Если зажигание переводится из положения IGN 2 в положение OFF, управление электрическими стеклоподъемниками отключается. Но после перехода зажигания из включенного положения ON в положение OFF, если ключ зажигания извлечь из цилиндра зажигания, то электрический стеклоподъемник остается работоспособным еще в течение 30 секунд (режим поддержания). Если в режиме поддержания какая-нибудь дверь остается открытой по истечении 30 секунд, то электрические стеклоподъемники отключаются.
Если зажигание переводится из положения IGN 2 в положение OFF, управление электрическими стеклоподъемниками отключается. Но после перехода зажигания из включенного положения ON в положение OFF, если ключ зажигания извлечь из цилиндра зажигания, то электрический стеклоподъемник остается работоспособным еще в течение 30 секунд (режим поддержания). Если в режиме поддержания какая-нибудь дверь остается открытой по истечении 30 секунд, то электрические стеклоподъемники отключаются.
Переключатель электрического стеклоподъемника водителя на главном переключателе имеет 2 стадии: 1-я стадия - это поднимание/опускание вручную, и 2-я стадия - автоматическое поднимание/опускание.

Стеклоочиститель

Стеклоочиститель может работать при подаче питания IGN 1.
Когда на ISU подается сигнал INT прерывающегося режима выключателя стеклоочистителей, внутреннее реле ISU возбуждается на 0,5 сек, и электродвигатель стеклоочистителей начинает перемещение. Через 0,5 сек электродвигатель производит только один цикл и останавливается в исходном положении с помощью цепи выключателя кулачкового диска электродвигателя стеклоочистителей.
Продолжительность прерывающегося режима можно регулировать от 1,5 сек до 12 сек с помощью переключателя регулировки продолжительности прерывающегося режима.
Если длительность входного сигнала выключателя стеклоомывателя более 0,3 сек, то возбуждается внутреннее реле стеклоочистителей блока ISU. Электродвигатель стеклоочистителей продолжает работать, пока выключатель стеклоомывателя находится во включенном положении. Если выключатель стеклоомывателя снова переводится в выключенное положение, то электродвигатель делает еще 2 цикла.

Дистанционное отпирание багажника & Противоугон

Передатчик может управлять запиранием/отпиранием двери, автоматическим открытием багажника, противоугонной системой.

Дистанционное отпирание багажника

Если на передатчике нажать кнопку багажника при отключенном напоминании о ключе, то привод багажника срабатывает в течение 0,3 ± 0,03 сек, но во время противоугонной сигнализации останавливается.
Если нажать кнопку багажника при открытом багажнике, то привод не сработает.

Противоугонная система

Передатчик встроен в ключ зажигания и имеет заменяемую батарейку.
Код ключа состоит из ФИКСИРОВАННОГО кода и ДИНАМИЧЕСКОГО кода.
Противоугонная система управляется только передатчиком. Если открыть двери, капот и багажник без использования передатчика или ключа зажигания, или если включить зажигание, то в режиме постановки на сигнализацию на 28 секунд включится сирена и аварийная сигнализация.

Дистанционное центральное блокирование дверей

Если нажать кнопки ЗАПЕРЕТЬ/ОТПЕРЕТЬ передатчика в условиях постановки противоугонной системы на сигнализацию, то центральное блокирование дверей действует, как описано в следующей схеме.
Если нажать кнопки передатчика во время, когда соблюдается даже одно из 3-х вышеперечисленных условий, то противоугонная система не будет работать, а центральное блокирование дверей - действовать.
Но если привод запирания двери приводится в действие передатчиком в то время как дверь водителя открыта, то дверь водителя не будет запираться, потому что операция отпирания выполняется механически с помощью выключателя кнопки двери водителя после операции запирания.
Если нажать кнопку ЗАПЕРЕТЬ/ОТПЕРЕТЬ передатчика в условиях постановки противоугонной системы на сигнализацию, то сработает центральное блокирование дверей.


На предыдущую страницуНа следующую страницу
https://vnx.su/ 🛠 Руководства по ремонту и эксплуатации для автомобилей

Поиск по сайту

Остались вопросы или пожелания? Пишите на почту: support@vnx.su

Карта Сайта