К началу документа
Epica
На предыдущую страницуНа следующую страницу
Главная страница GMDEЗагрузить нединамическое оглавлениеЗагрузить динамическое оглавлениеПомощь

РАЗДЕЛ 8A

РЕМНИ БЕЗОПАСНОСТИ

Внимание! Отсоедините провод от отрицательного вывода аккумулятора, прежде чем снимать или устанавливать какие-либо электрические устройства, а также в ситуации, когда есть возможность касания оголенных электрических контактов каким-либо инструментом или приспособлением. Отсоединение этого провода позволяет избежать травм и повреждения оборудования автомобиля. Кроме того, если не указано иное, зажигание должно находиться в положении LOCK.

ТЕХНИЧЕСКИЕ ХАРАКТЕРИСТИКИ

Моменты затяжки резьбовых соединений

ПРОГРАММА
Н•м
фунт-фут
фунт-дюйм
Болты регулятора высоты переднего ремня безопасности
38
28
-
Болт крепления ремня безопасности
38
28
-
Винты держателя механизма втягивания ремня безопасности
3
-
27
Болт механизма втягивания ремня безопасности
38
28
-
Болт и гайка замка ремня безопасности
38
28
-

ПРИНЦИПИАЛЬНЫЕ И МОНТАЖНЫЕ СХЕМЫ

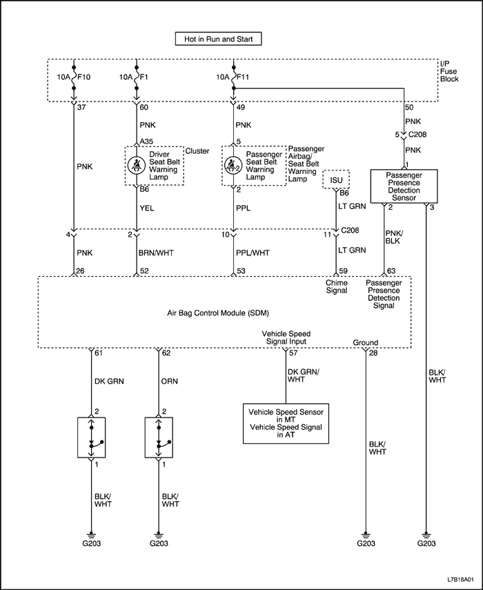
Сигнализация непристегнутого ремня безопасности водителя и пассажира


L7B18A01
Показать иллюстрациюПеревод текста в иллюстрациях


ДИАГНОСТИКА

Сигнализация непристегнутого ремня безопасности водителя

Лампа сигнализации непристегнутого ремня безопасности не загорается никогда

ШагОперацияЗначенияДаНет
1
Проверьте предохранитель сигнализации ремня безопасности f1.
Предохранитель f1 перегорел?
-
Перейдите на Шаг 2
Перейдите на Шаг 3
2
  1. Проверьте на предмет короткого замыкания и при необходимости отремонтируйте.
  2. Замените предохранитель.
Ремонт закончен?
-
Система в норме
-
3
  1. Установите зажигание в положение on.
  2. Проверьте напряжение на предохранителе f1.
Равно ли напряжение указанному значению?
9 ~ 16 В
Перейдите на Шаг 5
Перейдите на Шаг 4
4
Отремонтируйте разорванную цепь питания к предохранителю f1.
Ремонт закончен?
-
Система в норме
-
5
  1. Отсоедините разъем выключателя ремня безопасности (находится под сиденьем водителя).
  2. Соедините перемычкой контакты разъема выключателя ремня безопасности на жгуте проводов.
  3. Установите зажигание в положение on.
Включилась ли лампа сигнализации непристегнутого ремня безопасности?
-
Перейдите на Шаг 6
Перейдите на Шаг 7
6
Замените выключатель ремня безопасности.
Ремонт закончен?
-
Система в норме
-
7
  1. Снимите приборную панель.
  2. Проверьте лампочку сигнализации непристегнутого ремня безопасности.
Лампочка исправна?
-
Перейдите на Шаг 9
Перейдите на Шаг 8
8
Замените лампочку сигнализации.
Ремонт закончен?
-
Система в норме
-
9
Отремонтируйте разорванную цепь между выводом b6 приборной панели и массой.
Ремонт закончен?
-
Система в норме
-

ТЕХНИЧЕСКОЕ ОБСЛУЖИВАНИЕ И РЕМОНТ

ТЕХНИЧЕСКОЕ ОБСЛУЖИВАНИЕ БЕЗ ДЕМОНТАЖА С АВТОМОБИЛЯ



L7B5AA03
Показать иллюстрациюПеревод текста в иллюстрациях


Передний ремень безопасности с натяжителем

Процедура снятия

  1. Отсоедините провод от отрицательного вывода аккумуляторной батареи.
  2. Снимите пластмассовую крышку, под которой находится нижнее крепление ремня безопасности к центральной стойке.
  3. Удалите болт и снимите нижнее крепление ремня безопасности к центральной стойке.


  4. L7B5AA04
    Показать иллюстрациюПеревод текста в иллюстрациях


  5. Снимите нижнюю панель облицовки центральной стойки. См. Раздел 9G, Облицовка салона.
  6. Снимите пластмассовую крышку, под которой находится верхнее крепление ремня безопасности к центральной стойке.
  7. Выкрутите винты и снимите держатель направляющей ремня безопасности.
  8. Удалите болт и снимите верхнее крепление ремня безопасности к центральной стойке.


  9. L7B5AA05
    Показать иллюстрациюПеревод текста в иллюстрациях


  10. Отключите разъем натяжителя.
  11. Вывинтите винты крепления держателя механизма втягивания ремня безопасности.
  12. Удалите болт и снимите механизм втягивания ремня безопасности.


L7B5AA05
Показать иллюстрациюПеревод текста в иллюстрациях


Процедура установки

    Внимание! При использовании ненадлежащего винта для крепления механизма втягивания возможно неправильное функционирование натяжителя ремня безопасности в случае аварии, что может привести к травме.

    Примечание: Непосредственный контакт разнородных металлов может привести к быстрой коррозии. Во избежание преждевременной коррозии используйте надлежащий крепеж.

  1. Закрепите механизм втягивания ремня безопасности болтом.
  2. Затянуть
    Затяните болт крепления механизма втягивания ремня безопасности моментом 38 Н•м (28 lb-ft).



    L7B5AA04
    Показать иллюстрациюПеревод текста в иллюстрациях


  3. Закрепите держатель механизма втягивания ремня безопасности винтом.
  4. Затянуть
    Затяните винт крепления держателя механизма втягивания ремня безопасности моментом 3 Н•м (27 lb-in)

  5. Подключите разъем натяжителя.
  6. Прикрепите верхнее крепление ремня безопасности к центральной стойке болтом.
  7. Затянуть
    Затяните болт крепления ремня безопасности моментом 38 Н•м (28 lb-ft).

  8. Установите пластмассовую крышку крепления ремня безопасности.


  9. L7B5AA03
    Показать иллюстрациюПеревод текста в иллюстрациях


  10. Установите нижнюю панель облицовки центральной стойки. См. Раздел 9G, Облицовка салона.
  11. Прикрепите нижнее крепление ремня безопасности к центральной стойке болтом.
  12. Затянуть
    Затяните болт крепления ремня безопасности моментом 38 Н•м (28 lb-ft).

  13. Установите пластмассовую крышку крепления ремня безопасности.
  14. Присоедините провод к отрицательному выводу аккумуляторной батареи.


L7B5AA07
Показать иллюстрациюПеревод текста в иллюстрациях


Регулятор высоты переднего ремня безопасности

Процедура снятия

  1. Снимите верхнюю панель облицовки центральной стойки. См. Раздел 9G, Облицовка салона.
  2. Удалите болты и снимите регулятор высоты ремня безопасности.


L7B5AA07
Показать иллюстрациюПеревод текста в иллюстрациях


Процедура установки

    Примечание: Непосредственный контакт разнородных металлов может привести к быстрой коррозии. Во избежание преждевременной коррозии используйте надлежащий крепеж.

  1. Закрепите регулятор высоты ремня безопасности болтами.
  2. Затянуть
    Затяните болты регулятора высоты переднего ремня моментом 38 Н•м (28 фунт-футов).

  3. Установите верхнюю панель облицовки центральной стойки. См. Раздел 9G, Облицовка салона.


L7B5AA09
Показать иллюстрациюПеревод текста в иллюстрациях


трехточечный ремень безопасности для заднего сиденья

Процедура снятия

  1. Снимите подушку/спинку заднего сиденья. См. раздел 9H, "Сиденья".
  2. Снимите панель облицовки задней стойки. См. Раздел 9G, Облицовка салона.
  3. Выкрутите болт и снимите нижнее крепление ремня безопасности.


  4. L7B5AA10
    Показать иллюстрациюПеревод текста в иллюстрациях


  5. Снимите панель облицовки задней полки. См. Раздел 9G, Облицовка салона.
  6. Снимите направляющей ремня безопасности с задней полки.


  7. L7B5AA11
    Показать иллюстрациюПеревод текста в иллюстрациях


  8. Выкрутите болт и снимите механизм втягивания заднего ремня безопасности..


L7B5AA11
Показать иллюстрациюПеревод текста в иллюстрациях


Процедура установки

  1. Закрепите механизм втягивания заднего ремня безопасности болтом.
  2. Затянуть
    Затяните болт крепления механизма втягивания ремня безопасности моментом 38 Н•м (28 lb-ft).



    L7B5AA11
    Показать иллюстрациюПеревод текста в иллюстрациях


  3. Установите направляющую ремня безопасности на заднюю полку.
  4. Установите панель облицовки задней полки. См. Раздел 9G, Облицовка салона.


  5. L7B5AA09
    Показать иллюстрациюПеревод текста в иллюстрациях


  6. Прикрепите нижнее крепление ремня безопасности болтом.
  7. Затянуть
    Затяните болт крепления ремня безопасности моментом 38 Н•м (28 lb-ft).

  8. Установите панель облицовки задней стойки. См. Раздел 9G, Облицовка салона.
  9. Установите подушку/спинку заднего сиденья. См. раздел 9H, "Сиденья".


L7B5AA08
Показать иллюстрациюПеревод текста в иллюстрациях


Замок переднего ремня безопасности

Процедура снятия

  1. Снимите переднее сиденье в сборе. См. Раздел 9H, Сиденья.
  2. Открутите гайку и снимите замок переднего ремня безопасности.


L7B5AA08
Показать иллюстрациюПеревод текста в иллюстрациях


Процедура установки

  1. Закрепите замок переднего ремня безопасности гайкой.
  2. Затянуть
    Затяните гайку замка ремня безопасности с моментом 38 Н•м (28 фунт-футов).

  3. Установите переднее сиденье в сборе. См. Раздел 9H, Сиденья.


L7B5AA12
Показать иллюстрациюПеревод текста в иллюстрациях


Замок заднего ремня безопасности

Процедура снятия

  1. Снимите подушку сиденья. См. Раздел 9H, Сиденья.
  2. Открутите болты и снимите замок заднего ремня безопасности.


L7B5AA12
Показать иллюстрациюПеревод текста в иллюстрациях


Процедура установки

  1. Закрепите замок заднего ремня безопасности болтами.
  2. Затянуть
    Затяните болты замка ремня безопасности с моментом 38 Н•м (28 фунт-футов).

  3. Установите подушку сиденья. См. Раздел 9H, Сиденья.

ОБЩЕЕ ОПИСАНИЕ И РАБОТА СИСТЕМЫ

Сигнализация непристегнутого ремня безопасности водителя

Система сигнализации непристегнутого ремня безопасности выдает предупредительный звуковой и световой сигнал, если ремень безопасности не пристегнут.
Уровень предупреждения зависит от состояния автомобиля , а сигнал выдается водителю посредством предупредительной лампы ремня безопасности и звука.
После включения зажигания лампа сигнализации непристегнутого ремня безопасности водителя и пассажира загорается на 5 секунд и гаснет на 2 секунды, независимо от того присутствует ли пассажир и надет ли ремень безопасности.
Если после этого ремень безопасности водителя не будет застегнут, предупредительная лампа мигает в течение 90 секунд, а затем горит непрерывно до тех пор, пока не будет застегнут ремень безопасности. Как только ремень безопасности застегивается, предупредительная лампа гаснет.
Что касается лампы сигнализации непристегнутого ремня безопасности пассажира, то, если датчик PPD, установленный в подушку сиденья пассажира, не распознает присутствия пассажира и ремень безопасности не пристегнут, загорается лампа сигнализации непристегнутого ремня безопасности пассажира.
Затем сигнализация ремня безопасности работает по следующей схеме, в зависимости от состояния автомобиля.
Состояние автомобиля
Предупредительная лампа
Звуковой сигнал
Ремень не пристегнут, скорость автомобиля < 22 км/ч
Мигает (1 Гц)
Выключен
Ремень не пристегнут, скорость автомобиля ≥ 22 км/ч
Мигает (1 Гц)
Включен

Передний ремень безопасности с натяжителем

Передний ремень безопасности в стандартной комплектации поставляется с натяжителем. Натяжитель содержит пиротехнический механизм втягивания с механическим управлением, который срабатывает при лобовом столкновении, прямом или под углом, и выбирает слабину ремня безопасности. После аварийной ситуации, вызвавшей срабатывание натяжителя переднего ремня безопасности, натяжитель необходимо заменить.

Трехточечный ремень безопасности для заднего сиденья с механизмом втягивания с аварийной блокировкой (elr)

Трехточечные ремни безопасности с механизмом втягивания с аварийной блокировкой (ELR) поставляются в стандартной комплектации для переднего сиденья пассажира и крайних задних сидений.
Ремень безопасности ELR имеет механизм втягивания с режимом аварийной блокировки (ELR).
В обычной ситуации ремень безопасности работает в режиме ELR. Это дает пассажиру свободу движений, за исключением аварийных ситуаций.

Оперативные проверки

Внимание!
  1. Проверьте все болты и винты крепления ремней безопасности, чтобы убедиться, что они надежно завернуты.
  2. Осмотрите замок ремня безопасности. Замок должен легко застегиваться и расстегиваться.
  3. Вставив язычок в замок, резко дерните за ремень. Замок не должен рассоединиться.
  4. Полностью вытяните плечевую часть ремня и убедитесь, что на ремне нет скруток и надрывов.
  5. Отпустите плечевую часть ремня, чтобы она полностью втянулась. Ремень должен втягиваться свободно.


На предыдущую страницуНа следующую страницу
https://vnx.su/ 🛠 Руководства по ремонту и эксплуатации для автомобилей

Поиск по сайту

Остались вопросы или пожелания? Пишите на почту: support@vnx.su

Карта Сайта