К началу документа
Epica
На предыдущую страницуНа следующую страницу
Главная страница GMDEЗагрузить нединамическое оглавлениеЗагрузить динамическое оглавлениеПомощь

РАЗДЕЛ 9B

СИСТЕМЫ ОСВЕЩЕНИЯ

Внимание! Отсоедините провод от отрицательного вывода аккумулятора, прежде чем снимать или устанавливать какие-либо электрические устройства, а также в ситуации, когда есть возможность касания оголенных электрических контактов каким-либо инструментом или приспособлением. Отсоединение этого провода позволяет избежать травм и повреждения оборудования автомобиля. Кроме того, если не указано иное, зажигание должно находиться в положении LOCK.

ТЕХНИЧЕСКИЕ ХАРАКТЕРИСТИКИ

Перечень используемых ламп

Лампа
Мощность в ваттах
Подсветка пепельницы
1,4 Вт x 1
Фонарь заднего хода
16 Вт x 2
Дополнительный центральный стоп-сигнал
5 Вт x 5
Освещение подножки передней двери
5 Вт x 2
Передняя противотуманная фара
55 Вт x2
Освещение вещевого ящика
5 Вт x 1
Фара (дальний свет/ближний свет)
55 Вт/55 Вт x2
Освещение замочной скважины переключателя зажигания
5 Вт x 1
Освещение салона при открытии двери
10 Вт x 1
Освещение номерного знака
5 Вт x 2
Фонарь освещения багажника
10 Вт x 1
Плафон индивидуального освещения
8 Вт x 2
Передний стояночный огонь
5 Вт x 2
Задние указатели поворота
21 Вт x 2
Указатели поворота osrvm
2,56 Вт x 14 (светодиод)
Задние габаритные огни/стоп-сигнал
Двойной 21/5 Вт x 2
Освещение косметического зеркала
5 Вт x 2
Передний указатель поворота
21 Вт x 2

Моменты затяжки резьбовых соединений

ПРОГРАММА
Н•м
фунт-фут
фунт-дюйм
Винты модуля предупредительного света фар
4
-
35
Гайки противотуманного фонаря в сборе
3
-
27
Винты панели обивки передней двери
3.5
-
31
Болты фары в сборе
7
-
62
Винты освещения замочной скважины переключателя зажигания
2.5
-
22
Винт корпуса освещения салона при открытии двери
2
-
18
Винты lcm
9.5
-
84
Винты лампы освещения номерного знака в сборе
4
-
35
Винты сборки задних комбинированных фонарей
4
-
35
Винты заднего противотуманного фонаря в сборе
2
-
18
Болты и гайки рулевой колонки
22
16
-

ПРИНЦИПИАЛЬНЫЕ И МОНТАЖНЫЕ СХЕМЫ

Контроллер освещения (электропитание, масса)


L7B19B34
Показать иллюстрациюПеревод текста в иллюстрациях


Правостороннее управление (только holden)


L7B19B17
Показать иллюстрациюПеревод текста в иллюстрациях


Дизель


L7B19B35
Показать иллюстрациюПеревод текста в иллюстрациях


Цепь фар (без drl)

Левостороннее управление


L7B19B04
Показать иллюстрациюПеревод текста в иллюстрациях


Правостороннее управление (исключая holden)


L7B19B18
Показать иллюстрациюПеревод текста в иллюстрациях


Правостороннее управление (только holden)


L7B19B19
Показать иллюстрациюПеревод текста в иллюстрациях


Правостороннее управление (дизель)


L7B19B42
Показать иллюстрациюПеревод текста в иллюстрациях


Цепь фар (с drl)

Левостороннее управление


L7B19B05
Показать иллюстрациюПеревод текста в иллюстрациях


Правостороннее управление (исключая holden)


L7B19B20
Показать иллюстрациюПеревод текста в иллюстрациях


Правостороннее управление (дизель)


L7B19B43
Показать иллюстрациюПеревод текста в иллюстрациях


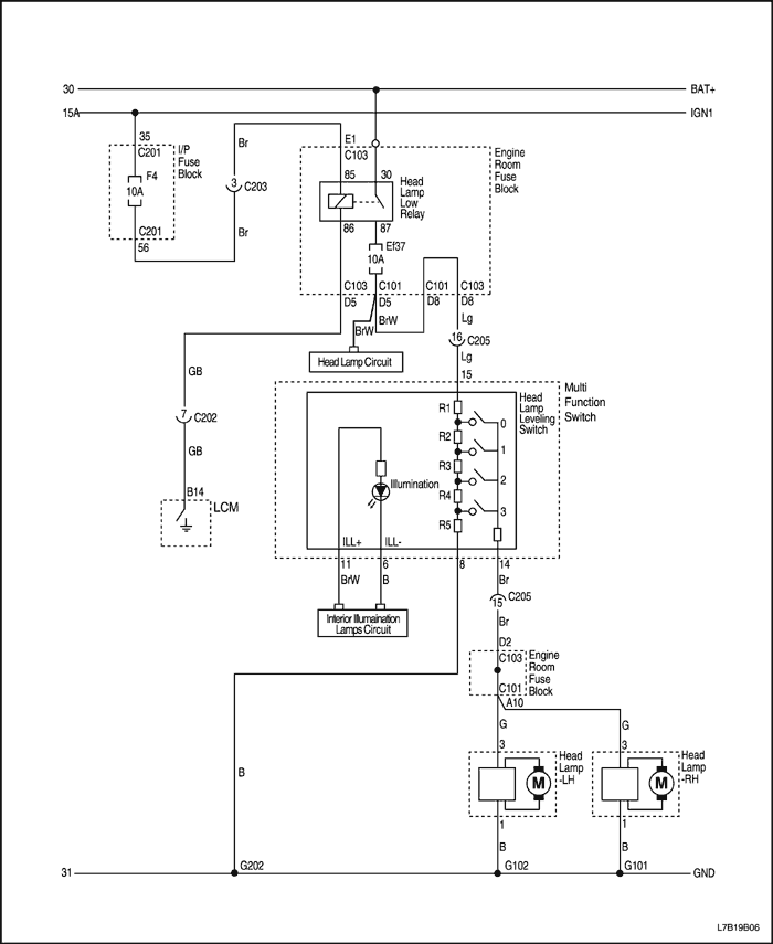
Цепь устройства регулирования положения фар (hlld)

Левостороннее управление


L7B19B06
Показать иллюстрациюПеревод текста в иллюстрациях


Правостороннее управление (исключая holden)


L7B19B21
Показать иллюстрациюПеревод текста в иллюстрациях


Дизель


L7B19B36
Показать иллюстрациюПеревод текста в иллюстрациях


Правостороннее управление (дизель)


L7B19B44
Показать иллюстрациюПеревод текста в иллюстрациях


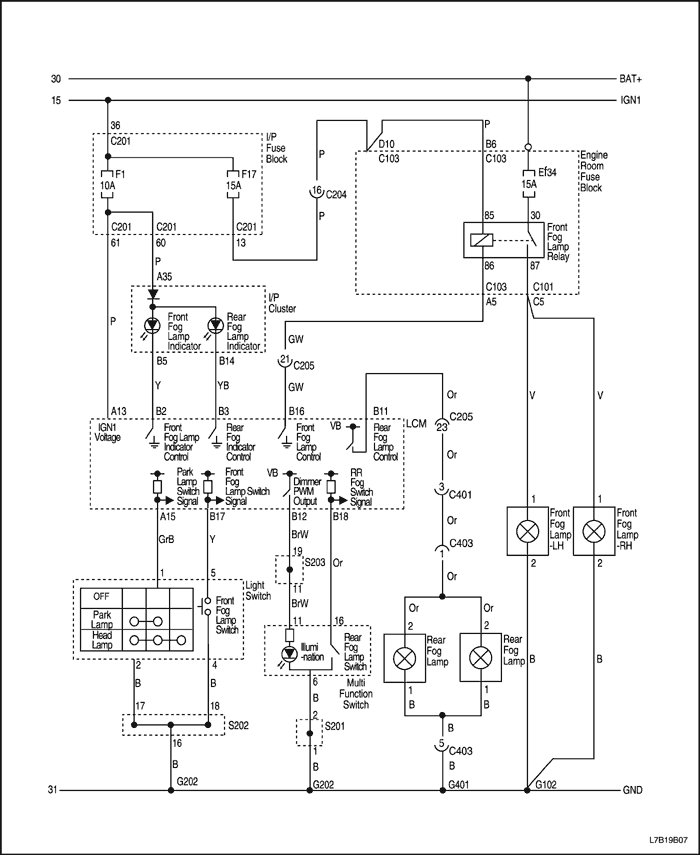
Цепь задних противотуманных фонарей


L7B19B07
Показать иллюстрациюПеревод текста в иллюстрациях


Правостороннее управление (только holden)


L7B19B22
Показать иллюстрациюПеревод текста в иллюстрациях


Дизель


L7B19B37
Показать иллюстрациюПеревод текста в иллюстрациях


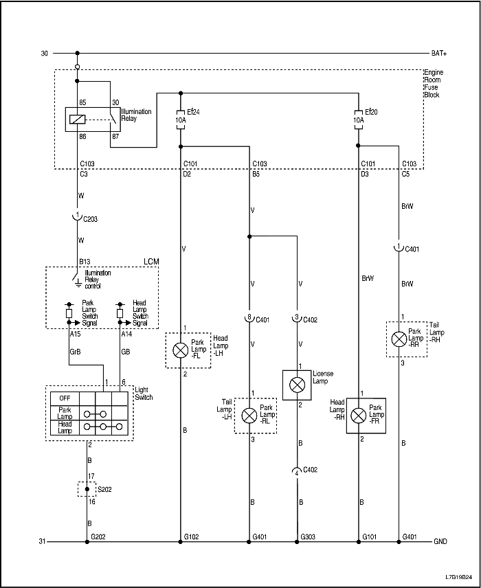
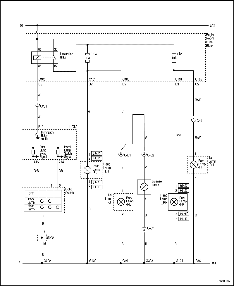
Цепь стояночных огней


L7B19B08
Показать иллюстрациюПеревод текста в иллюстрациях


Правостороннее управление (исключая holden)


L7B19B23
Показать иллюстрациюПеревод текста в иллюстрациях


Правостороннее управление (только holden)


L7B19B24
Показать иллюстрациюПеревод текста в иллюстрациях


Дизель


L7B19B38
Показать иллюстрациюПеревод текста в иллюстрациях


Правостороннее управление (дизель)


L7B19B45
Показать иллюстрациюПеревод текста в иллюстрациях


Цепь стоп-сигналов


L7B19B09
Показать иллюстрациюПеревод текста в иллюстрациях


Дизель


L7B19B39
Показать иллюстрациюПеревод текста в иллюстрациях


Правостороннее управление (дизель)


L7B19B46
Показать иллюстрациюПеревод текста в иллюстрациях


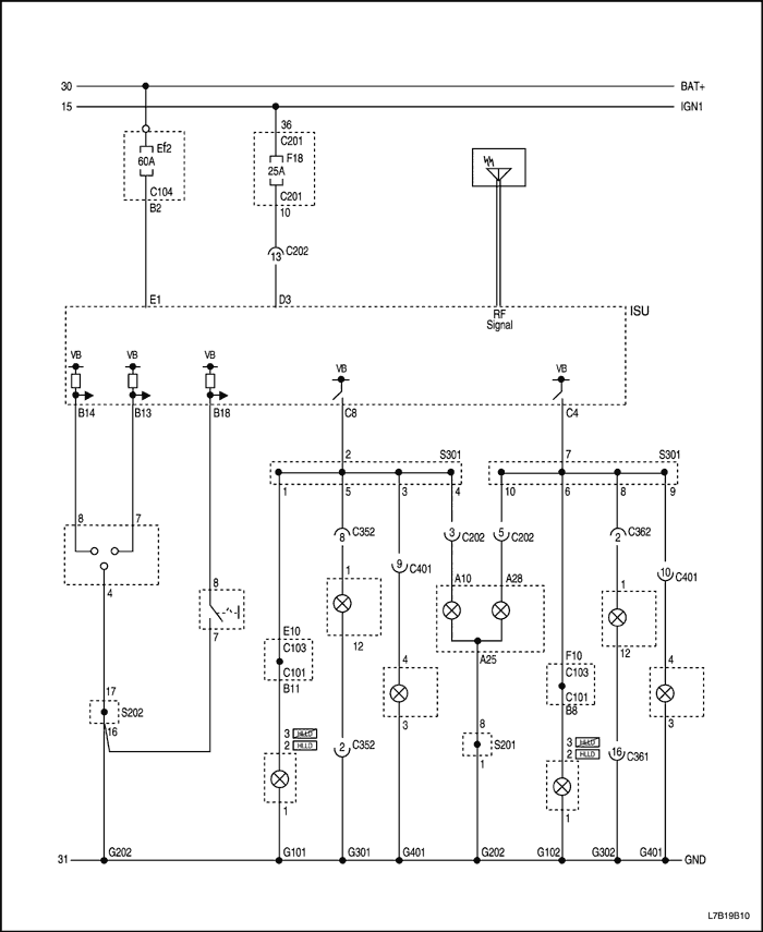
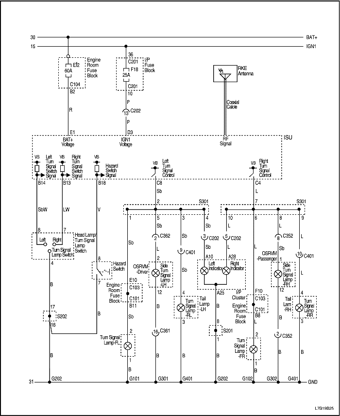
Цепь ламп указателей поворота и аварийной сигнализации


L7B19B10
Показать иллюстрациюПеревод текста в иллюстрациях


Правостороннее управление (исключая holden)


L7B19B25
Показать иллюстрациюПеревод текста в иллюстрациях


Правостороннее управление (только holden)


L7B19B26
Показать иллюстрациюПеревод текста в иллюстрациях


Дизель


L7B19B40
Показать иллюстрациюПеревод текста в иллюстрациях


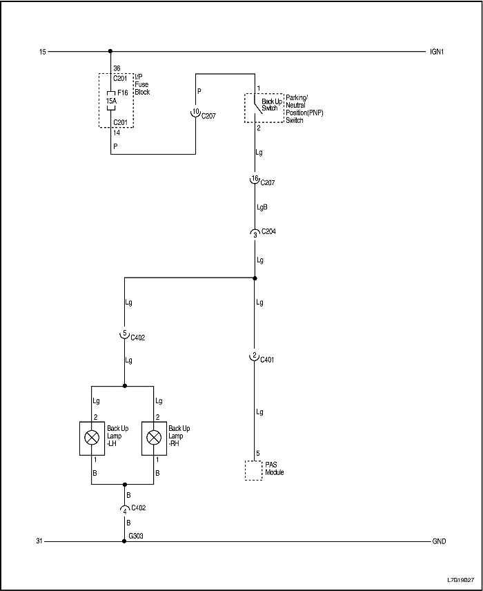
Цепь лампы заднего хода (МКПП)


L7B19B11
Показать иллюстрациюПеревод текста в иллюстрациях


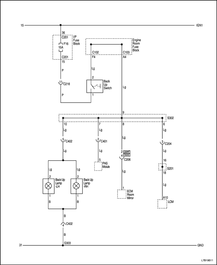
Цепь лампы заднего хода (АКПП)


L7B19B12
Показать иллюстрациюПеревод текста в иллюстрациях


Правостороннее управление (только holden)


L7B19B27
Показать иллюстрациюПеревод текста в иллюстрациях


Цепь освещения салона при открытии двери (замочная скважина, подножка двери)


L7B19B28
Показать иллюстрациюПеревод текста в иллюстрациях


Правостороннее управление (только holden)


L7B19B29
Показать иллюстрациюПеревод текста в иллюстрациях


Цепь плафонов освещения салона и других ламп (солнцезащитный козырек, вещевой ящик, багажный отсек)


L7B19B30
Показать иллюстрациюПеревод текста в иллюстрациях


Правостороннее управление (только holden)


L7B19B31
Показать иллюстрациюПеревод текста в иллюстрациях


Правостороннее управление (дизель)


L7B19B47
Показать иллюстрациюПеревод текста в иллюстрациях


Цепь системы сбережения заряда батареи

Левостороннее управление


L7B19B41
Показать иллюстрациюПеревод текста в иллюстрациях


Правостороннее управление (исключая holden)


L7B19B32
Показать иллюстрациюПеревод текста в иллюстрациях


Правостороннее управление (только holden)


L7B19B33
Показать иллюстрациюПеревод текста в иллюстрациях


Правостороннее управление (дизель)


L7B19B48
Показать иллюстрациюПеревод текста в иллюстрациях


ДИАГНОСТИКА

Электропитание и масса контроллера освещения

ШагОперацияЗначенияДаНет
1
Проверить предохранители ef21, f22, f1, f5, f9, f13.
Перегорел ли предохранитель ef21, ef22, f1, f5, f9, f13?
-
Перейдите на Шаг 2
Перейдите на Шаг 3
2
  1. Проверьте на предмет короткого замыкания и при необходимости отремонтируйте.
  2. Заменить любой перегоревший предохранитель.
Ремонт закончен?
-
Система в норме
-
3
С помощью вольтметра проверить напряжение на выводе c8 и a12 разъема lcm.
Показывает ли вольтметр указанное значение?
11~14 В
Перейдите на Шаг 4
Перейдите на Шаг 6
4
  1. Перевести зажигание в положение acc.
  2. С помощью вольтметра проверить напряжение на выводе a9 разъема lcm.
Показывает ли вольтметр указанное значение?
11~14 В
Перейдите на Шаг 5
Перейдите на Шаг 6
5
  1. Установите зажигание в положение on.
  2. С помощью вольтметра проверить напряжение на выводе a13 и c2 разъема lcm.
Показывает ли вольтметр указанное значение?
11~14 В
Перейдите на Шаг 7
Перейдите на Шаг 6
6
Устранить разрыв цепи электропитания между lcm и блоком предохранителей.
Ремонт закончен?
-
Система в норме
-
7
С помощью омметра проверить отсутствие обрывов цепи между выводами a25, c4 разъема lcm и массой.
Показывает ли омметр указанное значение?
~0Ом
Система в норме
Перейдите на Шаг 8
8
Устранить разрыв цепи массы.
Ремонт закончен?
-
Система в норме
-

Фары

Фары ближнего света не работают, фары дальнего света исправны

ШагОперацияЗначенияДаНет
1
Проверить предохранитель ef35 (левая фара) и ef37 (правая фара).
Перегорел ли предохранитель ef35 или ef37?
-
Перейдите на Шаг 2
Перейдите на Шаг 3
2
  1. Проверьте на предмет короткого замыкания и при необходимости устраните его.
  2. Замените предохранитель.
Ремонт закончен?
-
Система в норме
-
3
Проверить напряжение на предохранителях ef35 и ef37.
Соответствует ли фактическое напряжение на предохранителях ef13 и ef10 указанному значению?
11~14 В
Перейдите на Шаг 4
Перейдите на Шаг 9
4
  1. Отсоединить разъемы обеих фар.
  2. Включить фары.
  3. Выбрать ближний свет.
Соответствует ли напряжение на выводе 5 разъема каждой фары указанному значению?
11~14 В
Перейдите на Шаг 6
Перейдите на Шаг 5
5
Устранить разрыв цепи между предохранителем ef35 или ef37 и фарами ближнего света.
Ремонт закончен?
-
Система в норме
-
6
  1. Отсоединить разъемы фар.
  2. Подключить омметр между массой и выводом 2 разъема любой из фар.
Соответствует ли сопротивление указанному значению?
0 Ом
Перейдите на Шаг 8
Перейдите на Шаг 7
7
Восстановить цепь массы.
Ремонт закончен?
-
Система в норме
-
8
Заменить неисправные фары.
Ремонт закончен?
-
Система в норме
-
9
Проверить напряжение между предохранителями ef35 и ef37 и реле основных фар.
Соответствует ли фактическое напряжение на предохранителях ef35 и ef37 указанному значению?
11~14 В
Система в норме
Перейдите на Шаг 10
10
Устранить разрыв цепи между предохранителями ef35 и ef37 и реле основных фар.
Ремонт закончен?
-
Система в норме
-

Фары дальнего света не работают, фары ближнего света исправны

ШагОперацияЗначенияДаНет
1
Проверить предохранители ef17.
Перегорел ли предохранитель ef17?
-
Перейдите на Шаг 2
Перейдите на Шаг 3
2
  1. Проверьте на предмет короткого замыкания и при необходимости устраните его.
  2. Замените предохранитель.
Ремонт предохранителей закончен?
-
Система в норме
-
3
С помощью омметра проверить отсутствие обрывов цепи между выводом 1 выключателя фар и массой.
Показывает ли омметр указанное значение?
≈ 0 Ом
Перейдите на Шаг 4
Перейдите на Шаг 14
4
  1. Включить фары дальнего света.
  2. С помощью омметра проверить отсутствие обрывов цепи между выводом 3 выключателя фар и массой.
Показывает ли омметр указанное значение?
≈ 0 Ом
Перейдите на Шаг 7
Перейдите на Шаг 5
5
  1. Отсоединить выключатель фар.
  2. Перевести выключатель в положение дальнего света.
  3. С помощью омметра проверить отсутствие обрывов цепи выключателя фар между выводами 1 и 3.
Показывает ли омметр указанное значение?
0 Ом
-
Перейдите на Шаг 6
6
Заменить выключатель фар.
Ремонт закончен?
-
Система в норме
-
7
  1. Перевести зажигание в положение on.
  2. Включить фару дальнего света.
  3. С помощью омметра проверить отсутствие обрывов цепи между выводом b15 разъема lcm и массой.
Показывает ли омметр указанное значение?
≈ 0 Ом
Перейдите на Шаг 9
Перейдите на Шаг 7
8
Заменить lcm.
Ремонт закончен?
-
Система в норме
-
9
  1. Перевести зажигание в положение on.
  2. Включить фару дальнего света.
  3. С помощью омметра проверить отсутствие обрывов цепи между выводом f3 разъема c103 и массой.
Показывает ли омметр указанное значение?
≈ 0 Ом
Перейдите на Шаг 11
Перейдите на Шаг 10
10
Устранить разрыв цепи между lcm и блоком предохранителей в моторном отсеке.
Ремонт закончен?
-
Система в норме
-
11
  1. Отсоединить разъемы фар дальнего света.
  2. Включить фары дальнего света.
  3. С помощью вольтметра проверить напряжение на выводе 3 разъемов фар.
Показывает ли вольтметр указанное значение?
11~14 В
Перейдите на Шаг 13
Перейдите на Шаг 12
12
Устранить разрыв цепи между блоком предохранителей и фарами дальнего света.
Ремонт закончен?
-
Система в норме
-
13
С помощью омметра проверить отсутствие обрывов цепи между выводом 2 разъемов фар и массой.
Показывает ли омметр указанное значение?
≈ 0 Ом
Перейдите на Шаг 15
Перейдите на Шаг 14
14
Устранить разрыв цепи массы.
Ремонт закончен?
-
Система в норме
-
15
Заменить неисправные фары дальнего света.
Ремонт закончен?
-
Система в норме
-

Фары дальнего и ближнего света не работают ни на левой, ни на правой стороне

Рекомендации по диагностике: Если имеются еще некоторые другие системы, которые не работают при зажигании в положении on, такие как стеклоподъемники, сиденья с электрическим приводом регулировки, люк в крыше и передние указатели поворота, то проверить массу g101.
ШагОперацияЗначенияДаНет
1
Проверить предохранители f1, f4, ef17, ef35, ef37.
Перегорели ли какие-либо предохранители?
-
Перейдите на Шаг 2
Перейдите на Шаг 3
2
  1. Проверьте на предмет короткого замыкания и при необходимости устраните его.
  2. Заменить перегоревший предохранитель.
Ремонт закончен?
-
Система в норме
-
3
С помощью омметра проверить отсутствие обрывов цепи между выводом 2 выключателя освещения и массой.
Показывает ли омметр указанное значение?
≈ 0 Ом
Перейдите на Шаг 5
Перейдите на Шаг 4
4
Устранить разрыв цепи массы.
Ремонт закончен?
-
Система в норме
-
5
  1. Включить стояночный огонь.
  2. С помощью омметра проверить отсутствие обрывов цепи между выводом 1 выключателя освещения и массой.
Показывает ли омметр указанное значение?
≈ 0 Ом
Перейдите на Шаг 6
Перейдите на Шаг 7
6
  1. Включить фары.
  2. С помощью омметра проверить отсутствие обрывов цепи между выводом 6 выключателя освещения и массой.
Показывает ли омметр указанное значение?
≈ 0 Ом
Перейдите на Шаг 8
Перейдите на Шаг 7
7
Заменить выключатель освещения.
Ремонт закончен?
-
Система в норме
-
8
  1. Включить фары.
  2. С помощью омметра проверить отсутствие обрывов цепи между выводами a14, a15разъема lcm и массой.
Показывает ли омметр указанное значение?
≈ 0 Ом
Перейдите на Шаг 10
Перейдите на Шаг 9
9
Устранить разрыв цепи между lcm и выключателем освещения.
Ремонт закончен?
-
Система в норме
-
10
  1. Включить фары.
  2. С помощью омметра проверить отсутствие обрывов цепи между выводом b14 (ближний свет), b15 (дальний свет) разъема lcm и массой.
Показывает ли омметр указанное значение?
≈ 0 Ом
Перейдите на Шаг 12
Перейдите на Шаг 11
11
Заменить lcm.
Ремонт закончен?
-
Система в норме
-
12
  1. Включить фары.
  2. С помощью омметра проверить отсутствие обрывов цепи между выводом d5 (ближний свет), f3 (дальний свет) разъема c103 и массой.
Показывает ли омметр указанное значение?
≈ 0 Ом
Перейдите на Шаг 14
Перейдите на Шаг 13
13
Устранить разрыв цепи между lcm и блоком предохранителей в моторном отсеке.
Ремонт закончен?
-
Система в норме
-
14
С помощью омметра проверить отсутствие обрывов цепи между блоком предохранителей в моторном отсеке и обеими фарами.
Все в норме?
-
Перейдите на Шаг 16
Перейдите на Шаг 15
15
Устранить разрыв цепи между блоком предохранителей в моторном отсеке и фарой.
Ремонт закончен?
-
Система в норме
-
16
С помощью омметра проверить отсутствие обрывов цепи между выводом 2 фары и массой.
Показывает ли омметр указанное значение?
≈ 0 Ом
Перейти на Шаг 18
Перейдите на Шаг 17
17
Устранить разрыв цепи массы.
Ремонт закончен?
-
Система в норме
-
18
Заменить лампы фар.
Ремонт закончен?
-
Система в норме
-

Регулирование положения фар

Описание проверки

Указанные ниже цифры обозначают шаг(и) в диагностической таблице.
  1. Выключатель регулирования положения фар можно снять для испытания, если, осторожно потянув, высвободить крышку панели приборов со стороны водителя из ее фиксаторов. Забравшись за открепленную панель обивки, можно надавить на фиксирующие выступы регулирования положения фар и выключателя регулирования освещения, чтобы освободить выключатель из панели приборов.

Регулирование положения фар не работает

ШагОперацияЗначенияДаНет
1
Проверить фары дальнего и ближнего света.
Работают ли фары дальнего и ближнего света?
-
Перейдите на Шаг 3
Перейдите на Шаг 2
2
Отремонтировать фары дальнего и ближнего света перед выполнением действий, перечисленных в этой диагностической таблице.
Заработала ли система регулировки положения после ремонта фар?
-
Система в норме
Перейдите на Шаг 3
3
  1. Установите зажигание в положение on.
  2. С помощью вольтметра проверить напряжение на выводе 15 разъема многофункционального переключателя.
Показывает ли вольтметр указанное значение?
11~14 В
Перейдите на Шаг 5
Перейдите на Шаг 4
4
Устранить разрыв цепи между блоком предохранителей в моторном отсеке и многофункциональным переключателем.
Ремонт закончен?
-
Система в норме
-
5
С помощью омметра проверить отсутствие обрывов цепи между выводом 1 разъема фары и массой.
Показывает ли омметр указанное значение?
~0Ом
Перейдите на Шаг 7
Перейдите на Шаг 6
6
Устранить разрыв цепи между разъемом фары и массой.
Ремонт закончен?
-
Система в норме
-
7
  1. Включить фары ближнего света.
  2. Проверить напряжение на разъеме фар, в то время как положение регулировки фар на переключателе регулирования положения меняется от "0" до "3".
Меняется ли напряжение и соответствует ли указанным значениям?
От 11 - 14 В в положении "0", до 4,5 В в положении "3"
Перейдите на Шаг 8
Перейдите на Шаг 9
8
Заменить электродвигатель регулирования положения фар.
Ремонт закончен?
-
Система в норме
-
9
Устранить разрыв цепи между многофункциональным переключателем и фарой.
Ремонт закончен?
-
Система в норме
-

Противотуманные фары

Передние противотуманные фары не работают

ШагОперацияЗначенияДаНет
1
Снять реле противотуманных фар и временно заменить его на заведомо исправное, например, на реле основных фар или реле осветительных фар.
Работают ли противотуманные фары с замененным реле?
-
Перейдите на Шаг 2
Перейдите на Шаг 3
2
  1. Установить заменявшее реле на место.
  2. Заменить неработающее реле противотуманных фар.
Ремонт закончен?
-
Система в норме
-
3
  1. Вернуть заменявшее реле на место, но не устанавливать обратно реле противотуманных фар.
  2. С помощью вольтметра или контрольной лампы проверить вывод 30 гнезда реле противотуманных фар.
Соответствует ли подаваемое батареей напряжение на гнезде реле противотуманных фар указанному значению?
11~14 В
Перейдите на Шаг 5
Перейдите на Шаг 4
4
Устранить разрыв цепи между батареей (+) и реле противотуманных фар.
Ремонт закончен?
-
Система в норме
-
5
  1. Установите зажигание в положение on.
  2. Включить стояночные огни.
  3. Включить противотуманные фары.
  4. На гнезде реле противотуманных фар с помощью омметра или контрольной лампы проверить, соединен ли с массой разъем для вывода 86 реле.
Соответствует ли сопротивление указанному значению?
0 Ом
Перейдите на Шаг 7
Перейдите на Шаг 6
6
Восстановить цепь управления между реле противотуманных фар и lcm.
Ремонт закончен?
-
Система в норме
-
7
При установленном реле противотуманных фар и выключателе во включенном положении, проверить напряжение на разъеме противотуманных фар.
Соответствует ли подаваемое батареей напряжение на разъеме противотуманных фар указанному значению?
11~14 В
Перейдите на Шаг 9
Перейдите на Шаг 8
8
Устранить разрыв цепи между выводом 87 реле противотуманных фар и противотуманными фарами.
Ремонт закончен?
-
Система в норме
-
9
С помощью омметра или контрольной лампы проверить массу на разъеме противотуманных фар со стороны массы.
Соответствует ли сопротивление указанному значению?
0 Ом
Перейдите на Шаг 11
Перейдите на Шаг 10
10
Восстановить цепь массы противотуманных фар.
Ремонт закончен?
-
Система в норме
-
11
Заменить неисправные лампы противотуманных фар.
Ремонт закончен?
-
Система в норме
-

Задние противотуманные фонари не работают

Рекомендации по диагностике

Задние противотуманные фонари работают только при включенных фарах или передних противотуманных фарах.
Индикатор задних противотуманных фонарей в комбинации приборов может сократить процесс диагностики. Если индикатор в комбинации приборов загорается, но задние противотуманные фонари не загораются, то проблема заключается либо в обрыве цепи между реле задних противотуманных фонарей и фонарями, неисправными фонарями, либо в плохом заземлении задних противотуманных фонарей.

Описание проверки

Указанные ниже цифры обозначают шаг(и) в диагностической таблице.
  1. Передние противотуманные фары работают только при включенных стояночных огнях или общих фарах.
  2. Реле задних противотуманных фонарей располагается в зоне реле под панелью приборов.
  3. Питание на выключатель задних противотуманных фонарей подается через диод, который имеет отвод на жгут проводов кузова рядом с блоком предохранителей панели приборов. Если необходимо испытать электропитание диода, снять предохранительную панель со стороны водителя.
ШагОперацияЗначенияДаНет
1
Провести проверку электропитания и массы контроллера освещения.
Проверка закончена?
-
Перейдите на Шаг 2
2
Проверить фары и передние противотуманные фары.
Работают ли фары и передние противотуманные фары?
-
Перейдите на Шаг 4
Перейдите на Шаг 3
3
Отремонтировать фары или передние противотуманные фары перед выполнением действий, перечисленных в этой диагностической таблице.
Заработали ли задние противотуманные фонари после ремонта фар или передних противотуманных фар?
-
Система в норме
Перейдите на Шаг 4
4
  1. Снять лампы задних противотуманных фонарей.
  2. Установите зажигание в положение on.
  3. Включить фары.
  4. Перевести выключатель задних противотуманных фонарей во включенное положение.
  5. Проверить напряжение на выводе 2 разъема задних противотуманных фонарей.
Равно ли напряжение указанному значению?
11~14 В
Перейдите на Шаг 5
Перейдите на Шаг 8
5
При снятых лампах задних противотуманных фонарей с помощью омметра проверить отсутствие обрывов цепи между выводом 1 разъема задних противотуманных фонарей и массой.
Показывает ли омметр указанное значение?
≈ 0 Ом
Перейдите на Шаг 7
Перейдите на Шаг 6
6
Восстановить цепь массы между задними противотуманными фонарями и массой.
Ремонт закончен?
-
Система в норме
-
7
Заменить неисправные лампы противотуманных фар.
Ремонт закончен?
-
Система в норме
-
8
С помощью омметра проверить отсутствие обрывов цепи между выводом b11 разъема lcm и выводом 2 разъема задних противотуманных фонарей.
Показывает ли омметр указанное значение?
≈ 0 Ом
Перейдите на Шаг 7
Перейдите на Шаг 9
9
Восстановить цепь управления между lcm и задним противотуманным фонарем.
Ремонт закончен?
-
Система в норме
-

Задние габаритные огни/стоп-сигналы/указатели поворота/фонари заднего хода

Задние габаритные огни и/или боковые фонари указателей поворота не работают

Примечание: Во время проверки патрона лампы вольтметром или контрольной лампой не прикасаться к боковой части патрона (массе) при проверке положительного контакта внизу патрона. Если на патроне лампы присутствует и напряжение, и масса, одновременное прикосновение тестером к обеим приведет к перегоранию предохранителя.

ШагОперацияЗначенияДаНет
1
Проверить фары.
Работают ли фары?
-
Перейдите на Шаг 3
Перейдите на Шаг 2
2
Отремонтировать фары.
По-прежнему ли не работают задние комбинированные фонари?
-
Перейдите на Шаг 3
Система в норме
3
  1. Включить задние габаритные огни и боковые фонари указателей поворота.
  2. С помощью вольтметра проверить напряжение на положительном выводе патрона лампы.
Соответствует ли напряжение на патроне лампы указанному значению?
11~14 В
Перейдите на Шаг 4
Перейдите на Шаг 7
4
Подключить омметр между массой и отрицательным выводом патрона лампы.
Равно ли сопротивление указанному значению?
0 Ом
Перейдите на Шаг 9
Перейдите на Шаг 5
5
Восстановить цепь массы для ламп.
Ремонт закончен?
-
Система в норме
-
6
Заменить неисправные лампы.
Ремонт закончен?
-
Система в норме
-
7
Проверить предохранители ef20 и ef24.
Перегорел ли один из этих предохранителей?
-
Перейдите на Шаг 8
Перейдите на Шаг 9
8
  1. Проверьте на предмет короткого замыкания и при необходимости устраните его.
  2. Замените предохранитель.
Ремонт закончен?
-
Система в норме
-
9
  1. Включить фары.
  2. Проверить напряжение на выводе c8 разъема isu для заднего габаритного огня и бокового габаритного фонаря с левой стороны и на выводе c4 разъема isu для заднего габаритного огня и бокового габаритного фонаря с правой стороны.
Соответствует ли напряжение на разъеме указанному значению?
11~14 В
Перейдите на Шаг 11
Перейдите на Шаг 10
10
  1. Проверить isu.
  2. Заменить isu.
Ремонт закончен?
-
Система в норме
-
11
Устранить разрыв цепи между предохранителями ef20 и ef24 и задними габаритными огнями и/или боковыми фонарями указателями поворота.
Ремонт закончен?
-
Система в норме
Перейдите на Шаг 6

Стоп-сигналы не работают

Примечание: Во время проверки патрона лампы вольтметром или контрольной лампой не прикасаться к боковой части патрона (массе) при проверке положительного контакта внизу патрона. Если на патроне лампы присутствует и напряжение, и масса, одновременное прикосновение тестером к обеим приведет к перегоранию предохранителя.

ШагОперацияЗначенияДаНет
1
Проверить предохранитель ef23.
Перегорел ли предохранитель ef23?
-
Перейдите на Шаг 2
Перейдите на Шаг 3
2
  1. Проверьте на предмет короткого замыкания и при необходимости устраните его.
  2. Замените предохранитель.
Ремонт закончен?
-
Система в норме
-
3
  1. Нажать педаль тормоза вниз.
  2. Проверить положительные выводы патронов ламп с помощью контрольной лампы.
Светится ли контрольная лампа?
-
Перейдите на Шаг 4
Перейдите на Шаг 6
4
Подключить омметр между массой и выводом массы стоп-сигнала.
Равно ли сопротивление указанному значению?
0 Ом
Перейдите на Шаг 6
Перейдите на Шаг 5
5
Восстановить цепь массы.
Ремонт закончен?
-
Система в норме
-
6
  1. Отсоединить разъем электропроводки от тормозного выключателя.
  2. Нажать педаль тормоза вниз.
  3. С помощью омметра проверить отсутствие обрывов цепи между выводами 2 и 4.
Равно ли сопротивление указанному значению?
0 Ом
Перейдите на Шаг 8
Перейдите на Шаг 7
7
Заменить тормозной выключатель.
Ремонт закончен?
-
Система в норме
-
8
  1. Отсоединить электрический разъем выключателя стоп-сигнала.
  2. Проверить напряжение на выводе 2.
Показывает ли вольтметр указанное значение?
11~14 В
Перейдите на Шаг 10
Перейдите на Шаг 9
9
Устранить разрыв цепи между предохранителем ef23 и выключателем стоп-сигнала.
Ремонт закончен?
-
Система в норме
-
10
Устранить разрыв цепи между выключателем стоп-сигнала и стоп-сигналами.
Ремонт закончен?
-
Система в норме
-

Фонари заднего хода не работают

ШагОперацияЗначенияДаНет
1
Проверить предохранитель f16.
Не перегорел ли предохранитель f16?
-
Перейдите на Шаг 2
Перейдите на Шаг 3
2
  1. Проверьте на предмет короткого замыкания и при необходимости устраните его.
  2. Заменить предохранитель f16.
Ремонт закончен?
-
Система в норме
-
3
С помощью вольтметра подтвердить наличие подаваемого батареей напряжения на предохранителе f16.
Показывает ли вольтметр указанное значение?
11~14 В
Перейдите на Шаг 5
Перейдите на Шаг 4
4
Устранить разрыв цепи подачи электропитания на предохранитель f16.
Ремонт закончен?
-
Система в норме
-
5
  1. Снять и осмотреть лампы фонарей заднего хода.
  2. Испытать лампы, подсоединив их к аккумуляторной батарее автомобиля с помощью проволочных перемычек.
Исправны ли лампы?
-
Перейдите на Шаг 6
Перейдите на Шаг 7
6
Заменить неисправные лампы.
Ремонт закончен?
-
Система в норме
-
7
  1. После испытания установить фонари заднего хода на место.
  2. Установите зажигание в положение on.
  3. Отсоединить разъём выключателя заднего хода.
  4. Проверить напряжение на выводе 1 выключателя заднего хода.
Показывает ли вольтметр указанное значение?
11~14 В
Перейдите на Шаг 9
Перейдите на Шаг 8
8
Устранить разрыв цепи между предохранителем f16 и выключателем заднего хода.
Ремонт закончен?
-
Система в норме
-
9
  1. Установите зажигание в положение on.
  2. Задействовать стояночный тормоз.
  3. Заблокировать колеса во избежание движения автомобиля.
  4. Установить коробку передач в режим заднего хода (reverse).
  5. С помощью вольтметра проверить напряжение на выводе 2 выключателя заднего хода.
Показывает ли вольтметр указанное значение?
11~14 В
Перейдите на Шаг 11
Перейдите на Шаг 10
10
Заменить выключатель заднего хода.
Ремонт закончен?
-
Система в норме
-
11
  1. Снять один из фонарей заднего хода.
  2. Установите зажигание в положение on.
  3. Задействовать стояночный тормоз.
  4. Заблокировать колеса во избежание движения автомобиля.
  5. Установить коробку передач в режим заднего хода (reverse).
  6. С помощью вольтметра проверить напряжение на положительном выводе гнезда фонаря заднего хода.
Соответствует ли напряжение на гнезде лампы указанному значению?
11~14 В
Перейдите на Шаг 12
Перейдите на Шаг 13
12
Восстановить цепь массы для фонарей заднего хода.
Ремонт закончен?
-
Система в норме
-
13
Устранить разрыв цепи между фонарями заднего хода и выключателем заднего хода.
Ремонт закончен?
-
Система в норме
-

Указатели поворота и аварийная сигнализация не работают

Примечание: Во время проверки патрона лампы вольтметром или контрольной лампой не прикасаться к боковой части патрона (массе) при проверке положительного контакта внизу патрона. Если на патроне лампы присутствует и напряжение, и масса, одновременное прикосновение тестером к обеим приведет к перегоранию предохранителя.

ШагОперацияЗначенияДаНет
1
Проверить предохранители f18 и ef2.
Перегорел ли какой-либо предохранитель?
-
Перейдите на Шаг 2
Перейдите на Шаг 3
2
Проверьте на предмет короткого замыкания и при необходимости устраните его. Замените предохранитель.
Ремонт закончен?
-
Система в норме
-
3
  1. Установите зажигание в положение on.
  2. Проверить напряжение на предохранителе f18 и ef2.
Соответствует ли подаваемое батареей напряжение на этих предохранителях указанному значению?
11~14 В
Перейдите на Шаг 4
Перейдите на Шаг 7
4
  1. Перевести выключатель аварийной сигнализации во включенное положение.
  2. Извлечь все неработающие лампы из патронов.
  3. Проверить положительный вывод патронов всех ламп с помощью вольтметра.
Соответствует ли подаваемое батареей пульсирующее напряжение на положительном выводе патрона аварийной лампы указателя поворота указанному значению?
-
Перейдите на Шаг 5
Перейдите на Шаг 9
5
С помощью омметра проверить цепь массы на патроне каждой лампы.
Равно ли сопротивление указанному значению?
0 Ом
Перейдите на Шаг 6
Перейдите на Шаг 8
6
Заменить неисправные лампы указателей поворота/аварийной сигнализации.
Ремонт закончен?
-
Система в норме
-
7
Восстановить цепь подачи электропитания на предохранители.
Ремонт закончен?
-
Система в норме
-
8
Устранить разрыв цепи массы.
Ремонт закончен?
-
Система в норме
-
9
  1. Включить выключатель аварийной сигнализации.
  2. Проверить isu.
Ремонт закончен?
-
Система в норме
-
10
  1. Отсоединить разъем выключателя аварийной сигнализации.
  2. Проверить напряжение на выводе 8.
  3. Установите зажигание в положение on.
  4. Проверить напряжение на выводе 8.
Соответствует ли подаваемое батареей напряжение на обоих выводах указанному значению?
11~14 В
Перейдите на Шаг 11
Перейдите на Шаг 13
11
  1. Снять выключатель аварийной сигнализации.
  2. Перевести выключатель аварийной сигнализации в выключенное положение.
  3. Проверить отсутствие обрывов цепи между выводами 7 и 8.
  4. Перевести выключатель аварийной сигнализации во включенное положение.
  5. Проверить отсутствие обрывов цепи между выводами 7 и 8.
Было ли в результате проверки в обоих случаях получено указанное значение?
0 Ом
Система в норме
Перейдите на Шаг 12
12
Заменить неисправный выключатель аварийной сигнализации.
Ремонт закончен?
-
Система в норме
-
13
Устранить разрыв цепи между выключателем аварийной сигнализации и предохранителями f18 и ef2.
Ремонт закончен?
-
Система в норме
-

Освещение салона при открытии двери и фонарь освещения багажника

Освещение салона при открытии двери не работает

Внимание! Необходимо постоянно следить за наличием электрической нагрузки, такой как лампа освещения, в любой цепи между выводами батареи. Нельзя замыкать накоротко выводы батареи проволочной перемычкой, или в результате возникнет опасное искрение.

Описание проверки

Указанный ниже номер относится к шагу 1 в диагностической таблице.
  1. Проверка лампы. Прикрепить один конец проволочной перемычки к отрицательному выводу батареи. Прикрепить другой конец проволочной перемычки к концу лампы. Взять свободный конец лампы без прикрепленной перемычки и прикоснуться им к положительному выводу батареи.
ШагОперацияЗначенияДаНет
1
Провести проверку электропитания и массы контроллера освещения.
Проверка закончена?
-
Перейдите на Шаг 4
2
  1. Снять лампу освещения салона при открытии двери и осмотреть ее нить.
  2. Если нить не оборвана, проверить лампу с помощью аккумуляторной батареи автомобиля и проволочной перемычки.
Прошла ли лампа визуальную и физическую проверку?
-
Перейдите на Шаг 4
Перейдите на Шаг 3
3
Заменить лампу.
Ремонт закончен?
-
Система в норме
-
4
  1. Отсоединить электрический разъем лампы освещения салона при открытии двери.
  2. Проверить напряжение на положительном выводе.
Соответствует ли напряжение на положительном выводе указанному значению?
11~14 В
Перейдите на Шаг 6
Перейдите на Шаг 5
5
Устранить разрыв цепи между lcm и освещением салона при открытии двери.
Ремонт закончен?
-
Система в норме
-
6
С помощью омметра проверить сопротивление между отрицательным выводом разъема освещения салона при открытии двери и массой со стороны жгута проводов.
Равно ли сопротивление указанному значению?
0 Ом
Перейдите на Шаг 7
Перейдите на Шаг 8
7
Заменить выключатель освещения салона при открытии двери в сборе.
Ремонт закончен?
-
Система в норме
-
8
Восстановить цепь массы для лампы освещения салона при открытии двери.
Ремонт закончен?
-
Система в норме
-

Фонарь освещения багажника не работает

Внимание! Необходимо постоянно следить за наличием электрической нагрузки, такой как лампа освещения, в любой цепи между выводами батареи. Нельзя замыкать накоротко выводы батареи проволочной перемычкой, или в результате возникнет опасное искрение.

Указанный ниже номер относится к шагу 1 в диагностической таблице.
  1. Проверка лампы. Прикрепить один конец проволочной перемычки к отрицательному выводу батареи. Прикрепить другой конец проволочной перемычки к концу лампы. Взять свободный конец лампы без прикрепленной перемычки и прикоснуться им к положительному выводу батареи.
  2. Проверка лампы. Прикрепить один конец проволочной перемычки к отрицательному выводу батареи. Прикрепить другой конец проволочной перемычки к концу лампы. Взять свободный конец лампы без прикрепленной перемычки и прикоснуться им к положительному выводу батареи.
ШагОперацияЗначенияДаНет
1
Провести проверку электропитания и массы контроллера освещения.
Проверка закончена?
-
Перейдите на Шаг 4
2
  1. Снять лампу фонаря освещения багажника и осмотреть нить.
  2. Если нить не оборвана, проверить лампу с помощью аккумуляторной батареи автомобиля и проволочной перемычки.
Прошла ли лампа визуальную и физическую проверку?
-
Перейдите на Шаг 4
Перейдите на Шаг 3
3
Заменить лампу.
Ремонт закончен?
-
Система в норме
-
4
  1. Отсоединить электрический разъем фонаря освещения багажника.
  2. Проверить напряжение на положительном выводе.
Соответствует ли напряжение на положительном выводе указанному значению?
11~14 В
Перейдите на Шаг 6
Перейдите на Шаг 5
5
Устранить разрыв цепи между lcm и фонарем освещения багажника.
Ремонт закончен?
-
Система в норме
-
6
С помощью омметра проверить сопротивление между отрицательным выводом разъема фонаря освещения багажника и массой со стороны жгута проводов.
Равно ли сопротивление указанному значению?
≈ 0 Ом
Перейдите на Шаг 7
Перейдите на Шаг 9
7
Заменить выключатель фонаря освещения багажника в сборе.
Ремонт закончен?
-
Система в норме
-
8
Восстановить цепь массы для фонаря освещения багажника.
Ремонт закончен?
-
Система в норме
-


На предыдущую страницуНа следующую страницу
https://vnx.su/ 🛠 Руководства по ремонту и эксплуатации для автомобилей

Поиск по сайту

Остались вопросы или пожелания? Пишите на почту: support@vnx.su

Карта Сайта