К началу документа
Epica
На предыдущую страницуНа следующую страницу
Главная страница GMDEЗагрузить нединамическое оглавлениеЗагрузить динамическое оглавлениеПомощь

РАЗДЕЛ 9A

СИСТЕМА ЭЛЕКТРОПРОВОДКИ КУЗОВА

Внимание! Отсоедините провод от отрицательного вывода аккумулятора, прежде чем снимать или устанавливать какие-либо электрические устройства, а также в ситуации, когда есть возможность касания оголенных электрических контактов каким-либо инструментом или приспособлением. Отсоединение этого провода позволяет избежать травм и повреждения оборудования автомобиля. Кроме того, если не указано иное, зажигание должно находиться в положении LOCK.

ПРИНЦИПИАЛЬНЫЕ И МОНТАЖНЫЕ СХЕМЫ

Обозначение цвета проводов

Цвет провода
Сокращение на схеме
Зеленый
ТЕМ ЗЕЛ
Светло-зеленый
СВ ЗЕЛ
Синий
ТЕМ СИН
Коричневый
КОР
Оранжевый
ОРЖ
Желтый
ЖЕЛ
Серый
СЕР
Голубой
ГОЛ
Красный
КРС
Черный
ЧЕР
Розовый
РОЗ
Белый
БЕЛ
Пурпурный
ПУР

Провода с маркировочными нитями

Цвет провода
Сокращение на схеме
Красный с белой нитью
КРС/БЕЛ

Схема распределения электроэнергии


L7B19A03
Показать иллюстрациюПеревод текста в иллюстрациях


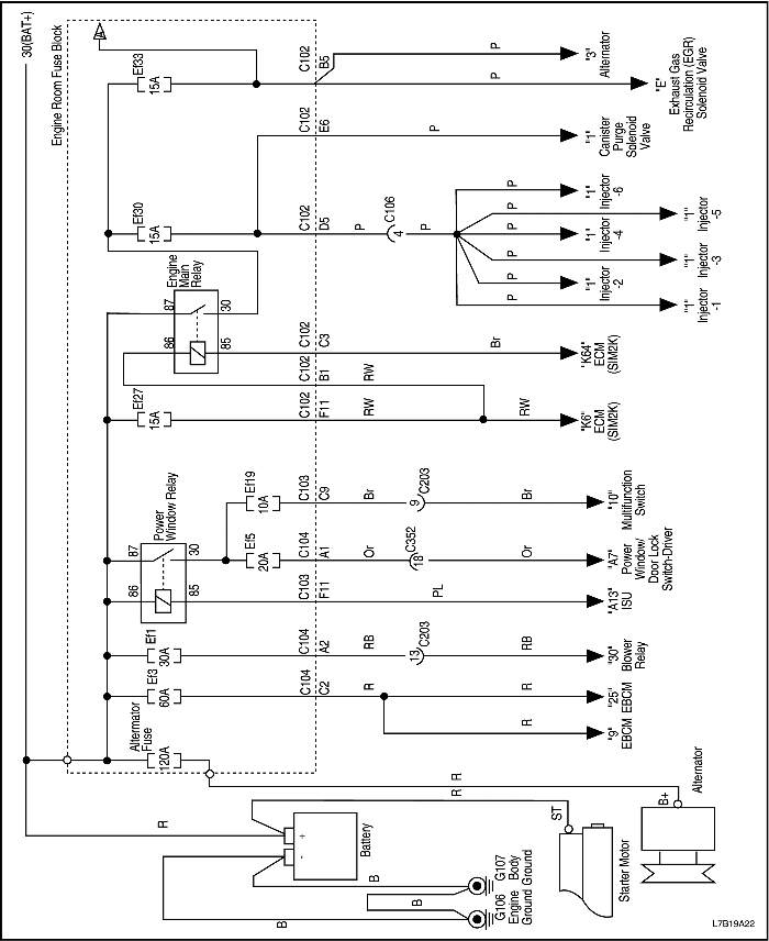
Правостороннее управление (только holden)


L7B19A22
Показать иллюстрациюПеревод текста в иллюстрациях


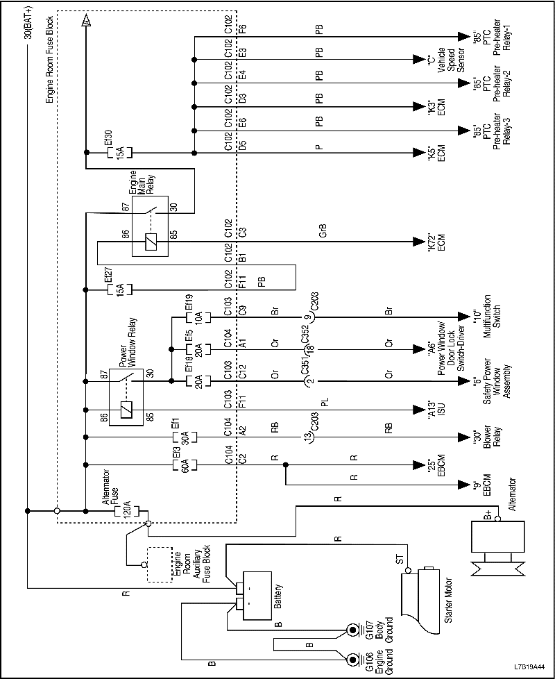
Дизель


L7B19A44
Показать иллюстрациюПеревод текста в иллюстрациях


Правостороннее управление (дизель)


L7B19A57
Показать иллюстрациюПеревод текста в иллюстрациях


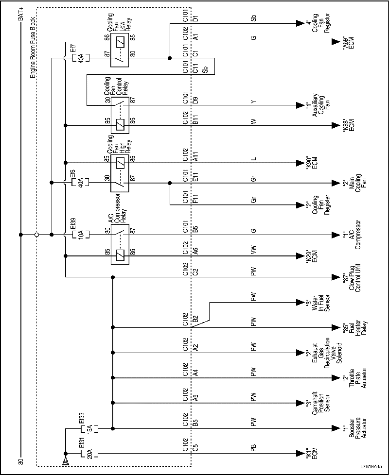
Левостороннее управление


L7B19A04
Показать иллюстрациюПеревод текста в иллюстрациях


Правостороннее управление


L7B19A35
Показать иллюстрациюПеревод текста в иллюстрациях


Дизель


L7B19A45
Показать иллюстрациюПеревод текста в иллюстрациях


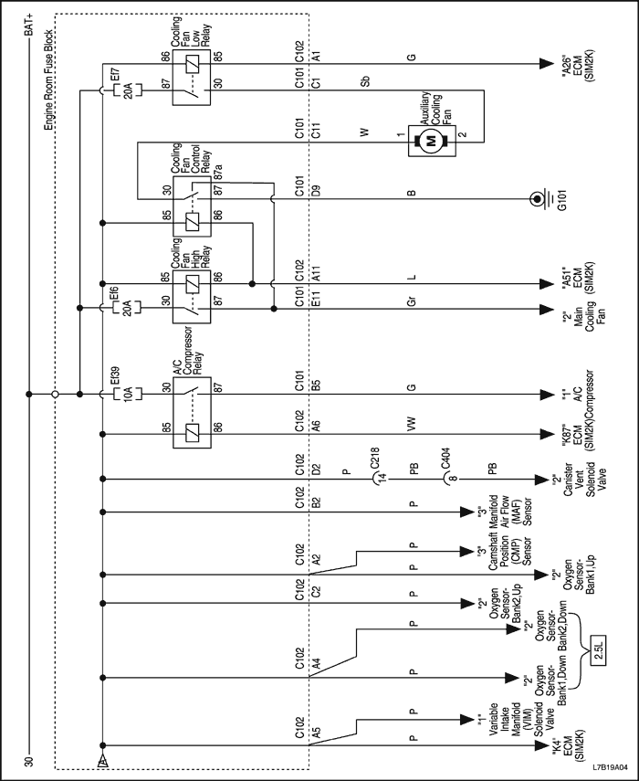
Левостороннее управление


L7B19A05
Показать иллюстрациюПеревод текста в иллюстрациях


Правостороннее управление (исключая holden)


L7B19A36
Показать иллюстрациюПеревод текста в иллюстрациях


Правостороннее управление (только holden)


L7B19A23
Показать иллюстрациюПеревод текста в иллюстрациях


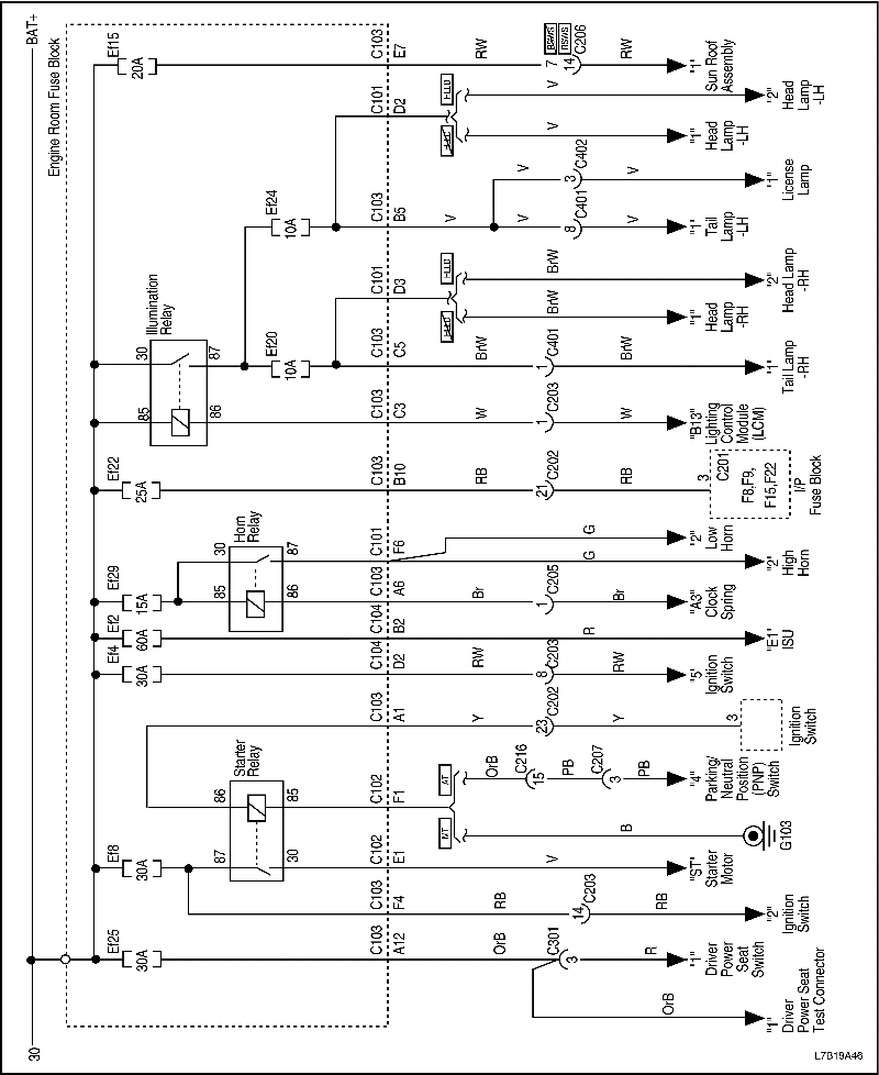
Дизель


L7B19A46
Показать иллюстрациюПеревод текста в иллюстрациях


Правостороннее управление (дизель)


L7B19A58
Показать иллюстрациюПеревод текста в иллюстрациях


Левостороннее управление


L7B19A06
Показать иллюстрациюПеревод текста в иллюстрациях


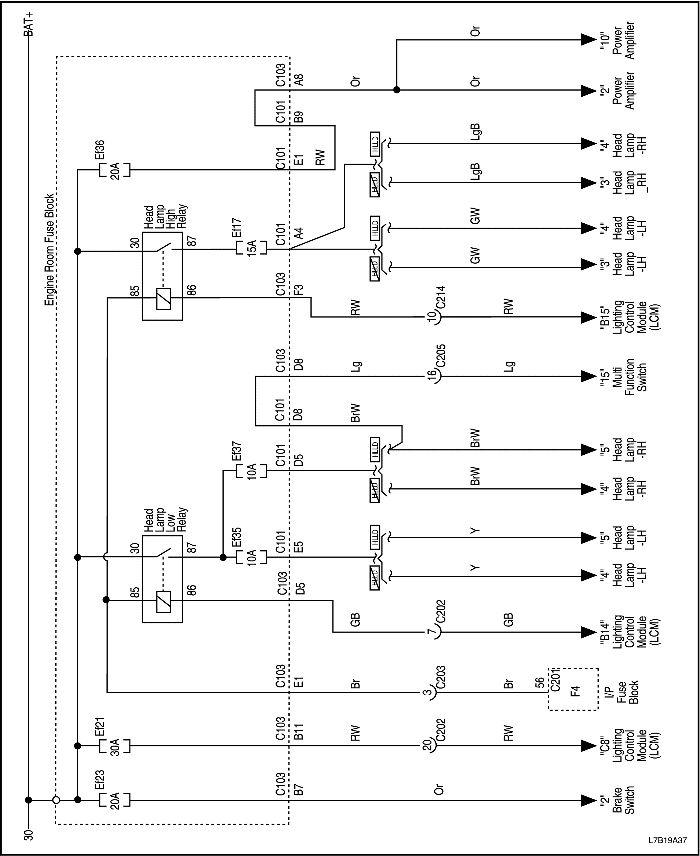
Правостороннее управление (исключая holden)


L7B19A37
Показать иллюстрациюПеревод текста в иллюстрациях


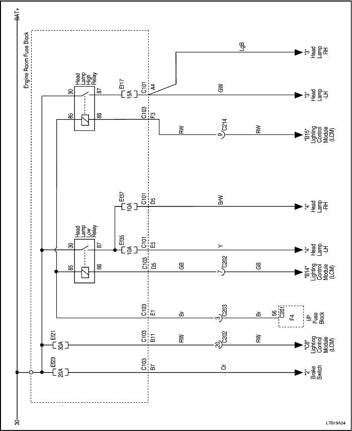
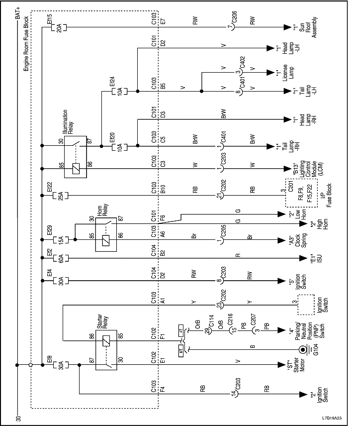
Правостороннее управление (только holden)


L7B19A24
Показать иллюстрациюПеревод текста в иллюстрациях


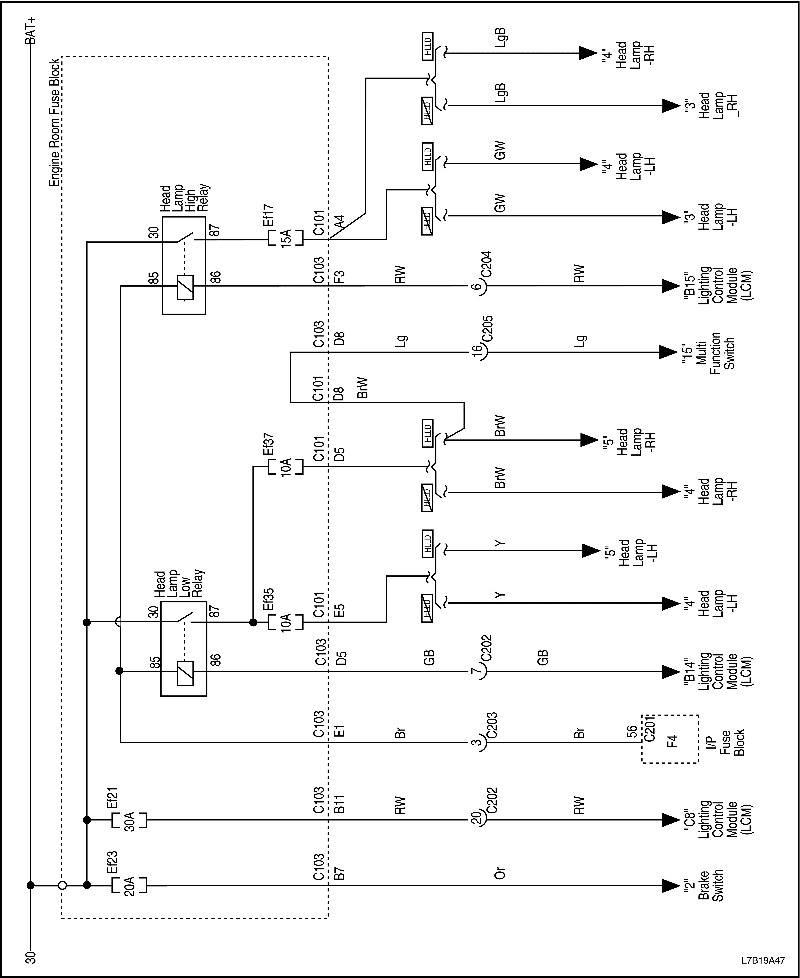
Дизель


L7B19A47
Показать иллюстрациюПеревод текста в иллюстрациях


Правостороннее управление (дизель)


L7B19A59
Показать иллюстрациюПеревод текста в иллюстрациях


Левостороннее управление


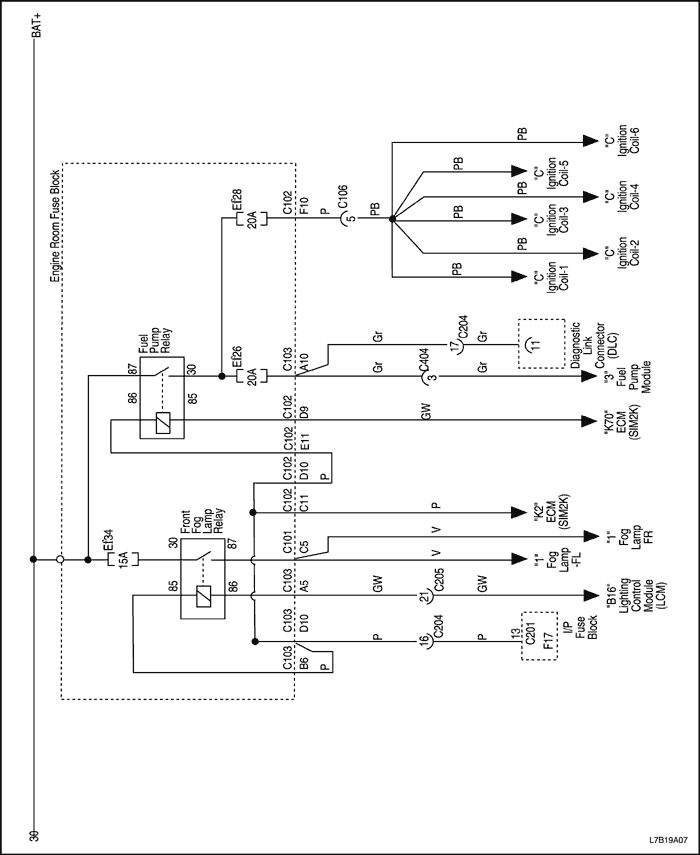
L7B19A07
Показать иллюстрациюПеревод текста в иллюстрациях


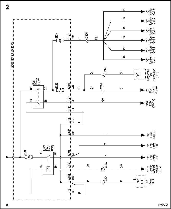
Правостороннее управление (исключая holden)


L7B19A38
Показать иллюстрациюПеревод текста в иллюстрациях


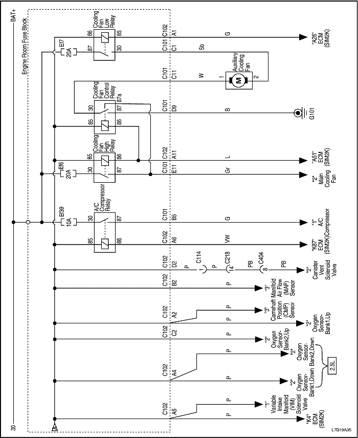
Правостороннее управление (только holden)


L7B19A25
Показать иллюстрациюПеревод текста в иллюстрациях


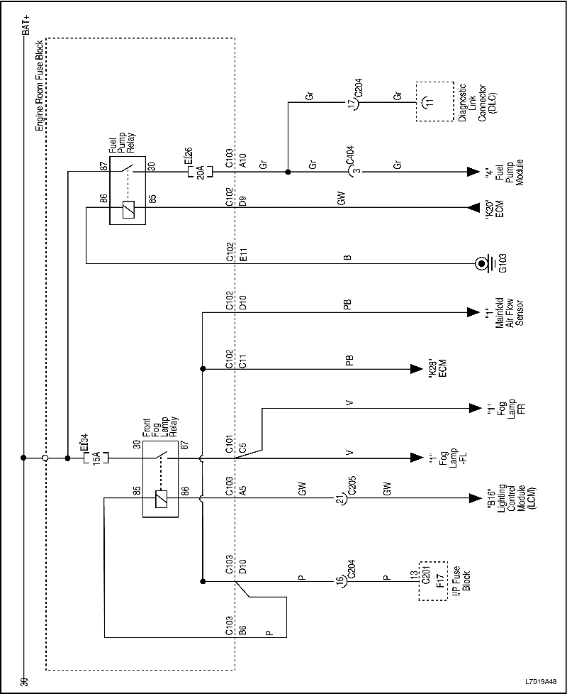
Дизель


L7B19A48
Показать иллюстрациюПеревод текста в иллюстрациях


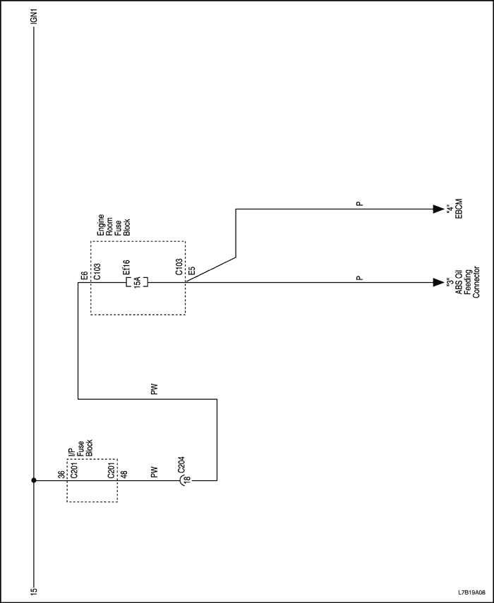
Левостороннее управление


L7B19A08
Показать иллюстрациюПеревод текста в иллюстрациях


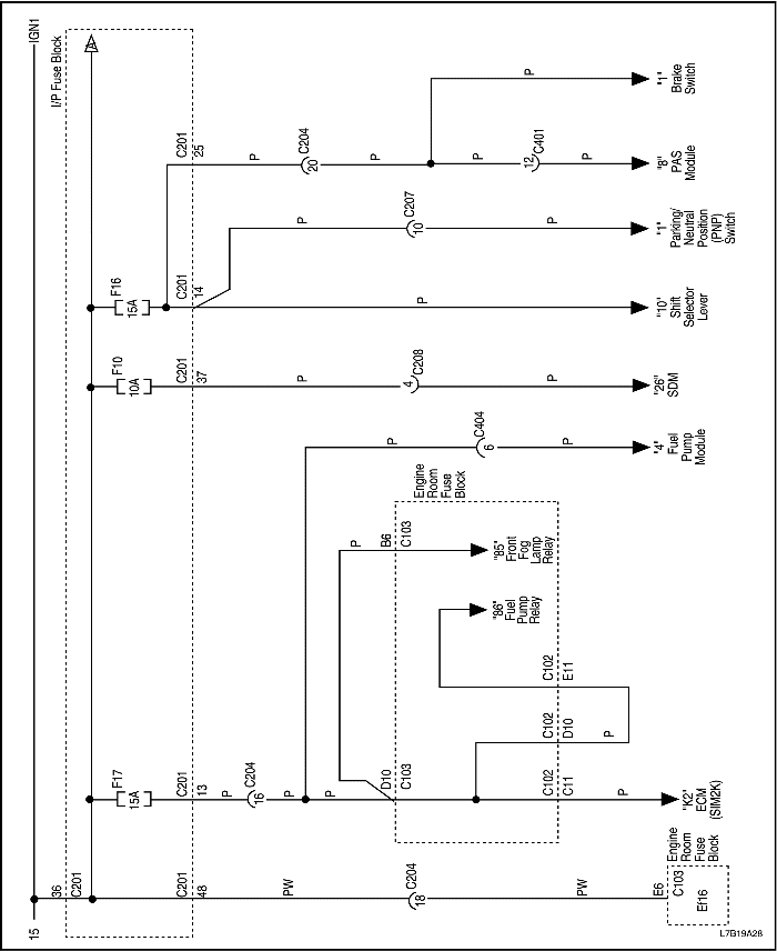
Правостороннее управление (исключая holden)


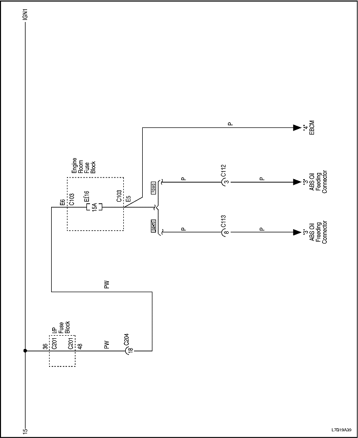
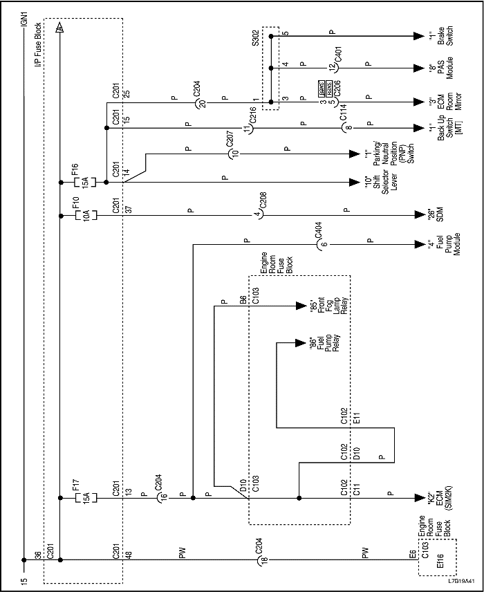
L7B19A39
Показать иллюстрациюПеревод текста в иллюстрациях


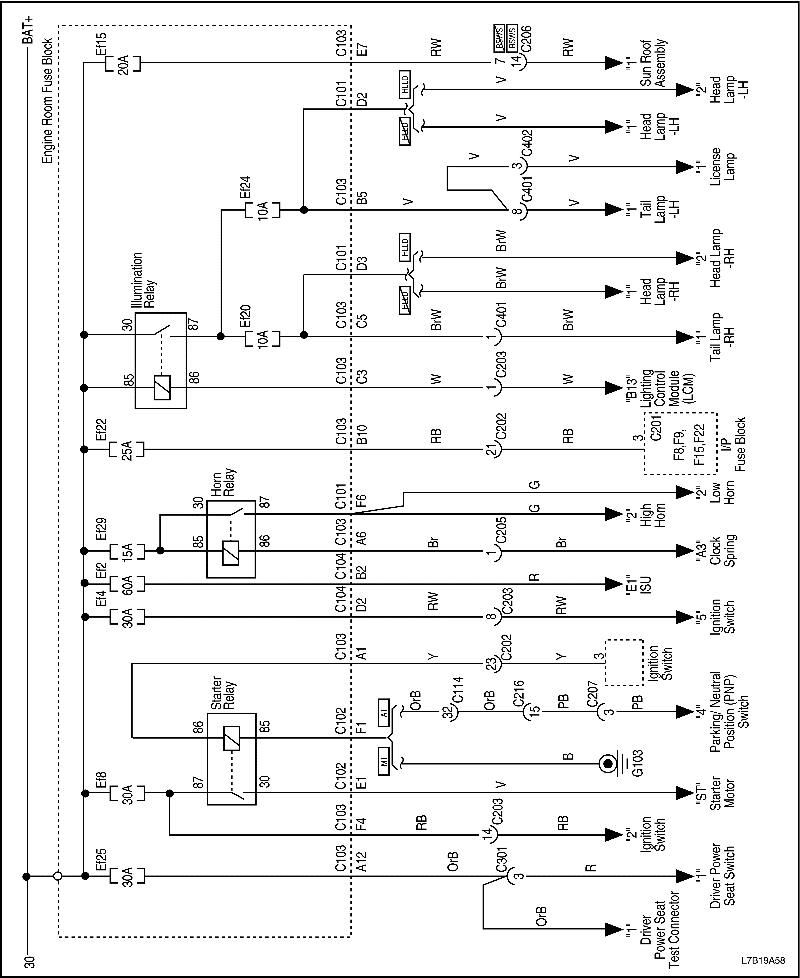
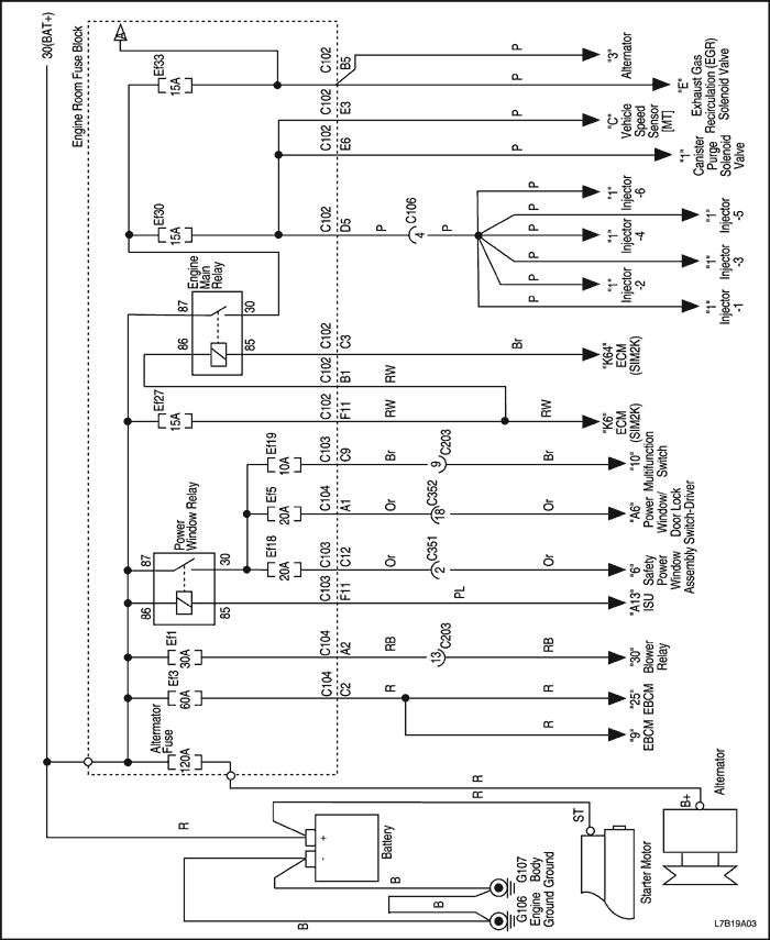
Правостороннее управление (только holden)


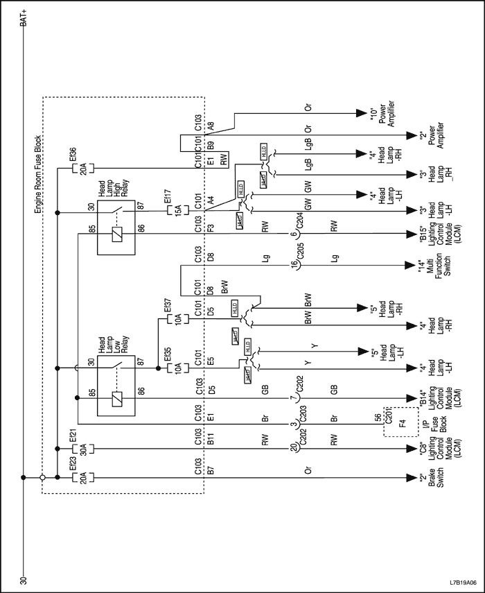
L7B19A26
Показать иллюстрациюПеревод текста в иллюстрациях


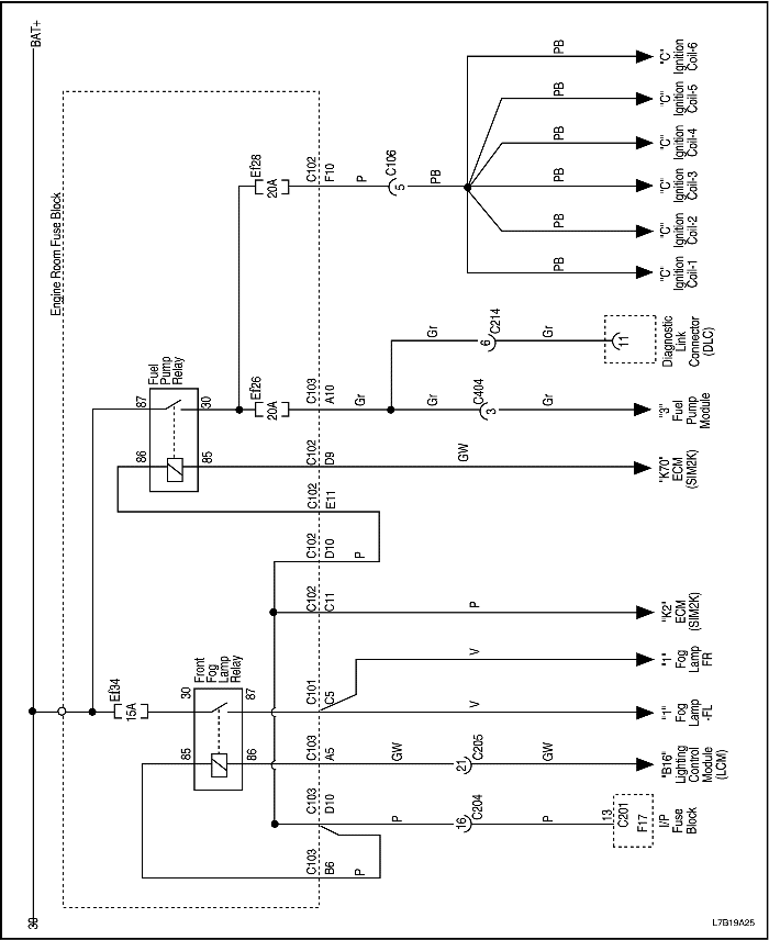
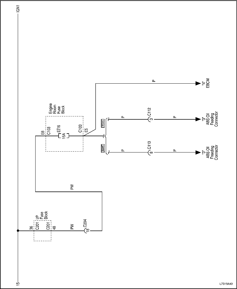
Дизель


L7B19A49
Показать иллюстрациюПеревод текста в иллюстрациях


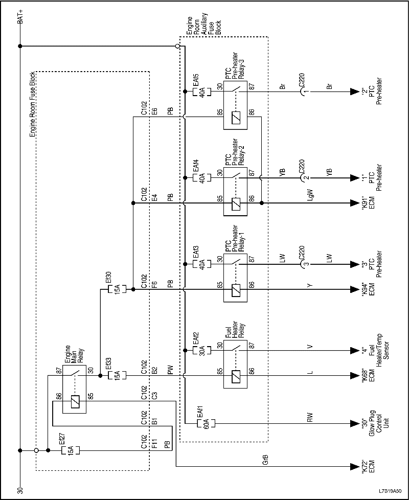
Дизель


L7B19A50
Показать иллюстрациюПеревод текста в иллюстрациях


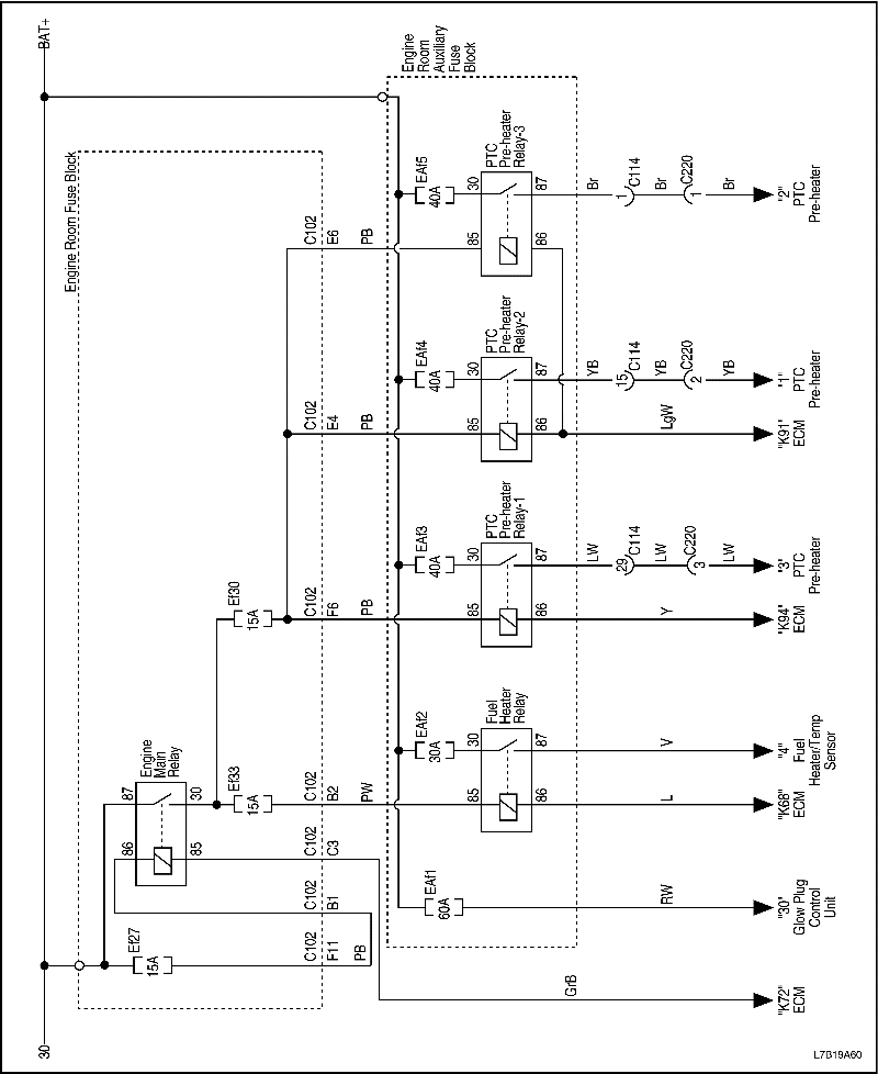
Правостороннее управление (дизель)


L7B19A60
Показать иллюстрациюПеревод текста в иллюстрациях



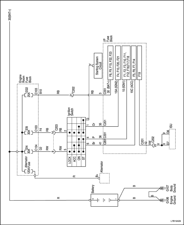
L7B19A09
Показать иллюстрациюПеревод текста в иллюстрациях


Левостороннее управление


L7B19A10
Показать иллюстрациюПеревод текста в иллюстрациях


Правостороннее управление (исключая holden)


L7B19A40
Показать иллюстрациюПеревод текста в иллюстрациях


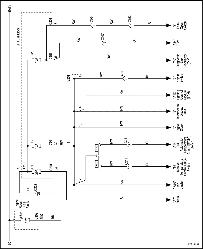
Правостороннее управление (только holden)


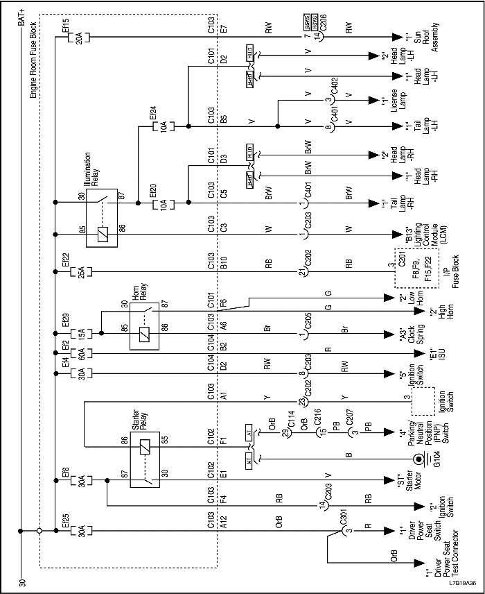
L7B19A27
Показать иллюстрациюПеревод текста в иллюстрациях


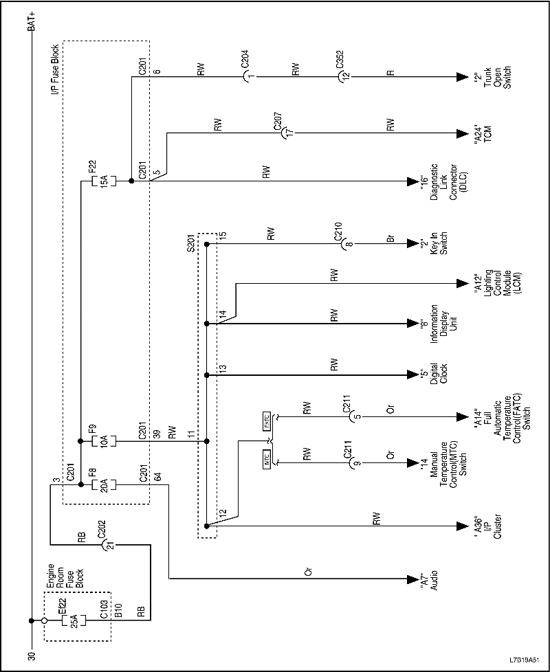
Дизель


L7B19A51
Показать иллюстрациюПеревод текста в иллюстрациях


Левостороннее управление


L7B19A11
Показать иллюстрациюПеревод текста в иллюстрациях


Правостороннее управление (исключая holden)


L7B19A41
Показать иллюстрациюПеревод текста в иллюстрациях


Правостороннее управление (только holden)


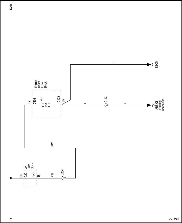
L7B19A28
Показать иллюстрациюПеревод текста в иллюстрациях


Дизель


L7B19A52
Показать иллюстрациюПеревод текста в иллюстрациях


Правостороннее управление (дизель)


L7B19A61
Показать иллюстрациюПеревод текста в иллюстрациях


Левостороннее управление


L9B19A06
Показать иллюстрациюПеревод текста в иллюстрациях


Правостороннее управление (исключая holden)


L9B19A02
Показать иллюстрациюПеревод текста в иллюстрациях


Правостороннее управление (только holden)


L9B19A03
Показать иллюстрациюПеревод текста в иллюстрациях


Дизель


L9B19A04
Показать иллюстрациюПеревод текста в иллюстрациях


Правостороннее управление (дизель)


L9B19A05
Показать иллюстрациюПеревод текста в иллюстрациях



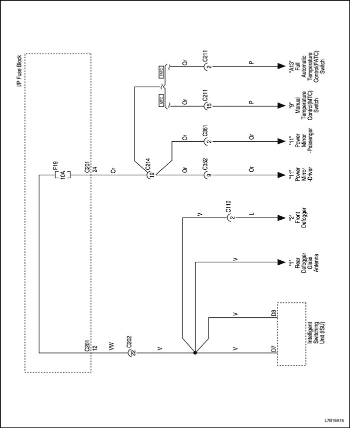
L7B19A13
Показать иллюстрациюПеревод текста в иллюстрациях


Правостороннее управление (только holden)


L7B19A30
Показать иллюстрациюПеревод текста в иллюстрациях


Дизель


L7B19A54
Показать иллюстрациюПеревод текста в иллюстрациях


Правостороннее управление (дизель)


L7B19A63
Показать иллюстрациюПеревод текста в иллюстрациях


Левостороннее управление


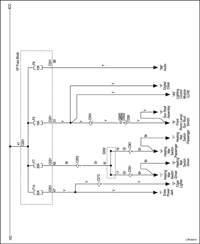
L7B19A14
Показать иллюстрациюПеревод текста в иллюстрациях


Правостороннее управление (исключая holden)


L7B19A43
Показать иллюстрациюПеревод текста в иллюстрациях


Правостороннее управление (только holden)


L7B19A31
Показать иллюстрациюПеревод текста в иллюстрациях


Дизель


L7B19A55
Показать иллюстрациюПеревод текста в иллюстрациях


Правостороннее управление (дизель)


L7B19A64
Показать иллюстрациюПеревод текста в иллюстрациях



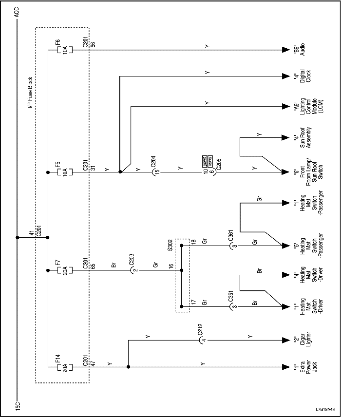
L7B19A15
Показать иллюстрациюПеревод текста в иллюстрациях


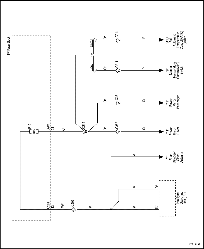
Правостороннее управление (только holden)


L7B19A32
Показать иллюстрациюПеревод текста в иллюстрациях


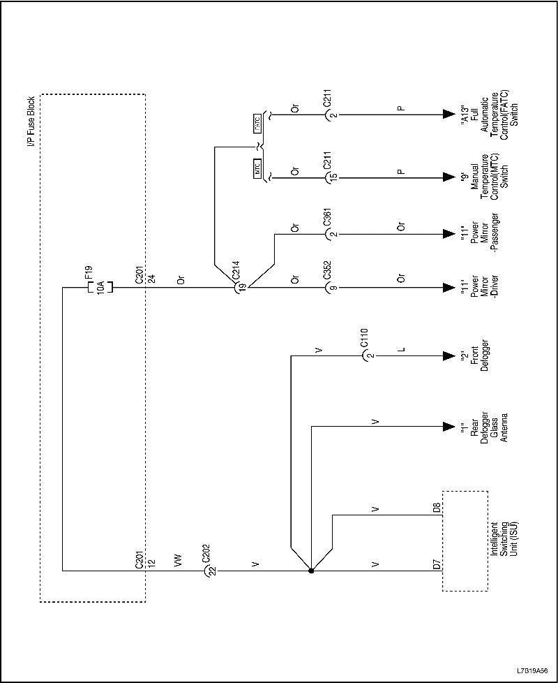
Дизель


L7B19A56
Показать иллюстрациюПеревод текста в иллюстрациях


Расположение блока предохранителей (двигатель)


L7B19A01
Показать иллюстрациюПеревод текста в иллюстрациях


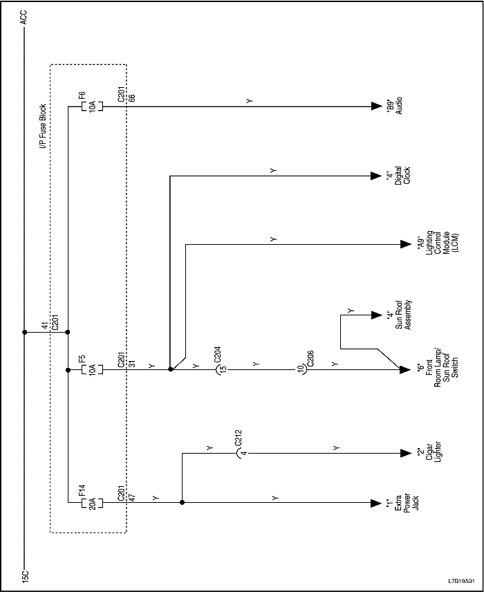
Расположение блока предохранителей (салон)


L7B19A02
Показать иллюстрациюПеревод текста в иллюстрациях


Таблица предохранителей (двигатель)

Предохранитель
Номинал/источник
Цепь
ef1
30a
b+
Реле вентилятора
ef2
60a
b+
isu
ef3
60a
b+
ebcm
ef4
30a
b+
Замок зажигания
ef5
20a
b+
Выключатель электрического стеклоподъемника/запирания двери водителя
ef6
20a
b+
Реле высокой скорости вращения вентилятора
ef7
20a
b+
Реле низкой скорости вращения вентилятора
ef8
30a
b+
Замок зажигания, реле стартера
ef9
15a
b+
Запасной
ef10
10a
b+
Запасной
ef11
20a
b+
Запасной
ef12
25a
b+
Запасной
ef13
30a
b+
Запасной
ef14
15a
b+
Не используется
ef15
20a
b+
Узел люка в крыше
ef16
15a
ign1
ebcm, разъем подачи масла АБС
ef17
15a
b+
Фара - левая/правая
ef18
20a
b+
Безопасный электрический стеклоподъемник в сборе
ef19
10a
b+
Многофункциональный переключатель
ef20
10a
b+
Фара - правая, стояночный огонь - правый, задний габаритный огонь - правый
ef21
30a
b+
lcm
ef22
25a
b+
Блок внутренних предохранителей
ef23
20a
b+
Тормозной выключатель
ef24
10a
b+
Фара - левая, стояночный огонь - левый, задний габаритный огонь - левый, освещение номерного знака
ef25
30a
b+
Выключатель сиденья с электроприводом
ef26
20a
b+
Модуль топливного насоса
ef27
15a
b+
ecm, главное реле двигателя
ef28
20a
b+
Катушки зажигания 1~6
ef29
15a
b+
Реле звукового сигнала
ef30
15a
b+
1 ~ 6, форсунка, vss, угольный фильтр
ef31
20a
b+
Не используется
ef32
-
b+
-
ef33
15a
b+
egr, ecm, vim, o2, maf, cmp, угольный фильтр
ef34
10a
b+
Реле передней противотуманной фары
ef35
20a
b+
Фара - левая
ef36
10a
b+
Усилитель мощности
ef37
10a
b+
Фара - правая, многофункциональный переключатель
ef38
-
b+
-
ef39
10a
b+
Реле компрессора кондиционера

Таблица предохранителей (салон)

Предохранитель
Номинал/источник
Цепь
f1
10a
ign1
Комбинация приборов, информационный дисплей, lcm, ТСМ, переключатель pnp
f2
25a
ign1
Переключатель стеклоочистителя/стеклоомывателя, электродвигатель стеклоочистителей, блок датчика дождя
f3
15a
ign1
ТСМ, переключатель pnp
f4
10a
ign2
isu, реле вентилятора, переключатель mtc/fatc, привод выбора режима, привод рециркуляции
f5
10a
acc
Переключатель переднего плафона освещения салона/люка в крыше, цифровые часы, lcm
f6
10a
acc
Аудио
f7
20a
acc
ВЫКЛЮЧАТЕЛЬ КОВРИКОВ С ПОДОГРЕВОМ
f8
20a
b+
Аудио
f9
10a
b+
Комбинация приборов, переключатель mtc/fatc, цифровые часы, блок информационного дисплея, lcm, выключатель вставленного ключа
f10
10a
ign1
sdm
f11
10a
ign1
Контрольная лампа подушки безопасности/ремня безопасности пассажира, ppd
f12
10a
ign1
-
f13
10a
ign2
lcm, выключатель tcs
f14
20a
acc
Дополнительная розетка, прикуриватель
f15
20a
b+
Динамик сабвуфер
f16
15a
ign1
Рычаг переключателя передач, перелючатель pnp, выключатель заднего хода, ecm, зеркало в салоне, тормозной выключатель
f17
15a
ign1
ecm, модуль топливного насоса
f18
10a
ign1
isu, переключатель стеклоочистителя/стеклоомывателя
f19
10a
Обогрев
Зеркало с электроприводом, переключатель mtc/fatc
f20
15a
ign2
Аналого-цифровой преобразователь
f21
15a
ign2
Контроллер ssps
f22
15a
b+
dlc, ТСМ, выключатель открытия багажника
f23
30a
b+
-

Электрический разъем блока предохранителей


L7B19A21
Показать иллюстрациюПеревод текста в иллюстрациях


Прокладка жгута задней проводки


L7B19A16
Показать иллюстрациюПеревод текста в иллюстрациях


Прокладка переднего жгута


L7B19A17
Показать иллюстрациюПеревод текста в иллюстрациях


Прокладка жгута напольной проводки (левостороннее управление)


L7B19A18
Показать иллюстрациюПеревод текста в иллюстрациях


Прокладка жгута напольной проводки (правостороннее управление)


L7B19A33
Показать иллюстрациюПеревод текста в иллюстрациях


Прокладка жгута комбинации приборов (левостороннее управление)


L7B19A19
Показать иллюстрациюПеревод текста в иллюстрациях


Прокладка жгута комбинации приборов (правостороннее управление)


L7B19A34
Показать иллюстрациюПеревод текста в иллюстрациях


Прокладка жгута проводов двери


L7B19A20
Показать иллюстрациюПеревод текста в иллюстрациях




На предыдущую страницуНа следующую страницу
https://vnx.su/ 🛠 Руководства по ремонту и эксплуатации для автомобилей

Поиск по сайту

Остались вопросы или пожелания? Пишите на почту: support@vnx.su

Карта Сайта