К началу документа
Epica
На предыдущую страницуНа следующую страницу
Главная страница GMDEЗагрузить нединамическое оглавлениеЗагрузить динамическое оглавлениеПомощь

РАЗДЕЛ 9H

СИДЕНЬЯ

Внимание! Отсоедините провод от отрицательного вывода аккумулятора, прежде чем снимать или устанавливать какие-либо электрические устройства, а также в ситуации, когда есть возможность касания оголенных электрических контактов каким-либо инструментом или приспособлением. Отсоединение этого провода позволяет избежать травм и повреждения оборудования автомобиля. Кроме того, если не указано иное, зажигание должно находиться в положении LOCK.

ТЕХНИЧЕСКИЕ ХАРАКТЕРИСТИКИ

Моменты затяжки резьбовых соединений

ПРОГРАММА
Н•м
фунт-фут
фунт-дюйм
Гайки подлокотников
24
18
-
Болт крепления детского сиденья
10
-
89
Болты передних сидений
45
33
-
Винты чехлов передних сидений
12
-
106
Болты подушек передних сидений
12
-
106
Винты отделки передних сидений
12
-
106
Болты крепления передних сидений к полу
24
18
-
Болты задних спинок
25
18
-
Болты фиксатора замка спинки заднего сиденья
25
18
-
Гайки спинки заднего сиденья
25
18
-
Болты шарниров задних сидений
12
-
106
Болт подушки бокового буфера заднего сиденья
25
18
-
Винт рычага наклона сиденья
12
-
106

ПРИНЦИПИАЛЬНЫЕ И МОНТАЖНЫЕ СХЕМЫ

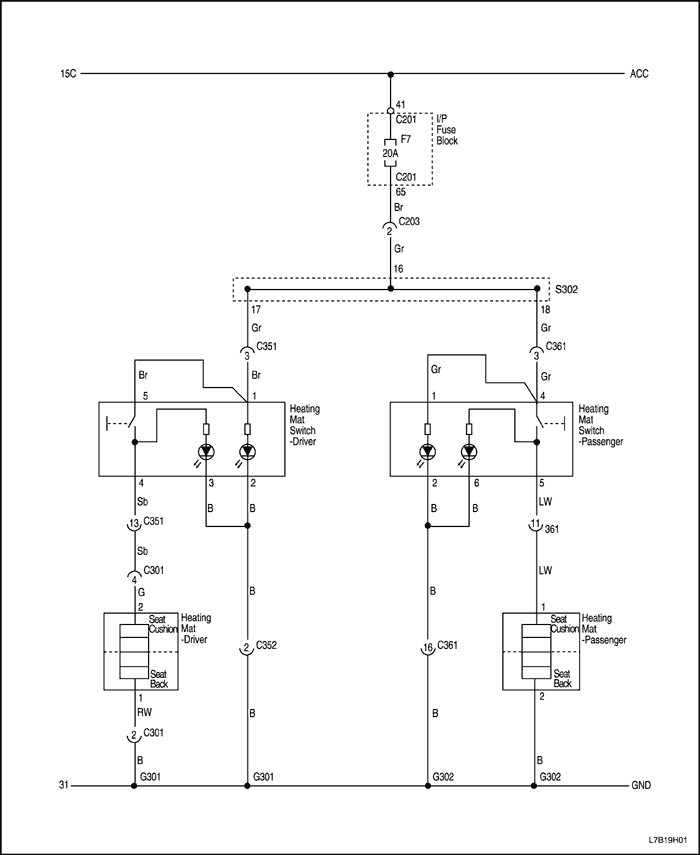
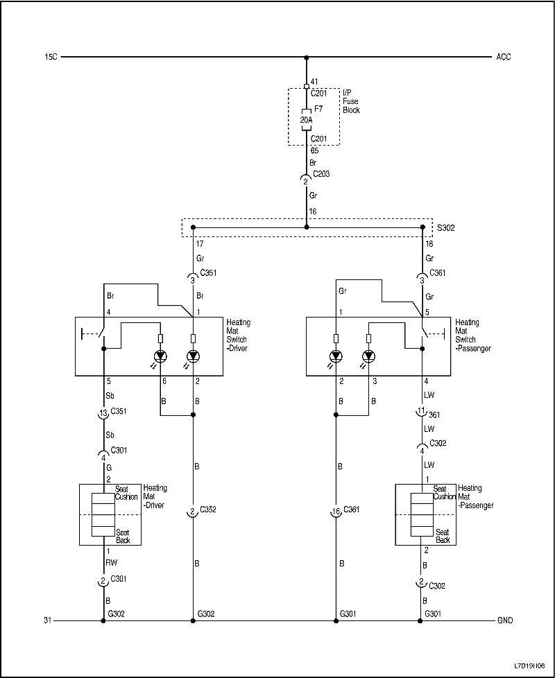
Цепь коврика с подогревом

Левостороннее управление


L7B19H01
Показать иллюстрациюПеревод текста в иллюстрациях


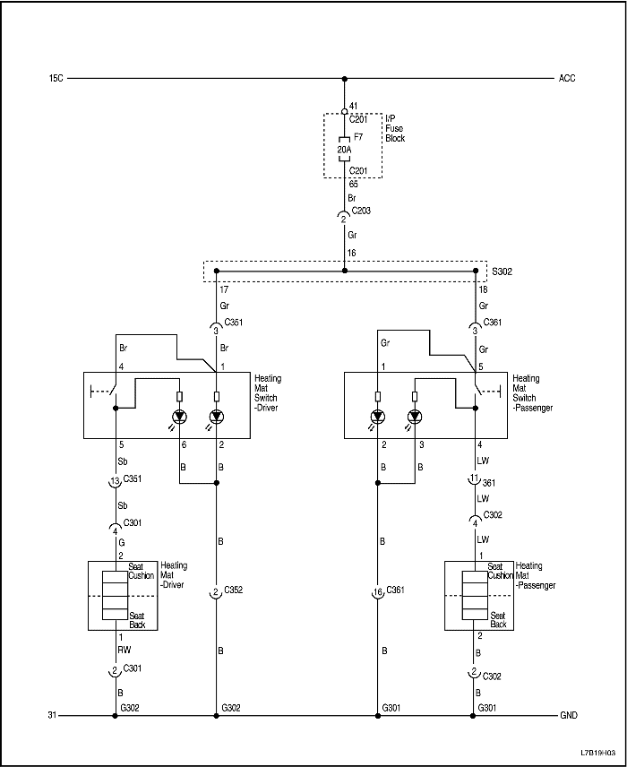
Правостороннее управление (исключая holden)


L7B19H03
Показать иллюстрациюПеревод текста в иллюстрациях


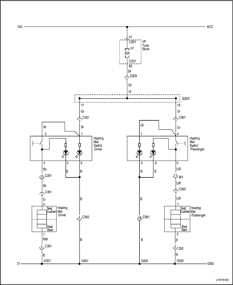
Дизель


L7B19H05
Показать иллюстрациюПеревод текста в иллюстрациях


Правостороннее управление (дизель)


L7B19H06
Показать иллюстрациюПеревод текста в иллюстрациях


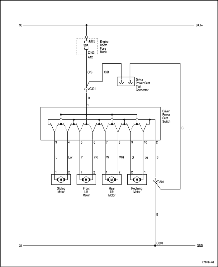
Цепь сиденья с электроприводом

Левостороннее управление


L7B19H02
Показать иллюстрациюПеревод текста в иллюстрациях


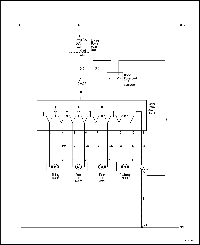
Правостороннее управление (исключая holden)


L7B19H04
Показать иллюстрациюПеревод текста в иллюстрациях


ДИАГНОСТИКА

Водительское сиденье с электроприводом

Внимание! Если питание на электродвигатель сиденья водителя подается непосредственно с аккумуляторной батареи, то взаимное соприкосновение проводов от батареи может привести к травмированию искрением и внезапным нагревом выводов. Следует использовать плавкую проволочную перемычку и, если имеются, переходники для испытания клемм. Если переходников для испытания клемм нет, следует использовать изоляционную ленту, чтобы снизить вероятность взаимного соприкосновения перемычек.

Рекомендации по диагностике

При измерении сопротивления между выводами разъемов электродвигателей, сопротивление электродвигателя регулировки в направлении вперед/назад примерно равно 1 Ом, сопротивление электродвигателя регулировки высоты спереди примерно равно 5 Ом, а сопротивление электродвигателя регулировки высоты сзади примерно равно 9 Ом.

Водительское сиденье с электроприводом не работает

ШагОперацияЗначенияДаНет
1
Визуально и физически проверить правильность соединений на следующих разъемах:
  • разъем c301 под сиденьем водителя.
  • разъем к выключателю водительского сиденья с электроприводом.
Прочно ли прикреплены разъемы?
-
Перейдите на Шаг 3
Перейдите на Шаг 2
2
  1. Правильно присоединить разъемы.
  2. Попытаться отрегулировать водительское сиденье с электроприводом.
Заработало ли водительское сиденье с электроприводом после правильного присоединения разъемов?
-
Система в норме
Перейдите на Шаг 3
3
Попытаться отрегулировать водительское сиденье с электроприводом в каждом из трех направлений: вперед/назад, высота спереди, высота сзади.
Регулируется ли сиденье в каждом направлении?
-
Перейдите на Шаг 8
Перейдите на Шаг 4
4
  1. Отсоединить разъем c301 от жгута проводов кузова под сиденьем водителя.
  2. Установите зажигание в положение on.
  3. Проверить напряжение на выводе 3 разъема c301.
Равно ли напряжение указанному значению?
11~14 В
Перейдите на Шаг 6
Перейдите на Шаг 5
5
Восстановить подачу электропитания на вывод 3 разъема c301 и ef25.
Ремонт закончен?
-
Система в норме
-
6
С помощью омметра проверить сопротивление между массой и выводом 1 отсоединенного разъема c301 со стороны жгута проводов кузова.
Равно ли сопротивление указанному значению?
≈ 0 Ом
Перейдите на Шаг 8
Перейдите на Шаг 7
7
Устранить разрыв цепи между массой и выводом 1 разъема c301 под сиденьем водителя.
Ремонт закончен?
-
Система в норме
-
8
Попытаться отрегулировать водительское сиденье с электроприводом в направлении вперед и назад.
Перемещается ли водительское сиденье с электроприводом вперед и назад?
-
Перейдите на Шаг 14
Перейдите на Шаг 9
9
  1. Отсоединить электрический разъем выключателя водительского сиденья с электроприводом.
  2. Переместить аккумуляторную батарею поближе к выключателю водительского сиденья с электроприводом так, чтобы проволочные перемычки могли дотянуться от батареи до выключателя.
  3. Подсоединить проволочную перемычку между отрицательной клеммой испытательной батареи и выводом 3 на выключателе водительского сиденья с электроприводом со стороны электродвигателя.
  4. Аккуратно подсоединить плавкую проволочную перемычку между положительной клеммой испытательной батареи и выводом 4 на выключателе водительского сиденья с электроприводом со стороны электродвигателя. Эти два вывода находятся очень близко друг к другу, и может произойти короткое замыкание электродвигателя, поэтому рекомендуется использовать плавкую проволочную перемычку. Не допускать соприкосновения проводов от аккумуляторной батареи друг с другом. Если электродвигатель в порядке и не находится в конце рабочего хода, то водительское сиденье с электроприводом должно перемещаться.
  5. Чтобы электродвигатель мог работать в противоположном направлении, аккуратно переключить соединения батареи между выводом 3 и выводом 4 выключателя водительского сиденья с электроприводом.
Производит ли электродвигатель перемещение назад и вперед, когда электродвигатель питается непосредственно от батареи автомобиля?
-
Перейдите на Шаг 10
Перейдите на Шаг 11
10
  1. Заменить выключатель водительского сиденья с электроприводом.
  2. Выключатель водительского сиденья с электроприводом может быть установлен задом наперед, поэтому перед установкой выключателя и передней отделки водительского сиденья с электроприводом на место следует проверить переключатель и удостовериться в том, что он установлен правильно.
  3. Установить переднюю отделку водительского сиденья с электроприводом.
Ремонт закончен?
-
Система в норме
-
11
  1. Отсоединить разъем электродвигателя сдвига.
  2. С помощью омметра проверить сопротивление между выводом 1 и выводом 2 разъема электродвигателя сдвига.
Равно ли сопротивление каждого провода указанному значению?
≈ 0 Ом
Перейдите на Шаг 13
Перейдите на Шаг 12
12
Устранить разрыв цепи между выключателем водительского сиденья с электроприводом и электродвигателем сдвига.
Ремонт закончен?
-
Система в норме
-
13
Заменить узел электродвигателя водительского сиденья с электроприводом.
Ремонт закончен?
-
Система в норме
-
14
Попытаться отрегулировать высоту спереди водительского сиденья с электроприводом.
Работает ли регулировка высоты спереди?
-
Перейти на Шаг 18
Перейдите на Шаг 15
15
  1. Отсоединить электрический разъем выключателя водительского сиденья с электроприводом.
  2. Переместить аккумуляторную батарею поближе к выключателю водительского сиденья с электроприводом так, чтобы проволочные перемычки могли дотянуться от батареи до выключателя.
  3. Подсоединить проволочную перемычку между отрицательной клеммой испытательной батареи и выводом 5 на выключателе водительского сиденья с электроприводом со стороны электродвигателя.
  4. Аккуратно подсоединить плавкую проволочную перемычку между положительной клеммой испытательной батареи и выводом 6 на выключателе водительского сиденья с электроприводом со стороны электродвигателя. Эти два вывода находятся очень близко друг к другу, и может произойти короткое замыкание электродвигателя, поэтому рекомендуется использовать плавкую проволочную перемычку. Не допускать соприкосновения проводов от аккумуляторной батареи друг с другом. Если электродвигатель в порядке и не находится в конце рабочего хода, то водительское сиденье с электроприводом должно перемещаться.
  5. Чтобы электродвигатель мог работать в противоположном направлении, аккуратно переключить соединения батареи между выводом 5 и выводом 6 выключателя водительского сиденья с электроприводом.
Производится ли регулировка вверх и вниз, когда электродвигатель питается непосредственно от батареи автомобиля?
-
Перейдите на Шаг 10
Перейдите на Шаг 16
16
  1. Отсоединить разъем переднего электродвигателя подъема.
  2. С помощью омметра проверить сопротивление между выводом 1 и выводом 2 разъема переднего электродвигателя подъема.
Равно ли сопротивление каждого провода указанному значению?
≈ 0 Ом
Перейдите на Шаг 13
Перейдите на Шаг 17
17
Устранить разрыв цепи между выключателем водительского сиденья с электроприводом и передним электродвигателем подъема.
Ремонт закончен?
-
Система в норме
-
18
Попытаться отрегулировать высоту сзади водительского сиденья с электроприводом.
Работает ли регулировка высоты сзади?
-
Перейдите на Шаг 22
Перейти на Шаг 19
19
  1. Отсоединить электрический разъем выключателя водительского сиденья с электроприводом.
  2. Переместить аккумуляторную батарею поближе к выключателю водительского сиденья с электроприводом так, чтобы проволочные перемычки могли дотянуться от батареи до выключателя.
  3. Подсоединить проволочную перемычку между отрицательной клеммой испытательной батареи и выводом 7 на выключателе водительского сиденья с электроприводом со стороны электродвигателя.
  4. Аккуратно подсоединить плавкую проволочную перемычку между положительной клеммой испытательной батареи и выводом 8 на выключателе водительского сиденья с электроприводом со стороны электродвигателя. Эти два вывода находятся очень близко друг к другу, и может произойти короткое замыкание электродвигателя, поэтому рекомендуется использовать плавкую проволочную перемычку. Не допускать соприкосновения проводов от аккумуляторной батареи друг с другом. Если электродвигатель в порядке и не находится в конце рабочего хода, то водительское сиденье с электроприводом должно перемещаться.
  5. Чтобы электродвигатель мог работать в противоположном направлении, аккуратно переключить соединения батареи между выводом 7 и выводом 8 выключателя водительского сиденья с электроприводом.
Производится ли регулировка вверх и вниз, когда электродвигатель питается непосредственно от батареи автомобиля?
-
Перейдите на Шаг 10
Перейти на Шаг 20
20
  1. Отсоединить разъем заднего электродвигателя подъема.
  2. С помощью омметра проверить сопротивление между выводом 1 и выводом 2 разъема заднего электродвигателя подъема.
Равно ли сопротивление каждого провода указанному значению?
≈ 0 Ом
Перейдите на Шаг 13
Перейдите на Шаг 21
21
Устранить разрыв цепи между выключателем водительского сиденья с электроприводом и задним электродвигателем подъема.
Ремонт закончен?
-
Система в норме
-
22
Попытаться отрегулировать наклон водительского сиденья с электроприводом.
Наклоняется ли водительское сиденье с электроприводом?
-
Система в норме
Перейдите на Шаг 23
23
  1. Отсоединить электрический разъем выключателя водительского сиденья с электроприводом.
  2. Переместить аккумуляторную батарею поближе к выключателю водительского сиденья с электроприводом так, чтобы проволочные перемычки могли дотянуться от батареи до выключателя.
  3. Подсоединить проволочную перемычку между отрицательной клеммой испытательной батареи и выводом 9 на выключателе водительского сиденья с электроприводом со стороны электродвигателя.
  4. Аккуратно подсоединить плавкую проволочную перемычку между положительной клеммой испытательной батареи и выводом 10 на выключателе водительского сиденья с электроприводом со стороны электродвигателя. Эти два вывода находятся очень близко друг к другу, и может произойти короткое замыкание электродвигателя, поэтому рекомендуется использовать плавкую проволочную перемычку. Не допускать соприкосновения проводов от аккумуляторной батареи друг с другом. Если электродвигатель в порядке и не находится в конце рабочего хода, то водительское сиденье с электроприводом должно перемещаться.
  5. Чтобы электродвигатель мог работать в противоположном направлении, аккуратно переключить соединения батареи между выводом 9 и выводом 10 выключателя водительского сиденья с электроприводом.
Производится ли регулировка вверх и вниз, когда электродвигатель питается непосредственно от батареи автомобиля?
-
Перейдите на Шаг 10
Перейдите на Шаг 24
24
  1. Отсоединить разъем электродвигателя наклона.
  2. С помощью омметра проверить сопротивление между выводом 1 и выводом 2 разъема электродвигателя наклона.
Равно ли сопротивление каждого провода указанному значению?
≈ 0 Ом
Перейдите на Шаг 13
Перейдите на Шаг 25
25
Устранить разрыв цепи между выключателем водительского сиденья с электроприводом и электродвигателем наклона.
Ремонт закончен?
-
Система в норме
-

Подогрев коврика

Не работает подогрев коврика

ШагОперацияЗначенияДаНет
1
Проверить подогрев коврика.
Работает ли подогрев коврика?
-
Система в норме
Перейдите на Шаг 2
2
Проверить предохранитель f7.
Перегорел ли предохранитель f7?
-
Перейдите на Шаг 3
Перейдите на Шаг 4
3
  1. Проверьте на предмет короткого замыкания и при необходимости устраните его.
  2. Заменить предохранитель f7.
Ремонт закончен?
-
Система в норме
-
4
С помощью вольтметра проверить напряжение на выводе 1 (левый)/4 (правый) каждого выключателя подогрева коврика (слева и справа).
Показывает ли вольтметр указанное значение?
11~14 В
Перейдите на Шаг 6
Перейдите на Шаг 5
5
Устранить разрыв цепи между предохранителем f7 и выводом 1 (левый)/4 (правый)выключателя подогрева коврика.
Ремонт закончен?
-
Система в норме
-
6
  1. Поверните ключ зажигания в положение on.
  2. Установить выключатель подогрева коврика во включенное положение.
  3. С помощью вольтметра проверить напряжение на выводе 4 (левый)/5 (правый) каждого выключателя подогрева коврика (слева и справа).
Показывает ли вольтметр указанное значение?
11~14 В
Перейдите на Шаг 8
Перейдите на Шаг 7
7
Заменить выключатель подогрева коврика.
Ремонт закончен?
-
Система в норме
-
8
  1. Поверните ключ зажигания в положение on.
  2. Установить выключатель подогрева коврика во включенное положение.
  3. С помощью вольтметра проверить напряжение на выводе 2 (левый)/1 (правый) коврика с подогревом.
Показывает ли вольтметр указанное значение?
11~14 В
Перейдите на Шаг 10
Перейдите на Шаг 9
9
Устранить разрыв цепи между выводом 4 (левый)/5 (правый) выключателя левого или правого коврика с подогревом и выводом 1 левого или правого коврика с подогревом.
Ремонт закончен?
-
Система в норме
-
10
  1. Поверните ключ зажигания в положение on.
  2. Установить выключатель подогрева коврика во включенное положение.
  3. С помощью вольтметра проверить напряжение на выводе 1 (левый)/2 (правый) коврика с подогревом.
Равно ли показываемое напряжение указанному значению?
11~14 В
Перейдите на Шаг 12
Перейдите на Шаг 11
11
Заменить левый или правый коврик с подогревом.
Ремонт закончен?
-
Система в норме
-
12
Устранить разрыв цепи массы.
Ремонт закончен?
-
Система в норме
-

ТЕХНИЧЕСКОЕ ОБСЛУЖИВАНИЕ И РЕМОНТ

ТЕХНИЧЕСКОЕ ОБСЛУЖИВАНИЕ БЕЗ ДЕМОНТАЖА С АВТОМОБИЛЯ



V3B39H01
Показать иллюстрациюПеревод текста в иллюстрациях


Переднее сиденье

(Показано водительское сиденье с электроприводом, водительское сиденье с механическим приводом такое же)

Процедура снятия

  1. Отсоедините провод от отрицательного вывода аккумуляторной батареи.
  2. Снять пластиковые колпачки и болты, крепящие заднюю часть переднего сиденья к полу.


  3. V3B39H02
    Показать иллюстрациюПеревод текста в иллюстрациях


  4. Снять пластиковые колпачки и болты, крепящие переднюю часть переднего сиденья к полу.
  5. Отсоединить электрические разъемы.
  6. Снять сиденье.


V3B39H02
Показать иллюстрациюПеревод текста в иллюстрациях


Процедура установки

  1. Установить сиденье.
  2. Подсоединить электрические разъемы.
  3. Примечание: Непосредственный контакт разнородных металлов может привести к быстрой коррозии. Во избежание преждевременной коррозии используйте надлежащий крепеж.

  4. Установить болты в переднюю часть переднего сиденья.
  5. Затянуть
    Затянуть болты, крепящие переднее сиденье к полу, с усилием 24 Н•м (212 фунт-футов).

  6. Установить пластиковые колпачки.


  7. V3B39H01
    Показать иллюстрациюПеревод текста в иллюстрациях


  8. Установить болты в заднюю часть переднего сиденья.
  9. Затянуть
    Затянуть болты, крепящие переднее сиденье к полу, с усилием 24 Н•м (212 фунт-футов).

  10. Установить пластиковые колпачки.
  11. Присоедините провод к отрицательному выводу аккумуляторной батареи.


V3B39H03
Показать иллюстрациюПеревод текста в иллюстрациях


Спинка переднего сиденья

Процедура снятия

  1. Снять переднее сиденье с автомобиля. См. «Передние сиденья» в этом разделе.
  2. Снять винты и заднюю панель, сдвинув ее вниз.


  3. V3B39H04
    Показать иллюстрациюПеревод текста в иллюстрациях


  4. Снять отделку с каждого сиденья. См. "Отделка переднего сиденья" в этом разделе.
  5. Отсоединить электрические разъемы.
  6. Снять болты и спинку сиденья.


V3B39H04
Показать иллюстрациюПеревод текста в иллюстрациях


Процедура установки

  1. Установить спинку сиденья на подушку сиденья.
  2. Примечание: Непосредственный контакт разнородных металлов может привести к быстрой коррозии. Во избежание преждевременной коррозии используйте надлежащий крепеж.

  3. Установить болты спинки переднего сиденья.
  4. Затянуть
    Затянуть болты спинки переднего сиденья с усилием 45 Н•м (33 фунт-фута).

  5. Подсоединить электрические разъемы.


  6. V3B39H03
    Показать иллюстрациюПеревод текста в иллюстрациях


  7. Установить отделку сидений в исходное положение. См. "Отделка переднего сиденья" в этом разделе.
  8. Установить заднюю панель на сиденье с помощью винтов.
  9. Затянуть
    Затянуть винты чехла переднего сиденья с усилием 12 Н•м (106 фунт-дюйм).

  10. Установить переднее сиденье в автомобиль. См. «Передние сиденья» в этом разделе.


V3B39H05
Показать иллюстрациюПеревод текста в иллюстрациях


Подушка переднего сиденья

(Показано водительское сиденье с электроприводом, водительское сиденье с механическим приводом такое же)

Процедура снятия

  1. Снять переднее сиденье с автомобиля. См. «Передние сиденья» в этом разделе.
  2. Снять отделку сидений. См. "Отделка переднего сиденья" в этом разделе.
  3. Снять болты подушки сиденья.
  4. Снять подушку с направляющей сиденья.


V3B39H05
Показать иллюстрациюПеревод текста в иллюстрациях


Процедура установки

  1. Установить подушку на направляющую сиденья.
  2. Примечание: Непосредственный контакт разнородных металлов может привести к быстрой коррозии. Во избежание преждевременной коррозии используйте надлежащий крепеж.

  3. Установить подушку сиденья с помощью болтов.
  4. Затянуть
    Затянуть болты подушек передних сидений с усилием 12 Н•м (106 фунт-дюйм).

  5. Установить отделку сидений. См. "Отделка переднего сиденья" в этом разделе.
  6. Установить переднее сиденье в автомобиль. См. «Передние сиденья» в этом разделе.


V3B39H06
Показать иллюстрациюПеревод текста в иллюстрациях


Направляющая переднего сиденья

(Показано водительское сиденье с электроприводом, водительское сиденье с механическим приводом такое же)

Процедура снятия

  1. Снять спинку сиденья. См. "Спинка переднего сиденья" в этом разделе.
  2. Снять отделку сиденья. См. "Отделка переднего сиденья" в этом разделе.
  3. Снять болты подушки сиденья.
  4. Снять направляющую сиденья с подушки сиденья.


V3B39H06
Показать иллюстрациюПеревод текста в иллюстрациях


Процедура установки

  1. Установить подушку на направляющую сиденья.
  2. Примечание: Непосредственный контакт разнородных металлов может привести к быстрой коррозии. Во избежание преждевременной коррозии используйте надлежащий крепеж.

  3. Установить направляющую сиденья на подушку сиденья с помощью болтов подушки сиденья.
  4. Затянуть
    Затянуть болты подушек передних сидений с усилием 12 Н•м (106 фунт-дюйм).

  5. Установить отделку сиденья См. "Отделка переднего сиденья" в этом разделе.
  6. Установить спинку сиденья. См. "Спинка переднего сиденья" в этом разделе.


V3B39H08
Показать иллюстрациюПеревод текста в иллюстрациях


Рычаг наклона сиденья

(Показано водительское сиденье с электроприводом, водительское сиденье с механическим приводом такое же)

Процедура снятия

  1. Снять рычаг наклона сиденья.


V3B39H08
Показать иллюстрациюПеревод текста в иллюстрациях


Процедура установки

    Примечание: Непосредственный контакт разнородных металлов может привести к быстрой коррозии. Во избежание преждевременной коррозии используйте надлежащий крепеж.

  1. Установить рычаг наклона сиденья.
  2. Затянуть
    Затянуть винт рычага наклона сиденья с усилием 12 Н•м (106 фунт-дюйм).



V3B39H09
Показать иллюстрациюПеревод текста в иллюстрациях


Рычаг поясничного подпора

Процедура снятия

  1. Снять рычаг поясничного подпора.


V3B39H09
Показать иллюстрациюПеревод текста в иллюстрациях


Процедура установки

    Примечание: Непосредственный контакт разнородных металлов может привести к быстрой коррозии. Во избежание преждевременной коррозии используйте надлежащий крепеж.

  1. Установить рычаг поясничного подпора.


V3B39H10
Показать иллюстрациюПеревод текста в иллюстрациях


Ручки регулирования высоты

(Показан передний электродвигатель)

Процедура снятия

  1. Снять ручку регулирования высоты.


V3B39H10
Показать иллюстрациюПеревод текста в иллюстрациях


Процедура установки

    Примечание: Непосредственный контакт разнородных металлов может привести к быстрой коррозии. Во избежание преждевременной коррозии используйте надлежащий крепеж.

  1. Установить ручку регулирования высоты.


V3B39H11
Показать иллюстрациюПеревод текста в иллюстрациях


Отделка переднего сиденья

Процедура снятия

    (Показано водительское сиденье с электроприводом, водительское сиденье с механическим приводом такое же)
  1. Снять переднее сиденье с автомобиля. См. «Передние сиденья» в этом разделе.
  2. Снять винт и рычаг наклона.
  3. Снять винты и отделку переднего сиденья.


V3B39H11
Показать иллюстрациюПеревод текста в иллюстрациях


Процедура установки

    Примечание: Непосредственный контакт разнородных металлов может привести к быстрой коррозии. Во избежание преждевременной коррозии используйте надлежащий крепеж.

  1. Установить отделку переднего сиденья с помощью винтов.
  2. Затянуть
    Затянуть винты отделки переднего сиденья с усилием 12 Н•м (106 фунт-дюймов).

  3. Установить рычаг наклона с помощью винта.
  4. Затянуть
    Затянуть винт рычага наклона сиденья с усилием 12 Н•м (106 фунт-дюйм).

  5. Установить переднее сиденье в автомобиль. См. «Передние сиденья» в этом разделе.


V3B39H12
Показать иллюстрациюПеревод текста в иллюстрациях


Подголовник

Процедура снятия

  1. Нажать кнопку регулировки подголовника и снять подголовник со спинки сиденья.


  2. V3B39H13
    Показать иллюстрациюПеревод текста в иллюстрациях


  3. Вставить две плоские отвертки по передней и задней сторонам направляющих втулок.
  4. Нажать отвертками на фиксирующие защелки и снять направляющие втулки.


V3B39H14
Показать иллюстрациюПеревод текста в иллюстрациях


Процедура установки

  1. Установить направляющие втулки на спинку сиденья и нажать на них, чтобы задействовать фиксирующие защелки.
  2. Установить подголовник в направляющие втулки.


V3B39H15
Показать иллюстрациюПеревод текста в иллюстрациях


Подушка заднего сиденья

Процедура снятия

  1. Снять подушку заднего сиденья с пола, подняв ее с фиксирующих скоб и сдвинув вперед.


V3B39H15
Показать иллюстрациюПеревод текста в иллюстрациях


Процедура установки

  1. Установить подушку заднего сиденья, вставив металлические петли в задние фиксирующие скобы и нажав на переднюю часть подушки сиденья.


V3B39H16
Показать иллюстрациюПеревод текста в иллюстрациях


Разрезная спинка заднего сиденья

Процедура снятия

  1. Опустить спинки задних сидений.
  2. Снять фиксаторы и повторно установить заднюю крышку спинки заднего сиденья.
  3. Снять гайки, болты и спинку сиденья с шарниров.


V3B39H16
Показать иллюстрациюПеревод текста в иллюстрациях


Процедура установки

    Примечание: Непосредственный контакт разнородных металлов может привести к быстрой коррозии. Во избежание преждевременной коррозии используйте надлежащий крепеж.

  1. Установить спинку сиденья на шарниры с помощью болтов и гаек.
  2. Затянуть
    Затянуть болты спинки заднего сиденья с усилием 25 Н•м (18 фунт-футов).
    Затянуть гайки спинки заднего сиденья с усилием 25 Н•м (18 фунт-фут).

  3. Установить заднюю крышку спинки заднего сиденья с помощью фиксаторов.
  4. Поднять и закрепить спинки задних сидений в вертикальном положении.


V3B39H17
Показать иллюстрациюПеревод текста в иллюстрациях


Шарнир разрезной спинки заднего сиденья

Процедура снятия

  1. Снять спинку и подушку заднего сиденья. См. «Разрезная спинка заднего сиденья» и «Подушка заднего сиденья» в этом разделе.
  2. Снять болты и центральный шарнир спинки сиденья.


  3. V3B39H18
    Показать иллюстрациюПеревод текста в иллюстрациях


  4. Снять подушку бокового буфера заднего сиденья. См. "Подушка бокового буфера заднего сиденья" в этом разделе.
  5. Снять болты и наружную петлю спинки сиденья.


V3B39H18
Показать иллюстрациюПеревод текста в иллюстрациях


Процедура установки

    Примечание: Непосредственный контакт разнородных металлов может привести к быстрой коррозии. Во избежание преждевременной коррозии используйте надлежащий крепеж.

  1. Установить наружную петлю спинки сиденья с помощью болтов.
  2. Затянуть
    Затянуть болты петли заднего сиденья с усилием 12 Н•м (106 фунт-дюйм).



    V3B39H17
    Показать иллюстрациюПеревод текста в иллюстрациях


  3. Установить подушку бокового буфера заднего сиденья. См. "Подушка бокового буфера заднего сиденья" в этом разделе.
  4. Установить центральный шарнир спинки сиденья с помощью болтов.
  5. Затянуть
    Затянуть болты петли заднего сиденья с усилием 12 Н•м (106 фунт-дюйм).

  6. Установить спинку и подушку заднего сиденья. См. «Разрезная спинка заднего сиденья» и «Подушка заднего сиденья» в этом разделе.


V3B39H19
Показать иллюстрациюПеревод текста в иллюстрациях


Фиксатор замка разрезной спинки заднего сиденья

Процедура снятия

  1. Опустить спинки задних сидений.
  2. Снять подушку бокового буфера заднего сиденья. См. "Подушка бокового буфера заднего сиденья" в этом разделе.
  3. Снять фиксаторы и крышку отделки задней панели.
  4. Снять болты и фиксаторы замка спинки сиденья.


V3B39H19
Показать иллюстрациюПеревод текста в иллюстрациях


Процедура установки

    Примечание: Непосредственный контакт разнородных металлов может привести к быстрой коррозии. Во избежание преждевременной коррозии используйте надлежащий крепеж.

  1. Установить фиксаторы замка спинки сиденья с помощью болтов.
  2. Затянуть
    Затянуть болты фиксатора замка спинки заднего сиденья с усилием 25 Н•м (18 фунт-фут).

  3. Установить крышку отделки задней панели с помощью фиксаторов.
  4. Установить подушку бокового буфера заднего сиденья. См. "Подушка бокового буфера заднего сиденья" в этом разделе.
  5. Поднять и закрепить спинки задних сидений в вертикальном положении.


V3B39H20
Показать иллюстрациюПеревод текста в иллюстрациях


Подушка бокового буфера заднего сиденья

Процедура снятия

  1. Снимите подушку заднего сиденья. См. "Подушка заднего сиденья" в этом разделе.
  2. Снять болт, крепящий подушку бокового буфера заднего сиденья.
  3. Поднять и снять подушку бокового буфера заднего сиденья.


V3B39H20
Показать иллюстрациюПеревод текста в иллюстрациях


Процедура установки

  1. Задвинуть подушку бокового буфера заднего сиденья в фиксирующие скобы.
  2. Примечание: Непосредственный контакт разнородных металлов может привести к быстрой коррозии. Во избежание преждевременной коррозии используйте надлежащий крепеж.

  3. Установить подушку бокового буфера заднего сиденья с помощью болта.
  4. Затянуть
    Затянуть болт подушки бокового буфера заднего сиденья с усилием 25 Н•м (18 фунт-фут).

  5. Установите подушку заднего сиденья. См. "Подушка заднего сиденья" в этом разделе.


V3B39H21
Показать иллюстрациюПеревод текста в иллюстрациях


Средний подлокотник заднего сиденья

Процедура снятия

  1. Опустить спинки задних сидений.
  2. Снять фиксаторы и повторно установить заднюю крышку спинки заднего сиденья.
  3. Снять гайки и подлокотник.


V3B39H21
Показать иллюстрациюПеревод текста в иллюстрациях


Процедура установки

    Примечание: Непосредственный контакт разнородных металлов может привести к быстрой коррозии. Во избежание преждевременной коррозии используйте надлежащий крепеж.

  1. Установить подлокотник с помощью гаек.
  2. Затянуть
    Затянуть гайки подлокотника с усилием 24 Н•м (18 фунт-футов).

  3. Установить заднюю крышку спинки заднего сиденья с помощью фиксаторов.
  4. Поднять и закрепить спинки задних сидений в вертикальном положении.


V3B39H22
Показать иллюстрациюПеревод текста в иллюстрациях


Чехлы сидений

Внимание! Не следует снимать чехол пассажирского сиденья. Во избежание возможных травм пассажира заменяйте подушку пассажирского сиденья узлом в сборе. Все компоненты в сервисном комплекте подбираются и калибруются как один блок. Использование только некоторых компонентов из сервисного комплекта приведет к неправильной работе системы классификации пассажиров.

Процедура снятия

  1. Снять спинку сиденья и/или подушку. См. «Спинка переднего сиденья», «Подушка переднего сиденья», «Разрезная спинка заднего сиденья» и/или «Подушка заднего сиденья» в этом разделе.
  2. Извлечь пружинные кольца из спинки сиденья и/или из подушки.
  3. Снять чехол со спинки сиденья и/или с подушки.


V3B39H22
Показать иллюстрациюПеревод текста в иллюстрациях


Процедура установки

  1. Одеть чехол на спинку сиденья и/или на подушку с помощью новых пружинных колец.
  2. Установить спинку и/или подушку сиденья. См. «Спинка переднего сиденья», «Подушка переднего сиденья», «Разрезная спинка заднего сиденья» и/или «Подушка заднего сиденья» в этом разделе.


L7B59B19
Показать иллюстрациюПеревод текста в иллюстрациях


ВЫКЛЮЧАТЕЛЬ КОВРИКОВ С ПОДОГРЕВОМ

Процедура снятия

  1. Отсоедините провод от отрицательного вывода аккумуляторной батареи.
  2. Снять панель обивки передней двери. См Раздел 9G, Внутренняя отделка.
  3. Демонтировать выключатель подогрева коврика.


L7B59B19
Показать иллюстрациюПеревод текста в иллюстрациях


Процедура установки

  1. Установить выключатель подогрева коврика.
  2. Установить панель обивки передней двери. См. Раздел 9G, Облицовка салона.
  3. Присоедините провод к отрицательному выводу аккумуляторной батареи.


V5B39H03
Показать иллюстрациюПеревод текста в иллюстрациях


Подогрев коврика

(показана подушка сиденья, спинка такая же)

Внимание! Если поролон подушки или спинки сиденья повредился во время демонтажа подогревающего элемента, заменить подушку сиденья или спинку для предотвращения телесных повреждений.

Процедура снятия

  1. Отсоедините провод от отрицательного вывода аккумуляторной батареи.
  2. Отсоединить жгут проводов подушки безопасности и подогрева коврика.
  3. Снять спинку сиденья и/или подушку. См. "Спинка переднего сиденья", "Подушка переднего сиденья" в этом разделе.
  4. Извлечь пружинные кольца из спинки сиденья и/или из подушки.
  5. Снять чехол со спинки сиденья и/или с подушки.
  6. Удалить коврик с подогревом с подушки.


V5B39H03
Показать иллюстрациюПеревод текста в иллюстрациях


Процедура установки

  1. Установить коврик с подогревом.
  2. Одеть чехол на спинку сиденья и/или на подушку с помощью новых пружинных колец.
  3. Установить спинку и/или подушку сиденья. См. "Спинка переднего сиденья",. "Подушка переднего сиденья" в этом разделе.
  4. Присоединить жгут проводов подушки безопасности и подогрева коврика.
  5. Присоедините провод к отрицательному выводу аккумуляторной батареи.


V3B39H23
Показать иллюстрациюПеревод текста в иллюстрациях


Крепление детского сиденья

Процедура снятия

  1. Снять крышку крепления детского сиденья.
  2. Снять болт и крепление детского сиденья.
  3. Снять болт и крепление детского сиденья.


V3B39H23
Показать иллюстрациюПеревод текста в иллюстрациях


Процедура установки

  1. Установить крепление детского сиденья с помощью болта.
  2. Затянуть
    Затянуть болт крепления детского сиденья с усилием 10 Н•м (89 фунт-дюймов).

  3. Установить крышку крепления детского сиденья.

ОБЩЕЕ ОПИСАНИЕ И РАБОТА СИСТЕМЫ

Сиденья

Важно: Не следует пытаться изменить расчетное положение сиденья посредством изменения расчетных элементов панели, крепящих регулятор к полу, а также элементов рамы, крепящих регулятор к сиденью. Изменение положения сидений может негативно повлиять на работу системы сидений.

Этот автомобиль оснащен передними сиденьями с отдельными регулируемыми подголовниками и разрезным складывающимся задним сиденьем на трех пассажиров. Передние сиденья также имеют регулировку наклона, высоты и положения позвоночника. Дополнительно устанавливается электропривод сидений. Подушки и спинки сидений имеют штампованные пенопластовые подкладки, которые облегают контуры всей рамы спинки в сборе и расчетный контур рамы подушки.
Система классификации пассажира (OCS) и поролоновая подушка нижней части сиденья калибруются одним блоком и не могут обслуживаться по отдельности. Чтобы получить дополнительную информацию, см. раздел 8B, SIR. Раздел 8B, SIR.


На предыдущую страницуНа следующую страницу
https://vnx.su/ 🛠 Руководства по ремонту и эксплуатации для автомобилей

Поиск по сайту

Остались вопросы или пожелания? Пишите на почту: support@vnx.su

Карта Сайта