К началу документа
Epica
На предыдущую страницу На следующую страницу
Главная страница GMDE Загрузить нединамическое оглавление Загрузить динамическое оглавление Помощь

РЕМОНТ АГРЕГАТА

Монтаж подъемной пластины и зажимного приспособления


L8B15A14
Показать иллюстрациюПеревод текста в иллюстрациях


Выноска
Название компонента
1
dt-47811 Подъемная пластина коробки передач

Затянуть
Затяните болты и гайки до 12 Н•м (106 фунтов на дюйм)

Внимание! Работайте осторожно, коробка передач в сборе весит более 83 кг (183 фунтов). В случае неправильной работы может иметь место материальный ущерб.

Совет
После монтажа подъемной пластины поднимите коробку передач при помощи верхнего подъемного механизма
2
j-46625 - зажимное приспособление для коробки передач
j-46625-10 - переходник зажимного приспособления
Совет
Установите блок в сборе на зажимное приспособление таким образом, чтобы совпали бобышки на картере, затем затяните болты до 13 Н•м (10 фунтов на фут).

Снятие гидротрансформатора


L8B15A15
Показать иллюстрациюПеревод текста в иллюстрациях


Выноска
Название компонента
1
Стопорный штифт

Внимание! Стопорный штифт должен быть закреплен в зажимном приспособлении стенда для фиксации коробки передач и предотвращения материального ущерба.

Совет
Убедитесь в том, что j-3289-20 смонтирован на выступе, который имеет хорошую опору и будет поддерживать вес коробки передач в сборе, не опрокидываясь. Переходник J-39890 и стенд для двигателя могут быть использованы в качестве альтернативного метода поддержки коробки передач в сборе во время ремонта.
СПЕЦИАЛЬНЫЕ ИНСТРУМЕНТЫ
j-3289-20 - зажимное приспособление
j-39890 - переходник зажимного приспособления для коробки передач
2
j-21366 - зажимное приспособление для удерживания гидротрансформатора
3
Гидротрансформатор в сборе
Совет
При невозможности поднять прямо гидротрансформатор может повредиться манжетное уплотнение муфты внутри муфты гидротрансформатора в сборе.
СПЕЦИАЛЬНЫЕ ИНСТРУМЕНТЫ
j-46409 Ручки для подъема гидротрансформатора

Снятие корпуса управляющего клапана в сборе

Снятие крышки корпуса управляющего клапана


L8B15A16
Показать иллюстрациюПеревод текста в иллюстрациях


Выноска
Название компонента
1
Болты крышки корпуса управляющего клапана m6x30 (количество: 13)
2
Крышка корпуса управляющего клапана
3
Прокладка крышки корпуса управляющего клапана
Совет
Выбросить уплотнение. Он не является многократно используемым.
4
Уплотнение отверстия под разъем проводов в крышке корпуса управляющего клапана
Совет
Выбросить уплотнение. Он не является многократно используемым.

Примечание: При снятии уплотнения придерживайте управляющий электромагнитный клапан в сборе. Излишняя сила нажатия может повредить внутренние электрические соединения.

5
Разъем переключателя включения передач
6
Разъем датчика выходной частоты вращения
7
Разъем датчика входной частоты вращения

Демонтаж управляющего электромагнитного клапана (с корпусом & контроллером КПП) в сборе


L8B15A17
Показать иллюстрациюПеревод текста в иллюстрациях


Выноска
Название компонента
1
Болт корпуса управляющего клапана m5 x 40,5 (количество: 3)
2
Болт корпуса управляющего клапана m6 x 97 (количество: 12)
3
Управляющий электромагнитный клапан (с корпусом & контроллером КПП) в сборе
4
Фильтровальный диск электромагнитного клапана в сборе

Примечание: Соблюдайте осторожность при снятии и установке фильтровального диска. Сломанный или утраченный стопорный язычок не может адекватно закрепить фильтровальный диск на управляющем электромагнитном клапане в сборе, что повлечет возможные повреждение или загрязнение.

Совет
  • Выбросите фильтровальный диск. Он не является многократно используемым.
  • Осмотрите уплотнения реле давления на наличие повреждений или загрязнение. При необходимости замените управляющий электромагнитный клапан в сборе.

Снятие корпуса управляющего клапана в сборе


L8B15A18
Показать иллюстрациюПеревод текста в иллюстрациях


Выноска
Название компонента
1
Управляющий клапан уровня жидкости
2
Прокладка управляющего клапана уровня жидкости
3
Болт корпуса управляющего клапана m6 x 60 (количество: 9)
4
Болт корпуса управляющего клапана m6 x 53 (количество: 2)
5
Корпус управляющего клапана в сборе
6
Прокладочная пластина корпуса управляющего клапана в сборе
7
Болт пружины фиксатора вала ручного переключения m6 x 16 (количество: 1)
8
Пружина фиксатора вала ручного переключения в сборе
9
Уплотнение отверстия для прохода жидкости муфты 1-2-3-4 передач
Совет
Выбросить уплотнение. Он не является многократно используемым.
10
Уплотнение отверстия для прохода жидкости муфты низшей передачи / заднего хода
Совет
Выбросить уплотнение. Он не является многократно используемым.

Снятие датчика входной и выходной частоты вращения


L8B15A19
Показать иллюстрациюПеревод текста в иллюстрациях


Выноска
Название компонента
1
Болт датчика выходной частоты вращения автоматической коробки передач m6 x 18 (количество: 1)
2
Датчик выходной частоты вращения автоматической трансмиссии в сборе
3
Болт датчика входной частоты вращения m6 x 23 (количество: 1)
4
Датчик входной частоты вращения в сборе
Совет
Нажмите на фиксирующие выступы на пробке, чтобы высвободить ее из картера и избежать повреждения резервуара.
5
Уплотнения датчика входной частоты вращения в сборе (количество: 3)
Совет
Выбросить уплотнения. Из нельзя использовать повторно.

снятие корпуса гидротрансформатора с жидкостным насосом в сборе


L8B15A21
Показать иллюстрациюПеревод текста в иллюстрациях


Выноска
Название компонента
1
Болты корпуса гидротрансформатора и дифференциала m8x30 (количество: 15)
2
Гидротрансформатор с корпусом жидкостного насоса в сборе
3
Прокладка корпуса гидротрансформатора
Совет
Выбросить уплотнение. Он не является многократно используемым.
4
Уплотнение жидкостного насоса в сборе

Снятие чашки переднего дифференциала в сборе


L8B15A22
Показать иллюстрациюПеревод текста в иллюстрациях


Выноска
Название компонента
1
Подшипник чашки переднего дифференциала в сборе
2
Чашка дифференциала в сборе
3
Солнечная шестерня конечной передачи

Снятие ведущей шестерни, ведомой шестерни и приводного рычага


L8B15A23
Показать иллюстрациюПеревод текста в иллюстрациях


Выноска
Название компонента
1
Маслосъемник приводного рычага
2
Уплотнения маслосъемника приводного рычага
3
Ведомая шестерня в сборе, приводная шестерня в сборе, парковочная шестерня в сборе и приводной рычаг
Совет
  • Приводной рычаг, приводная и ведомая шестерни в сборе должны быть сняты одновременно.
  • Внутренняя обойма шарикоподшипника ведомой шестерни имеет неподвижную посадку на картер. Вытягивайте наверх по прямой для более простого снятия.
4
Подшипник ведомой шестерни в сборе
Совет
Подшипник ведомой шестерни может застрять на приводной шестерне.
5
Болты лопатки чашки переднего дифференциала m6x16 (количество : 2)
6
Лопатка чашки переднего дифференциала
7
Вал парковочного стопора
8
Пружина парковочного стопора
9
Парковочный стопор

Снятие внутренних компонентов


L8B15A26
Показать иллюстрациюПеревод текста в иллюстрациях


Выноска
Название компонента
1
Стопорное кольцо опорного диска муфты включения 1-2-3-4 передачи

Внимание! Стопор находится в напряженном состоянии. Соблюдайте осторожность при снятии стопора. В противном случае можно получить травму.

Совет
Снимите один конец стопора, используя j-28585 и извлеките стопор из бороздки на картере.

Примечание: Соблюдайте осторожность при снятии стопорного кольца, чтобы избежать повреждений обработанной машинным путем поверхности картера в области стояночного стопора. Заусенцы или загнутые края обработанной машинным путем поверхности картера могут привести к защемлению стояночного стопора и помешать ему войти в зацепление с парковочной шестерней.

Специальный инструмент
j-28585 Съемник стопорного кольца или эквивалентный инструмент
2
Корпус муфты включения 3-5-задней передач & 4-5-6 передач в сборе, коробка передач, корпус муфты низшей передачи - заднего хода в сборе и муфты 1-2-3-4 передач
Совет
Данный узел - тяжелый, весит 40 фунтов (18 кг).
3
Ведомый диск сцепления 2-6 передач (количество: 1)
4
Диск включения 2-6 передач (волнообразный)
5
Упорный подшипник корпуса муфты 35r & 456 передач в сборе

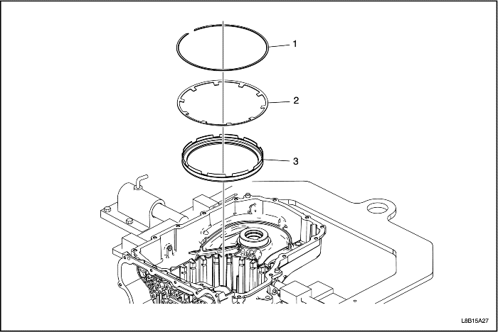
Снятие поршня 2-6 передачи


L8B15A27
Показать иллюстрациюПеревод текста в иллюстрациях


Выноска
Название компонента
1
Пружинный фиксатор муфты 2-6 передач
Специальный инструмент
j-28585 Съемник стопорного кольца или эквивалентный инструмент
2
Пружина муфты включения 2-6 передачи
3
Поршень муфты включения 2-6 передачи
Совет
  • Используйте клещи для снятия поршня.
  • Осмотрите уплотнения поршня на наличие повреждений и/ или износа. Поршень можно использовать повторно.

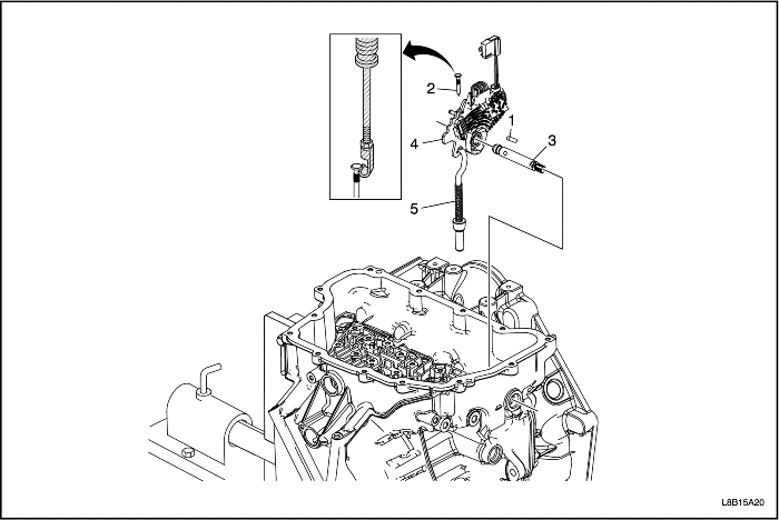
Снятие рычага фиксатора ручного переключения с выключателем вала переключения передач в сборе и переключателя стояночного стопора

Снятие фиксатора вала ручного переключения (с выключателем переключения передач) в сборе


L8B15A20
Показать иллюстрациюПеревод текста в иллюстрациях


Выноска
Название компонента
1
Штырь ступицы рычага фиксатора вала ручного переключения передач
2
Штырь вала ручного переключения
Совет
Отбракуйте штырь. Он не является многократно используемым.
Специальные инструменты:
j-23129 Универсальное приспособление для снятия уплотнений
j-6125-1b Отбойник
3
Вал ручного переключения передач
4
Рычаг фиксатора вала ручного переключения передач (с выключателем переключения передач) в сборе
5
Привод парковочного стопора в сборе

Снятие направляющей привода стояночного стопора


L8B15A24
Показать иллюстрациюПеревод текста в иллюстрациях


Выноска
Название компонента
1
Направляющий штырь привода парковочного стопора
2
Направляющая привода стояночного стопора в сборе
3
Уплотнение направляющей привода стояночного стопора
Совет
Выбросить уплотнение. Он не является многократно используемым.

Снятие уплотнения вала ручного переключения передач


L8B15AL5
Показать иллюстрациюПеревод текста в иллюстрациях


Выноска
Название компонента
1
Уплотнение вала ручного переключения
Совет
Используйте j-45201 для снятия уплотнения, чтобы исключить повреждение поверхности картера.
Специальный инструмент
j-45201 Съемник уплотнений

Замена крепления первичного вала


L8B15A28
Показать иллюстрациюПеревод текста в иллюстрациях


Выноска
Название компонента
1
Гидравлические уплотнения муфты 3-5-задней & 4-5-6 передач (количество: 4)
Совет
Выбросить гидравлические уплотнения. Из нельзя использовать повторно.
2
Крепежные болты первичного вала m6 x 50 (количество: 3)

Затянуть
Затяните болты с моментом затяжки 12 Н•м (106 фунтов на дюйм)

3
Кронштейн первичного вала
Совет
Осмотрите крепление на наличие износа, повреждений или пористости.

Замена кольцевого гидравлического уплотнения муфты 3-5-задней и 4-5-6 передач


L8B15A32
Показать иллюстрациюПеревод текста в иллюстрациях


Выноска
Название компонента
1
Гидравлические уплотнения муфты 3-5-задней & 4-5-6 передач (количество: 4)
Совет
  1. Разместите j-46620-3, который является частью j-46620, над ступицей картера и установите его так, чтобы только нижнее кольцевое уплотнение оставалось открытым.
  2. Разместите НОВОЕ гидравлическое кольцевое уплотнение на j-46620-3, который является частью j-46620.
  3. Используйте j-46620-2, который является частью j-46620, чтобы вдавить гидравлическое кольцевое уплотнение вниз через j- 46620-3, который является частью j-46620 в кольцевую бороздку ступицы.
  4. Повторите выше описанные шаги для установки всех 4 кольцевых уплотнений, выравнивая j-46620-3, который является частью j-46620, к соответствующей кольцевой бороздке.
Специальный инструмент
j-46620 Приспособление для установки уплотнения
2
Малая выемка наверху

Примечание: Не нажимайте J-46620-1 на уплотнения, поскольку он скатится вниз и повредит уплотнения. Большая выемка разработана таким образом, чтобы подойти к натянутым уплотнениям. Вдавливайте уплотнение от руки, если J-46620-1 трудно установить над кольцевыми уплотнениями.

Совет
Установите j-46620-1, который является частью j-46620, краем с большой выемкой вниз к гидравлическим кольцевым уплотнениям и оставьте j-46620-1, который является частью j-46620, на уплотнениях не меньше, чем на 60 секунд.
3
Большая выемка наверху
Совет
  1. Установите j-46620-1, который является частью j-46620, вниз краем с малой выемкой не менее, чем на 60 секунд. Это позволит должным образом определить размер нижнего кольцевого уплотнения.
  2. Установка j-46620-1, который является частью j-46620, на гидравлических кольцевых уплотнениях на продолжительный период времени вызовет утечку жидкости в первичном контуре поршня муфты, которая будет продолжаться до того, как кольцевые уплотнения разогреются и расширяться до нужного размера.

Замена масляного уплотнения вала привода передних колес - сторона картера


L8B15A29
Показать иллюстрациюПеревод текста в иллюстрациях


Выноска
Название компонента
1
Масляное уплотнение вала привода передних колес
СПЕЦИАЛЬНЫЕ ИНСТРУМЕНТЫ
  • Приспособление для установки уплотнения dt-47790
  • j-6125-1b Отбойник
  • j-8092 Направляющая ручка
  • j-23129 Универсальное съемное приспособление для уплотнений

Очистка и осмотр коробки передач


L8B15A30
Показать иллюстрациюПеревод текста в иллюстрациях


.

Примечание: Не используйте абразивных губок или приспособлений со щетиной для чистки уплотнительных поверхностей. Абразивные губки создадут мелкую зернистость, которая может отрицательно сказаться на работе коробки передач. Также абразивные губки могут удалить металл и привести к утечке масла.

Примечание: После очистки компонентов коробки передач дайте им просохнуть на воздухе. Не используйте тряпок или бумажных полотенец для сушки любых компонентов коробки передач. Пух с полотенец может привести к неисправности компонентов.

Примечание: Нельзя использовать растворители для чистки повторно. Использованные раннее растворители могут содержать осадок, который повредит компоненты.

Подготовительные процедуры
  1. Тщательно очистите картер коробки передач в сборе, включая резьбу картера, чистым растворителем.
  2. Очистите уплотнительные поверхности прокладки. Удалите все остатки материала прокладки.
  3. Осмотрите все отверстия с резьбой. Если необходимо, отремонтируйте все повреждения на резьбе.
Выноска
Название компонента
1
Осмотрите установочные штифты корпуса гидротрансформатора
Спецификация: Монтажная высота установочных штифтов состоавляет 7,4 мм (0,29 дюймов)
2
Шаровой запорный клапан жидкости
Спецификация: Монтажная глубина шарового клапана составляет 11,5 мм (0,45 дюйма)
3
Поверхность уплотнения корпуса трансформатора
4
Поверхность уплотнения крышки корпуса управляющего клапана
5
Уплотнение заливной крышки
6
Поверхность уплотнения трубки жидкостного радиатора коробки передач
7
Заглушка для гидравлических испытаний

Затянуть
Затяните до 12 Н•м (106 фунтов на дюйм)

8
Поверхность уплотнения вала ручного переключения передач
9
Поверхность уплотнения наконечника для заливания жидкости
10
Пробка отверстия для проверки уровня жидкости

Затянуть
Затяните до 12 Н•м (106 фунтов на дюйм)

11
Осмотрите установочные штифты корпуса клапана
Спецификация: Монтажная высота установочных штифтов составляет 5,8 мм (0,22 дюйма)
12
Сливная пробка

Затянуть
Затяните до 12 Н•м (106 фунтов на дюйм)

Установка рычага фиксатора ручного переключения передач с выключателем переключения в сборе и приводом стояночного стопора

Установка направляющей привода стояночного стопора


L8B15A70
Показать иллюстрациюПеревод текста в иллюстрациях


Выноска
Название компонента
1
Уплотнение направляющей привода стояночного стопора
2
Направляющая привода стояночного стопора в сборе
3
Направляющий штырь привода парковочного стопора
Технические характеристики
Установите направляющий штырь привода стояночного стопора на высоте 9,7 мм (0,38 дюйма).

Установка


L8B15A71
Показать иллюстрациюПеревод текста в иллюстрациях


Выноска
Название компонента
1
Привод парковочного стопора в сборе
2
Рычаг фиксатора вала ручного переключения передач (с выключателем переключения) в сборе
3
Вал ручного переключения передач
Совет
Нанесите на вал жидкость для автоматической трансмиссии для того, чтобы предотвратить повреждение уплотнения вала ручного переключения передач во время установки.
4
Штырь ступицы рычага фиксатора вала ручного переключения передач
Технические характеристики
Установите штырь ступицы рычага фиксатора вала ручного переключения на высоте в (b)7,9 мм (0,38 дюйма).
5
Штырь вала ручного переключения

Примечание: Используйте J-41229 для установки штыря вала ручного переключения на правильной высоте, чтобы должным образом закрепить вал ручного переключения. Если Вы установите штырь слишком глубоко, отверстие картера может треснуть.

Совет
Используйте новый штырь, чтобы гарантировать должное соединение с картером.
Технические характеристики
Проверьте, чтобы монтажная высота штыря составляла (а) от 7,2 до 8,2 мм (от 0,28 до 0,32 дюймов).
Специальный инструмент
j-41229 Приспособление для установки штыря вала ручного переключения

Установка уплотнения вала ручного переключения


L8B15AL6
Показать иллюстрациюПеревод текста в иллюстрациях


Выноска
Название компонента
1
Уплотнение вала ручного переключения
Специальный инструмент
Приспособление для установки уплотнения dt-49101

Установка поршня муфты 2-6 передач


L8B15A33
Показать иллюстрациюПеревод текста в иллюстрациях


Выноска
Название компонента
1
Поршень муфты включения 2-6 передачи
Совет
  • Разместите отверстие для выхода воздуха поршня 2-6 передач и большую прорезь у верхней части картера.
  • dt-47796 во время установки предохраняет край уплотнения поршня от повреждения. Тонким слоем нанесите жидкость для автоматической коробки передач на внутренний диаметр DT-47796 для более легкой установки поршня
Специальный инструмент
dt-47796 Защита уплотнения поршня
2
Пружина муфты включения 2-6 передачи
3
Пружинный фиксатор муфты 2-6 передач
Совет
  • Совместите отверстие фиксатора с самым большим просветом между пазами картера по направлению к нижней части картера.
  • Подведите производственный воздух к отверстию в картере для подачи жидкости в муфту, чтобы убедиться в правильной работе поршня.
Специальный инструмент
dt-47797 Съемник пружины
dt-48056 Мост съемника пружины

Демонтаж корпуса низшей передачи и заднего хода и передач 1-2-3-4, муфты низшей передачи и заднего хода в сборе, выходного солнечного зубчатого колеса и ведомого диска сцепления 2-6


L8B15A34
Показать иллюстрациюПеревод текста в иллюстрациях


Выноска
Название компонента
1
Опорный диск муфты включения 1-2-3-4 передачи
2
Ведомый диск сцепления 1-2-3-4 передач в сборе (количество: 2)
3
Ведомый диск сцепления 1-2-3-4 передач (количество: 2)
4
Ведомый волнообразный диск 1-2-3-4 передач
5
Упорный подшипник вторичной солнечной шестерни в сборе
Совет
Упорный подшипник солнечной шестерни может застрять в ступице приводной шестерни.
6
Вторичная солнечная шестерня в сборе
7
Корпус муфты низшей передачи, заднего хода & 1-2-3-4 передач в сборе
8
Диск включения муфты низшей передачи & заднего хода
9
Диск муфты низшей передачи & заднего хода (количество: 3)
10
Диск муфты низшей передачи & заднего хода в сборе (количество: 3)
11
Опорный диск включения муфты низшей передачи & заднего хода
12
Муфта низшей передачи и заднего хода в сборе (owc)
13
Диск сцепления 2-6 передач в сборе (количество: 2)
14
Ведомый диск сцепления 2-6 передач (количество: 1)

Демонтаж первичного, реактивного и вторичного водила


L8B15A35
Показать иллюстрациюПеревод текста в иллюстрациях


Выноска
Название компонента
1
Вторичное водило в сборе
2
Упорный подшипник вторичного водила в сборе
3
Упорный подшипник первичной солнечной шестерни в сборе
4
Первичное водило в сборе
5
Первичная солнечная шестерня
6
Упорный подшипник первичной солнечной шестерни в сборе
7
Упорный подшипник первичного водила в сборе
8
Реактивное водило в сборе
9
Реактивное водило солнечной шестерни в сборе
10
Упорный подшипник реактивного водила солнечной шестерни
Совет
Упорный подшипник солнечной шестерни может застрять в солнечной шестерне.
11
Корпус муфты 3-5-задней & 4-5-6 передач в сборе

Демонтаж корпуса муфты 3-5-задней и 4-5-6 передачи

Снятие турбинного вала, индукционного кольца и поршня


L8B15A36
Показать иллюстрациюПеревод текста в иллюстрациях


Выноска
Название компонента
1
Стопорное кольцо вала турбины
Специальный инструмент
j-5586-a Клещи для стопорных колец или эквивалентный инструмент
2
Вал турбины
3
Ступица реактивного водила в сборе
4
Упорный подшипник ступицы реактивного водила в сборе

Снятие диска муфты 4-5-6 передач


L8B15A37
Показать иллюстрациюПеревод текста в иллюстрациях


Выноска
Название компонента
1
Стопорное кольцо опорного диска муфты включения 4-5-6 передач
2
Опорный диск муфты включения 4-5-6 передачи
3
Ведомый диск сцепления 4-5-6 передач в сборе (количество: 4)
4
Ведомый диск сцепления 4-5-6 передач (количество: 3)
5
Диск включения 4-5-6 передачи
6
Волнообразный диск муфты 4-5-6 передачи

Снятие поршня муфты 4-5-6 передач


L8B15A38
Показать иллюстрациюПеревод текста в иллюстрациях


Выноска
Название компонента
1
Стопорное кольцо прокладки муфты 4-5-6 передач
Специальный инструмент
dt-47951-2 Съемник пружины
j-5586-a Клещи для стопорных колец или эквивалентный инструмент
2
Прокладка поршня муфты включения 4-5-6 передачи в сборе
Совет
  1. Разместите корпус муфты 3-5-задней и 4-5-6 передач на опорной ступице в картере.
  2. Подведите производственный воздух к отверстию для подачи жидкости в муфте 4-5-6 передач, используя пневматический пистолет из армированной резины, чтобы выбить прокладку поршня и поршень муфты 4-5-6 передач из корпуса муфты.
3
Возвратная пружина поршня муфты включения 4-5-6 передачи
4
Поршень муфты включения 4-5-6 передачи
Совет
Подведите производственный воздух к отверстию для подачи муфты 4-5-6 передач, используя пневматический пистолет из армированной резины, чтобы выбить поршень муфты.
5
Внутреннее уплотнение поршня муфты включения 4-5-6 передачи
6
Наружное уплотнение поршня муфты 4-5-6 передач (dk blue) (ступенчатое)
7
Наружное уплотнение поршня муфты 4-5-6 передач (большое) (закругленное)

Снятие индукционного кольца и поршня


L8B15A39
Показать иллюстрациюПеревод текста в иллюстрациях


Выноска
Название компонента
1
Стопорное кольцо индукционного кольца датчика скорости первичного вала

Внимание! При сжатии индукционное кольцо сломает направляющий язычок и корпус муфты. Сожмите индукционное кольцо настолько, чтобы освободить бороздку стопорного кольца.

Специальный инструмент
dt-47694 Съемник пружины муфты
2
Индукционное кольцо датчика скорости первичного вала
3
3-5-Поршень муфты включения заднего хода
4
Возвратная пружина поршня муфты включения 3-5-задней передачи
5
Внутреннее (индуктивное) уплотнение (оранжевое) поршня муфты 3-5-задней передач
6
Внутреннее уплотнение поршня муфты включения 3-5-задней передачи
7
Уплотнение прокладки поршня муфты 3-5-задней передач (черное)

Снятие диска муфты 3-5-задней передач


L8B15A40
Показать иллюстрациюПеревод текста в иллюстрациях


Выноска
Название компонента
1
Стопорное кольцо кольцевого опорного диска муфты 3-5-задней передач
Совет
Мягко надавите на опорный диск, чтобы получить достаточный зазор между опорным диском и фиксатором.
2
Опорный диск муфты включения 3-5-задней передачи
3
Диск муфты 3-5-задней передач в сборе (количество: 3)
4
Диск муфты 3-5-задней передачи (количество: 3)
5
Диск включения муфты 3-5-задней передач (волнообразный)

Монтаж корпуса муфты включения 3-5-задней и 4-5-6 передачи

Установка дисков муфты 3-5-задней передач


L8B15A41
Показать иллюстрациюПеревод текста в иллюстрациях


Выноска
Название компонента
1
Диск включения муфты 3-5-задней передач (волнообразный)
2
Диск муфты 3-5-задней передачи (количество: 3)
3
Диск муфты 3-5-задней передач в сборе (количество: 3)
4
Опорный диск муфты включения 3-5-задней передачи
5
Стопорное кольцо кольцевого опорного диска муфты 3-5-задней передач

Установка индукционного кольца и поршня


L8B15A42
Показать иллюстрациюПеревод текста в иллюстрациях


Выноска
Название компонента
1
Уплотнение прокладки поршня муфты 3-5-задней передач (черное)
2
Внутреннее уплотнение поршня муфты включения 3-5-задней передачи
3
Внутреннее (индуктивное) уплотнение (оранжевое) поршня муфты 3-5-задней передач
4
Возвратная пружина поршня муфты включения 3-5-задней передачи
5
3-5-Поршень муфты включения заднего хода
6
Индукционное кольцо датчика скорости первичного вала
7
Стопорное кольцо индукционного кольца датчика скорости первичного вала

Примечание: Сожмите индукционное кольцо настолько, чтобы освободить бороздку стопорного кольца. При сжатии индукционное кольцо сломает направляющий язычок и корпус муфты.

Совет
Разместите корпус в сборе на опору первичного вала внутри картера. Подведите производственный воздух к отверстию в картере для подачи жидкости в муфту, чтобы убедиться в правильной работе поршня.
Специальные инструменты:
dt-47694 Съемник пружины поршня

Установка поршня муфты 4-5-6 передач


L8B15A43
Показать иллюстрациюПеревод текста в иллюстрациях


Выноска
Название компонента
1
Внутреннее уплотнение поршня муфты включения 4-5-6 передачи
2
Наружное уплотнение поршня муфты 4-5-6 передач (большое) (закругленное)
3
Наружное уплотнение поршня муфты 4-5-6 передач (dk blue) (ступенчатое)
4
Поршень муфты включения 4-5-6 передачи
Совет
  • dt-47805 во время установки предохраняет край уплотнения прокладки от повреждения. Тонким слоем нанесите жидкость для автоматической коробки передач на внутренний диаметр DT-47805 для более легкой установки поршня.
  • dt-47951-2 при необходимости можно использовать в качестве толкателя.
СПЕЦИАЛЬНЫЕ ИНСТРУМЕНТЫ
dt-47805 Защита уплотнения поршня
dt-47951-2 Съемник пружины

Установка гидравлической прокладки муфты 4-5-6 передач


L8B15A44
Показать иллюстрациюПеревод текста в иллюстрациях


Выноска
Название компонента
1
Возвратная пружина поршня муфты включения 4-5-6 передачи
2
Прокладка поршня муфты включения 4-5-6 передачи в сборе
Совет
dt-47951-1 во время установки предохраняет край уплотнения прокладки от повреждения. Тонким слоем нанесите жидкость для автоматической коробки передач на внутренний диаметр DT-47951-1 для более легкой установки прокладки.
СПЕЦИАЛЬНЫЕ ИНСТРУМЕНТЫ
dt-47951-1 Защита уплотнения поршня
3
Стопорное кольцо прокладки муфты 4-5-6 передач
Совет
  • При установке стопорного кольца оставьте dt-47951-1 на месте.
  • Разместите корпус в сборе на опору первичного вала внутри картера. Подведите производственный воздух к отверстию в картере для подачи жидкости в муфту, чтобы убедиться в правильной работе поршня.
СПЕЦИАЛЬНЫЕ ИНСТРУМЕНТЫ
dt-47951-2 Съемник пружины муфты

Установка дисков муфты 4-5-6 передач


L8B15A45
Показать иллюстрациюПеревод текста в иллюстрациях


Выноска
Название компонента
1
Упорный подшипник ступицы реактивного водила в сборе
2
Ступица реактивного водила в сборе
3
Волнообразный диск муфты 4-5-6 передачи
4
Диск включения 4-5-6 передачи
5
Ведомый диск сцепления 4-5-6 передач в сборе (количество: 4)
6
Ведомый диск сцепления 4-5-6 передач (количество: 3)
7
Опорный диск муфты включения 4-5-6 передачи
8
Стопорное кольцо опорного диска муфты включения 4-5-6 передач

Установка вала турбины


L8B15A46
Показать иллюстрациюПеревод текста в иллюстрациях


Выноска
Название компонента
1
Вал турбины
2
Стопорное кольцо вала турбины
СПЕЦИАЛЬНЫЕ ИНСТРУМЕНТЫ
j-5586-a Клещи для стопорных колец или эквивалентный инструмент

Установка первичного, реактивного и вторичного водила


L8B15A47
Показать иллюстрациюПеревод текста в иллюстрациях


Выноска
Название компонента
1
Корпус муфты 3-5-задней & 4-5-6 передач в сборе
2
Упорный подшипник реактивного водила солнечной шестерни
3
Реактивное водило солнечной шестерни в сборе
4
Реактивное водило в сборе
5
Упорный подшипник первичного водила в сборе
6
Упорный подшипник первичной солнечной шестерни в сборе
7
Первичное водило в сборе
8
Первичная солнечная шестерня
9
Упорный подшипник первичной солнечной шестерни в сборе
10
Упорный подшипник вторичного водила в сборе
11
Вторичное водило в сборе
12
Диск сцепления 2-6 передач в сборе (количество: 2)
Совет
Начните с диска муфты в сборе и далее чередуйте диски муфты.
13
Ведомый диск сцепления 2-6 передач (количество: 1)
Совет
Одновременно устанавливайте только один диск муфты 2-6 передач. Оставшийся диск муфты устанавливается в картер


На предыдущую страницу На следующую страницу
https://vnx.su/ 🛠 Руководства по ремонту и эксплуатации для автомобилей

Поиск по сайту

Остались вопросы или пожелания? Пишите на почту: support@vnx.su

Карта Сайта