К началу документа
Epica
На предыдущую страницу На следующую страницу
Главная страница GMDE Загрузить нединамическое оглавление Загрузить динамическое оглавление Помощь

L7B11F09
Показать иллюстрациюПеревод текста в иллюстрациях


Проверка цепи главного реле

Описание схемы

При включении зажигания или переводе ключа в положение СТАРТ на главное реле подается напряжение. После этого главное реле подает напряжение на предохранители Ef30 и Ef33 в блоке предохранителей двигателя.

Диагностическая информация

Проверка цепи главного реле

Шаг Операция Значения Да Нет
1
  1. Выключите зажигание.
  2. Отсоединить предохранители ef30 и ef33 в блоке предохранителей двигателя.
  3. Включите зажигание.
  4. Контрольной лампой, подключенной к массе, проверить клеммы предохранителей, ближайшие к главному реле для предохранителей ef30 и ef33.
Контрольная лампа горит на обеих клеммах?
-
Система в норме
Перейти к операции 2
2
Проверить контрольную лампу.
Контрольная лампа горит только на одной клемме?
-
Перейти к операции 9
Перейти к операции 3
3
Проверить контрольную лампу.
Контрольная лампа не горит на обеих клеммах?
-
Перейти к операции 4
-
4
  1. Выключите зажигание.
  2. Проверить предохранитель ef27 блока предохранителей двигателя.
Предохранитель в норме?
-
Перейти к операции 5
Перейти к операции 10
5
  1. Отсоединить главное реле.
  2. Присоединить контрольную лампу между клеммой 86 разъема главного реле и массой.
Горит ли контрольная лампа?
-
Перейти к операции 6
Перейти к операции 11
6
Присоединить контрольную лампу между клеммой 85 разъема главного реле и напряжением аккумуляторной батареи.
Горит ли контрольная лампа?
-
Перейти к операции 7
Перейти к операции 12
7
Присоединить контрольную лампу между клеммой 87 разъема главного реле и массой.
Горит ли контрольная лампа?
-
Перейти к операции 8
Перейти к операции 13
8
Проверить на обрыв цепи проводку между клеммой 30 разъема главного реле и клеммами блока предохранителей двигателя для предохранителей ef30 и ef33.
Неисправность обнаружена?
-
Перейти к операции 9
Перейти к операции 14
9
Устранить обрыв цепи между клеммой 30 разъема главного реле и клеммами блока предохранителей двигателя для предохранителей ef30 и ef33.
Закончен ли ремонт?
-
Система в норме
-
10
Заменить предохранитель ef27 блока предохранителей двигателя.
Закончен ли ремонт?
-
Система в норме
-
11
Устранить обрыв цепи между клеммой 86 разъема главного реле и выключателем зажигания.
Закончен ли ремонт?
-
Система в норме
-
12
Устранить обрыв цепи между клеммой 85 разъема главного реле и массой.
Закончен ли ремонт?
-
Система в норме
-
13
Устранить обрыв цепи между клеммой 87 разъема главного реле и аккумуляторной батареей.
Закончен ли ремонт?
-
Система в норме
-
14
Заменить главное реле.
Закончен ли ремонт?
-
Система в норме
-

L7B11F10
Показать иллюстрациюПеревод текста в иллюстрациях


Проверка абсолютного давления в коллекторе

Описание схемы

Датчик абсолютного давления в коллекторе (МАР) измеряет изменение давления во впускном коллекторе, связанное с изменением нагрузки на двигатель и изменением частоты вращения. Датчик MAP конвертирует эти изменения в выходные сигналы. Контроллер электронной системы управления двигателем (ЭСУД) подает контрольный сигнал 5 В на датчик МАР. При изменении давления впускного коллектора выходной сигнал датчика MAP также изменяется. Низкий выходной уровень сигнала (высокий вакуум) 1 - 2 В имеет место на холостом ходу. Высокий выходной уровень сигнала (низкий вакуум) 4,0 - 4,8 В имеет место при полностью открытой дроссельной заслонке. Датчик MAP в определенных условиях используется для измерения барометрического давления. Это позволяет контроллеру ЭСУД производить корректировку по изменению высоты. Контроллер ЭСУД использует датчик MAP для подачи топлива и изменения момента зажигания.

Проверка абсолютного давления в коллекторе

Шаг Операция Значения Да Нет
1
  1. Выключите зажигание.
  2. Подключить сканирующий прибор к колодке диагностики (dlc).
  3. Включите зажигание.
  4. Сравнить уровень сигнала датчика абсолютного давления в коллекторе (map) от сканера с известным значением от исправного автомобиля.
Разница двух уровней сигнала меньше, чем установленное значения?
0,4 В
Перейти к операции 2
Перейти к операции 5
2
  1. Выключите зажигание.
  2. Подключить сканирующий прибор к колодке диагностики.
  3. Отсоединить вакуумную линию датчика map.
  4. Присоединить ручной вакуумный насос к датчику map.
  5. Включите зажигание.
  6. Записать уровень сигнала датчика МАР.
  7. Подать давление 60 кПа (17.7 in. на датчик MAP и обратить внимание на изменение давления.
Разница в уровнях сигнала больше, чем установленное значения?
1,1~1,5 В
Система в норме
Перейти к операции 3
3
Проверить клеммы разъема датчика МАР.
Неисправность обнаружена?
-
Перейти к операции 4
Перейти к операции 5
4
Отремонтировать разъем датчика МАР, если необходимо.
Закончен ли ремонт?
-
Система в норме
-
5
Заменить датчик абсолютного давления в коллекторе.
Закончен ли ремонт?
-
Система в норме
-

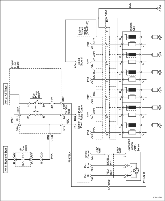
L7B11F11
Показать иллюстрациюПеревод текста в иллюстрациях


Проверка системы зажигания

Описание схемы

Для каждого цилиндра двигателя предусмотрена собственная катушка зажигания. Соответствующая цепь разводки питания питает каждый узел катушек при переводе зажигания во включенное положение или положение ПУСК. В каждом узле катушек регулируется ток в первичных обмотках катушек, за счет чего создается магнитное поле. Контроллер электронной системы управления двигателем (ЭСУД) заставляет каждую катушку создавать искру в цилиндре. И каждый узел катушек создает ее путем размыкания первичной цепи катушки, индуцируя высокое напряжение во вторичной цепи катушки. Из-за высокого напряжения во вторичной цепи происходит заземление за счет искрения в свече зажигания.

Проверка системы зажигания

Внимание! Чтобы не допустить поражения электротоком при работе с проводами зажигания на работающем двигателе, использовать изолированные плоскогубцы.

Шаг Операция Значения Да Нет
1
  1. Снимите свечи зажигания.
  2. Проверить свечи зажигания на влажность, трещины, неправильный зазор, обожженные электроды или значительные отложения.
  3. Заменить свечи зажигания, если необходимо.
Закончен ли ремонт?
-
Система в норме
Перейти к операции 2
2
Проверить наличие искры на всех свечах зажигания при проворачивании двигателя стартером.
Искра имеется на всех свечах зажигания?
-
Система в норме
Перейти к операции 3
3
Искра имеется хотя бы на одной свече зажигания?
-
Перейти к операции 4
Перейти к операции 9
4
  1. Выключите зажигание.
  2. Отсоединить разъём катушки электронной системы зажигания.
  3. Проворачивая коленчатый вал, измерить уровень сигнала на клемме А разъема катушки электронной системы зажигания.
  4. Повторить вышеперечисленные шаги для всех шести цилиндров.
Напряжение колеблется в пределах установленного значения?
0,2-2,0 В
Перейти к операции 7
Перейти к операции 5
5
Проверить на обрыв цепи провод от клеммы a разъема катушки электронной системы зажигания к клеммам разъема контроллера ЭСУД.
Неисправность обнаружена?
-
Перейти к операции 6
Перейти к операции 8
6
  1. Устраните неисправность цепи.
  2. Присоедините разъем катушки электронной системы зажигания.
  3. Проверить наличие искры на всех свечах зажигания.
Искра имеется на всех свечах зажигания?
-
Система в норме
-
7
  1. Заменить катушку электронной системы зажигания.
  2. Присоедините разъем катушки электронной системы зажигания.
  3. Проверить наличие искры на всех свечах зажигания.
Искра имеется на всех свечах зажигания?
-
Система в норме
-
8
  1. Заменить контроллер ЭСУД.
  2. Присоедините разъем катушки электронной системы зажигания.
  3. Проверить наличие искры на всех свечах зажигания.
Искра имеется на всех свечах зажигания?
-
Система в норме
-
9
  1. Выключите зажигание.
  2. Отсоединить разъём датчика положения коленчатого вала (СКР).
  3. Измерить сопротивление между клеммами 1 и 2 разъема датчика положения коленчатого вала.
Сопротивление в пределах установленного значения?
460-620 О
Перейти к операции 10
Перейти к операции 25
10
Измерить сопротивление между клеммами 1 и 3 разъема датчика положения коленчатого вала.
Сопротивление бесконечно (обрыв цепи)?
-
Перейти к операции 11
Перейти к операции 25
11
  1. Включите зажигание.
  2. Измерить уровень сигнала между клеммами 1 и 3 разъема датчика положения коленчатого вала.
Напряжение в пределах установленного значения?
0,95~1,10 В
Перейти к операции 17
Перейти к операции 12
12
Измерить уровень сигнала между клеммой 2 разъема датчика положения коленчатого вала и массой.
Напряжение в пределах установленного значения?
0,95~1,10 В
Перейти к операции 14
Перейти к операции 13
13
Проверить на обрыв цепи или короткое замыкание провод между клеммой 2 разъема датчика положения коленчатого вала и клеммой k56 разъема контроллера ЭСУД.
Неисправность обнаружена?
-
Перейти к операции 15
Перейти к операции 8
14
Проверить на обрыв цепи провод между клеммой 3 разъема датчика положения коленчатого вала и массой.
Неисправность обнаружена?
-
Перейти к операции 16
Перейти к операции 8
15
Отремонтировать провод между клеммой 2 разъема датчика положения коленчатого вала и клеммой k56 разъема контроллера ЭСУД.
Закончен ли ремонт?
-
Система в норме
-
16
Отремонтировать провод между клеммой 3 разъема датчика положения коленчатого вала и массой.
Закончен ли ремонт?
-
Система в норме
-
17
  1. Включите зажигание.
  2. Измерить уровень сигнала между клеммами 1 и 3 разъема датчика положения коленчатого вала.
Напряжение в пределах установленного значения?
0,95~1,10 В
Перейти к операции 21
Перейти к операции 18
18
Измерить уровень сигнала между клеммой 1 разъема датчика положения коленчатого вала и массой.
Напряжение в пределах установленного значения?
0,95~1,10 В
Перейти к операции 14
Перейти к операции 19
19
Проверить на обрыв цепи или короткое замыкание провод между клеммой 1 разъема датчика положения коленчатого вала и клеммой k55 разъема контроллера ЭСУД.
Неисправность обнаружена?
-
Перейти к операции 20
Перейти к операции 8
20
Отремонтировать провод между клеммой 1 разъема датчика положения коленчатого вала и клеммой k55 разъема контроллера ЭСУД.
Закончен ли ремонт?
-
Система в норме
-
21
  1. Выключите зажигание.
  2. Присоединить контрольную лампу между клеммой c разъема катушки электронной системы зажигания и массой.
  3. Включите зажигание.
Горит ли контрольная лампа?
-
Перейти к операции 22
Перейти к операции 23
22
Присоединить контрольную лампу между клеммой В разъема катушки электронной системы зажигания и положительным проводом аккумуляторной батареи.
Горит ли контрольная лампа?
-
Перейти к операции 4
Перейти к операции 24
23
Проверить, нет ли обрыва цепи в проводке между клеммой c разъема катушки электронной системы зажигания и выключателем зажигания.
Неисправность обнаружена?
-
Перейти к операции 26
Система в норме
24
Отремонтировать провод между клеммой b разъема катушки электронной системы зажигания и массой.
Закончен ли ремонт?
-
Система в норме
-
25
Заменить датчик положения коленчатого вала.
Закончен ли ремонт?
-
Система в норме
-
26
Устранить обрыв цепи между клеммой c разъема катушки электронной системы зажигания и клеммой разъема контроллера ЭСУД.
Закончен ли ремонт?
-
Система в норме
-

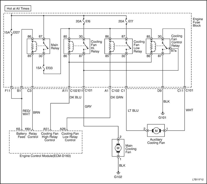
L7B11F12
Показать иллюстрациюПеревод текста в иллюстрациях


Проверка цепи вентилятора системы охлаждения

Описание схемы

Цепь вентилятора системы охлаждение двигателя управляет основным и вспомогательным вентилятором системы охлаждения. Вентиляторы системы охлаждения управляются контроллером ЭСУД, основываясь на входных сигналах датчика температуры охлаждающей жидкости двигателя (ЕСТ) и датчика давления кондиционирования воздуха (АСР). Контроллер ЭСУД задает низкие обороты вентилятора системы охлаждения путем внутреннего заземления схемы реле низких оборотов вентилятора. При этом на реле низких оборотов вентилятора подается питание; главный вентилятор и вспомогательный вентилятор системы охлаждения начинают работать на низких оборотах, т.к. они соединены последовательно. Контроллер ЭСУД задает высокие обороты вентилятора системы охлаждения путем одновременного внутреннего заземления схемы реле низких оборотов вентилятора и схемы реле высоких оборотов вентилятора. Это включает реле низких оборотов вентилятора системы охлаждения, реле высоких оборотов вентилятора системы охлаждения и последовательное/параллельное реле вентилятора системы охлаждения, что приводит к работе вентиляторов на высоких оборотах, так как вентиляторы системы охлаждения подключаются тем самым в параллельную цепь.

Диагностическая информация

Проверка цепи вентилятора системы охлаждения

Шаг Операция Значения Да Нет
1
Провести проверку системы диагностики.
Проверка проведена?
-
Перейти к операции 2
Перейти к пункту "Проверка диагностической системы".
2
  1. Проверить предохранитель ef6 в блоке предохранителей двигателя.
  2. Заменить предохранитель, если необходимо.
Предохранитель в норме?
-
Перейти к операции 3
Перейти к "Диагностическая информация"
3
  1. Проверить предохранитель ef7 в блоке предохранителей двигателя.
  2. Заменить предохранитель, если необходимо.
Предохранитель в норме?
-
Перейти к операции 4
Перейти к "Диагностическая информация"
4
  1. Выключите зажигание.
  2. Выключить кондиционер.
  3. Подключить сканирующий прибор к колодке диагностики (dlc).
  4. Запустите двигатель.
  5. Вентиляторы системы охлаждения должны работать на низких оборотах, когда температура охлаждающей жидкости достигает установленного значения.
Вентиляторы системы охлаждения работают на низких оборотах?
96°С (205°f)
Перейти к операции 5
Перейти к операции 10
5
  1. Выключите зажигание.
  2. Выключить кондиционер.
  3. Подключить сканирующий прибор к колодке диагностики.
  4. Запустите двигатель.
  5. Вентиляторы системы охлаждения должны работать на высоких оборотах, когда температура охлаждающей жидкости достигает установленного значения.
Вентиляторы системы охлаждения работают на высоких оборотах?
99°С (210°f)
Перейти к операции 6
Перейти к операции 33
6
  1. Выключите зажигание.
  2. Запустите двигатель.
  3. Включить кондиционер.
Муфта компрессора системы кондиционирования включается?
-
Перейти к операции 8
Перейти к операции 7
7
  1. Проверить цепь муфты компрессора системы кондиционирования.
  2. Отремонтировать цепь муфты компрессора системы кондиционирования, если необходимо.
  3. Запустите двигатель.
  4. Включить кондиционер.
Муфта компрессора системы кондиционирования включается?
-
-
Перейти к операции 8
-
8
Вентиляторы системы охлаждения работают на низких оборотах?
-
Перейти к операции 9
Перейдите к операции 31
9
  1. Выключите зажигание.
  2. Присоединить манометры кондиционера.
  3. Запустите двигатель.
  4. Включить кондиционер.
  5. Вентиляторы системы охлаждения должны работать на высоких оборотах, когда давление в контуре высокого давления кондиционера достигает установленного значения.
Вентиляторы системы охлаждения работают на высоких оборотах?
1862 кПa (270 psi)
Система в норме
-
10
  1. Выключите зажигание.
  2. Подключить сканирующий прибор к колодке диагностики.
  3. Температура охлаждающей жидкости должна быть выше 96°С (205°f).
  4. Отсоединить разъем вспомогательного вентилятора системы охлаждения.
  5. Включите зажигание.
  6. Присоединить контрольную лампу между клеммой 2 разъема вспомогательного вентилятора системы охлаждения и массой.
Горит ли контрольная лампа?
-
Перейти к операции 11
Перейти к операции 12
11
  1. Выключите зажигание.
  2. Подключить сканирующий прибор к колодке диагностики.
  3. Температура охлаждающей жидкости должна быть выше 96°С (205°f).
  4. Отсоединить разъем вспомогательного вентилятора системы охлаждения.
  5. Включите зажигание.
  6. Присоединить контрольную лампу между клеммой 1 разъема вспомогательного вентилятора системы охлаждения и положительным проводом аккумуляторной батареи.
Горит ли контрольная лампа?
-
Перейти к операции 28
Перейти к операции 17
12
  1. Выключите зажигание.
  2. Отсоединить реле низких оборотов вентилятора системы охлаждения.
  3. Присоединить контрольную лампу между клеммой 85 разъема реле низких оборотов вентилятора охлаждения и массой.
  4. Включите зажигание.
Горит ли контрольная лампа?
-
Перейти к операции 13
Перейти к операции 24
13
  1. Выключите зажигание.
  2. Присоединить реле низких оборотов вентилятора системы охлаждения.
  3. Отсоединить разъём контроллера электронной системы управления двигателем (ЭСУД).
  4. Присоединить перемычку с предохранителем между клеммой a26 разъема контроллера ЭСУД и массой.
  5. Включите зажигание.
Вентиляторы системы охлаждения работают на низких оборотах?
-
Перейти к операции 30
Перейти к операции 14
14
Проверить на разрыв цепь между клеммой 86 разъема реле низких оборотов вентилятора охлаждения и клеммой a26 разъема контроллера ЭСУД.
Неисправность обнаружена?
-
Перейти к операции 25
Перейти к операции 15
15
  1. Выключите зажигание.
  2. Отсоединить реле низких оборотов вентилятора системы охлаждения.
  3. Присоединить контрольную лампу между клеммой 30 разъема реле низких оборотов вентилятора системы охлаждения и массой.
Горит ли контрольная лампа?
-
Перейти к операции 16
Перейти к операции 23
16
Присоединить предохранительную перемычку между клеммами 30 и 87 разъема реле низких оборотов вентилятора системы охлаждения.
Вентиляторы системы охлаждения работают на низких оборотах?
-
Перейти к операции 26
Перейти к операции 17
17
  1. Отсоединить управляющее реле вентилятора системы охлаждения.
  2. Присоединить предохранительную перемычку между клеммами 30 и 87 разъема реле низких оборотов вентилятора системы охлаждения.
  3. Присоединить перемычку с предохранителем между клеммами реле последовательного/параллельного соединения вентиляторов системы охлаждения 30 и 87a.
Вентиляторы системы охлаждения работают на низких оборотах?
-
Перейти к операции 27
Перейти к операции 18
18
Проверить на обрыв цепи провод между клеммой 30 разъема реле низких оборотов вентилятора системы охлаждения и клеммой 2 разъема вспомогательного вентилятора системы охлаждения.
Неисправность обнаружена?
-
Перейти к операции 22
Перейти к операции 19
19
Проверить на обрыв цепи провод между клеммой 1 разъема вспомогательного вентилятора системы охлаждения и клеммой 30 разъема управляющего реле вентилятора системы охлаждения.
Неисправность обнаружена?
-
Перейти к операции 22
Перейти к операции 20
20
Проверить на обрыв цепи провод между клеммой 87a разъема управляющего реле вентилятора системы охлаждения и клеммой 2 разъема основного вентилятора системы охлаждения.
Неисправность обнаружена?
-
Перейти к операции 22
Перейти к операции 21
21
Проверить на обрыв цепи провод между клеммой 1 разъема основного вентилятора системы охлаждения и массой.
Неисправность обнаружена?
-
Перейти к операции 22
Перейдите к операции 29
22
Устранить обрыв цепи, если необходимо.
Закончен ли ремонт?
-
Система в норме
-
23
Устранить разрыв цепи между клеммой 30 разъема реле низких оборотов вентилятора охлаждения и аккумуляторной батареей.
Закончен ли ремонт?
-
Система в норме
-
24
Устранить разрыв цепи между клеммой 86 разъема реле низких оборотов вентилятора охлаждения и выключателем зажигания.
Закончен ли ремонт?
-
Система в норме
-
25
Проверить на разрыв цепи провод между клеммой 85 реле низких оборотов вентилятора охлаждения и клеммой a26 разъема контроллера ЭСУД.
Закончен ли ремонт?
-
Система в норме
-
26
Заменить реле вентилятора системы охлаждения, работающего на низких оборотах.
Закончен ли ремонт?
-
Система в норме
-
27
Заменить управляющее реле вентилятора системы охлаждения.
Закончен ли ремонт?
-
Система в норме
-
28
Заменить вспомогательный вентилятор системы охлаждения.
Закончен ли ремонт?
-
Система в норме
-
29
Заменить основной вентилятор системы охлаждения.
Закончен ли ремонт?
-
Система в норме
-
30
Заменить контроллер ЭСУД.
Закончен ли ремонт?
-
Система в норме
-
31
  1. Выключите зажигание.
  2. Отсоединить разъем вспомогательного вентилятора системы охлаждения.
  3. Присоединить контрольную лампу между клеммой 2 разъема вспомогательного вентилятора системы охлаждения и массой.
  4. Включить кондиционер.
  5. Запустите двигатель.
Горит ли контрольная лампа?
-
Перейти к операции 32
Перейти к операции 12
32
  1. Выключите зажигание.
  2. Присоединить контрольную лампу между клеммой 1 разъема основного вентилятора системы охлаждения и положительным проводом аккумуляторной батареи.
  3. Включить кондиционер.
  4. Запустите двигатель.
Горит ли контрольная лампа?
-
Перейти к операции 34
Перейти к операции 44
33
  1. Выключите зажигание.
  2. Отсоединить реле высоких оборотов вентилятора системы охлаждения.
  3. Присоединить контрольную лампу между клеммой 85 разъема реле высоких оборотов вентилятора системы охлаждения и массой.
  4. Включите зажигание.
Горит ли контрольная лампа?
-
Перейти к операции 34
Перейти к операции 44
34
  1. Выключите зажигание.
  2. Присоединить контрольную лампу между клеммой 30 разъема реле высоких оборотов вентилятора системы охлаждения и массой.
Горит ли контрольная лампа?
-
Перейти к операции 35
Перейти к операции 45
35
  1. Отсоединить управляющее реле вентилятора системы охлаждения.
  2. Присоединить контрольную лампу между клеммой 85 разъема управляющего реле вентилятора системы охлаждения и массой.
  3. Включите зажигание.
Горит ли контрольная лампа?
-
Перейти к операции 36
Перейти к операции 46
36
  1. Выключите зажигание.
  2. Присоединить контрольную лампу между клеммой 87 разъема управляющего реле вентилятора системы охлаждения и положительным проводом аккумуляторной батареи.
Горит ли контрольная лампа?
-
Перейти к операции 37
Перейти к операции 47
37
  1. Присоединить разъём основного вентилятора системы охлаждения.
  2. Подключить реле высоких оборотов вентилятора системы охлаждения.
  3. Присоединить управляющее реле вентилятора системы охлаждения.
  4. Отсоединить разъём контроллера ЭСУД.
  5. Присоединить перемычку с предохранителем между клеммой a26 разъема контроллера ЭСУД и массой.
  6. Присоединить перемычку с предохранителем между клеммой a51 разъема контроллера ЭСУД и массой.
  7. Включите зажигание.
Вентиляторы системы охлаждения работают на высоких оборотах?
-
Перейти к операции 30
Перейти к операции 38
38
  1. Выключите зажигание.
  2. Проверить на разрыв цепь между клеммой 86 реле высоких оборотов вентиляторов охлаждения и клеммой a51 разъема контроллера ЭСУД.
Неисправность обнаружена?
-
Перейти к операции 22
Перейти к операции 39
39
  1. Отсоединить реле высоких оборотов вентилятора системы охлаждения.
  2. Присоединить контрольную лампу между клеммой 87 разъема реле высоких оборотов вентилятора системы охлаждения и положительным проводом аккумуляторной батареи.
Горит ли контрольная лампа?
-
Перейти к операции 40
Перейти к операции 48
40
  1. Отсоединить разъём контроллера ЭСУД.
  2. Присоединить перемычку с предохранителем между клеммой a51 разъема контроллера ЭСУД и массой.
  3. Отсоединить управляющее реле вентилятора системы охлаждения.
  4. Присоединить контрольную лампу между клеммой 85 разъема управляющего реле вентилятора системы охлаждения и положительным проводом аккумуляторной батареи.
Горит ли контрольная лампа?
-
Перейти к операции 41
Перейти к операции 49
41
  1. Присоединить управляющее реле вентилятора системы охлаждения.
  2. Присоединить перемычку с предохранителем между клеммой a51 разъема контроллера ЭСУД и массой.
  3. Отсоединить реле высоких оборотов вентилятора системы охлаждения.
  4. Присоединить перемычку с предохранителем между клеммами 30 и 87 разъема реле высоких оборотов вентилятора системы охлаждения.
  5. Отсоединить реле низких оборотов вентилятора системы охлаждения.
  6. Присоединить предохранительную перемычку между клеммами 30 и 87 разъема реле низких оборотов вентилятора системы охлаждения.
  7. Включите зажигание.
Вентиляторы системы охлаждения работают на высоких оборотах?
-
Перейти к операции 43
Перейти к операции 42
42
  1. Выключите зажигание.
  2. Присоединить перемычку с предохранителем между клеммой a51 разъема контроллера ЭСУД и массой.
  3. Отсоединить управляющее реле вентилятора системы охлаждения.
  4. Присоединить предохранительную перемычку между клеммами 30 и 87 разъема управляющего реле вентилятора системы охлаждения.
  5. Присоединить предохранительную перемычку между клеммами 30 и 87 разъема реле низких оборотов вентилятора системы охлаждения.
  6. Включите зажигание.
Вентиляторы системы охлаждения работают на высоких оборотах?
-
Перейти к операции 27
-
43
Заменить реле вентилятора системы охлаждения, работающего на высоких оборотах.
Закончен ли ремонт?
-
Система в норме
-
44
Устранить разрыв цепи между клеммой 85 разъема реле высоких оборотов вентилятора охлаждения и выключателем зажигания.
Закончен ли ремонт?
-
Система в норме
-
45
Устранить разрыв цепи между клеммой 30 разъема реле высоких оборотов вентилятора охлаждения и аккумуляторной батареей.
Закончен ли ремонт?
-
Система в норме
-
46
Устранить разрыв цепи между клеммой 85 разъема управляющего реле вентилятора системы охлаждения и выключателем зажигания.
Закончен ли ремонт?
-
Система в норме
-
47
Устранить обрыв цепи между клеммой 87 разъема управляющего реле вентилятора системы охлаждения и массой.
Закончен ли ремонт?
-
Система в норме
-
48
Устранить разрыв цепи между клеммой 87 разъема реле высоких оборотов вентилятора системы охлаждения и клеммой 2 разъема основного вентилятора системы охлаждения.
Закончен ли ремонт?
-
Система в норме
-
49
Устранить обрыв цепи между клеммой 86 разъема управляющего реле вентилятора системы охлаждения и клеммой a51 разъема контроллера ЭСУД.
Закончен ли ремонт?
-
Система в норме
-

Диагностика через колодку диагностики

Описание схемы

Средством обмена данными с контроллером электронной системы управления двигателем (ЭСУД) является колодка диагностики (DLC). Она расположена под панелью инструментов. Колодка диагностики используется для подключения сканирующего прибора. Питание от аккумулятора и точка заземления подводится к сканирующему прибору через колодку диагностики. Контроллер ЭСУД может обмениваться данными со сканирующим прибором благодаря связи цепи последовательной передачи данных с колодкой диагностики.

Диагностическая информация

Убедитесь, что на сканирующем приборе было выбрано правильное применение (модельная линия, год изготовления и т.д.). Если связь не может быть установлена, подключить прибор к другому автомобилю, чтобы убедиться, что сканирующий прибор или кабели не являются причиной проблемы.
Неустойчивая неисправность может быть вызвана слабым контактом, перетертой изоляции или обрывом проводки под изоляцией.
Любая цепь, подозреваемая на создание неустойчивой неисправности, должна быть тщательно проверена на следующие обстоятельства:

Диагностика через колодку диагностики

Шаг Операция Значения Да Нет
1
Провести проверку системы диагностики.
Проверка проведена?
-
Перейти к операции 2
Перейти к пункту "Проверка диагностической системы".
2
Контрольной лампой, подключенной к массе, проверить клемму 16 питания колодки диагностики.
Контрольная лампа горит?
-
Перейти к операции 4
Перейти к операции 3
3
Устранить обрыв цепи или короткое замыкание на массу в цепи питания колодки диагностики.
Закончен ли ремонт?
-
Перейти к операции 4
-
4
Контрольной лампой, подключенной к питанию, проверить клеммы 4 и 5 массы колодки диагностики.
Контрольная лампа горит?
-
Перейти к операции 6
Перейти к операции 5
5
Устранить обрыв цепи.
Закончен ли ремонт?
-
Перейти к операции 6
-
6
  1. Поверните замок зажигание в положение lock.
  2. Подключить сканирующий прибор к колодке диагностики.
  3. Поверните ключ зажигания в положение on.
Сканирующий прибор включается?
-
Перейти к операции 8
Перейти к операции 7
7
Проверить клемму колодки диагностики и сканирующий прибор на неисправности и отремонтировать, если необходимо.
Закончен ли ремонт?
-
Перейти к операции 8
-
8
Используя сканирующий прибор, запросить данные двигателя у контроллера ЭСУД.
Сканирующий прибор выводит на дисплей какие-либо данные?
-
Перейти к операции 12
Перейти к операции 9
9
Установить сканирующий прибор на другой автомобиль и проверить его работоспособность.
Сканирующий прибор работает надлежащим образом на другом автомобиле?
-
Перейти к операции 11
Перейти к операции 10
10
Сканирующий прибор неисправен.
См. руководство по обслуживанию сканирующего прибора.
Закончен ли ремонт?
-
Перейти к операции 12
-
11
Устранить неисправность в цепи связи между контроллером ЭСУД и колодкой диагностики.
Закончен ли ремонт?
-
Перейти к операции 12
-
12
  1. Используя сканирующий прибор, очистить диагностические коды неисправностей.
  2. Попытайтесь запустить двигатель.
Двигатель запускается и продолжает работать?
-
Перейти к операции 13
Перейти к операции 2
13
  1. Дать двигателю поработать на холостом ходу до достижения нормальной рабочей температуры.
  2. Проверьте, не установлены ли какие-либо диагностические коды неисправности.
Отображены ли диагностические коды неисправности, которые не были продиагностированы?
-
Перейти к разделу "Таблица применимых диагностических кодов неисправности"
Система в норме

Проверка катушки топливной форсунки

Описание схемы

Контроллер электронной системы управления двигателем (ЭСУД) поддерживает передачу соответствующих импульсов к топливным форсункам для каждого цилиндра. Напряжение зажигания подводится напрямую к топливным форсункам. Контроллер ЭСУД контролирует работу каждой топливной форсунки за счет заземления цепи управления через твердотелый прибор, управляющее устройство. Повышенное или пониженное сопротивление обмотки катушки топливных форсунок влияет на обороты двигателя. Диагностический код неисправности цепи управления топливными форсунками может не устанавливаться, но возможен пропуск зажигания. На обмотку катушек зажигания влияет и температура. Сопротивление обмоток катушки топливных форсунок повышается при повышении температуры топливных форсунок.

Диагностическая информация

Проверка катушки топливной форсунки

Шаг Операция Значения Да Нет
1
Провести проверку системы диагностики.
Проверка завершена?
-
Перейти к операции 2
Перейти к пункту "Проверка диагностической системы".
2
Проконтролировать параметры датчика ЕСТ сканирующим прибором.
Параметры датчика ЕСТ в указанных пределах?
10-32°С (50-90°f)
Перейти к операции 3
Перейти к операции 4
3
  1. Выключить зажигание.
  2. Отсоединить топливные форсунки.
  3. Измерить сопротивление каждой топливной форсунки цифровым универсальным измерительным прибором.
Сопротивление каждой форсунки в пределах установленного значения?
14~15 О
Перейти к разделу "Проверка баланса форсунок"
Перейти к операции 6
4
  1. Выключить зажигание.
  2. Отсоединить топливные форсунки.
  3. Измерить сопротивление каждой топливной форсунки цифровым универсальным измерительным прибором.
  4. Записать каждую величину сопротивления топливной форсунки.
  5. Вычесть наименьшее значение сопротивления из наибольшего значения сопротивления.
Разница равна указанному значению или меньше его?
3 О
Перейти к разделу "Проверка баланса форсунок"
Перейти к операции 5
5
  1. Прибавить все значения сопротивления топливных форсунок для получения общего значения сопротивления.
  2. Разделить общее значение сопротивления на число топливных форсунок для получения среднего значения сопротивления.
  3. Вычесть наименьшее значение сопротивления отдельной форсунки из среднего значения сопротивления.
  4. Вычислить разницу между наибольшим значением сопротивления отдельной форсунки и средним значением сопротивления.
  5. Заменить топливную форсунку, у которой обнаружена наибольшая разница в сопротивлении при превышении или снижении ниже среднего значения.
Замена произведена?
-
Перейти к операции 7
-
6
Заменить топливную форсунку или топливные форсунки, у которых сопротивление выходит за указанные пределы.
Замена произведена?
14~15 О
Перейти к операции 7
-
7
Включить систему для проверки результатов ремонта.
Неисправность устранена?
-
Система в норме
Перейти к операции 2

Проверка баланса форсунок

Тестер топливной форсунки включается на определенное время для подачи отмеренного количества топлива во впускной коллектор. Это вызывает падение давления в топливной рампе, которое может быть записано и использовано для сравнения с каждой топливной форсункой. Все топливные форсунки должны показывать одинаковое падение давления.

Пример проверки баланса форсунок

Цилиндр
1
2
3
4
Первое значение
43 psi (296 кПa)
43 psi (296 кПa)
43 psi (296 кПa)
43 psi (296 кПa)
Второе значение
19 psi (131 кПa)
17 psi (117 кПa)
18 psi (124 кПa)
21 psi (145 кПa)
Падение
24 psi (165 кПa)
26 psi (179 кПa)
25 psi (172 кПa)
22 psi (151 кПa)
Средний диапазон: 22.5-25.5 (156-176 кПа)
Форсунка в норме
Неисправная форсунка - слишком большое падение давления
Форсунка в норме
Неисправная форсунка - слишком малое падение давления

Внимание! Топливная система находится под давлением. Перед отсоединением топливопроводов во избежание пролива топлива и ожогов следует сбросить давление в системе подачи топлива.

Внимание! Не зажимать и не перегибать нейлоновые топливопроводы. Дефекты топливопроводов могут привести к утечке топлива, а вместе с ней к пожару и травмам.

Примечание: Чтобы не допустить заливания двигателя, не проводить проверку баланса форсунок больше, чем один раз (включая повторную проверку неисправных топливных форсунок) на остановленном двигателе.

Проверка

  1. Двигатель должен остыть в течение 10 минут, чтобы избежать искажения значений, связанного с испарением топлива на горячем двигателе.
  2. Осторожно присоединить манометр, чтобы не допустить пролива топлива.
  3. Топливный насос должен работать в течение примерно 2 секунд после включения зажигания.
  4. Прозрачную трубку, установленную на вентиляционный клапан манометра, положить в подходящий контейнер.
  5. Полностью стравить воздух из манометра и шлангов.
  6. Зажигание должно быть выключено не менее 10 секунд для завершения цикла отключения контроллера ЭСУД.
  7. Включить зажигание, чтобы поднять давление топлива до максимального уровня.
  8. Дать давлению топлива стабилизироваться и записать это значение начального давления. Подождать, пока не прекратиться движение иглы манометра.
  9. Следовать указаниям производителя по использованию жгута проводов адаптера. Включить тестер топливной форсунки один раз и записать падение давления топлива в самой нижней точке. Записать это второе значение. Вычесть его из первого значения для определения падения давления топлива.
  10. Отсоединить тестер топливного насос от топливной форсунки.
  11. После включения зажигания, чтобы еще раз получить максимальное давление топлива, подключить тестер к следующей топливной форсунке. Включить тестер топливной форсунки и записать значение давления топлива. Повторить эту процедуру на всех форсунках.
  12. Еще раз проверить топливные форсунки, падение давления на которых превышает среднее значение падения давления в 10 кПa (1,5 psi).
  13. Заменить топливные форсунки, не прошедшие проверку.
  14. Если падение давления всех топливных форсунок в пределах 10 кПa (1,5 psi) среднего значения падения давления, то форсунки работают нормально и замена не требуется.
  15. Заново подключить жгуты проводов топливной форсунки и пройти таблицу диагностики симптомов.


На предыдущую страницу На следующую страницу
https://vnx.su/ 🛠 Руководства по ремонту и эксплуатации для автомобилей

Поиск по сайту

Остались вопросы или пожелания? Пишите на почту: support@vnx.su

Карта Сайта